Advanced Turbine Cycles with Organic Media
Abstract
1. Introduction
- Cycle with saturated live steam and a regenerator for warming up the working fluid (Variant 1—Figure 2);
- Cycle with superheated live steam and a regenerator for warming up the working fluid (Variant 2—Figure 2);
- Cycle with superheated live steam and a regenerator for warming up, vaporization and partial superheating of the working fluid (Variant 3—Figure 2);
- Cycle with supercritical live steam and a regenerator for warming up, vaporization and partial superheating of the working fluid (Variant 4—Figure 2);
- Cycle with superheated live steam, a regenerator for warming up, vaporization and partial superheating of the working fluid, and with a compressor (Variant 5—Figure 3);
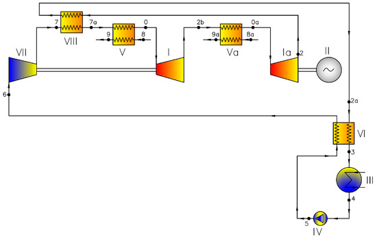
- Cycle with superheated live steam, a regenerator for warming up, vaporization and partial superheating of the working fluid, with a compressor and an additional heat exchanger (Variant 6—Figure 4);
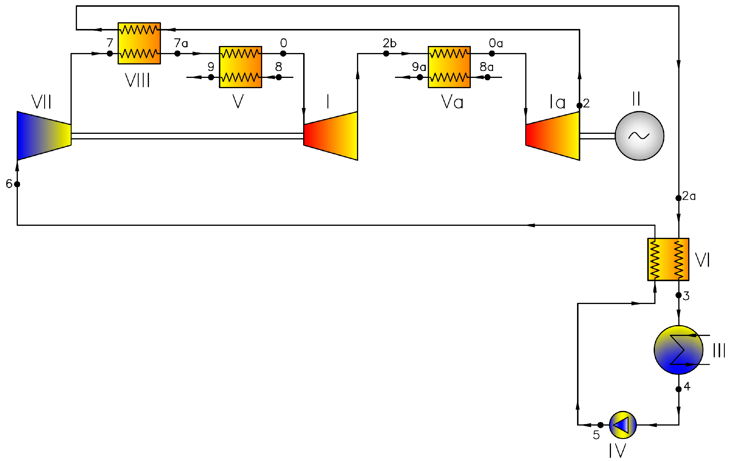
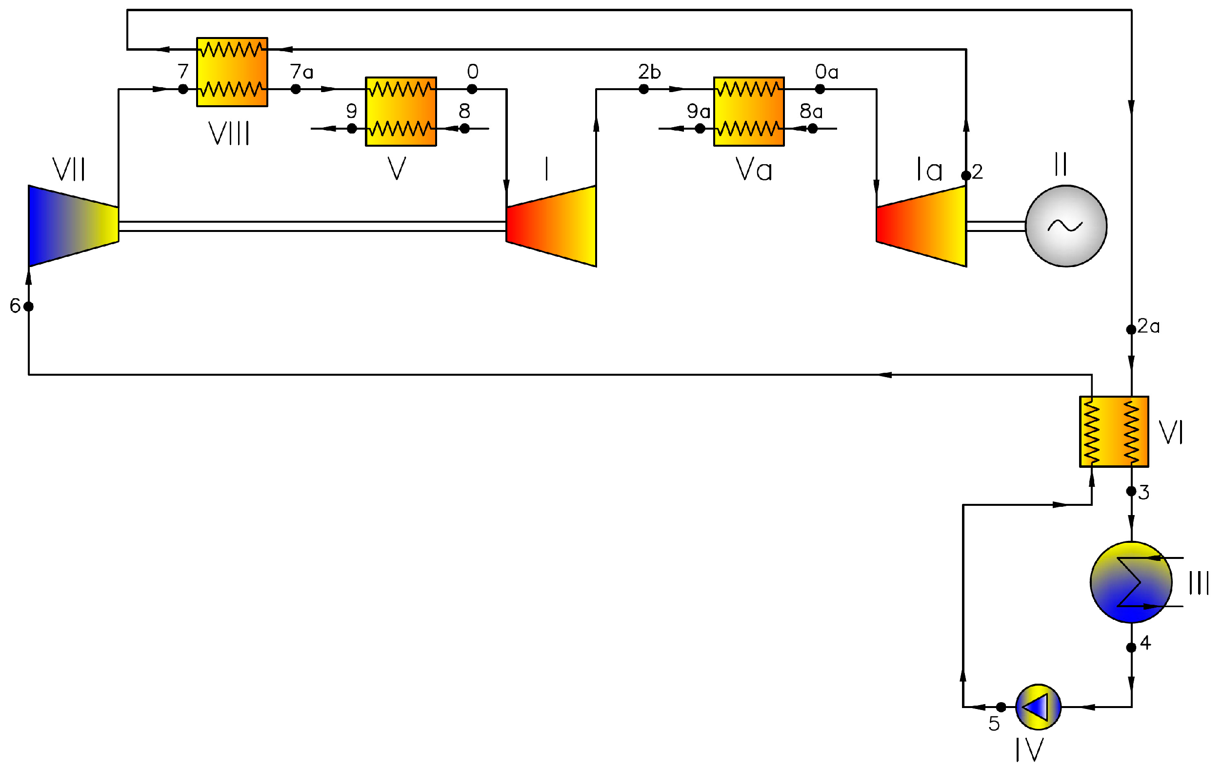
- Cycle with superheated live steam, a regenerator for warming up, vaporization and partial superheating of the working fluid, with a compressor, an additional heat exchanger and interstage superheating (Variant 7—Figure 5);
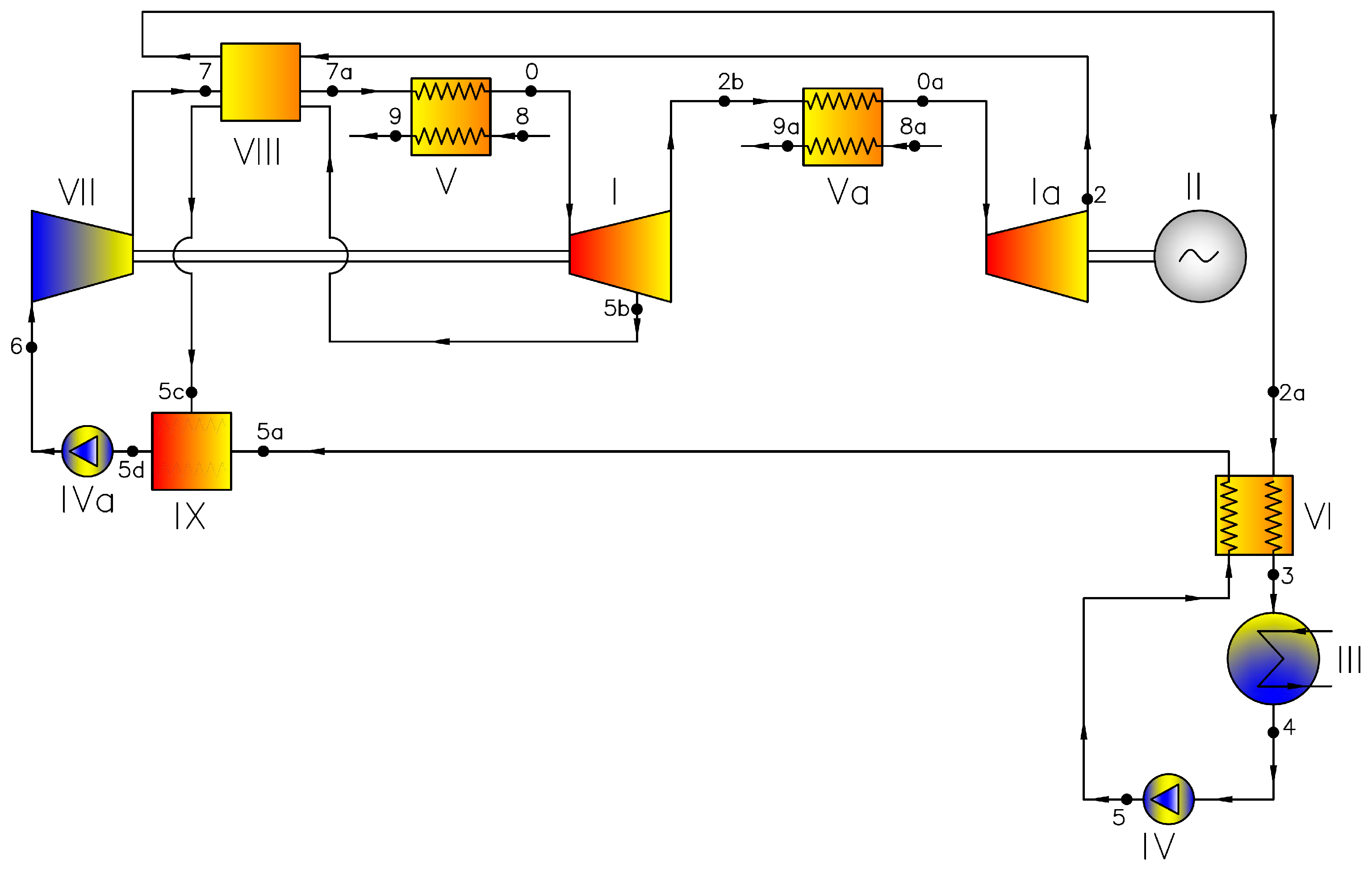
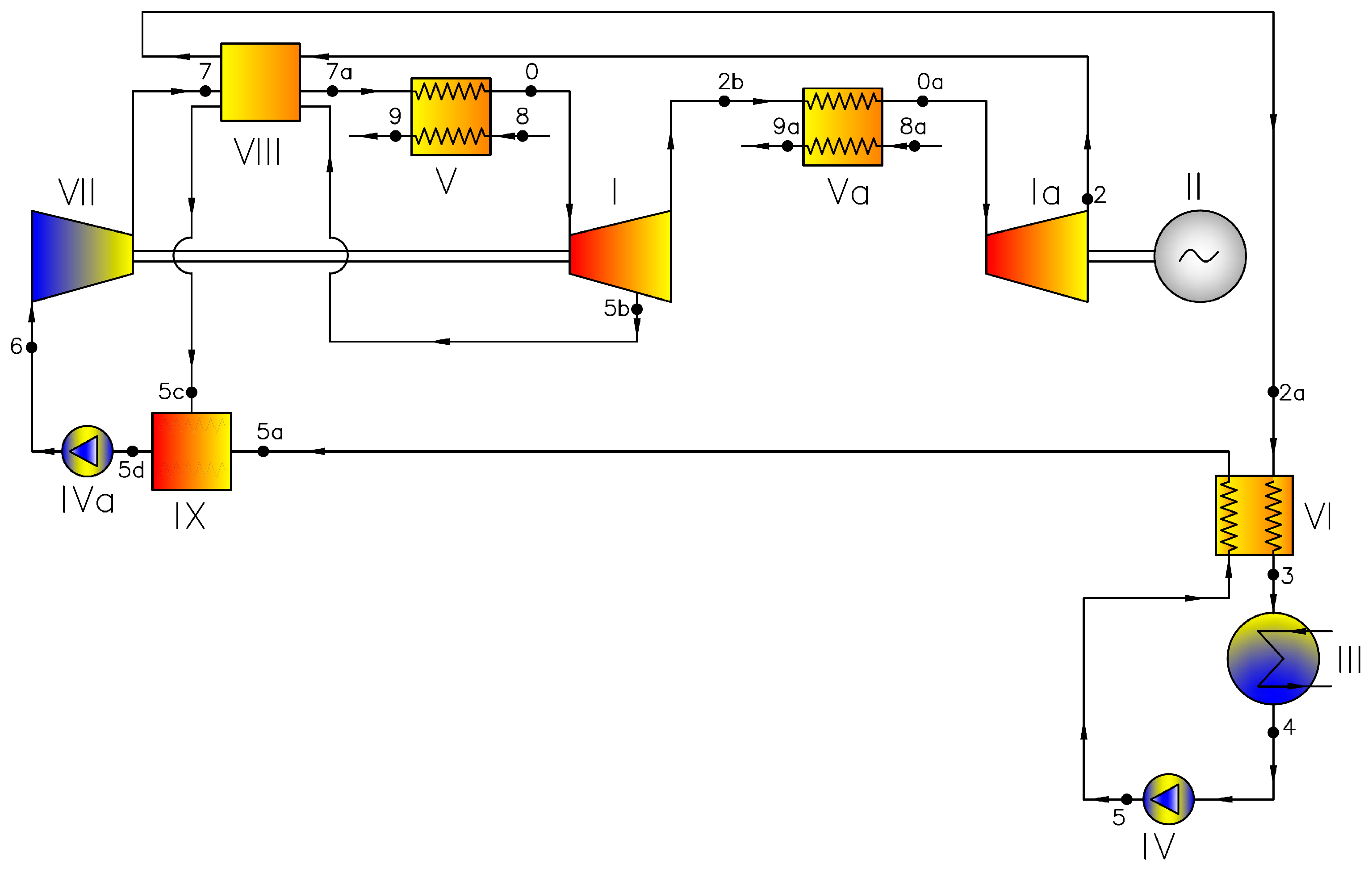
- Cycle with superheated live steam, a regenerator for warming up, vaporization and partial superheating of the working fluid, a compressor, an additional heat exchanger, interstage superheating and a vapor heater (Variant 8—Figure 6).
- Acetone (chemical formula—C11H24, commercial name—acetone, [23]);
- Octamethylcyclotetrasiloxane (chemical formula—C8H24O4Si4, commercial name—D4, [24]);
- Dodecamethylcyclohexasiloxane (chemical formula—C12H36O6Si6, commercial name—D6, [24]);
- Octamethyltrisiloxane (chemical formula—C8H24O2Si3, commercial name—MDM, [24]);
- Hexamethyldisiloxane (chemical formula—C6H18OSi2, commercial name—MM, [24]);
- 1,1,1,3,3-pentafluoropropane (chemical formula—C3H3F5, commercial name—R245fa, [24]);
- 1,1,1,3,3-pentafluorobutane (chemical formula—C4H5F5, commercial name—R365mfc, [24]);
- Methylcyclohexane (chemical formula—C7H14, commercial name—c1cc6, [24]);
- N-propylcyclohexane (chemical formula—C9H18, commercial name—c3cc6, [24]);
- Undecane (chemical formula—C11H24, commercial name—C11, [24]);
- 1-chloro-3,3,3-trifluoroprop-1-ene (chemical formula—C3H2ClF3, commercial name—R1233zd, [25]).
2. Results and Discussion
3. Conclusions
Author Contributions
Funding
Conflicts of Interest
References
- Kamiński, J.; Kudełko, M. The prospects for hard coal as a fuel for the Polish power sector. Energy Policy 2010, 38, 7939–7950. [Google Scholar] [CrossRef]
- Szczerbowski, R.; Ceran, B. Development perspectives of the Polish power generation sector according to the climate preservation conference COP21 policies. E3S Web Conf. 2017, 14, 1–10. [Google Scholar] [CrossRef]
- Kosowski, K.; Tucki, K.; Piwowarski, M.; Stepien, R.; Orynycz, O.; Wlodarski, W. Thermodynamic Cycle Concepts for High-Efficiency Power Plants. Part B: Prosumer and Distributed Power Industry. Sustainability 2019, 11, 2647. [Google Scholar] [CrossRef]
- Mikielewicz, D.; Kosowski, K.; Tucki, K.; Piwowarski, M.; Stępień, R.; Orynycz, O.; Włodarski, W. Influence of Different Biofuels on the Efficiency of Gas Turbine Cycles for Prosumer and Distributed Energy Power Plants. Energies 2019, 12, 3173. [Google Scholar] [CrossRef]
- Kosowski, K.; Piwowarski, M.; Stepien, R.; Włodarski, W. Performance characteristics of a micro-turbine. J. Vib. Eng. Technol. 2014, 2, 341–350. [Google Scholar]
- Kosowski, K.; Piwowarski, M.; Stepien, R.; Włodarski, W. Design and investigations of the ethanol microturbine. Arch. Thermodyn. 2018, 39, 41–54. [Google Scholar] [CrossRef]
- Landelle, A.; Tauveron, N.; Haberschill, P.; Revellin, R.; Colasson, S. Organic Rankine cycle design and performance comparison based on experimental database. Appl. Energy 2017, 204, 1172–1187. [Google Scholar] [CrossRef]
- Quoilin, S.; Lemort, V. Technological and Economical Survey of Organic Rankine Cycle Systems. In Proceedings of the 5-th European Conference Economics and Management of Energy in Industry, Villamura, Portugal, 14–17 April 2009. [Google Scholar]
- Piwowarski, M. Optimization of steam cycles with respect to supercritical parameters. Pol. Marit. Res. 2009, S1, 45–51. [Google Scholar] [CrossRef][Green Version]
- Tumanovskii, A.G.; Shvarts, A.L.; Somova, E.V.; Verbovetskii, E.Kh.; Avrutskii, G.D.; Ermakova, S.V.; Kalugin, R.N.; Lazarev, M.V. Review of the Coal-Fired, Over-Supercritical and Ultra-Supercritical Steam Power Plants, Pleiades Publishing. Therm. Eng. 2017, 64, 83–96. [Google Scholar] [CrossRef]
- Piwowarski, M.; Kosowski, K. Design analysis of combined gas-vapour micro power plant with 30 kW air turbine. Pol. J. Environ. Stud. 2014, 23, 1397–1401. [Google Scholar]
- Włodarski, W. Experimental investigations and simulations of the microturbine unit with permanent magnet generator. Energy 2018, 158, 59–71. [Google Scholar] [CrossRef]
- Włodarski, W. Control of a vapour microturbine set in cogeneration applications. ISA Trans. 2019. [Google Scholar] [CrossRef] [PubMed]
- Włodarski, W. A model development and experimental verification for a vapour microturbine with a permanent magnet synchronous generator. Appl. Energy 2019, 252. [Google Scholar] [CrossRef]
- Kosowski, K.; Stępień, R.; Włodarski, W.; Piwowarski, M.; Hirt, Ł. Partial admission stages of high efficiency for a microturbine. J. Vib. Eng. Technol. 2014, 2, 441–448. [Google Scholar]
- Braimakis, K.; Karellas, S. Energetic optimization of regenerative Organic Rankine Cycle (ORC) configurations. Energy Convers. Manag. 2018, 159, 353–370. [Google Scholar] [CrossRef]
- Duvia, A.; Gaia, M. ORC Plants for Power Production from Biomas from 0.4MWe to 1.5MWe: Technology, Efficiency, Practical Experiences and Economy. In Proceedings of the 7th Holzenergie Symopsium, Zurich, Switzerland, 18 October 2002. [Google Scholar]
- Duvia, A.; Tavolo, S. Application of ORC Units in the Pellet Production, Field: Technical-Economic Considerations and Overview of the Operational Results of an ORC Plant in the Industry Installed in Mudau (Germany). In Proceedings of the 7th Holzenergie Symopsium, Zurich, Switzerland, 18 October 2002. [Google Scholar]
- Kosowski, K.; Tucki, K.; Piwowarski, M.; Stępień, R.; Orynycz, O.; Włodarski, W.; Bączyk, A. Thermodynamic Cycle Concepts for High-Efficiency Power Plans. Part A: Public Power Plants 60+. Sustainability 2019, 11, 554. [Google Scholar] [CrossRef]
- Mikielewicz, D.; Kosowski, K.; Tucki, K.; Piwowarski, M.; Stępień, R.; Orynycz, O.; Włodarski, W. Gas Turbine Cycle with External Combustion Chamber for Prosumer and Distributed Energy Systems. Energies 2019, 12, 3501. [Google Scholar] [CrossRef]
- Mikielewicz, D.; Mikielewicz, J. Cogenerative micro power plants—A new direction for development of power engineering? Arch. Thermodyn. 2008, 29, 109–132. [Google Scholar]
- Mikielewicz, J.; Mikielewicz, D. Comparative study of selected fluids for use in supercritical Organic Rankine Cycles. Arch. Thermodyn. 2009, 30, 3–15. [Google Scholar]
- Set of Product’s Card of Chempur Poland Ltd. Available online: http://en.chempur.pl (accessed on 25 February 2020).
- Set of Product’s Card of Sigma-Aldrich Ltd. Available online: https://www.sigmaaldrich.com (accessed on 25 February 2020).
- Set of Product’s Card of SCHIESSL Poland Ltd. Available online: https://www.schiessl.pl/en (accessed on 25 February 2020).
- Lemmon, E.; Huber, M.; McLinden, M. NIST Standard Reference Database 23: Reference Fluid Thermodynamic and Transport Properties-REFPROP, 9th ed.; National Institute of Standards and Technology, Standard Reference Data Program: Gaithersburg, MD, USA, 2010. [Google Scholar]
- Wajs, J.; Mikielewicz, D.; Jakubowska, B. Performance of the domestic micro ORC equipped with the shell-and-tube condenser with minichannels. Energy 2018, 157, 853–861. [Google Scholar] [CrossRef]
















| Description | Symbol | Value | Unit |
|---|---|---|---|
| Turbine efficiency | ηT | 0.85 | [-] |
| Compressor efficiency | ηcom | 0.85 | [-] |
| Pump efficiency | ηPG | 0.80 | [-] |
| Mechanical efficiency | ηm | 0.98 | [-] |
| Leakage efficiency | ηn | 0.98 | [-] |
| Generator efficiency | ηG | 0.90 | [-] |
| Regenerator efficiency | ηR | 0.95 | [-] |
| Pressure drop in heaters and regenerators | pi/pi-1 | 0.98 | [-] |
© 2020 by the authors. Licensee MDPI, Basel, Switzerland. This article is an open access article distributed under the terms and conditions of the Creative Commons Attribution (CC BY) license (http://creativecommons.org/licenses/by/4.0/).
Share and Cite
Piwowarski, M.; Kosowski, K. Advanced Turbine Cycles with Organic Media. Energies 2020, 13, 1327. https://doi.org/10.3390/en13061327
Piwowarski M, Kosowski K. Advanced Turbine Cycles with Organic Media. Energies. 2020; 13(6):1327. https://doi.org/10.3390/en13061327
Chicago/Turabian StylePiwowarski, Marian, and Krzysztof Kosowski. 2020. "Advanced Turbine Cycles with Organic Media" Energies 13, no. 6: 1327. https://doi.org/10.3390/en13061327
APA StylePiwowarski, M., & Kosowski, K. (2020). Advanced Turbine Cycles with Organic Media. Energies, 13(6), 1327. https://doi.org/10.3390/en13061327

