Abstract
To investigate the influence of CO2 partial pressure on efficiency of CH4-CO2 swap from natural gas hydrates (NGHs), the replacement of CH4 from natural gas hydrate (NGH) is carried out with simulated Integrated Gasification Combined Cycle (IGCC) syngas under different pressures, and the gas chromatography (GC), in-situ Raman, and powder X-ray diffraction (PXRD) are employed to analyze the hydrate compositions and hydrate structures. The results show that with the P-T (pressure and temperature) condition shifting from that above the hydrate equilibrium curve of IGCC syngas to that below the hydrate equilibrium curve of IGCC syngas, the rate of CH4 recovery drastically rises from 32% to 71%. The presence of water can be clearly observed when P-T condition is above the hydrate equilibrium curve of IGCC syngas; however the presence of water only occurs at the interface between gas phase and hydrate phase. No H2 is found to present in the final hydrate phase at the end of process of CH4-CO2 swap with IGCC syngas.
1. Introduction
Natural gas hydrates (NGHs) are ice-like compounds formed by water molecules and gas molecules under low temperature or/and high pressure. Water molecules form cavities with different morphology and dimension by hydrogen bonding and gas molecules fill the cavities by van de Walls force [1]. Gas hydrates in sea floor or permafrost usually exist in three structures such as structure I (sI), structure II (sII) and structure H (sH). According to literature reports, most NGH deposits are sI gas hydrates [2,3] which are composed of six 51262 cages and two 512 cages [1]. The NGHs, attracting much attention for their abundant reserves in the seabed and permafrost regions, have the potential to be an alternative energy resource in the future because it is estimated that the total amount of carbon resources contained in the NGHs is about twice as much as that in the proven fossil fuel reserves [4,5,6,7,8,9]. To date, many studies have been carried out to exploit CH4 from NGHs deposits and several field trails have been conducted in last 40 years. The exploitation methods mainly include thermal stimulation, depressurization and chemical inhibitor injection, but the disadvantages such as enormous energy consumption, risks of the probably catastrophic landslide and serious environmental pollution are the main issues we are facing [10]. Notably, methane is an about 20 times more efficient greenhouse gas than CO2 [11]. Therefore, effective and environmental friendly production technologies are expected, including CH4-CO2 swap, in-situ combustion and in-situ catalytic oxidation, etc.
The concept of CH4-CO2 swap in natural gas hydrates was firstly proposed by Ohgaki et al., [12,13,14] and this attracted worldwide attention for its ability to simultaneously produce CH4 from NGHs and sequestrate CO2 in sea sediments. Firstly, the researchers studied the thermodynamic feasibility of CH4-CO2 swap in gas hydrates, [15,16,17,18] and the results of Sivaraman’s work showed that CO2 hydrate could be formed under more moderate conditions of temperature and pressure than CH4 hydrate and the heat of CO2 hydrate formation (−57.98 kJ/mol) is larger than that of CH4 hydrate dissociation (54.49 kJ/mol) [19]. Ors and Sinayuc [20] conducted an experimental study on the CH4-CO2 swap between gaseous CO2 and CH4 hydrate in porous media at 3.7 MPa and 277.15 K, and their results revealed that the CH4-CO2 swap process mostly took place at the gas-solid surface and the injection of gaseous CO2 caused the dissociation of methane hydrate. Ota and Inomata et al. [21,22] studied the replacement of CH4 in the hydrate by use of liquid CO2 and the CH4 recovery rate of 35% was obtained in 307 h, they also found that the CH4 hydrate decomposed during the replacement process and the decomposition of the large cage (51262) in the CH4 hydrate proceed faster than that of the small cage (512). They also suggested that CH4 hydrate decomposition was probably dominated by rearrangement of water molecules in the hydrate whereas CO2 hydrate formation seemed to be dominated by CO2 diffusion in the hydrate phase. Lee and Ripmeester [23] used solid-state NMR methods to investigate the limiting equilibrium compositions and the distribution of guest molecules over different cages of the mixed hydrate formed from different CO2 concentration gas mixture of CH4 and CO2, they suggested that the ratio of CH4 in large cages to CH4 in small cages of sI hydrate declined steadily to a value with increasing CO2 concentration in the gas mixture. Schicks et al. [24] investigated the conversion of the primary CH4 hydrate into a CO2-rich hydrate using in situ microscopy, confocal Raman spectroscopy and powder XRD, and they suggested that the conversion process was induced by the gradient of the chemical potential between the hydrate phase and the environmental gas phase, and the conversion process could be described as a decomposition and reformation process. The conversion rate depended on the surface area of the hydrate phase and the concentration gradient of one component between the hydrate phase and the gas phase.
With further research, many researchers studied the feasibility of explore CH4 from natural gas hydrates with gas mixture of CO2 and N2 which was the main component of flue gas. Kvamme [25] studied the feasibility of simultaneous CO2 storage and CH4 production from natural gas hydrate using mixtures of CO2 and N2, and suggested that the fast exchange between CH4 and CO2/N2 mixtures was achieved through a new hydrate formation and the adding of N2 into CO2 is advantageous to gas permeability in the hydrates. Also, they suggested there were two primary mechanisms for the conversion of CH4 hydrate into CO2 hydrate, one was the direct solid state conversion [23] and the other was that new CO2 hydrate formed from injected CO2 and free water in the pores [26,27]. Lee et al. [28] explored the swap phenomenon occurred in sI and sII hydrates, and CH4 recovery rates of 64% and 85% were obtained with CO2 and CO2/N2, respectively, and the results showed that the sII hydrate was transformed into sI when sII hydrates were exposed to CO2 and CO2/N2. Beyond that, they also investigated the recovery of CH4 from gas hydrates intercalated within natural sediments using CO2 and CO2/N2 gas mixtures, and they found that the recovery efficiency was nearly identical [2].
In addition to the above laboratory studies, there also were some field tests to produce CH4 from CH4 hydrate reservoirs in permafrost or subsea sediments [29,30,31,32,33]. In 2002 and 2008, the production tests were carried out in the permafrost reservoir of Mallik in northern Canada by injection of hot water and depressurization, and limited amounts of CH4 was successfully exploited in a few days. After that, in 2012, the method of injection of 23% CO2 and 77% N2 was tested in the Alaska North Slope. The gas production were conducted above and near the P–T condition of CH4 hydrate equilibrium respectively, and the total volume of produced gas mixture approached 30,000 m3 over the whole test period though the mole fraction of CH4 in the gas mixture were different at the different test period [31,34,35]. Then the depressurization technique was firstly used in offshore hydrate reservoirs at the eastern Nankai Trough in 2013, and the total gas production was around 120,000 m3 in six days. Eventually the test was suspended due to the bad weather conditions and sand control problems. Therefore, the commercial NGH exploitation is both highly complex and technologically challenging because the complex geologic structure, harsh engineering conditions and the risks of collapse of marine and potential serious damage to the marine ecosystem.
The changes of temperature and pressure have great influence on CH4 recovery from NGHs via CH4-CO2 replacement. In order to clarify the influence of temperature and pressure and the possible influence of different added gas in CO2, in this work, the changes of gas phase and hydrate phase during the replacement process under different pressure condition, using simulated IGCC syngas as displacement gas, are determined by in situ Raman spectroscopy, powder XRD and gas chromatography.
2. Experimental Section
2.1. Apparatus
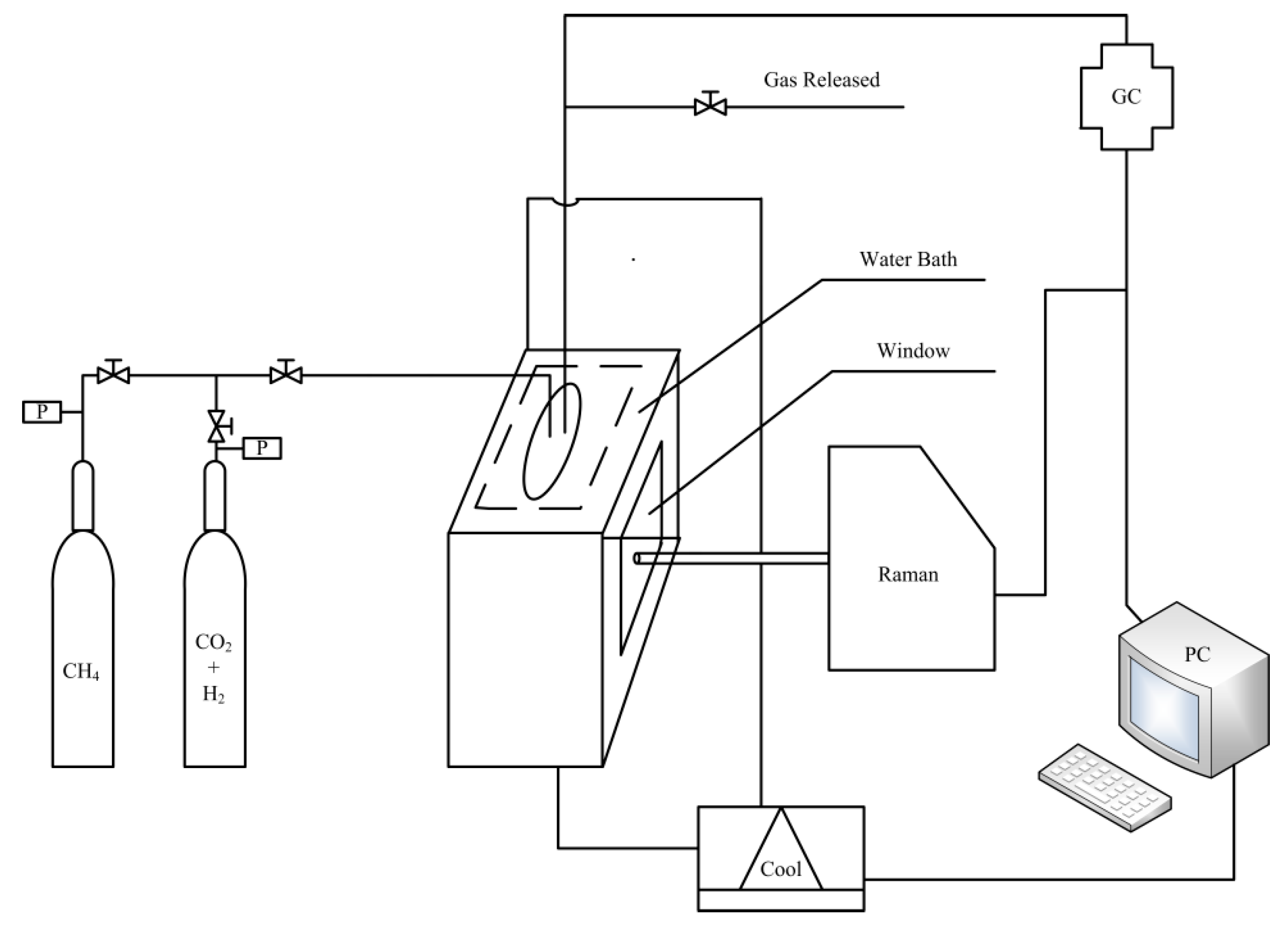
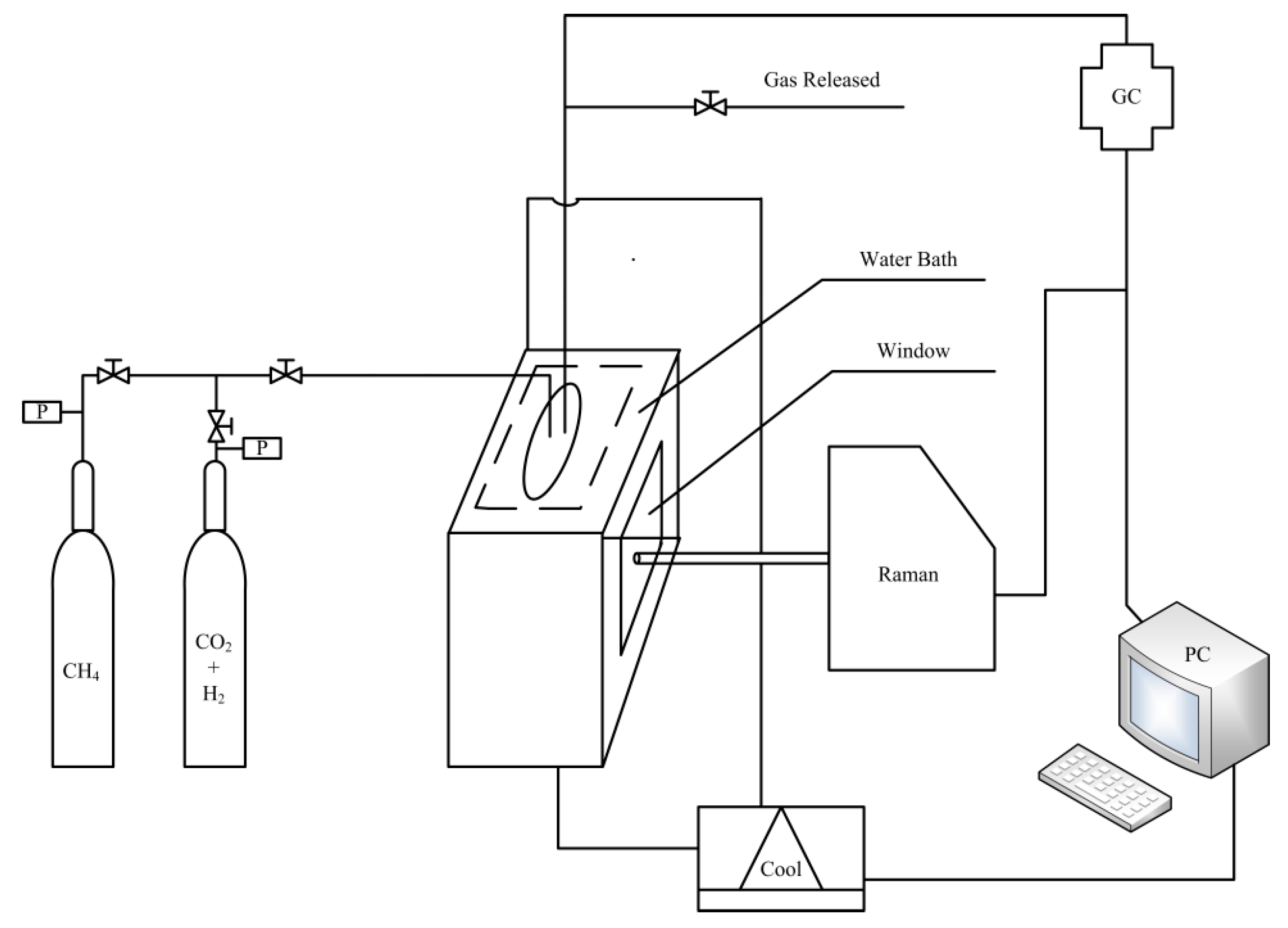
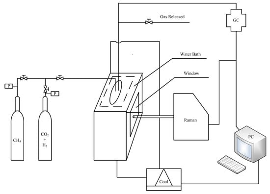
As shown in Figure 1, the experimental apparatus consists of a gas supply system, a high-pressure vessel used as the hydrate formation or dissociation reactor, a cooling system and detection equipment. The stainless-steel reactor with an inner volume of 100 mL is embedded in the notch which is linked with the cooling system, and two quartz windows are mounted on front and back sides of the reactor for viewing the swap process and applying Raman measurement. In the cooling system, the ethylene glycol solution with the volume ratio of 1:3 are used as coolant, and the temperature can be controlled in the range of 253.15–303.15 K, and a Pt100 thermocouple (JM6081) supplied by Jiangsu Hongbo machinery manufacturing co. LTD (Nantong, Jiangsu, China) with uncertainties of ±0.1 K is employed to measure the temperature.
Figure 1.
Schematic of experimental apparatus.
The gas component is determined by an Agilent 7890A gas chromatograph (GC, Agilent Technologies Inc., Palo Alto, CA, USA). The experimental CH4 gas with a purity of 99.9% and 39.9% CO2 +60.1% H2 gas mixture were supplied by Foshan Huate Gas Co., Ltd. (Foshan, China). The deionized water with the resistivity of 18.25 mΩ cm−1 is produced with an ultra-pure water machine from Nanjing Ultrapure Water Technology Co., Ltd. (Nanjing, China).
The Raman spectra are obtained from on a LabRam Raman spectrometer (Jobin Yvon, Paris, France) with a 50 times tele lens and a single monochromator of 1800 grooves/mm grating and a multichannel air-cooled charged-coupled device (CCD) detector. In addition to this, the Raman spectrometer uses an Ar-ion laser source, which emits a 532 nm line with a power of 100 mW. The silicon (Si) crystal standard of 520.7 cm−1 is employed to calibrate the subtractive spectrograph.
The XRD patterns are recorded at 193 K on a D/MAX-2500 device (Rigaku, Tokyo, Japan) using graphite-monochromatized Cu Kα1 radiation (λ = 1.5406 Å) in the θ/2θ scan mode. The XRD experiments are carried out in step mode with a fixed time of 3 s and a step size of 0.03° for 2θ = 10–60° for each hydrate sample.
The gas component in the collected gas samples and the final dissociated gas was analyzed on an Agilent 7890A GC (Agilent Technologies Inc., Palo Alto, CA, USA), equipped with a flame ionization detector (FID) and thermal conductivity detector (TCD). Besides that, the gas samples are detected with the method of uniform heating from 298.15–523.15 K, and H2 (30 mL/min) is used as combustion gas, air (400 mL/min) is used as combustion-supporting gas and helium (25 mL/min) is used as make-up gas.
2.2. Procedure
Deionized water (60 mL) is injected into the reactor, followed by cooling down the system to 274.15 K and removing the air in the gas phase by injecting CH4 gas continuously into the water from the bottom of reactor at a system pressure of 1.0 MPa, and after that the system is pressurized to 4.5 MPa. During the CH4 hydrate sample preparation period, the intake of CH4 gas and the agitation of the deionized water are maintained so that the injected CH4 gas could dissolve well in the water and the experimental CH4 hydrate sample forms evenly in the water phase. About five days later, once there is no water in the reactor as determined by Raman analysis, the CH4 hydrate formation reaction is deemed finished. Hereafter, the simulated IGCC syngas of 39.9% CO2 and 60.1% H2 gas mixture is injected into the reactor from bottom of reactor, and the CH4 gas above the hydrate is discharged at the same time under the stable pressure of 4.5 MPa. Once the CH4 in gas phase is lower than 2%, the outlet valve is shut off and then the gas mixture of CO2 and H2 gradually displaces CH4 from the hydrate. In the process of the replacement, the composition of the gas phase, gas-hydrate interface and the hydrate phase are determined through Raman spectroscopy every 24 h, and the component of the gas phase is also determined through GC analysis. At the end of replacement process, the hydrate is dealt with liquid nitrogen and the gas phase is removed, then the reactor is placed at room temperature for dissociation of the hydrate. Meanwhile, one same replacement reaction is conducted in another same reactor and at the end of the replacement process the hydrate is took out for powder XRD detection. These two experiments are labeled as experiment 1.
In addition to that, another two experiments, which are labeled as experiment 2, were conducted under the same conditions as above method, except for the fact the hydrate formation and the replacement processes are carried out at 6.0 MPa.
3. Results and Discussion
For monitoring the changes of the hydrate phase and gas phase during the replacement process, three fixed points are selected for Raman detection as point “A” in the hydrate phase, point “B” at the interface of gas phase and hydrate phase and point “C” in the gas phase.
After the formation of pure CH4 hydrate, the Raman spectra and powder XRD pattern are obtained and shown in Figure 2. As shown in Figure 2a, all the hydrate samples have the representative Raman peaks of sI hydrate. The strong peak at 2905 cm−1 and relatively weak peak at 2915 cm−1 with the intensity ratio of 3:1 are attributed to the C-H symmetric stretching vibration of CH4 molecules in large cages and small cages of sI hydrate, respectively. The peak at 2917 cm−1 which is detected in the gas phase is attributed to C-H symmetric stretching vibration of CH4 gas. In addition, the powder XRD pattern of the hydrate samples are shown in Figure 2b, it can be seen that the hydrate samples show all peaks of the sI hydrate and little ice Ih. It can be concluded that all the formed hydrates are sI hydrates.
Figure 2.
The Raman spectra for point “A”, “B” and “C” (a) and powder XRD pattern for experiment 1 and 2 (b).
Once the water is fully converted into hydrate, the gas is quickly replaced by CO2/H2 under the same temperature and pressure conditions. During the process of replacement, the component changes in hydrate phase, gas-hydrate interface are determined by in situ Raman every 24 h until the intensities of Raman peaks obtained from point “A” show no changes.
Figure 3 shows the changes of Raman spectra of CO2 hydrate at point “A” during the replacement process for both experiments, and the picture a and b represent the low pressure (4.5 MPa) and high pressure (6.0 MPa) experiments, respectively. The Raman peaks at 1277 and 1380 cm−1 correspond to the C = O stretching vibration and bend vibration, respectively. Because of Fermi splitting, we cannot judge which cages are occupied by CO2. It can be seen that the Raman peak intensity corresponding to CO2 hydrate increases gradually for both low and high pressure experiments, but the growth rate for low pressure experiment is larger than that for high pressure experiment. The possible reason is that the partial pressure of CO2 in the gas mixture of the low pressure experiment (1.8 MPa) is lower than that of high pressure experiment (2.4 MPa), bringing about the smaller driving force of CO2 molecule in low pressure experiment, resulting in the retard of CO2 hydrate formation. On the contrary, the driving force of the CO2 molecules in the high pressure experiment is large enough to form CO2 hydrate, and the formed CO2 hydrate covers the CH4 hydrate and impedes the gas mixture from contacting CH4 hydrate.
Figure 3.
The Raman spectroscopy change of CO2 hydrate at point “A” for experiment 1 (a) and experiment 2 (b), where the 1d, 2d, 8d represent the first, the second, the eighth day of the experiment process.
For the same smaller driving force reason more and more water results from the decomposition of the hydrate phase and is carried by the gas mixture up to the interface of the gas phase and hydrate phase in the low pressure experiment, and the more CO2 hydrate is formed at the interface, as shown in Figure 4. The Raman peak of CO2 hydrate for low pressure experiment increases faster than that for high pressure experiment, and finally, a stronger intensity of peak for low pressure experiment is obtained. Furthermore, it can be observed that there is significant water phase at the interface between gas phase and hydrate phase. However, a similar phenomenon has not been observed for the high pressure experiment in which the presence or not of the water from decomposition of hydrate can only be determined by in situ Raman, as shown in Figure 5, where the pictures a and b show the photo of vessel at the first and sixth day of replacement reaction of low pressure experiment, and the pictures c and d show the Raman peak change between 3100 and 3500 cm−1 which is attributed to O-H symmetric stretching vibration of H2O molecules during the replacement reaction of high pressure experiment [36].
Figure 4.
The Raman spectroscopy change of CO2 hydrate at point “B” for experiment 1 (a) and experiment 2 (b), where the 1d, 2d, 8d represent the first, the second, the eighth day of the experiment process.
Figure 5.
The picture of vessel at the first (a) and sixth (b) day of replacement reaction for experiment 1, and the Raman peak change between 3100 and 3500 cm−1 during experiment 2 (c,d).
It can be seen that the Raman peak shows sharp appearance at about 3160 cm-1 and short appearance at about 3400 cm−1 which are attributed to O-H symmetric stretching vibration of H2O molecules in sI hydrate, then along with the replacement progress the peak appearance changes to low peak at 3200 cm−1 which is attributed to Fermi resonance between O-H stretch and bending mode of H2O molecules in water phase, and high peak at 3400 cm−1 which is attributed to the O-H symmetric stretching vibration of H2O molecules in water phase. This observation strongly verifies the decomposition of hydrate during the replacement process, though the degree of decomposition is different between low pressure experiment and high-pressure experiment. The presence of water from decomposition of hydrate phase may improve the permeability of hydrate phase and gives one reason for the higher CH4 recovery yield in the low-pressure experiment.
During the replacement process, when the CH4 hydrate is attacked by the CO2/H2 gas mixture, the hydrate lattice is decomposed and then the water from the decomposition of CH4 hydrate forms CO2 hydrate with the CO2 gas molecules, so the amount of CH4 hydrate at monitoring point “A” gradually decreases to a certain extent, as shown in Figure 6, which represents the changes of Raman spectra of CH4 hydrate at point “A” during replacement process for both low and high pressure experiments. As can be seen that the Raman peaks of CH4 hydrate gradually decrease during the replacement process, and the drop rate in the low pressure experiment is higher than that in the high pressure experiment, and the result is consistent with the rule of the increase of CO2 hydrate in the Figure 3, where the increment of Raman peaks for CO2 hydrate in low pressure experiment is higher than that in high pressure experiment. Apart from this, another result that can be seen from the picture b in Figure 6 is the changes of ratio of Raman peak intensity at 2905 cm−1 to that at 2915 cm−1 in the high pressure experiment. As known that the peak at 2905 cm−1 represents the CH4 molecules in large cages of sI hydrate and the peak at 2915 cm−1 stands for the CH4 molecules in small cages. During the high pressure replacement process, the intensity ratio of peak at 2905 cm−1 and peak at 2915 cm−1 changes gradually from premier 3:1 to final 2:1 and this decreasing ratio demonstrates that the replacement reaction only conducts in the large cage of the sI hydrate. The reason for this result may be the fast formation of CO2 hydrate at the interface between gas phase and hydrate phase limits the injected gas mixture further contacting CH4 hydrates.
Figure 6.
The Raman spectroscopy change of CH4 hydrate at point “A” for experiment 1 (a) and experiment 2 (b), where the 1d, 2d, 8d represent the first, the second, the eighth day of the experiment process.
For preventing the released CH4 from forming mixed hydrate with CO2 gas, the gas injection and simultaneous discharge of gas mixture is conducted every 24 h, following the Raman detection, to decrease the CH4 component concentration to less than 2% again, and the gas samples are collected at the beginning and end of the ventilation process and analyzed by gas chromatography. The results are shown in Table 1 and the data in Table 1 is plotted in Figure 7. It can be seen that in the low pressure experiment the CH4 component concentration increases from less than 2% to 18.60, 17.18, and 7.48 mol% respectively in the first 3 days and tends to remain unchanged in the next 5 days till stabilizes at 1.0 mol% in the last 2 days. However, in the high-pressure experiment, the CH4 component concentration only increases from less than 2% to 9.71 and 7.67 mol% in the first 2 days and the increment tends to remain unchanged in the following days till stabilizes at 0.5 mol% in the last 2 days. What should be noted is that the CO2 percent decrement is a little larger than the of CH4 percent increment in both experiments. This result could be attributed to the decomposition of CH4 hydrate and the new formation of CO2 hydrate, as well as the low-pressure experiment shows a greater extent of decomposition of CH4 hydrate than the high pressure experiment.
Table 1.
The increment of CH4 fraction and the decrement of CO2 fraction in the collected gas samples in experiment 1 and experiment 2.
Figure 7.
The increment of CH4 fraction and the decrement of CO2 fraction in the collected gas samples in experiment 1 and experiment 2.
When the Raman peak intensity of CH4 hydrate and CO2 hydrate at the point “A” and “B” show no changes and the CH4 percent increment in the collected gas samples is less than 0.5, the replacement process is considered finished. Thereafter, the vessel is cooled with liquid nitrogen and the gas phase is withdrawn quickly by a vacuum pump, then the vessel is placed in the atmosphere for dissociation of the hydrate phase and the gas samples of decomposed hydrate phase are detected by gas chromatography. The gas chromatography results of the gas from decomposition of the final hydrate are shown in Table 2. As seen, the CH4 residues in the hydrate phase after replacement process are 29.29% and 67.76%, indicating that the CH4 recovery rates are 70.21% and 32.24% for low pressure experiment and high-pressure experiment, respectively. Also, the same low-pressure experiment and high pressure experiment are conducted, the final hydrate phases are removed from vessel and detected by powder XRD to determine the structure of the hydrates. The powder XRD patterns of the hydrates are shown in Figure 8, the peaks with blue arrows are attributed to the cubic crystal system which represents the sI hydrate. It can be concluded that the hydrate structure has no change during the replacement. In both low and high pressure experiments, there is no presence of H2 in hydrate phase on the basis of Raman results, thus it can be concluded that the H2 molecules does not occupy cages of the hydrate, they may only play a promotion role during the replacement process. Comparing with the results obtained previously, where the replacement process of CH4 hydrate is conducted with gaseous CO2, the obtained CH4 recovery efficiency was 50%. Due to the adding of H2, the CH4 recovery efficiency was increased from 50% to 70.29%, it could be referred that the stability of the cages is broken and the CH4 molecules in the cages could spilled over when the H2 molecules contact with the hydrate lattices. However, the lattices could form again once CO2 molecules step into the cages. The higher CH4 yield for the low pressure experiment is due to the lower driving force of CO2 in the gas mixture, and thus the disturbed hydrate lattices resulting from the connection of hydrate with H2 molecules could not occupied by CO2 molecules in good time, which causes the decomposition of hydrate. However, during the high-pressure replacement process, the CO2 molecules can occupy the disturbed hydrate cages for the high CO2 partial pressure, and the hydrate lattice stabilizes again.
Table 2.
Gas compositions in the dissociated gases after the completion of replacements for experiment 1 and experiment 2.
Figure 8.
The PXRD pattern of gas hydrate phase after replacement process of experiment 1 and experiment 2.
4. Conclusions
The replacement of CH4 from CH4 hydrate with a gas mixture of CO2/H2 at the low pressure of 4.5 MPa and the high pressure of 6.0 MPa are investigated. The experimental results show that the CH4 yield for the low-pressure experiment is 71% and the value for the high pressure experiment is 32% and H2 molecules are not present in the final hydrate phase after the two replacement processes. Water appears obviously during the low-pressure experiment and the water from decomposed hydrate phase is not obvious during the high pressure experiment.
Author Contributions
Conceptualization, X.-S.L.; Investigation, Y.-L.D. and H.-Q.W.; Methodology, C.-G.X.; Supervision, X.-S.L.; Writing—original draft, Y.-L.D.; Writing—review & editing, C.-G.X. All authors have read and agreed to the published version of the manuscript.
Funding
We are grateful for the support of the National Natural Science Fund of Guangdong Province, China (2019A1515011490), the Key Program of National Natural Science Foundation of China (51736009), the Special project for marine economy development of Guangdong Province (GDME-2018D002), Key Research Program of Frontier Sciences, CAS (ZDBS-LY-SLH041), the CAS Science and Technology Apparatus Development Program (YZ201619), Frontier Sciences Key Research Program of the Chinese Academy of Sciences (QYZDJ-SSW-JSC033).
Conflicts of Interest
The authors declare no conflict of interest. The funders had no role in the design of the study; in the collection, analyses, or interpretation of data; in the writing of the manuscript, or in the decision to publish the results.
References
- Sloan, E.D.; Koh, C. Clathrate Hydrates of Natural Gases; CRC Press: Boca Raton, FL, USA, 2007. [Google Scholar]
- Koh, D.Y.; Kang, H.; Kim, D.O.; Park, J.; Cha, M.; Lee, H. Recovery of methane from gas hydrates intercalated within natural sediments using CO2 and a CO2/N2 gas mixture. ChemSusChem 2012, 5, 1443–1448. [Google Scholar] [CrossRef]
- Ginsburg, G.; Soloviev, V. Submarine Gas Hydrates; VNIIOkeangeologia: St. Petersburg, Russia, 1998. [Google Scholar]
- Baldwin, B.A.; Stevens, J.; Howard, J.J.; Graue, A.; Kvamme, B.; Aspenes, E.; Ersland, G.; Husebø, J.; Zornes, D.R. Using magnetic resonance imaging to monitor CH4 hydrate formation and spontaneous conversion of CH4 hydrate to CO2 hydrate in porous media. Magn. Reson. Imaging 2009, 27, 720–726. [Google Scholar] [CrossRef]
- Makogon, Y.F.; Holditch, S.A.; Makogon, T.Y. Natural gas-hydrates—A potential energy source for the 21st Century. J. Pet. Sci. Eng. 2007, 56, 14–31. [Google Scholar] [CrossRef]
- Collett, T. Natural Gas Hydrates: Vast Resources, Uncertain Future; US Geological Survey: Reston, CA, USA, 2001. [Google Scholar]
- Sloan, E.D. Fundamental principles and applications of natural gas hydrates. Nature 2003, 426, 353–363. [Google Scholar] [CrossRef]
- Milich, L. The role of methane in global warming: Where might mitigation strategies be focused? Glob. Environ. Chang. 1999, 9, 79–201. [Google Scholar] [CrossRef]
- Kvenvolden, K.A. Potential effects of gas hydrate on human welfare. Proc. Natl. Acad. Sci. USA 1999, 96, 3420–3426. [Google Scholar] [CrossRef]
- Moridis, G.J. Toward Production from Gas Hydrates: Current Status, Assessment of Resources, and Simulation-Based Evaluation of Technology and Potential; Lawrence Berkeley National Laboratory: Berkeley, CA, USA, 2008. [Google Scholar]
- Dlugokencky, E.; Houweling, S.; Bruhwiler, L.; Masarie, K.; Lang, P.; Miller, J.; Tans, P. Atmospheric methane levels off: Temporary pause or a new steady-state? Geophys. Res. Lett. 2003, 30. [Google Scholar] [CrossRef]
- Hirohama, S.; Shimoyama, Y.; Wakabayashi, A.; Tatsuta, S.; Nishida, N. Conversion of CH4-Hydrate to CO2-Hydrate in Liquid CO2. J. Chem. Eng. Jpn. 1996, 29, 1014–1020. [Google Scholar] [CrossRef]
- Ohgaki, K.; Takano, K.; Sangawa, H.; Matsubara, T.; Nakano, S. Methane exploitation by carbon dioxide from gas hydrates. Phase equilibria for CO2-CH4 mixed hydrate system. J. Chem. Eng. Jpn. 1996, 29, 478–483. [Google Scholar] [CrossRef]
- Ohgaki, K.; Takano, K.; Moritoki, M. Exploitation of CH4 Hydrates under the Nankai Trough in Combination with CO2 Storage. Kagaku Kogaku Ronbunshu 1994, 20, 121. [Google Scholar] [CrossRef]
- Kvamme, B.; Tanaka, H. Thermodynamic stability of hydrates for ethane, ethylene, and carbon dioxide. J. Phys. Chem. 1995, 99, 7114–7119. [Google Scholar] [CrossRef]
- Kang, S.-P.; Chun, M.-K.; Lee, H. Phase equilibria of methane and carbon dioxide hydrates in the aqueous MgCl2 solutions. Fluid Phase Equilibria 1998, 147, 229–238. [Google Scholar] [CrossRef]
- Anderson, R.; Llamedo, M.; Tohidi, B.; Burgass, R.W. Experimental measurement of methane and carbon dioxide clathrate hydrate equilibria in mesoporous silica. J. Phys. Chem. B 2003, 107, 3507–3514. [Google Scholar] [CrossRef]
- Yezdimer, E.M.; Cummings, P.T.; Chialvo, A.A. Determination of the Gibbs free energy of gas replacement in SI clathrate hydrates by molecular simulation. J. Phys. Chem. A 2002, 106, 7982–7987. [Google Scholar] [CrossRef]
- Sivaraman, R. The potential role of hydrate technology in sequestering carbon dioxide. Gas Tips 2003, 9, 4–7. [Google Scholar]
- Ors, O.; Sinayuc, C. An experimental study on the CO2–CH4 swap process between gaseous CO2 and CH4 hydrate in porous media. J. Pet. Sci. Eng. 2014, 119, 156–162. [Google Scholar] [CrossRef]
- Ota, M.; Morohashi, K.; Abe, Y.; Watanabe, M.; Smith, R.L., Jr.; Inomata, H. Replacement of CH4 in the hydrate by use of liquid CO2. Energy Convers. Manag. 2005, 46, 1680–1691. [Google Scholar] [CrossRef]
- Ota, M.; Abe, Y.; Watanabe, M.; Smith, R.L.; Inomata, H. Methane recovery from methane hydrate using pressurized CO2. Fluid Phase Equilibria 2005, 228, 553–559. [Google Scholar] [CrossRef]
- Lee, H.; Seo, Y.; Seo, Y.T.; Moudrakovski, I.L.; Ripmeester, J.A. Recovering methane from solid methane hydrate with carbon dioxide. Angew. Chem. Int. Ed. 2003, 42, 5048–5051. [Google Scholar] [CrossRef]
- Schicks, J.; Luzi, M.; Beeskow-Strauch, B. The conversion process of hydrocarbon hydrates into CO2 hydrates and vice versa: Thermodynamic considerations. J. Phys. Chem. A 2011, 115, 13324–13331. [Google Scholar] [CrossRef]
- Kvamme, B. Feasibility of simultaneous CO2 storage and CH4 production from natural gas hydrate using mixtures of CO2 and N2. Can. J. Chem. 2015, 93, 897–905. [Google Scholar] [CrossRef]
- Baig, K.; Kvamme, B.; Kuznetsova, T.; Bauman, J. Impact of water film thickness on kinetic rate of mixed hydrate formation during injection of CO2 into CH4 hydrate. AIChE J. 2015, 61, 3944–3957. [Google Scholar] [CrossRef]
- Kvamme, B.; Qasim, M.; Baig, K.; Kivelä, P.-H.; Bauman, J. Hydrate phase transition kinetics from Phase Field Theory with implicit hydrodynamics and heat transport. Int. J. Greenh. Gas Control 2014, 29, 263–278. [Google Scholar] [CrossRef]
- Park, Y.; Kim, D.-Y.; Lee, J.-W.; Huh, D.-G.; Park, K.-P.; Lee, J.; Lee, H. Sequestering carbon dioxide into complex structures of naturally occurring gas hydrates. Proc. Natl. Acad. Sci. USA 2006, 103, 12690–12694. [Google Scholar] [CrossRef]
- Dallimore, S.R.; Collett, T.S.; Taylor, A.; Uchida, T.; Weber, M.; Chandra, A.; Mroz, T.; Caddel, E.; Inoue, T. Scientific results from the Mallik 2002 gas hydrate production research well program, Mackenzie Delta, northwest territories, Canada: Preface. Bull. Geol. Surv. Can. 2005, 585, 1–16. [Google Scholar]
- Yamamoto, K.; Dallimore, S. Aurora-JOGMEC-NRCan Mallik 2006–2008 gas hydrate research project progress. Nat. Gas Oil 2008, 304, 285–4541. [Google Scholar]
- Schoderbek, D.; Boswell, R. Iġnik Sikumi# 1, Gas Hydrate Test Well, Successfully Installed on the Alaska North Slope. Nat. Gas Oil 2011, 304, 285–4541. [Google Scholar]
- Nagakubo, S. Methane hydrate as a domestic energy resource: Japan’s methane hydrate R&D program. J. Geogr. 2009, 118, 758–775. [Google Scholar]
- Nagakubo, S.; Arata, N.; Yabe, I.; Kobayashi, R.; Yamamoto, K. Environmental impact assessment study on Japan’s methane hydrate R&D program. Fire Ice 2011, 11, 4–11. [Google Scholar]
- Koh, D.-Y.; Kang, H.; Lee, J.-W.; Park, Y.; Kim, S.-J.; Lee, J.; Lee, J.Y.; Lee, H. Energy-efficient natural gas hydrate production using gas exchange. Appl. Energy 2016, 162, 114–130. [Google Scholar] [CrossRef]
- Schoderbek, D.; Farrell, H.; Hester, K.; Howard, J.; Raterman, K.; Silpngarmlert, S.; Martin, K.; Smith, B.; Klein, P. Oil & Natural Gas Technology: ConocoPhillips Gas Hydrate Production Test: Final Technical Report; DE-NT0006553-Final-Technical-Report; United States Department of Energy, National Energy Technology Laboratory: Albany, NY, USA, 2013.
- Schicks, J.; Erzinger, J.; Ziemann, M. Raman spectra of gas hydrates—Differences and analogies to ice 1 h and (gas saturated) water. Spectrochim. Acta Part A Mol. Biomol. Spectrosc. 2005, 61, 2399–2403. [Google Scholar] [CrossRef]
© 2020 by the authors. Licensee MDPI, Basel, Switzerland. This article is an open access article distributed under the terms and conditions of the Creative Commons Attribution (CC BY) license (http://creativecommons.org/licenses/by/4.0/).







