A High-Efficiency Three-Level ANPC Inverter Based on Hybrid SiC and Si Devices
Abstract
1. Introduction
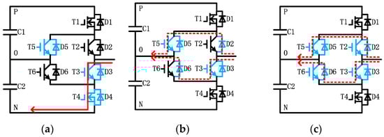
2. Proposed Hybrid Silicon Carbide (SiC) and Silicon (Si) ANPC Inverter
3. Loss Modeling
3.1. Device Loss Characteristics Comparison
3.1.1. Power Device Switching Loss
3.1.2. Power Device and Its Anti-Parallel Diode on-State Loss
3.1.3. Reverse Recovery Loss of Anti-Parallel Diode
3.2. Power Device Modeling
3.3. Loss Modeling of the Proposed Scheme
3.4. Comparison of Theoretical Analysis Results
4. Experiment
5. Conclusions
- High-frequency switching losses were concentrated on SiC devices, so the switching losses were reduced;
- In the 0 state of the ANPC three-level inverter, the current flowed through two parallel circuits, so the on-state loss was reduced;
- The efficiency of the hybrid scheme was found to be around 0.58–0.90% higher than the traditional Si-only topology;
- The efficiency of the hybrid scheme was found to be around 0.30–0.68% lower than the traditional SiC-only topology;
- The cost of the proposed hybrid topology was about half that of the SiC-only topology.
Author Contributions
Funding
Conflicts of Interest
References
- Chen, Q.; Wang, Q.; Li, G.; Ding, S. The Control of Unequal Power Losses Distribution in Three-Level Neutral-Point-Clamped VSC. In Proceedings of the 2012 15th International Conference on Electrical Machines and Systems (ICEMS), Sapporo, Japan, 21–24 October 2012. [Google Scholar]
- Bruckner, T.; Bemet, S. Loss Balancing in Three-Level Voltage Source Inverters applying Active NPC Switches. In Proceedings of the 2001 IEEE 32nd Annual Power Electronics Specialists Conference (IEEE Cat. No.01CH37230), Vancouver, BC, Canada, 17–21 June 2001. [Google Scholar]
- Chen, F.; Ding, X.; Lodhia, E. Efficiency and Current Harmonics Comparison Between SiC and Si Based Inverters for Microgrids. Energy Procedia 2016, 103, 298–303. [Google Scholar] [CrossRef]
- Ding, X.; Chen, F.; Du, M.; Guo, H.; Ren, S. Effects of silicon carbide MOSFETs on the efficiency and power quality of a microgrid-connected inverter. Appl. Energy 2017, 201, 270–283. [Google Scholar] [CrossRef]
- Gioia, A.D.; Brown, I.P. Silicon and hybrid Si-SiC tandem inverter analytical loss characterization and comparison to PWM-modulated voltage source inverter. In Proceedings of the IEEE Energy Conversion Congress and Exposition (ECCE), Montreal, QC, Canada, 20–24 September 2015. [Google Scholar]
- He, J.; Katebi, R.; Weise, N.; Demerdash, N.A.O.; Wei, L. A Fault-Tolerant T-Type Multilevel Inverter Topology With Increased Overload Capability and Soft-Switching Characteristics. IEEE Trans. Ind. Appl. 2017, 53, 2826–2839. [Google Scholar] [CrossRef]
- Anthon, A.; Zhang, Z.; Andersen, M.A.E.; Holmes, D.G. The Benefits of SiC MOSFETs in a T-Type Inverter for Grid-Tie Applications. IEEE Trans. Power Electron. 2017, 32, 2808–2821. [Google Scholar] [CrossRef]
- Zhang, D.; He, J.; Pan, D. A Megawatt-Scale Medium-Voltage High Efficiency High Power Density “SiC+Si” Hybrid Three-Level ANPC Inverter for Aircraft Hybrid-Electric Propulsion Systems. In Proceedings of the IEEE Energy Conversion Congress and Exposition (ECCE), Portland, OR, USA, 23–27 September 2018. [Google Scholar]
- He, J.; Zhang, D.; Pan, D. An Improved PWM Strategy for “SiC+Si” Three-Level Active Neutral Point Clamped Converter in High-Power High-Frequency Applications. In Proceedings of the IEEE Energy Conversion Congress and Exposition (ECCE), Portland, OR, USA, 23–27 September 2018. [Google Scholar]
- Pan, D.; Zhang, D.; Immer, C.; Dame, M.; He, J. Pump-Back Validation of A Medium Voltage High-Frequency “SiC+Si” Hybrid Three-Level ANPC Inverter for Hybrid-Electric Propulsion Application. In Proceedings of the 2019 IEEE International Electric Machines & Drives Conference (IEMDC), San Diego, CA, USA, 12–15 May 2019. [Google Scholar]
- Pan, D.; Zhang, D.; He, J.; Immer, C.; Dame, M. Control of MW-Scale High-Frequency “SiC+Si” Multilevel ANPC Inverter in Pump-Back Test for Aircraft Hybrid-Electric Propulsion Applications. IEEE J. Emerg. Sel. Top. Power Electron. 2020. (Early Access). [Google Scholar] [CrossRef]
- Zhang, L.; Liu, S.; Chen, G.; Yang, X. Evaluation of Hybrid Si/SiC Three-Level Active Neutral-Point-Clamped Inverters. In Proceedings of the 2019 IEEE 28th International Symposium on Industrial Electronics (ISIE), Vancouver, BC, Canada, 12–14 June 2019. [Google Scholar]
- Guan, Q.; Li, C.; Zhang, Y.; Wang, S.; Xu, D.D.; Li, W.; Ma, H. An Extremely High Efficient Three-Level Active Neutral-Point-Clamped Converter Comprising SiC and Si Hybrid Power Stages. IEEE Trans. Power Electron. 2018, 33, 8341–8352. [Google Scholar] [CrossRef]
- Sahan, B.; Mueller, C.R.; Lenze, A.; Czichon, J.; Slawinski, M. Combining the benefits of SiC T-MOSFET and Si IGBT in a novel ANPC power module for highly compact 1500-V grid-tied inverters. In Proceedings of the PCIM Europe 2019, Nuremberg, Germany, 7–9 May 2019. [Google Scholar]
- Lwon, B.H.; Bae, K.C.; Kim, S.M.; Lee, K.B. Detecting Method for an Open-Switch Fault of SiC MOSFET and Si IGBT in Hybrid ANPC Inverter System. In Proceedings of the 2019 IEEE Energy Conversion Congress and Exposition (ECCE), Baltimore, MD, USA, 29 September–3 October 2019. [Google Scholar]
- Li, C.; Lu, W.; Wang, Y. Space Vector Modulation for SiC & Si Hybrid Active Neutral Point Clamped Converter. In Proceedings of the IEEE International Power Electronics and Application Conference and Exposition (PEAC), Shenzhen, China, 4–7 November 2018. [Google Scholar]
- Li, C.; Lu, R.; Li, C.; Gu, X.; Fang, Y. Space Vector Modulation for SiC and Si Hybrid ANPC Converter in Medium-Voltage High-Speed Drive System. IEEE Trans. Power Electron. 2020, 35, 3390–3401. [Google Scholar] [CrossRef]
- Feng, Z.; Zhang, X.; Yu, S.; Wang, J. Loss Analysis and Measurement of ANPC Inverter Based on SiC & Si Hybrid Module. In Proceedings of the IEEE International Power Electronics and Application Conference and Exposition (PEAC), Shenzhen, China, 4–7 November 2018. [Google Scholar]
- Zhang, L.; Lou, X.; Li, C.; Wu, F.; Gu, Y. Evaluation of Different Si/SiC Hyrbid Three-Level Active NPC Inverters for High Power Density. IEEE Trans. Power Electron. 2019. (Early Access). [Google Scholar] [CrossRef]













| Output Status | T1 | T2 | T3 | T4 | T5 | T6 | Output Voltage |
|---|---|---|---|---|---|---|---|
| P | 1 | 1 | 0 | 0 | 0 | 0/1 | +Vdc/2 |
| O | 0 | 1 | 1 | 0 | 1 | 1 | 0 |
| N | 0 | 0 | 1 | 1 | 0/1 | 0 | −Vdc/2 |
| Qrr | Test Condition | |
|---|---|---|
| IGBT anti-parallel diode | 197 nC | 25 °C, VR = 600 V, iF = 25 A, diF/dt = 200 A/µs |
| MOSFET anti-parallel diode | 165 nC | 25 °C, VR = 800 V, iF = 20 A, diF/dt = 350 A/µs |
| Rated Power Pe | 3.3 KW |
| Bus voltage Udc | 1000 V |
| Operating frequency fs | 16 kHz |
| Load Resistance R | 40 Ω |
| Filter inductor L | 0.9 mH |
| Filter capacitor C | 200 uF |
| DC side capacitor Cdc | 4700 uF*2 |
© 2020 by the authors. Licensee MDPI, Basel, Switzerland. This article is an open access article distributed under the terms and conditions of the Creative Commons Attribution (CC BY) license (http://creativecommons.org/licenses/by/4.0/).
Share and Cite
Feng, Z.; Zhang, X.; Wang, J.; Yu, S. A High-Efficiency Three-Level ANPC Inverter Based on Hybrid SiC and Si Devices. Energies 2020, 13, 1159. https://doi.org/10.3390/en13051159
Feng Z, Zhang X, Wang J, Yu S. A High-Efficiency Three-Level ANPC Inverter Based on Hybrid SiC and Si Devices. Energies. 2020; 13(5):1159. https://doi.org/10.3390/en13051159
Chicago/Turabian StyleFeng, Zhijian, Xing Zhang, Jianing Wang, and Shaolin Yu. 2020. "A High-Efficiency Three-Level ANPC Inverter Based on Hybrid SiC and Si Devices" Energies 13, no. 5: 1159. https://doi.org/10.3390/en13051159
APA StyleFeng, Z., Zhang, X., Wang, J., & Yu, S. (2020). A High-Efficiency Three-Level ANPC Inverter Based on Hybrid SiC and Si Devices. Energies, 13(5), 1159. https://doi.org/10.3390/en13051159
