Comparing Corrective and Preventive Security-Constrained DCOPF Problems Using Linear Shift-Factors
Abstract
1. Introduction
1.1. Technical Literature Analysis
- i
- The first approach is larger than the classical DC-based OPF problem because new variables (power unit generation) and constraints (power flow post-contingency conditions) are added in the optimization problem to model the pre-contingency and the post-contingency (N−1) power system states. Nonetheless, the optimal solution usually requires that the ISO redispatches power generation of several units in a very short time to avoid operational overcost as well as overloading conditions. For this reason, the ISO must be able to handle many corrective generation actions without affecting power system security [14,15,16,17].
- ii
- For the preventive approach, one set of decision variables (power unit generation) is only needed to model the SCOPF formulation. With this assumption, the ISO does not need to redispatch the power generation because the preventive model avoids power generation changes between pre- and post-contingency power system states. However, there is an overcost in the pre-contingency state in comparison with the previous formulation. For more information, References [5,6,11,18,19] could be reviewed in detailed.
1.2. Contributions
2. Security-Constrained Optimal Power Flow Problem
2.1. Corrective SCOPF Problem Using the Classical DC-Based Formulation
2.2. Preventive SCOPF Problem Using the Classical DC-Based Formulation
2.3. Corrective SCOPF Problem Using the SF-Based Formulation
2.4. Preventive SCOPF Problem Using the SF-Based Formulation
2.5. Computing the Post-Contingency Shift-Factors
3. Simulation Results
3.1. SCOPF Formulation Applied to an Example Power System (6-Bus)
DC-Based and SF-Based SCOPF Formulations
- Corrective SCOPF problem—for this analysis, power generation data are incorporated in the formulation assuming that the ISO has 10 min to eliminate overloading transmission effects and to recover the steady-state power system security. The main advantage of the corrective formulation is related to the operator clearly knows the post-contingency economic dispatch. This solution considers not only technical generation constraints but the variable fuel cost of each power unit. Indeed, the new power generation setting will achieve a safety and robust security-constrained N−1 solution no matter which transmission element failure.
- Case 1
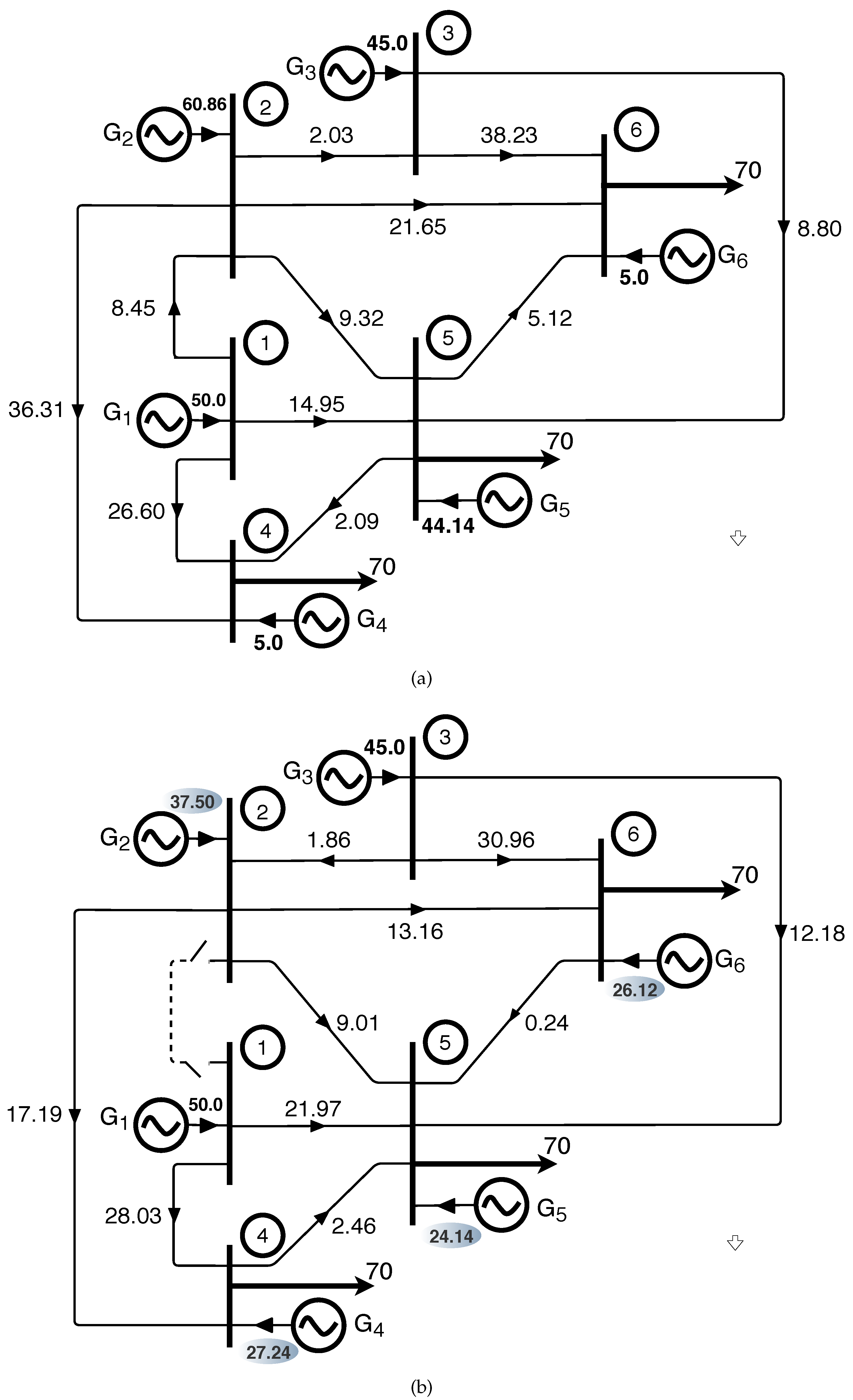
- Without ramp constraints—the operational cost is 3003.17 $/h for the pre-contingency condition and 3487.87 $/h for the post-contingency condition and the optimal total cost is Ctotal = 6491.04 $/h. Actually, the pre-contingency cost is the same than the traditional OPF problem (3003.17 $/h).
- Case 2
- Including ramp-up and -down constraints—the cost is 3146.35 $/h for the pre-contingency condition and 3487.87 $/h for the post-contingency condition and the total cost is Ctotal = 6634.22 $/h. For this case, the number of decision variables is 12 and the number of constraints is 280.
- Preventive SCOPF problem—the main advantage of this formulation is related to the operator does not need to modify the post-contingency power dispatch.
3.2. Corrective SCOPF Using a Ranking of Contingencies
- For the first case, the pre-contingency and the worst contingency (line 1–4) constraints are simultaneously incorporated in the SCOPF problem.Solving the SCOPF problem, the post-contingency power unit solution is used to validate electrical system security using eleven N−1 power flow problems. Simulation results show there are three overloading conditions: (a) when transmission line 2–6 is out, the power flow in line 3–6 is 51.18 MW; (b) when transmission line 3–5 is out, the power flow in line 3–6 is 42.74 MW; and (c) when transmission line 5–6 is out, the power flow in line 3–6 is 42.11 MW. Notice that the maximum power flow in line 3–6 is 40 MW. Therefore, a SCOPF problem based on the worst contingency does not guarantee a safe post-contingency operational point.
- In the second case, the SCOPF problem includes the outage of the transmission line 2–6.Reviewing the power flow solution, there are two overloading conditions: (a) when transmission line 1–4 is out, the power flow in line 2–4 is 54.34 MW; and (b) when transmission line 2–4 is out, the power flow in line 1–4 is 47.72 MW. Notice that the maximum power flow in line 1–4 and line 2–4 is 40 MW. Even though the operational cost is bigger than the previous case, this solution does not guarantee a safe power system as well. Additionally, this solution obtains the most overloading condition in line 2–4 (136%).
- In the third case, failure of transmission line 2–4 is added in the optimization problem.Simulating the N−1 post-contingency power flow method, the overloading conditions are the following: (a) when transmission line 1–4 is out, the power flow in line 2–4 is 43.97 MW; (b) when transmission line 2–6 is out, the power flow in line 3–6 is 50.73 MW; (c) when transmission line 3–6 is out, the power flow in line 2–6 is 41.62 MW; and (d) when transmission line 5–6 is out, the power flow in line 3–6 is 42.63 MW. Furthermore, this is an unacceptable post-contingency overloading condition.
- For the fourth case, transmission constraints for the outage of transmission line 5–6 is included in the N−1 optimization problem.Simulating the post-contingency power flow method, the overloading conditions are the following: (a) when transmission line 1–4 is out, the power flow in line 2–4 is 53.20 MW; (b) when transmission line 2–4 is out, the power flow in line 1–4 is 47.17 MW; (c) when transmission line 2–6 is out, the power flow in line 3–6 is 46.11 MW; and (d) when transmission line 3–5 is out, the power flow in line 3–6 is 40.16 MW.
- We do not show the last contingency because power flow results also display an overloading condition.
3.3. SCOPF Methodology Applied to Different-Scale Power Systems
3.3.1. Corrective and Preventive Formulations
3.3.2. Another Classical DC-Based Preventive Formulation Applied to the 300-Bus Power System
3.4. Corrective and Preventive SCOPF Methodology Applied to the Chilean Electrical Power System
- Corrective SCOPF problem—this optimization problem has 534 decision variables and 22,082 constraints. The cost is 326,948.31 $/h for the pre-contingency condition and 327,087.37 $/h for the post-contingency condition. The simulation time is 1.0218 s using 100 trials.There is congestion in Cardones-Maintencillo 220 kV in the pre-contingency solution. On the contrary, there is post-contingency congestion in the following transmission elements—(1) Andes-Nueva Zaldivar 220 kV when Antucoya-Antucoya aux. 220 kV is out; (2) Antofagasta-Desalant 110 kV when Atacama-Esmeralda 220 kV is out; (3) Capricornio-Mantos Blancos 220 kV when CD Arica-Tap Quiani 66 kV is out; (4) Carrera Pinto-Carrera Pinto aux. 220 kV when Charrúa-Lagunillas 220 kV is out; and (5) CD Arica-Arica 66 kV when Charrúa-Mulchen 220 kV is out.
- Preventive SCOPF problem—this optimization problem has 267 decision variables and 21,013 constraints. The optimal cost is 329,981.43 $/h and the simulation time is 0.6085 s. For the pre-contingency condition, there is congestion in the same line (Cardones-Maintencillo 220 kV). Furthermore, there are seven lines with congestion in the post-contingency condition: (1) Andes-Nueva Zaldivar 220 kV; (2) Antofagasta-Desalant 110 kV; (3) Capricornio-Mantos Blancos 220 kV; (4) Carrera Pinto-Carrera Pinto aux. 220 kV; (5) CD Arica-Arica 66 kV; (6) Charrúa-Hualpen 220 kV (when Colbún-Ancoa 220 kV is out); and (7) Crucero-Nueva Crucero/Encuentro 220 kV (when Don Goyo-Don Goyo aux. 220 kV is out).
4. Conclusions
Funding
Acknowledgments
Conflicts of Interest
Nomenclature
| Parameters | |
| Power system base value = 100 MW | |
| Total security-constrained operational cost ($/h) | |
| Pre-contingency variable cost ($/h) | |
| Post-contingency variable cost ($/h) | |
| , and | Constants of the quadratic cost function for the g-th thermal unit ($/h), ($/MWh) and , respectively |
| Value of lost load ($/MWh) | |
| Load demand at bus b (pu) | |
| Total power system demand (pu) | |
| Susceptance value for transmission element (pu) | |
| Maximum power flow for transmission element (pu) | |
| Ramp-up for the g-th power unit (pu) | |
| Ramp-down for the g-th power unit (pu) | |
| Maximum power generation for unit g (pu) | |
| Minimum power generation for unit g (pu) | |
| Linear power distribution factor of element with respect to bus k for the pre-contingency condition | |
| Linear power distribution factor of element with respect to bus k for the pre-contingency condition | |
| Primitive-admittance incidence matrix for the pre-contingency condition | |
| Primitive-admittance incidence matrix for the post-contingency condition | |
| Reduced admittance bus matrix for the pre-contingency condition | |
| Reduced admittance bus matrix for the post-contingency condition | |
| Reduced impedance bus matrix for the pre-contingency condition | |
| Reduced impedance bus matrix for the post-contingency condition | |
| Reduced incidence power system matrix | |
| Reference (slack) bus | |
| SETS | |
| G | Set of power generator units |
| V | Set of virtual power units |
| B | Set of voltage bus angles |
| L | Set of pre-contingency transmission elements |
| Set of post-contingency transmission elements | |
| VARIABLES | |
| Active pre-contingency power dispatched by unit g-corrective formulation | |
| Active post-contingency power dispatched by unit g-corrective formulation | |
| Pre-contingency unserved energy at bus g-corrective formulation | |
| Post-contingency unserved energy at bus g-corrective formulation | |
| Transmission pre-contingency power flow on element -corrective formulation | |
| Transmission post-contingency power flow on element -corrective formulation | |
| Voltage angle at bus k for the pre-contingency condition—corrective formulation | |
| Voltage angle at bus k for the post-contingency condition—corrective formulation | |
| Power generation dispatched by unit g for the preventive formulation | |
| Unserved energy at bus g for the preventive formulation | |
| Voltage angle at bus k for the preventive formulation | |
References
- Carpentier, J. Contribution a L’etude du Dispatching Economique. Bull. Soc. Fr. Electr. 1962, 8, 431–447. [Google Scholar]
- Bai, W.; Lee, D.; Lee, K.-Y. Stochastic dynamic AC optimal power flow based on a multivariate short-term wind power scenario forecasting model. Energies 2017, 10, 2138. [Google Scholar] [CrossRef]
- Momoh, J.; Adapa, R.; El-Hawary, M. A review of selected optimal power flow literature to 1993. IEEE Trans. Power Syst. 1993, 14, 96–104. [Google Scholar] [CrossRef]
- Pizano, A.; Fuerte, C.R.; Ruiz, D. A new practical approach to transient stability constrained optimal power flow. IEEE Trans. Power Syst. 2011, 26, 1686–1696. [Google Scholar] [CrossRef]
- Mohagheghi, E.; Alramlawi, M.; Gabash, A.; Li, P. Incorporating charging/discharging strategy of electric vehicles into security-constrained optimal power flow to support high renewable penetration. Energies 2017, 10, 729. [Google Scholar]
- Hinojosa, V.; Gonzalez-Longatt, F. Preventive security-constrained DCOPF formulation using power transmission distribution factors and line outage distribution factors. Energies 2018, 11, 1497. [Google Scholar] [CrossRef]
- Gutierrez-Alcaraz, G.; Hinojosa, V. Using generalized generation distribution factors in a MILP model to solve the transmission-constrained unit commitment problem. Energies 2018, 11, 2232. [Google Scholar] [CrossRef]
- Wood, A.J.; Wollenberg, B.F. Power Generation, Operation and Control; John Wiley & Sons: Hoboken, NJ, USA, 1996. [Google Scholar]
- Gonzalez-Longatt, F.; Rueda, J.L. Power Factory Applications for Power System Analysis; Springer: Berlin, Germany, 2014. [Google Scholar]
- Hinojosa, V.H.; Velásquez, J. Improving the mathematical formulation of security-constrained generation capacity expansion planning using power transmission distribution factors and line outage distribution factors. Electr. Power Syst. Res. 2016, 140, 391–400. [Google Scholar] [CrossRef]
- Alsac, O.; Stott, B. Optimal Load Flow with Steady-State Security. IEEE Trans. Power Appar. Syst. 1974, 93, 745–751. [Google Scholar] [CrossRef]
- Capitanescu, F.; Martinez-Ramos, J.L.; Panciatici, P.; Kirschen, D.; Marano-Marcolini, A.; Platbrood, P.; Wehenkel, L. State-of-the-art, challenges, and future trends in security constrained optimal power flow. Electr. Power Syst. Res. 2012, 81, 275–285. [Google Scholar] [CrossRef]
- Sass, F.; Sennewald, T.; Marten, A.; Westermann, D. Mixed AC high-voltage direct current benchmark test system for security constrained optimal power flow calculation. IET Gener. Transm. Distrib. 2017, 11, 447–455. [Google Scholar] [CrossRef]
- Martínez-Lacañina, P.; Martínez-Ramos, J.; de la Villa-Jaén, A. DC corrective optimal power flow base on generator and branch outages modelled as fictitious nodal injections. IET Gener. Transm. Distrib. 2014, 8, 401–409. [Google Scholar]
- Monticelli, A.; Pereira, M.V.F.; Granville, S. Security-constrained optimal power flow with post-contingency corrective rescheduling. IEEE Trans. Power Syst. 1987, 2, 175–180. [Google Scholar] [CrossRef]
- Dzung, P.; Kalagnanam, J. Some efficient optimization methods for solving the security-constrained optimal power flow problem. IEEE Trans. Power Syst. 2014, 29, 863–872. [Google Scholar]
- Phan, D.; Sun, X. Minimal impact corrective actions in security-constrained optimal power flow via sparsity regularization. IEEE Trans. Power Syst. 2015, 30, 1947–1956. [Google Scholar] [CrossRef]
- An, K.; Song, K.; Hur, K. A survey of real-time optimal power flow. Energies 2018, 11, 3142. [Google Scholar]
- Wu, X.; Zhou, Z.; Liu, G.; Qi, W.; Xie, Z. Preventive security-constrained optimal power flow considering UPFC control modes. Energies 2017, 10, 1199. [Google Scholar] [CrossRef]
- Python. Available online: http://www.python.org (accessed on 1 December 2019).
- Gurobi Optimization. Available online: http://www.gurobi.com (accessed on 1 December 2019).
- Matpower. Available online: http://www.pserc.cornell.edu/matpower (accessed on 1 December 2019).
- Pypower. Available online: https://pypi.org/project/PYPOWER/ (accessed on 13 December 2019).



| Power | A | B | C | ||||
|---|---|---|---|---|---|---|---|
| Unit | () | () | ($/h) | (MW) | (MW) | (MW/min) | (MW/min) |
| 0.00533 | 11.669 | 213.1 | 200 | 50 | 9.0 | 8.5 | |
| 0.00889 | 10.333 | 200.0 | 150 | 37.5 | 12.0 | 12.0 | |
| 0.00741 | 10.833 | 240.0 | 180 | 45 | 11.0 | 10.1 | |
| 0.00301 | 14.198 | 40.0 | 70 | 5 | 2.5 | 5.0 | |
| 0.00111 | 4.955 | 300.0 | 70 | 5 | 4.0 | 2.0 | |
| 0.00876 | 18.003 | 10.0 | 70 | 5 | 3.5 | 5.0 |
| Power | Without-Ramps | With-Ramps | ||||
|---|---|---|---|---|---|---|
| Unit | Pre-Contingency | Post-Contingency | Difference | Pre-Contingency | PosT-Contingency | Difference |
| # | Power, MW | Power, MW | MW | Power, MW | Power, MW | MW |
| P | 50.00 | 50.00 | 0 | 50.00 | 50.00 | 0 |
| P | 37.50 | 37.50 | 0 | 60.86 | 37.50 | +23.36 |
| P | 45.00 | 45.00 | 0 | 45.00 | 45.00 | 0 |
| P | 5.00 | 27.24 | −22.24 | 5.00 | 27.24 | −22.24 |
| P | 67.50 | 24.14 | +36.36 | 44.14 | 24.14 | +20.00 |
| P | 5.00 | 26.12 | −21.12 | 5.00 | 26.12 | −21.12 |
| Line | 1–4 MW | 1–5 MW | 2–3 MW | 2–4 MW | 2–5 MW | 2–6 MW | 3–5 MW | 3–6 MW | 4–5 MW | 5–6 MW |
|---|---|---|---|---|---|---|---|---|---|---|
| - | 24.21 | 19.95 | 10.38 | −1.41 | 7.99 | 8.53 | 8.46 | 10.70 | 10.31 | 10.11 |
| - | 30.05 | 21.94 | 36.14 | 21.24 | 21.39 | 21.37 | 22.03 | 21.13 | 21.86 | |
| 25.79 | - | 17.68 | 15.26 | 20.78 | 20.08 | 20.17 | 17.26 | 18.56 | 18.03 | |
| −1.51 | 2.37 | - | 2.09 | 1.67 | 5.91 | −6.15 | −16.98 | −0.39 | −0.98 | |
| 40.00 | 20.20 | 23.12 | - | 26.49 | 25.73 | 25.83 | 22.66 | 21.63 | 23.49 | |
| 9.65 | 16.73 | 10.76 | 16.20 | - | 14.39 | 14.54 | 10.13 | 11.68 | 11.29 | |
| 13.57 | 18.15 | 14.00 | 17.81 | 17.32 | - | 11.74 | 32.40 | 14.89 | 13.81 | |
| 12.58 | 17.02 | 13.69 | 16.69 | 16.22 | 10.91 | - | 28.02 | 13.86 | 13.96 | |
| 30.91 | 30.36 | 31.31 | 30.40 | 30.46 | 40.00 | 38.85 | - | 30.75 | 30.06 | |
| −2.76 | 7.49 | 2.29 | −6.62 | 4.96 | 4.36 | 4.44 | 1.93 | - | 2.59 | |
| −0.60 | −4.63 | −1.43 | −4.33 | −3.90 | 3.87 | −6.71 | 11.47 | −1.76 | - |
| Optimal Solution | (i) N−1: line1–4 $/h | (ii) N−1: line2–6 $/h | (iii) N−1: line2–4 $/h | (iv) N−1: line5–6 $/h | (v) N−1: line1–4 and line2–6 $/h |
|---|---|---|---|---|---|
| n | 12 | 12 | 12 | 12 | 12 |
| + | 80 | 80 | 80 | 80 | 100 |
| 3003.17 | 3003.17 | 3003.17 | 3003.17 | 3146.36 | |
| 3178.12 | 3241.03 | 3122.32 | 3091.56 | 3487.87 | |
| 6181.29 | 6244.21 | 6125.49 | 6094.74 | 6634.22 |
| Formulation | Corrective | Preventive | ||||||
|---|---|---|---|---|---|---|---|---|
| System | , $/h | n | , s | , $/h | n | n + n | , s | |
| 14-bus (CL) | 15,285.19 | 704 | 1545 | 0.0040 | 7642.59 | 699 | 1525 | 0.0036 |
| 14-bus (SF) | 15,285.19 | 10 | 832 | 0.0004 | 7642.59 | 5 | 811 | 0.0009 |
| 57-bus (CL) | 82,013.47 | 10,895 | 23,645 | 0.0821 | 41,006.74 | 7760 | 16,832 | 0.0414 |
| 57-bus (SF) | 82,013.47 | 14 | 6366 | 0.0048 | 41,006.74 | 7 | 9023 | 0.0049 |
| 118-bus (CL) | 260,788.55 | 55,558 | 123,669 | 0.9203 | 130,394.28 | 55,807 | 124,127 | 0.8459 |
| 118-bus (SF) | 260,788.55 | 108 | 62,312 | 0.3057 | 130,394.28 | 54 | 62,095 | 0.3106 |
| 300-bus (CL) | 1,422,058.21 | 71,849 | 155,048 | 0.8777 | 711,029.11 | 71,780 | 154,772 | 0.9468 |
| 300-bus (SF) | 1,422,058.21 | 138 | 21,110 | 0.1350 | 711,029.11 | 69 | 20,833 | 0.1349 |
© 2020 by the author. Licensee MDPI, Basel, Switzerland. This article is an open access article distributed under the terms and conditions of the Creative Commons Attribution (CC BY) license (http://creativecommons.org/licenses/by/4.0/).
Share and Cite
Hinojosa, V.H. Comparing Corrective and Preventive Security-Constrained DCOPF Problems Using Linear Shift-Factors. Energies 2020, 13, 516. https://doi.org/10.3390/en13030516
Hinojosa VH. Comparing Corrective and Preventive Security-Constrained DCOPF Problems Using Linear Shift-Factors. Energies. 2020; 13(3):516. https://doi.org/10.3390/en13030516
Chicago/Turabian StyleHinojosa, Victor H. 2020. "Comparing Corrective and Preventive Security-Constrained DCOPF Problems Using Linear Shift-Factors" Energies 13, no. 3: 516. https://doi.org/10.3390/en13030516
APA StyleHinojosa, V. H. (2020). Comparing Corrective and Preventive Security-Constrained DCOPF Problems Using Linear Shift-Factors. Energies, 13(3), 516. https://doi.org/10.3390/en13030516

