Hybrid DC Converter with Current Sharing and Low Freewheeling Current Loss
Abstract
1. Introduction
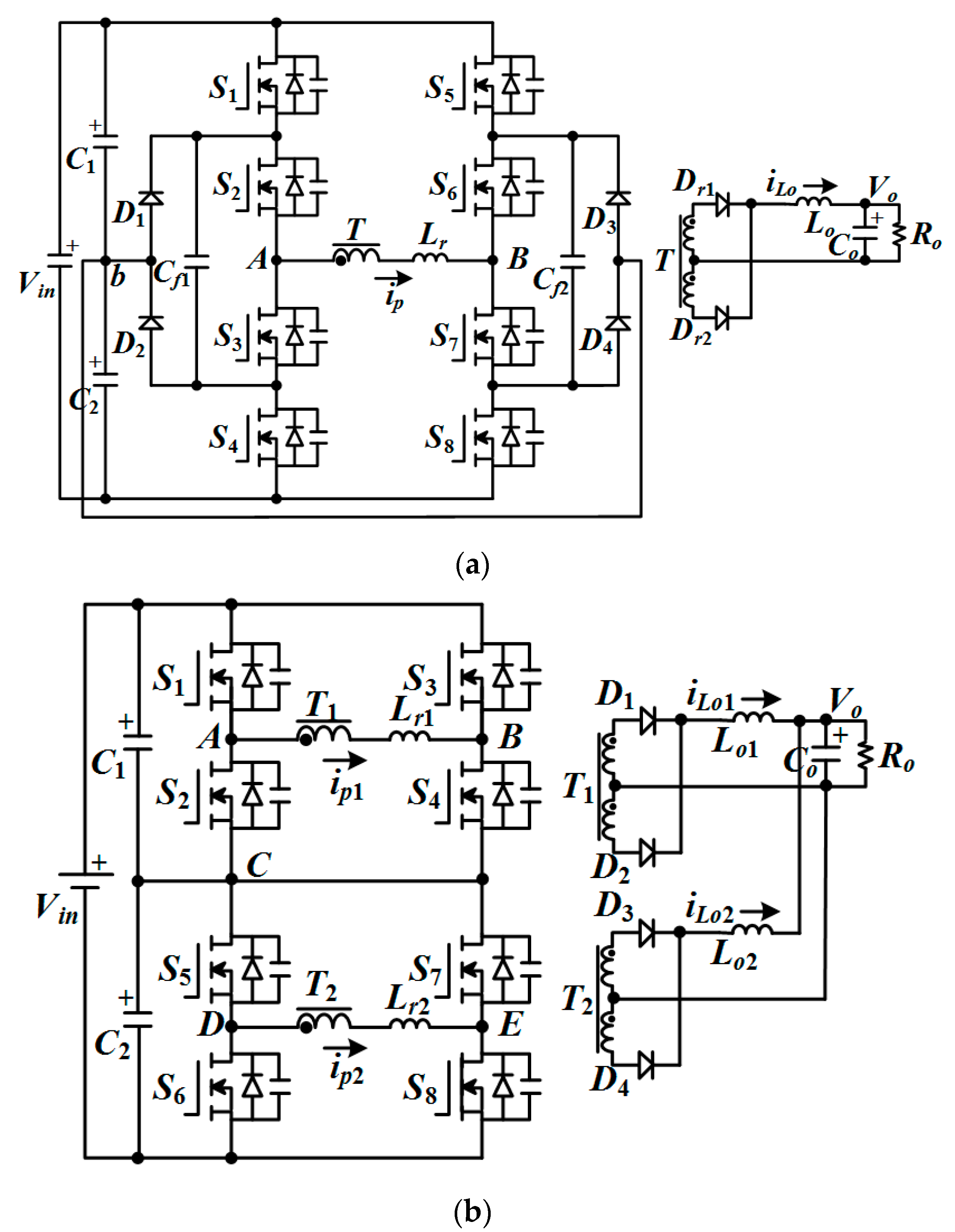
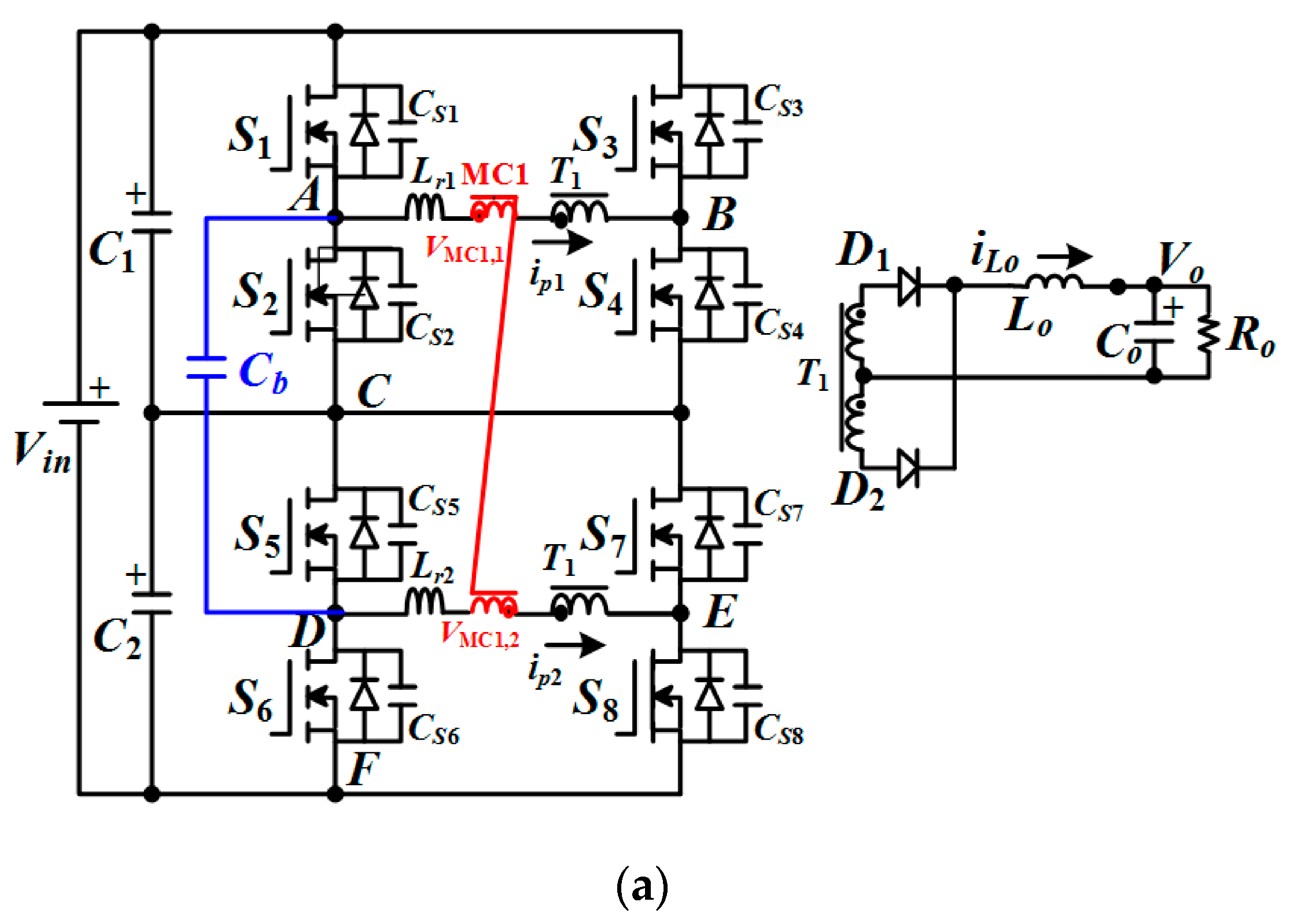
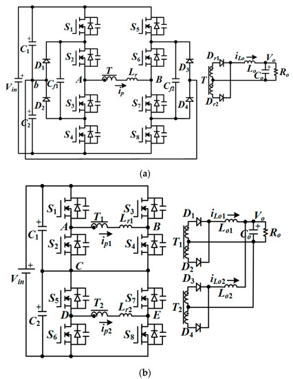
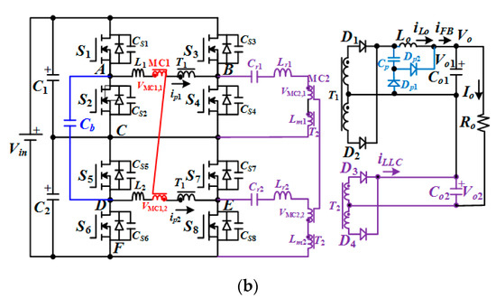
2. Circuit Diagram
3. Principles of Operation
4. Circuit Analysis
5. Design Considerations and Test Results
6. Conclusions
Author Contributions
Funding
Acknowledgments
Conflicts of Interest
References
- Song, B.M.; McDowell, R.; Bushnell, A.; Ennis, J. A three-level dc–dc converter with wide-input voltage operation for ship-electric power-distribution systems. IEEE Trans. Plasma Sci. 2004, 32, 1856–1863. [Google Scholar] [CrossRef]
- Fu, D.; Lee, F.C.; Qiu, Y.; Wang, F. A novel high-power-density three-level LCC resonant converter with constant-power-factor-control for charging applications. IEEE Trans. Power Electron. 2008, 23, 2411–2420. [Google Scholar] [CrossRef]
- Dragicevic, T.; Lu, X.; Vasquez, J.C.; Guerrero, J.M. DC microgrids—Part I: A review of power architectures, applications, and standardization issue. IEEE Trans. Power Electron. 2016, 31, 3528–3549. [Google Scholar] [CrossRef]
- Dragicevic, T.; Lu, X.; Vasquez, J.C. Guerrero, J.M. DC microgrids—Part II: A review of control strategies and stabilization techniques. IEEE Trans. Power Electron. 2016, 31, 4876–4891. [Google Scholar]
- Nejabatkhah, F.; Li, Y.W. Overview of power management strategies of hybrid AC/DC microgrid. IEEE Trans. Power Electron. 2015, 30, 7072–7089. [Google Scholar] [CrossRef]
- Lin, B.R. Soft switching resonant converter with duty-cycle control in DC micro-grid system. Int. J. Electron. 2018, 105, 137–152. [Google Scholar] [CrossRef]
- Chua, T.Z.Y.; Ong, Y.T.; Toh, C.L. Transformerless DC traction power conversion system design for light-rail-transit (LRT). In Proceedings of the 2017 IEEE Conference on Energy Conversion (CENCON), Kuala Lumpur, Malaysia, 30–31 October 2017; pp. 38–43. [Google Scholar]
- Han, S.K.; Moon, G.W.; Youn, M.J. A voltage-balanced phase-shifted three-level DC/DC converter operating from high-input voltage. IEEE Power Electron. Lett. 2003, 1, 74–77. [Google Scholar]
- Rodrigues, J.P.; Mussa, S.A.; Barbi, I.; Perin, A.J. Three-level zero-voltage switching pulse-width modulation DC-DC boost converter with active clamping. IET Proc. Power Electron. 2010, 3, 345–354. [Google Scholar] [CrossRef]
- Canales, F.; Barbosa, P.; Lee, F.C. A zero-voltage and zero-current switching three-level DC/DC converter. IEEE Trans. Power Electron. 2002, 17, 898–904. [Google Scholar] [CrossRef]
- Mishima, T.; Akamatsu, K.; Nakaoka, M. A high frequency-link secondary-side phase-shifted full-bridge soft-switching PWM DC-DC converter with ZCS active rectifier for EV battery charger. IEEE Trans. Power Electron. 2013, 28, 5758–5773. [Google Scholar] [CrossRef]
- Wu, X.; Zhang, J.; Xie, X.; Qian, Z. Analysis and optimal design considerations for an improved full-bridge ZVS dc-dc converter with high efficiency. IEEE Trans. Power Electron. 2006, 21, 1225–1233. [Google Scholar] [CrossRef]
- Chen, Y.; Kang, Y. An improved full-bridge dual-output dc–dc converter based on the extended complementary pulse width modulation concept. IEEE Trans. Power Electron. 2011, 26, 3215–3229. [Google Scholar] [CrossRef]
- Yu, W.; Lai, J.S.; Lai, W.H.; Wan, H. Hybrid resonant and PWM converter with high efficiency and full soft-switching range. IEEE Trans. Power Electron. 2012, 27, 4925–4933. [Google Scholar] [CrossRef]
- You, H.; Xu, C. A family of un-isolated modular dc/dc converters. In Proceedings of the 2016 IEEE 8th International Power Electronics and Motion Control Conference (IPEMC-ECCE Asia), Hefei, China, 22–26 May 2016; pp. 696–702. [Google Scholar]
- Liu, C.; Xu, X.; He, D.; Liu, H.; Tian, X.; Guo, Y.; Cai, G.; Ma, C.; Mu, G. Magnetic-coupling current-balancing cells based input-parallel output-parallel LLC resonant converter modules for high-frequency isolation of DC distribution systems. IEEE Trans. Power Electron. 2016, 31, 6968–6979. [Google Scholar] [CrossRef]
- Shi, J.J.; Liu, T.J.; Cheng, J.; He, X.N. Automatic current sharing of an input-parallel output-parallel (IPOP)-connected DC-DC converter system with chain-connected rectifiers. IEEE Trans. Power Electron. 2015, 30, 2997–3016. [Google Scholar] [CrossRef]















Publisher’s Note: MDPI stays neutral with regard to jurisdictional claims in published maps and institutional affiliations. |
© 2020 by the authors. Licensee MDPI, Basel, Switzerland. This article is an open access article distributed under the terms and conditions of the Creative Commons Attribution (CC BY) license (http://creativecommons.org/licenses/by/4.0/).
Share and Cite
Lin, B.-R.; Wu, G.-Y. Hybrid DC Converter with Current Sharing and Low Freewheeling Current Loss. Energies 2020, 13, 6631. https://doi.org/10.3390/en13246631
Lin B-R, Wu G-Y. Hybrid DC Converter with Current Sharing and Low Freewheeling Current Loss. Energies. 2020; 13(24):6631. https://doi.org/10.3390/en13246631
Chicago/Turabian StyleLin, Bor-Ren, and Guan-Yi Wu. 2020. "Hybrid DC Converter with Current Sharing and Low Freewheeling Current Loss" Energies 13, no. 24: 6631. https://doi.org/10.3390/en13246631
APA StyleLin, B.-R., & Wu, G.-Y. (2020). Hybrid DC Converter with Current Sharing and Low Freewheeling Current Loss. Energies, 13(24), 6631. https://doi.org/10.3390/en13246631
