Energy Consumption Verification of SPD Smart Window, Controllable According to Solar Radiation in South Korea
Abstract
1. Introduction
2. Materials and Methods
2.1. Experimental Method
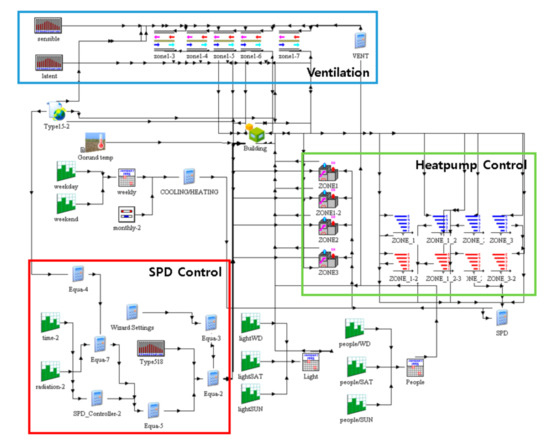
2.2. Simulation Verification Method
2.3. Standard Building Simulation Method
3. Results and Discussion
3.1. Comparison Between Experiment and Simulation
3.2. Standard Building Simulation
3.2.1. Standard Building Simulations According to the Orientation
3.2.2. Standard Building Simulations According to the Controllable SHGC Range
4. Conclusions
Author Contributions
Funding
Acknowledgments
Conflicts of Interest
References
- MOLIT. Zero Energy Buildung Spread Policy; Ministry of Land, Infrastructure and Transport: Sejong, Korea, 2019.
- Najjar, M.K.; Figueiredo, K.; Hammad, A.W.A.; Tam, V.W.Y.; Evangelista, A.C.J.; Haddad, A. A framework to estimate heat energy loss in building operation. J. Clean. Prod. 2019, 235, 789–800. [Google Scholar] [CrossRef]
- Zhao, J.; Du, Y. Multi-objective optimization design for windows and shading configuration considering energy consumption and thermal comfort: A case study for office building in different climatic regions of China. Sol. Energy 2020, 206, 997–1017. [Google Scholar] [CrossRef]
- MOLIT. Standard of Building Energy Saving; Ministry of Land, Infrastructure and Transport: Sejong, Korea, 2017.
- Carletti, C.; Sciurpi, F.; Pierangioli, L.; Asdrubali, F.; Pisello, A.L.; Bianchi, F.; Sambuco, S.; Guattari, C. Thermal and lighting effects of an external venetian blind: Experimental analysis in a full scale test room. Build. Environ. 2016, 106, 45–56. [Google Scholar] [CrossRef]
- Liu, X.; Zhu, J.; Han, J. Numerical and experimental investigation on thermal shock failure of Y2O3-coated CVD ZnS infrared windows. Int. J. Heat Mass Transf. 2018, 124, 124–130. [Google Scholar] [CrossRef]
- Kwak, J.; Kwon, S.W.; Park, S.L.; Yang, J.H.; Lim, K.S. Microcrystalline silicon solar cell using p-a-Si:H window layer deposited by photo-CVD method. Sol. Energy Mater. Sol. Cells 2008, 92, 1081–1085. [Google Scholar] [CrossRef]
- Hemaida, A.; Ghosh, A.; Sundaram, S.; Mallick, T.K. Evaluation of thermal performance for a smart switchable adaptive polymer dispersed liquid crystal (PDLC) glazing. Sol. Energy 2020, 195, 185–193. [Google Scholar] [CrossRef]
- Baetens, R.; Jelle, B.P.; Gustavsen, A. Properties, requirements and possibilities of smart windows for dynamic daylight and solar energy control in buildings: A state-of-the-art review. Sol. Energy Mater. Sol. Cells 2010, 94, 87–105. [Google Scholar] [CrossRef]
- Grnaqvist, C.G. Electrochromics for smart windows: Oxide-based thinfilms and devices. Thin Solid Film. 2014, 564, 1–38. [Google Scholar] [CrossRef]
- Kim, D.-J.; Hwang, D.Y.; Park, J.-Y.; Kim, H.-K. Liquid crystal-Based flexible smart windows on roll-to-roll slot die-Coated Ag nanowire network films. J. Alloy. Compd. 2018, 765, 1090–1098. [Google Scholar] [CrossRef]
- Ghosh, A.; Norton, B. Optimization of PV powered SPD switchable glazing to minimise probability of loss of power supply. Renew. Energy 2019, 131, 993–1001. [Google Scholar] [CrossRef]
- Rezaei, S.D.; Shannigrahi, S.; Ramakrishna, S. A review of conventional, advanced, and smart glazing technologies and materials for improving indoor environment. Sol. Energy Mater. Sol. Cells 2017, 159, 26–51. [Google Scholar] [CrossRef]
- Barrios, D.; Vergaz, R.; Sanches-Pena, J.M.; Garciz-Camara, B.; Granqvist, C.G.; Niklasson, G.A. Simulation of the thickness dependence of the optical propertiesof suspended particle devices. Sol. Energy Mater. Sol. Cells 2015, 143, 613–622. [Google Scholar] [CrossRef]
- Vergaz, R.; Sanchez-Pena, J.M.; Barrios, D.; Vazquez, C.; Contreras-Lallan, P. Modelling and electro-optical testing of suspended particle. Sol. Energy Mater. Sol. Cells 2008, 92, 1483–1487. [Google Scholar] [CrossRef]
- Tallberg, R.; Jelle, B.P.; Loonen, R.; Gao, T.; Hamdy, M. Comparison of the energy saving potential of adaptive and controllable smart windows: A state-of-the-art review and simulation studies of thermochromic, photochromic and electrochromic technologies. Sol. Energy Mater. Sol. Cells 2019, 200, 109828. [Google Scholar] [CrossRef]
- Min, J.; Hong, H. A Study on the Energy Performance Evaluation of a Smart Skin for Reducing Cooling Load of Building Envelope in Office Building. J. Air-Cond. Refrig. Eng. 2018, 30, 546–557. [Google Scholar]
- Min, J.; Ko, Y.; Hong, H. A Study on the Energy Performance Evaluation of Smart Skin for a Test Bed. J. Air-Cond. Refrig. Eng. 2019, 31, 483–495. [Google Scholar]
- Ko, Y.; Hong, H.; Min, J. Energy Performance Evaluation of Responsive Smart Windows Applying SPD According to Window Area Ratio and SHGC Range. J. Air-Cond. Refrig. Eng. 2020, 32, 441–447. [Google Scholar]
- Hong, S.K.; Jang, S.H.; Cho, S.H. A Simulation Study of envelope performance for cooling load reduction in smart envelope system. In Proceeding of the Air-Conditioning and Refrigeration Engineering Winter Conference, Seoul, Korea, 29 November 2017. [Google Scholar]
- Ghosh, A.; Norton, B.; Duffy, A. Behavior of a SPD switchable glazing in an outdoor test cell with heat removal under varying weather conditions. Appl. Energy 2019, 180, 695–706. [Google Scholar] [CrossRef]
- Nundy, S.; Ghosh, A. Thermal and visual comfort analysis of adaptive vacuum integrated switchable suspended particle device window for temperate climate. Renew. Energy 2020, 156, 1361–1372. [Google Scholar] [CrossRef]
- Ciampi, G.; Scorpio, M.; Spanodimitrious, Y.; Rosato, A.; Sibilio, S. Thermal model validation of an electric-driven smart window through experimental data and evaluation of the impact on a case study. Build. Environ. 2020, 181, 107134. [Google Scholar] [CrossRef]
- Klein, S.A. TRNSYS18 Base Manual; KES Tech: Kocaeli, Turkey, 2019. [Google Scholar]
- Research Frontiers. Available online: https://www.smartglass.com/licensees-and-shareholders-of-research-frontiers-get-together-for-introduction-of-highly-energy-efficient-spd-smart-windows/ (accessed on 28 October 2020).
- Nam, Y.G.; Hong, S.K.; Jang, S.H.; Cho, S.H. A Study on the Effective Control Method of Building Envelope with SPD. In Proceedings of the KSME Autumn Conference, Jeju, Korea, 13 November 2019. [Google Scholar]
- KMA. Suwon Meteorological Data; Korea Meteorological Administration: Seoul, Korea, 2020. [Google Scholar]














| Element | Testbed and Simulation | Contents | |
|---|---|---|---|
| Weather data | Anseong | ||
| Size | Floor area | 14.57 m2 | |
| Number of floors | 1 | ||
| Shape | Plane | Rectangle | |
| Aspect ratio | 1.5:1 | ||
| Orientation | South | ||
| Core | - | ||
| Section | Standard floor height | 2.6–3.2 m (2.9 m) | |
| Ceiling height | 2.445 m | ||
| Window area ratio | 13% | ||
| U-value (W/m2·K) | External wall | 0.401 | EPS insulation 100 mm |
| Floor/ceiling | 0.639 | EPS insulation 60 mm | |
| Roof | 0.401 | EPS insulation 100 mm | |
| Window | U-value of glazing | 0.47/0.621 | SPD9.16 (4CL + 0.38EVA + 0.4SPD + 0.38EVA + 4CL) + 12Ar + 5PLAONE + 114A + 5CL + 16Ar + 5PLAONE |
| /glazing + frame | |||
| SHGC | 0.11 (Power OFF) ~0.3 (Power max) | Applied real-time SPD control logic according to the amount of solar radiation Controllable SHGC range: 0.19 | |
| Infiltration | 1 ACH | ||
| Ventilation | Max | 0 | |
| Internal heat | Occupancy | 0 | |
| Light | 6 W/m2 | LED | |
| Equipment | 0 | ||
| Schedule | Occupancy | 08:00–19:00 | |
| (Mon. to Fri.) | |||
| Cooling | Nov. 2019 (22 °C) Jun. 2020 to Aug. 2020 (24 °C) | ||
| (Set temperature) | |||
| Heating (Set temperature) | Dec. 2019 to Feb. 2020 (22 °C) Mar. 2020 to May 2020 (24 °C) | ||
| Type | Product | Accuracy | Resolution | Range | Response Time | |
|---|---|---|---|---|---|---|
| Temperature/humidity combined sensor | Temperature | AOSON GAM2320 | ±0.5 °C | 0.1 °C | from −40 to 80 °C | <5 s |
| Humidity | ±0.3% RH | 0.1% RH | max | <5 s | ||
| 99.9% RH | ||||||
| Hemispherical solar radiation sensor | Hukseflux SR05 series | 10% (daily) 20% (hourly) | 0.2 W/m2 | from 0 to 2000 W/m2 | 18 s | |
| Power sensor | Namjun Co., Ltd. NJ12-210-GEN | ±2% | 0.2 W | Single phase 2-wire type | ||
| Window | Visible Light (%) | Solar Radiation (%) | SC/ SHGC | U-Value (W/m2·K) | ||
|---|---|---|---|---|---|---|
| Transmittance | Reflectance | Transmittance | Reflectance | KS | ||
| Exterior/ Interior | Exterior/ Interior | Winter | ||||
| CC44.2 (4CL + 0.76PVB + 4CL) + 12Ar + 5PLAONE /114A/ 5CL + 16Ar + 5PLAONE | 51 | 32/34 | 23 | 33/47 | 0.37/0.32 1 | 0.47 |
| Category | Description |
|---|---|
| Control communication standard | Digital Audio signal (I2S), DAC |
| Input Voltage | 24–48 Vdc |
| Output Voltage | 15 Vdc → 280 Vac |
| Output Wave | 60 Hz Sin-wave |
| Transformer | from 15 to 280 V |
| Ext. Driver IF | 1 UART port |
| Parameter | Unit | Value | |
|---|---|---|---|
| Heat pump in testbed/heat pump with one-speed operation in simulation | Rated total cooling capacity | W | 2500 |
| Rated cooling power | W | 770 | |
| Rated total heating capacity | W | 3200 | |
| Rated heating power | W | 860 | |
| Rated air flow rate | CMH | 1200 | |
| Heat pump with two-speed operation in simulation | Rated total cooling capacity (low/high) | W | 1388.9/2500 |
| Rated cooling power (low/high) | W | 296/770 | |
| Rated total heating capacity (low/high) | W | 1684.2/3200 | |
| Rated heating power (low/high) | W | 344/860 | |
| Rated air flow rate | CMH | 1200 | |
| Month | 11 | 12 | 1 | 2 | 3 | 4 | 5 | 6 | 7 | 8 |
| Days | 20 | 24 | 25 | 26 | 21 | 23 | 20 | 22 | 23 | 29 |
| Element | SPD | Non-SPD | |
|---|---|---|---|
| Weather data | Anseong | ||
| TMY2 Seoul | |||
| Size | Floor area | 1444 m2 | |
| Number of floors | 1 (Middle floor) | ||
| Shape | Plane | Rectangle | |
| Aspect ratio | 1:01 | ||
| Orientation | South | ||
| Core | Eccentric (424.8 m2) | ||
| Section | Standard floor height | 3.9 m | |
| Ceiling height | 2.7 m | ||
| Window area ratio | 38.70% | ||
| U-value (W/m2·K) | External wall | 0.22 | |
| Floor/ceiling | 3.39 | ||
| Surface resistance (m2·K/W) | Wall | Interior: 0.11; Exterior: 0.043 | |
| Floor/ceiling | Interior: 0.086; Exterior: 0.043 | ||
| Window | U-value of glazing /glazing + frame | 1.47/1.01 | |
| SHGC | 0.11 (Power OFF) ~0.3 (Power max) | 0.5 | |
| Infiltration | 0.3 ACH | ||
| Ventilation | Max | 0.57CMM/person Ventilation control in proportion to the number of occupants | |
| Internal heat | Occupancy | 0.2 person/m2 | |
| Light | 6 W/m2 | ||
| Equipment | 0 | ||
| Schedule | Occupancy | 08:00–19:00 (Monday to Friday) | |
| Cooling (Set temperature) | Anseong: November 2019, June 2020 to August 2020 (26 °C) TMY2: June to August (26 °C) | ||
| Heating (Set temperature) | Anseong: December 2019 to May 2020 (18 °C) TMY2: Jan. to May, Dec. (18 °C) | ||
| Area | Parameter | Unit | Value |
|---|---|---|---|
| 273.9 m2 | Rated total cooling capacity (low/high) | kW | 15.0/29.0 |
| Rated cooling power (low/high) | kW | 4.6/11.5 | |
| Rated total heating capacity (low/high) | kW | 17.0/33.0 | |
| Rated heating power (low/high) | kW | 4.7/12.5 | |
| Rated air flow rate | CMH | 4680 | |
| Rated indoor fan power | W | 380 | |
| Rated outdoor fan power | W | 400 | |
| 191.4 m2 | Rated total cooling capacity (low/high) | kW | 11.0/21.0 |
| Rated cooling power (low/high) | kW | 3.3/7.7 | |
| Rated total heating capacity (low/high) | kW | 12.0/24.0 | |
| Rated heating power (low/high) | kW | 4.1/7.85 | |
| Rated air flow rate | CMH | 3840 | |
| Rated indoor fan power | W | 200 | |
| Rated outdoor fan power | W | 400 |
| Cooling | Sensible effectiveness | 0.7 |
| Latent effectiveness | 0.35 | |
| Heating | Sensible effectiveness | 0.79 |
| Latent effectiveness | 0.56 |
| Category | Cooling (kWh) | Heating (kWh) | Total (kWh) | |
|---|---|---|---|---|
| Testbed | 101.0 | 248.3 | 349.2 | |
| Simulation (RMSE) | Case 1 | 99.2 (18.8%) | 200.8 (26.1%) | 299.9 (25.0%) |
| Case 2 | 151.5 (39.0%) | 183.3 (37.5%) | 334.8 (38.2%) | |
| Case 3 | 100.0 (11.9%) | 246.0 (3.8%) | 346.0 (6.4%) | |
| Weather Data | Parameter | Model | Cooling | Heating | Total | |
|---|---|---|---|---|---|---|
| Anseong | Non-SPD | 6605.5 | 3483.7 | 10,089.2 | ||
| SPD | 5301.3 | 4222.2 | 9523.5 | |||
| Variation | −19.7% | 21.2% | −5.6% | |||
| TMY2 SEOUL | Non-SPD | 6147.7 | 7768.5 | 13,916.2 | ||
| Standard | SPD | 4355.8 | 8994.2 | 13,349.9 | ||
| (SWEN + 0.11–0.3) | Variation | −29.1% | 15.8% | 4.1% | ||
| Orientations of windows with SPD applied | SWE | SPD | 4477.8 | 8944.8 | 13,422.6 | |
| Variation | −27.2% | 15.1% | −3.5% | |||
| SEN | SPD | 4928 | 8722.5 | 13,650.5 | ||
| Variation | −19.8% | 12.3% | −1.0% | |||
| SWN | SPD | 4864.2 | 8716.9 | 13,581.1 | ||
| Variation | −20.9% | 12.2% | −2.4% | |||
| Controllable SHGC range | 0.11–0.35 | SPD | 4467.1 | 8705.4 | 13,172.5 | |
| Variation | −27.3% | 12.1% | −5.3% | |||
| 0.11–0.4 | SPD | 4577.4 | 8420.9 | 12,998.3 | ||
| Variation | −25.5% | 8.4% | −6.6% | |||
| 0.11–0.45 | SPD | 4688.7 | 8137.9 | 12,826.6 | ||
| Variation | −23.7% | 4.8% | −7.8% | |||
Publisher’s Note: MDPI stays neutral with regard to jurisdictional claims in published maps and institutional affiliations. |
© 2020 by the authors. Licensee MDPI, Basel, Switzerland. This article is an open access article distributed under the terms and conditions of the Creative Commons Attribution (CC BY) license (http://creativecommons.org/licenses/by/4.0/).
Share and Cite
Ko, Y.; Oh, H.; Hong, H.; Min, J. Energy Consumption Verification of SPD Smart Window, Controllable According to Solar Radiation in South Korea. Energies 2020, 13, 5643. https://doi.org/10.3390/en13215643
Ko Y, Oh H, Hong H, Min J. Energy Consumption Verification of SPD Smart Window, Controllable According to Solar Radiation in South Korea. Energies. 2020; 13(21):5643. https://doi.org/10.3390/en13215643
Chicago/Turabian StyleKo, Yujin, Hyogeun Oh, Hiki Hong, and Joonki Min. 2020. "Energy Consumption Verification of SPD Smart Window, Controllable According to Solar Radiation in South Korea" Energies 13, no. 21: 5643. https://doi.org/10.3390/en13215643
APA StyleKo, Y., Oh, H., Hong, H., & Min, J. (2020). Energy Consumption Verification of SPD Smart Window, Controllable According to Solar Radiation in South Korea. Energies, 13(21), 5643. https://doi.org/10.3390/en13215643

