An Organic Rankine Cycle Bottoming a Diesel Engine Powered Passenger Car
Abstract
1. Introduction
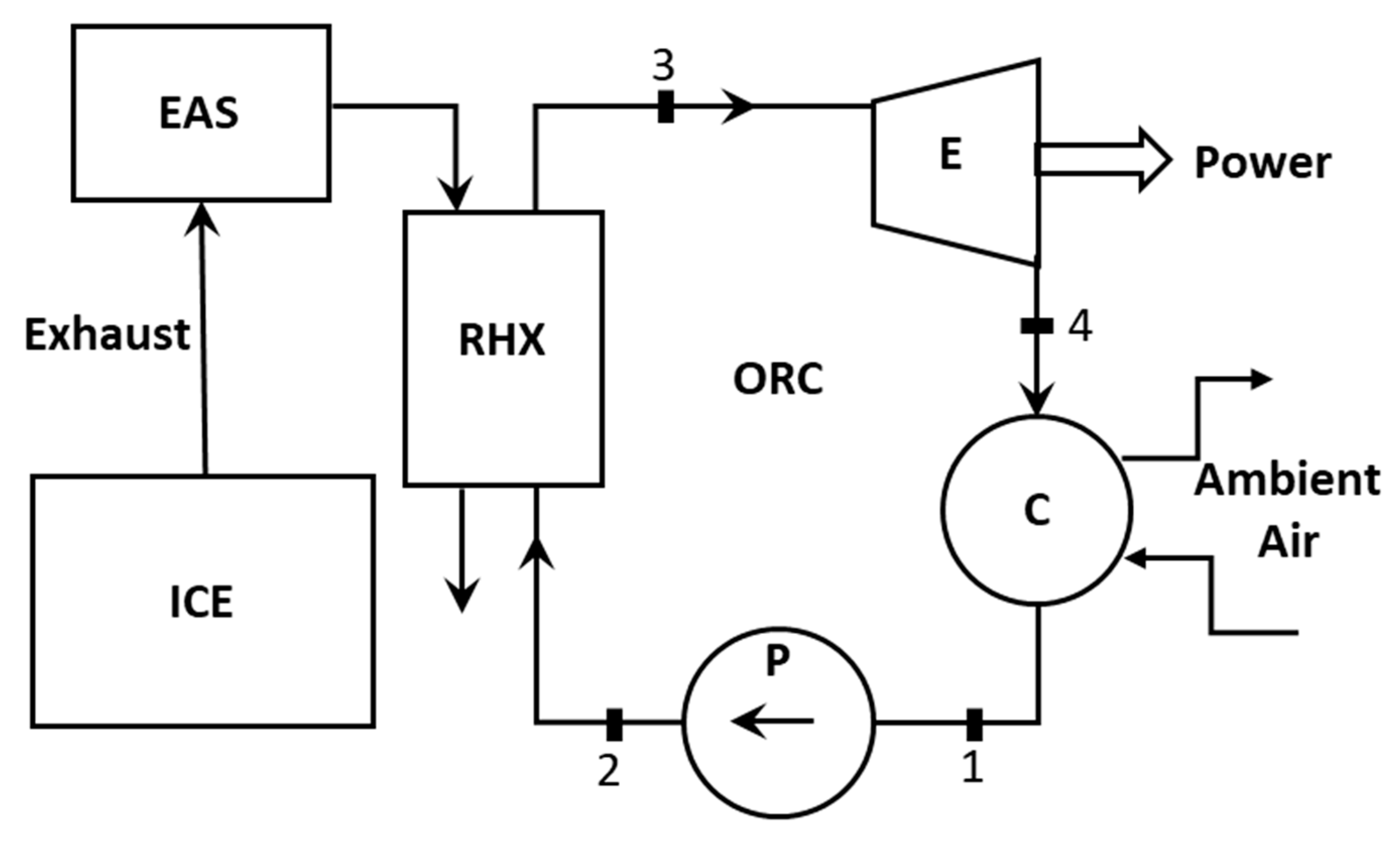
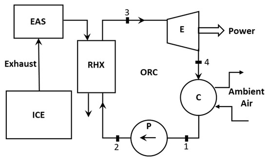
2. Modelling and Analysis
3. Results and Discussion
3.1. Working Fluid Comparison
3.2. ORC Performance with R601
4. Conclusions
Author Contributions
Funding
Conflicts of Interest
Nomenclature
| A | Area (m2) |
| cp | Specific Heat (kJ/(kg K)) |
| EAS | Exhaust After-treatment System |
| ECU | Engine Control Unit |
| eng | Engine |
| ICE | Internal Combustion Engine |
| mfr | Mass flow rate (kg/s) |
| n | Engine rotational speed (rpm) |
| ORC | Organic Rankine Cycle |
| p | Pressure (bar) |
| PORC | ORC Recovered Power (kW) |
| Psh | Shaft Engine Power (kW) |
| RDE | Real Driving Emission |
| RHX | Recovery Heat Exchanger |
| T | Temperature (K), Torque (Nm) |
| t | Time (s) |
| ttot | Test cycle duration (s) |
| SI | Spark ignition |
| U | Overall heat transfer coefficient (W m−2 K−1) |
| v | Vehicle speed (km/h) |
| Greek symbols | |
| ηeng | Engine Efficiency (-) |
| ηORC | ORC Efficiency (-) |
| τ | t/ttot × 100 Percent residence time (%) |
References
- Kyoto Protocol. Available online: https://unfccc.int/resource/docs/convkp/kpeng.pdf (accessed on 6 December 2019).
- Regulation (EC) No 443/2009 of the European Parliament and of the Council of 23 April 2009 setting emission performance standards for new passenger cars as part of the community’s integrated approach to reduce CO2 emissions from light-duty vehicles. Off. J. Eur. Union 2009. Available online: https://eur-lex.europa.eu/legal-content/EN/TXT/?uri=CELEX%3A32009R0443 (accessed on 6 December 2019).
- Oil and Petroleum Products—A Statistical Overview. Available online: https://ec.europa.eu/eurostat/statistics-explained/index.php?title=Oil_and_petroleum_products_-_a_statistical_overview&oldid=404136 (accessed on 12 November 2019).
- Heywood, J. Internal Combustion Engine Fundamentals; Mc Graw-Hill: New York, NY, USA, 1989. [Google Scholar]
- Stuhldreher, M.; Kargul, J.; Barba, D.; McDonald, J.; Bohac, S.; Dekraker, P.; Moskalik, A. Benchmarking a 2016 Honda Civic 1.5-Liter L15B7 Turbocharged Engine and Evaluating the Future Efficiency Potential of Turbocharged Engines. SAE Int. J. Engines 2018, 11, 1273–1305. [Google Scholar] [CrossRef] [PubMed]
- Lion, S.; Michos, C.N.; Vlaskos, I.; Taccani, R. A thermodynamic feasibility study of an Organic Rankine Cycle (ORC) for heavy-duty diesel engine waste heat recovery in off-highway applications. Int. J. Energy Environ. Eng. 2017, 8, 81–98. [Google Scholar] [CrossRef]
- Lion, S.; Michos, C.N.; Vlaskos, I.; Rouaud, C.; Taccani, R. A review of waste heat recovery and Organic Rankine Cycles (ORC) in on-off highway vehicle Heavy Duty Diesel Engine applications. Renew. Sustain. Energy Rev. 2017, 79, 691–708. [Google Scholar] [CrossRef]
- Dai, Y.; Wang, J.; Gao, L. Parametric optimization and comparative study of organic Rankine cycle (ORC) for low grade waste heat recovery. Energy Convers. Manag. 2009, 50, 576–582. [Google Scholar] [CrossRef]
- Nazari, N.; Heidarnejad, P.; Porkhial, S. Multi-objective optimization of a combined steam-organic Rankine cycle based on exergy and exergo-economic analysis for waste heat recovery application. Energy Convers. Manag. 2016, 127, 366–379. [Google Scholar] [CrossRef]
- Xu, B.; Rathod, D.; Yebi, A.; Filipi, Z. A comparative analysis of real-time power optimization for organic Rankine cycle waste heat recovery systems. Appl. Therm. Eng. 2020, 164, 114442. [Google Scholar] [CrossRef]
- Chen, H.; Goswami, D.Y.; Stefanakos, E.K. A review of thermodynamic cycles and working fluids for the conversion of low-grade heat. Renew. Sustain. Energy Rev. 2010, 14, 3059–3067. [Google Scholar] [CrossRef]
- Maizza, V.; Maizza, A. Unconventional working fluids in organic Rankine-cycles for waste energy recovery systems. Appl. Therm. Eng. 2001, 21, 381–390. [Google Scholar] [CrossRef]
- NFPA. Available online: https://www.nfpa.org/ (accessed on 28 August 2019).
- EPA Greenhouse Gas Emissions. Available online: https://www.epa.gov/ghgemissions/understanding-global-warming-potentials (accessed on 30 September 2019).
- Hountalas, D.T.; Mavropoulos, G.C.; Katsanos, C.; Knecht, W. Improvement of bottoming cycle efficiency and heat rejection for HD truck applications by utilization of EGR and CAC heat. Energy Convers. Manag. 2012, 53, 19–32. [Google Scholar] [CrossRef]
- Valencia, G.; Fontalvo, A.; Cárdenas, Y.; Duarte, J.; Isaza, C. Energy and exergy analysis of different exhaust waste heat recovery systems for natural gas engine based on ORC. Energies 2019, 12, 2378. [Google Scholar] [CrossRef]
- Michos, C.N.; Lion, S.; Vlaskos, I.; Taccani, R. Analysis of the backpressure effect of an Organic Rankine Cycle (ORC) evaporator on the exhaust line of a turbocharged heavy duty diesel power generator for marine applications. Energy Convers. Manag. 2017, 132, 347–360. [Google Scholar] [CrossRef]
- Mariani, A.; Morrone, B.; Unich, A. Numerical evaluation of internal combustion spark ignition engines performance fuelled with hydrogen—Natural gas blends. Int. J. Hydrogen Energy 2012, 37, 2644–2654. [Google Scholar] [CrossRef]
- He, C.; Liu, C.; Gao, H.; Xie, H.; Li, Y.; Wu, S.; Xu, J. The optimal evaporation temperature and working fluids for subcritical organic Rankine cycle. Energy 2012, 38, 136–143. [Google Scholar] [CrossRef]
- Bao, J.; Zhao, L. A review of working fluid and expander selections for organic Rankine cycle. Renew. Sustain. Energy Rev. 2013, 24, 325–342. [Google Scholar] [CrossRef]
- ASHRAE Update on New Refrigerants Designations and Safety Classifications. Available online: https://www.ashrae.org/technical-resources/standards-and-guidelines/ashrae-refrigerant-designations (accessed on 12 November 2019).
- Glavatskaya, Y.; Podevin, P.; Lemort, V.; Shonda, O.; Descombes, G. Reciprocating expander for an exhaust heat recovery rankine cycle for a passenger car application. Energies 2012, 5, 1751–1765. [Google Scholar] [CrossRef]
- Mastrullo, R.; Mauro, A.W.; Revellin, R.; Viscito, L. Modeling and optimization of a shell and louvered fin mini-tubes heat exchanger in an ORC powered by an internal combustion engine. Energy Convers. Manag. 2015, 101, 697–712. [Google Scholar] [CrossRef]
- Declaye, S.; Quoilin, S.; Guillaume, L.; Lemort, V. Experimental study on an open-drive scroll expander integrated into an ORC (Organic Rankine Cycle) system with R245fa as working fluid. Energy 2013, 55, 173–183. [Google Scholar] [CrossRef]
- Katsanos, C.O.; Hountalas, D.T.; Pariotis, E.G. Thermodynamic analysis of a Rankine cycle applied on a diesel truck engine using steam and organic medium. Energy Convers. Manag. 2012, 60, 68–76. [Google Scholar] [CrossRef]
- Leino, M. Process Simulation Unit Operation Models—Review of Open and Hsc Chemistry I/O Interfaces; Tampere University of Technology: Tampere, Finland, 2016. [Google Scholar]
- DWSIM. Available online: http://dwsim.inforside.com.br/wiki/index.php?title=DWSIM (accessed on 12 November 2019).
- Bell, I.H.; Wronski, J.; Quoilin, S.; Lemort, V. Pure and pseudo-pure fluid thermophysical property evaluation and the open-source thermophysical property library coolprop. Ind. Eng. Chem. Res. 2014, 53, 2498–2508. [Google Scholar] [CrossRef] [PubMed]














| Engine type | 4-stroke turbocharged Diesel |
| Rated power | 202 kW at 4000 rpm |
| Rated torque | 600 Nm at 2200 rpm |
| Vehicle mass | 2800 kg |
| Aerodynamic resistance coefficient | 0.36 |
| Frontal area | 4.17 m2 |
| Rolling resistance coefficient | 0.01 |
| Grid Point | n (rpm) | Teng (N m) | τ (%) | Tex (°C) | mfrex (kg h−1) |
|---|---|---|---|---|---|
| 1 | 750 | 0 | 17.9 | 182 | 40 |
| 2 | 750 | 60 | 12.4 | 190 | 78 |
| 3 | 750 | 185 | 5.6 | 201 | 88 |
| 4 | 750 | 310 | 0.8 | 207 | 92 |
| 5 | 1500 | 60 | 24.8 | 207 | 117 |
| 6 | 1500 | 185 | 19.8 | 242 | 147 |
| 7 | 1500 | 310 | 5.4 | 266 | 184 |
| 8 | 2250 | 60 | 4.1 | 243 | 174 |
| 9 | 2250 | 185 | 6.5 | 263 | 206 |
| 10 | 2250 | 310 | 2.7 | 279 | 222 |
| Fluid | Tcr (K) | pcr (Bar) | hevap1 (kJ kg−1) | Tsat1 (K) |
|---|---|---|---|---|
| R601 | 469.7 | 33.70 | 357.6 | 309.1 |
| R134a | 374.2 | 40.59 | 216.9 | 247.2 |
| Fluid | T1 (K) | P1 (Bar) | P2 (Bar) |
|---|---|---|---|
| R601 | 314 | 1.2 | 6.2–21.2 |
| R134a | 314 | 10.4 | 15.4–30.4 |
© 2020 by the authors. Licensee MDPI, Basel, Switzerland. This article is an open access article distributed under the terms and conditions of the Creative Commons Attribution (CC BY) license (http://creativecommons.org/licenses/by/4.0/).
Share and Cite
Mariani, A.; Mastellone, M.L.; Morrone, B.; Prati, M.V.; Unich, A. An Organic Rankine Cycle Bottoming a Diesel Engine Powered Passenger Car. Energies 2020, 13, 314. https://doi.org/10.3390/en13020314
Mariani A, Mastellone ML, Morrone B, Prati MV, Unich A. An Organic Rankine Cycle Bottoming a Diesel Engine Powered Passenger Car. Energies. 2020; 13(2):314. https://doi.org/10.3390/en13020314
Chicago/Turabian StyleMariani, Antonio, Maria Laura Mastellone, Biagio Morrone, Maria Vittoria Prati, and Andrea Unich. 2020. "An Organic Rankine Cycle Bottoming a Diesel Engine Powered Passenger Car" Energies 13, no. 2: 314. https://doi.org/10.3390/en13020314
APA StyleMariani, A., Mastellone, M. L., Morrone, B., Prati, M. V., & Unich, A. (2020). An Organic Rankine Cycle Bottoming a Diesel Engine Powered Passenger Car. Energies, 13(2), 314. https://doi.org/10.3390/en13020314

