Off-Grid System Configurations for Coordinated Control of Renewable Energy Sources
Abstract
1. Introduction
2. Off-Grid Configurations
2.1. Off-Grid Configurations Having Two DESs
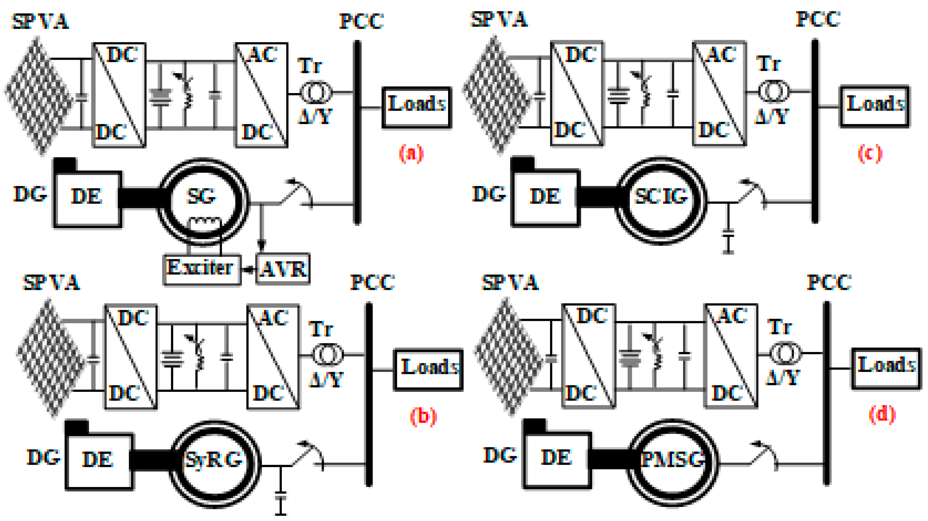
2.1.1. Off-Grid Configurations Having SPVA and DG
2.1.2. Off-Grid Configurations Having DG and MHP
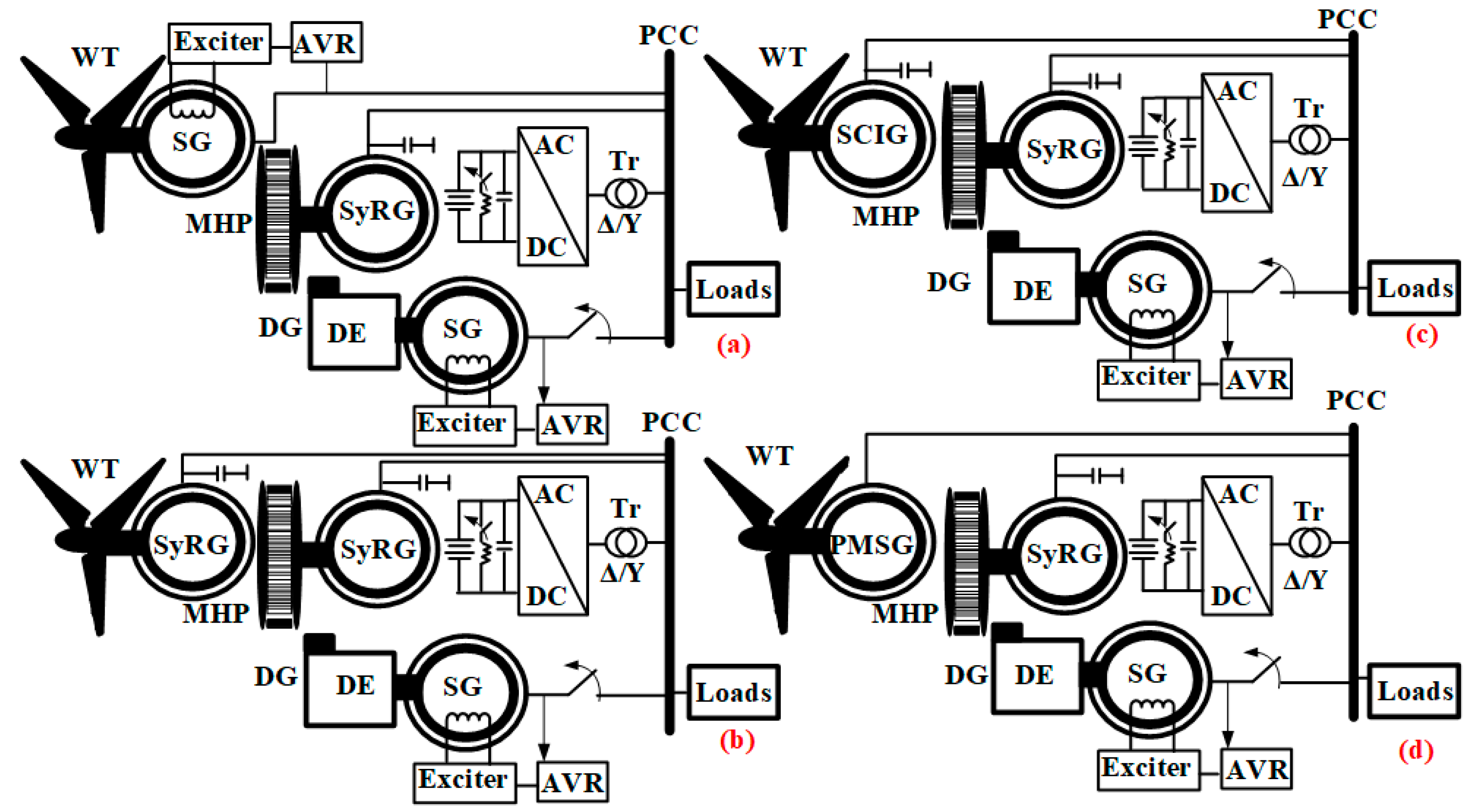
2.1.3. Off-Grid Configurations Having DG and WT
2.2. Off-Grid Configurations Having Three DESs
2.2.1. Configurations Having SPVA, WT, and DG
2.2.2. Configurations Having WT, MHP, and DG
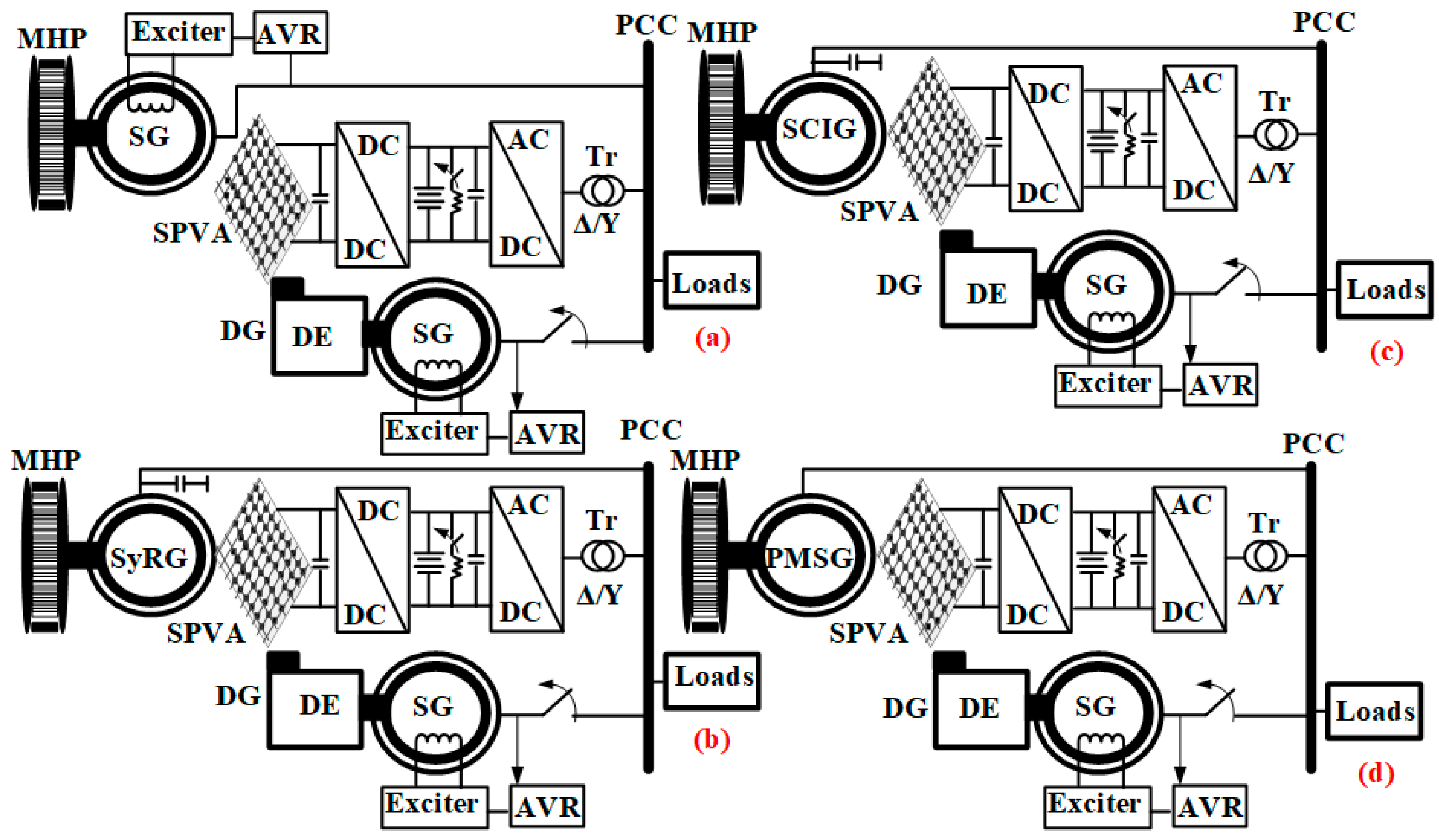
2.2.3. Configurations Having SPVA, DG, and MHP
2.3. Off-Grid Configurations Having Four DESs
3. Control Approaches for Off-Grid Systems
3.1. Control for Boost Converter of SPVA
3.2. Control for DC Dump Load
3.3. Control Approach for DG Selector Switch
3.4. Control for Interfacing Inverter
3.5. Control for BES
4. Results and Discussion
4.1. Performance of Off-Grid Configuration Based on SPVA, DG, and WT
4.2. Performance of Off-Grid Configuration Based on SPVA and DG
5. Potential Applications
6. Conclusions
Author Contributions
Funding
Conflicts of Interest
Abbreviations
| DERs | Distributed energy resources |
| NERS | Natural energy resources |
| DGs | Diesel generators |
| DESs | Distributed Energy sources |
| BES | Battery energy storage |
| SPVA | Solar photovoltaic arrays |
| DC | Direct current |
| AC | Alternative current |
| PCC | Point of common coupling |
| WT | Wind turbine |
| MHP | Micro-hydropower |
| MPPT | Maximum power point tracking |
| P&O | Perturb and observe technique |
| V/f | Control voltage/frequency |
| SyRG | Synchronous reluctance generator |
| PMSG | Permanent magnet synchronous generator |
| SG | Synchronous generator |
| SCIG | Squirrel cage induction generator |
| DEs | Diesel engines |
| AVR | Automatic voltage regulator |
| STATCOM | Static compensator |
| vout | Boost converter output voltage, V |
| vpv | Boost converter input voltage, V |
| iL | Inductor current, A |
| d | Control signal |
| deq | Equivalent control signal |
| impv | Reference maximum current, A |
| SOC% | State of charge of battery |
| PL | Load power demand, W |
| PRESs | Generated power from renewable energy sources, W |
| VPDG | Amplitudes of DG terminal voltage, V |
| Vp | Amplitudes of PCC voltage, V |
| θ | Phase angles of the PCC voltage, rad |
| θDG | Phase angles of DG voltage, rad |
| EPLL | Enhanced phased locked loop |
| AWPRC | Proportional resonant with anti-windup feedback |
| AWPI | Proportional integral with anti-windup feedback |
| d1(abc) | Control signals generated by the first level of coordinated control |
| d2(abc) | Control signal generated by the second level of coordinated control |
| PWT | Generated power from wind turbine, W |
| PDG | Generated power from diesel generator, W |
| PMHP | Generated power from micro-hydropower, W |
| fs | System frequency, Hz |
| Vabc* | PCC reference voltages, V |
| Vabc | Sensed PCC voltages, V |
| ic(abc)* | Reference RC output filter current, A |
| iL(abc) | Sensed load current, A |
| iinv(abc) | Sensed output inverter currents, A |
| Q* | Reactive load reference power, Var |
| QL | Reactive load power, Var |
| Vα, Vβ | PCC voltage in -β transformation |
| iLα, iLβ | Load currents in -β transformation |
| P* | Reference active load power, W |
| Ploss | Active power loss, W |
| PL | Active load power, W |
| Pbat | Battery power, W |
| isα*, isβ* | Estimated source currents reference in α-β transformation |
| isa*, isb*, and isc* | Estimated source currents in the natural reference frame |
| iexc | Excitation current in the synchronous generator, A |
References
- The true Cost of Providing Energy to Telecom Towers in India. Available online: https://telecom.economictimes.indiatimes.com (accessed on 1 May 2020).
- The First Canadian Smart Remote Microgrid. Available online: https://www.nrcan.gc.ca (accessed on 1 May 2020).
- Peña, R.; Cárdenas, R.; Proboste, J.; Clare, J.; Asher, G. Wind–Diesel Generation Using Doubly Fed Induction Machines. IEEE Trans. Energy Convers. 2008, 23, 202–214. [Google Scholar] [CrossRef]
- Gan, L.K.; Shek, J.K.; Mueller, M.A. Hybrid wind–photovoltaic–diesel–battery system sizing tool development using empirical approach, life-cycle cost and performance analysis: A case study in Scotland. Energy Convers. Manag. 2015, 106, 479–494. [Google Scholar] [CrossRef]
- Yamegueu, D.; Azoumah, Y.; Py, X. Experimental and economical study of sustainable electricity generation by solar PV/diesel hybrid systems without storage for off grid areas. Energy Sustain. III 2011, 143, 37–49. [Google Scholar] [CrossRef]
- Giannoutsos, S.V.; Manias, S.N. Development of an integrated energy efficiency control system for ship power balance and diesel generator fuel consumption optimization. In Proceedings of the 2013 IEEE Industry Applications Society Annual Meeting, Lake Buena Vista, FL, USA, 6–11 October 2013; pp. 1–11. [Google Scholar]
- Bhandari, Y.; Chalise, S.; Sternhagen, J.; Tonkoski, R. Reducing fuel consumption in microgrids using PV, batteries, and generator cycling. In Proceedings of the IEEE International Conference on Electro-Information Technology, EIT 2013, Rapid City, SD, USA, 9–11 May 2013; pp. 1–4. [Google Scholar]
- Gharibi, M.; Askarzadeh, A. Technical and economical bi-objective design of a grid-connected photovoltaic/diesel generator/fuel cell energy system. Sustain. Cities Soc. 2019, 50, 101575. [Google Scholar] [CrossRef]
- Arkhangelski, J.; Siano, P.; Mahamadou, A.-T.; Lefebvre, G. Evaluating the Economic Benefits of a Smart-Community Microgrid with Centralized Electrical Storage and Photovoltaic Systems. Energies 2020, 13, 1764. [Google Scholar] [CrossRef]
- Cecilia, A.; Carroquino, J.; Roda, V.; Costa-Castelló, R.; Barreras, F. Optimal Energy Management in a Standalone Microgrid, with Photovoltaic Generation, Short-Term Storage, and Hydrogen Production. Energies 2020, 13, 1454. [Google Scholar] [CrossRef]
- Thankappan, A.T.; Simon, S.P.; Nayak, P.S.R.; Sundareswaran, K.; Padhy, N. Pico-hydel hybrid power generation system with an open well energy storage. IET Gener. Transm. Distrib. 2017, 11, 740–749. [Google Scholar] [CrossRef]
- Benhalima, S.; Miloud, R.; Chandra, A. Real-Time Implementation of Robust Control Strategies Based on Sliding Mode Control for Standalone Microgrids Supplying Non-Linear Loads. Energies 2018, 11, 2590. [Google Scholar] [CrossRef]
- Zhu, Y.; Wang, Z.; Liu, Y.; Wang, H.; Tai, N.; Jiang, X. Optimal Control of Microgrid Operation Based on Fuzzy Sliding Mode Droop Control. Energies 2019, 12, 3600. [Google Scholar] [CrossRef]
- Yan, X.; Cui, Y.; Cui, S. Control Method of Parallel Inverters with Self-Synchronizing Characteristics in Distributed Microgrid. Energies 2019, 12, 3871. [Google Scholar] [CrossRef]
- Toub, M.; Bijaieh, M.M.; Weaver, W.W.; Iii, R.D.R.; Maaroufi, M.; Aniba, G.; Robinett, R.D. Droop Control in DQ Coordinates for Fixed Frequency Inverter-Based AC Microgrids. Electronics 2019, 8, 1168. [Google Scholar] [CrossRef]
- Nguyen, T.-T.; Yoo, H.-J.; Bui, V.-H. A Droop Frequency Control for Maintaining Different Frequency Qualities in a Stand-Alone Multimicrogrid System. IEEE Trans. Sustain. Energy 2018, 9, 599–609. [Google Scholar] [CrossRef]
- Li, D.; Zhao, B.; Wu, Z.; Zhang, X.; Zhang, L. An Improved Droop Control Strategy for Low-Voltage Microgrids Based on Distributed Secondary Power Optimization Control. Energies 2017, 10, 1347. [Google Scholar] [CrossRef]
- Lyu, Z.; Yang, X.; Zhang, Y.; Zhao, J. Bi-Level Optimal Strategy of Islanded Multi-Microgrid Systems Based on Optimal Power Flow and Consensus Algorithm. Energies 2020, 13, 1537. [Google Scholar] [CrossRef]
- Zhao, Z.; Zhang, J.; He, Y.; Zhang, Y.; Liu, M. Island DC Microgrid Hierarchical Coordinated Multi-Mode Control Strategy. Energies 2019, 12, 3012. [Google Scholar] [CrossRef]
- Yuan, C.; Haj-Ahmed, M.A.; Illindala, M.S. Protection Strategies for Medium Voltage Direct Current Microgrid at a Remote Area Mine Site. IEEE Trans. Ind. Appl. 2015, 51, 1. [Google Scholar] [CrossRef]
- Hatziargyriou, N. Microgrids: Architectures and Control; John Wiley & Sons: Hoboken, NJ, USA, 2014. [Google Scholar]
- Yao, L.; Hou, X.; Wang, X.; Lin, C.; Guerrero, J.M. A Coordinated Control for Photovoltaic Generators and Energy Storages in Low-Voltage AC/DC Hybrid Microgrids under Islanded Mode. Energies 2016, 9, 651. [Google Scholar] [CrossRef]
- Worku, M.Y.; Hassan, M.A.M.; Abido, M.A. Real Time Energy Management and Control of Renewable Energy based Microgrid in Grid Connected and Island Modes. Energies 2019, 12, 276. [Google Scholar] [CrossRef]
- Kumar, D.; Zare, F.; Ghosh, A. DC Microgrid Technology: System Architectures, AC Grid Interfaces, Grounding Schemes, Power Quality, Communication Networks, Applications, and Standardizations Aspects. IEEE Access 2017, 5, 12230–12256. [Google Scholar] [CrossRef]
- Xia, Y.; Peng, Y.; Yang, P.; Yu, M.; Wei, W. Distributed Coordination Control for Multiple Bidirectional Power Converters in a Hybrid AC/DC Microgrid. IEEE Trans. Power Electron. 2017, 32, 4949–4959. [Google Scholar] [CrossRef]
- Shahparasti, M.; Mohamadian, M.; Teimourzadeh-Baboli, P.; Yazdianp, A. Toward Power Quality Management in Hybrid AC-DC Microgrid Using LTC-L Utility Interactive Inverter: Load Voltage-Grid Current Tradeoff. IEEE Trans. Smart Grid 2015, 8, 1–11. [Google Scholar] [CrossRef]
- Battistelli, C.; Agalgaonkar, Y.; Pal, B.C. Probabilistic Dispatch of Remote Hybrid Microgrids Including Battery Storage and Load Management. IEEE Trans. Smart Grid 2017, 8, 1305–1317. [Google Scholar] [CrossRef]
- Loh, P.C.; Li, D.; Chai, Y.K.; Blaabjerg, F. Autonomous Operation of Hybrid Microgrid With AC and DC Subgrids. IEEE Trans. Power Electron. 2012, 28, 2214–2223. [Google Scholar] [CrossRef]
- Lu, X.; Guerrero, J.M.; Sun, K.; Vasquez, J.C.; Teodorescu, R.; Huang, L. Hierarchical Control of Parallel AC-DC Converter Interfaces for Hybrid Microgrids. IEEE Trans. Smart Grid 2013, 5, 683–692. [Google Scholar] [CrossRef]
- Nejabatkhah, F.; Li, Y. Overview of Power Management Strategies of Hybrid AC/DC Microgrid. IEEE Trans. Power Electron. 2014, 30, 7072–7089. [Google Scholar] [CrossRef]
- Thale, S.; Wandhare, R.G.; Agarwal, V. A Novel Reconfigurable Microgrid Architecture With Renewable Energy Sources and Storage. IEEE Trans. Ind. Appl. 2014, 51, 1805–1816. [Google Scholar] [CrossRef]
- Beykverdi, M.; Jalilvand, A.; Ehsan, M. Cooperative Energy Management of Hybrid DC Renewable Grid Using Decentralized Control Strategies. Energies 2016, 9, 859. [Google Scholar] [CrossRef]
- Liu, Y.; Li, Y.; Liang, H.; He, J.; Cui, H. Energy Routing Control Strategy for Integrated Microgrids Including Photovoltaic, Battery-Energy Storage and Electric Vehicles. Energies 2019, 12, 302. [Google Scholar] [CrossRef]
- Chen, M.; Ma, S.; Wan, H.; Wu, J.; Jiang, Y. Distributed Control Strategy for DC Microgrids of Photovoltaic Energy Storage Systems in Off-Grid Operation. Energies 2018, 11, 2637. [Google Scholar] [CrossRef]
- Subudhi, B.; Pradhan, R. A Comparative Study on Maximum Power Point Tracking Techniques for Photovoltaic Power Systems. IEEE Trans. Sustain. Energy 2012, 4, 89–98. [Google Scholar] [CrossRef]
- Chen, P.-C.; Chen, P.-Y.; Liu, Y.-H.; Chen, J.-H.; Luo, Y.-F. A comparative study on maximum power point tracking techniques for photovoltaic generation systems operating under fast changing environments. Sol. Energy 2015, 119, 261–276. [Google Scholar] [CrossRef]
- Ahmed, J.; Salam, Z. A Modified P&O Maximum Power Point Tracking Method With Reduced Steady-State Oscillation and Improved Tracking Efficiency. IEEE Trans. Sustain. Energy 2016, 7, 1506–1515. [Google Scholar] [CrossRef]
- Rezkallah, M.; Hamadi, A.; Chandra, A.; Singh, B.P.; Hamadi, A. Design and Implementation of Active Power Control With Improved P&O Method for Wind-PV-Battery-Based Standalone Generation System. IEEE Trans. Ind. Electron. 2017, 65, 5590–5600. [Google Scholar] [CrossRef]
- Zhao, H.; Hong, M.; Lin, W.; Loparo, K.A. Voltage and Frequency Regulation of Microgrid With Battery Energy Storage Systems. IEEE Trans. Smart Grid 2017, 10, 414–424. [Google Scholar] [CrossRef]
- Peyghami-Akhuleh, S.; Mokhtari, H.; Loh, P.C.; Davari, P.; Blaabjerg, F. Distributed Primary and Secondary Power Sharing in a Droop-Controlled LVDC Microgrid With Merged AC and DC Characteristics. IEEE Trans. Smart Grid. 2018, 9, 2284–2294. [Google Scholar] [CrossRef]
- Scherer, L.G.; De Camargo, R.F.; Tambara, R.V. Voltage and frequency regulation of standalone self-excited induction generator for micro-hydro power generation using discrete-time adaptive control. IET Renew. Power Gener. 2016, 10, 531–540. [Google Scholar] [CrossRef]
- Yoshida, Y.; Farzaneh, H. Optimal Design of a Stand-Alone Residential Hybrid Microgrid System for Enhancing Renewable Energy Deployment in Japan. Energies 2020, 13, 1737. [Google Scholar] [CrossRef]
- Petersen, L.; Iov, F.; Tarnowski, G.C. A Model-Based Design Approach for Stability Assessment, Control Tuning and Verification in Off-Grid Hybrid Power Plants. Energies 2019, 13, 49. [Google Scholar] [CrossRef]
- Yu, Z.; Ai, Q.; He, X.; Piao, L. Adaptive Droop Control for Microgrids Based on the Synergetic Control of Multi-Agent Systems. Energies 2016, 9, 1057. [Google Scholar] [CrossRef]
- Zhang, J.; Li, K.J.; Wang, M.; Lee, W.J.; Gao, H.; Zhang, C.; Li, K. A bi-level program for the planning of an islanded microgrid including CAES. IEEE Trans. Ind. Appl. 2016, 52, 2768–2777. [Google Scholar] [CrossRef]
- Mayet, C.; Pouget, J.; Bouscayrol, A.; Lhomme, W. Influence of an Energy Storage System on the Energy Consumption of a Diesel-Electric Locomotive. IEEE Trans. Veh. Technol. 2013, 63, 1032–1040. [Google Scholar] [CrossRef]
- Kusakana, K. Optimal scheduled power flow for distributed photovoltaic/wind/diesel generators with battery storage system. IET Renew. Power Gener. 2015, 9, 916–924. [Google Scholar] [CrossRef]
- Zhang, L.; Chen, K.; Lyu, L.; Cai, G. Research on the Operation Control Strategy of a Low-Voltage Direct Current Microgrid Based on a Disturbance Observer and Neural Network Adaptive Control Algorithm. Energies 2019, 12, 1162. [Google Scholar] [CrossRef]
- Rezkallah, M.; Chandra, A.; Singh, B.P.; Singh, S. Microgrid: Configurations, Control and Applications. IEEE Trans. Smart Grid 2017, 10, 1290–1302. [Google Scholar] [CrossRef]
- STD; IEEE. IEEE guide for design, operation, and integration of distributed resource island systems with electric power systems. IEEE STD 2011, 1547, 1–54. [Google Scholar]
- Bidram, A.; Davoudi, A. Hierarchical Structure of Microgrids Control System. IEEE Trans. Smart Grid 2012, 3, 1963–1976. [Google Scholar] [CrossRef]
- Palizban, O.; Kauhaniemi, K.; Guerrero, J.M. Microgrids in active network management—Part I: Hierarchical control, energy storage, virtual power plants, and market participation. Renew. Sustain. Energy Rev. 2014, 36, 428–439. [Google Scholar] [CrossRef]
- Shafiee, Q.; Dragicevic, T.; Vasquez, J.C.; Guerrero, J.M. Hierarchical Control for Multiple DC-Microgrids Clusters. IEEE Trans. Energy Convers. 2014, 29, 922–933. [Google Scholar] [CrossRef]
- Aziz, A.S.; Tajuddin, M.F.N.; Adzman, M.R.; Ramli, M.A.M.; Mekhilef, S. Energy Management and Optimization of a PV/Diesel/Battery Hybrid Energy System Using a Combined Dispatch Strategy. Sustainability 2019, 11, 683. [Google Scholar] [CrossRef]
- Singh, B.; Chandra, A.; Al-Haddad, K. Power Quality: Problems and Mitigation Techniques; John Wiley & Sons: Hoboken, NJ, USA, 2014. [Google Scholar]
- IEEE Standard for the Testing of Microgrid Controllers, IEEE Std 2030.8TM-2018. Available online: https://ieeexplore.ieee (accessed on 31 December 2018).
- Acevedo, L.; Uche, J.; Del Almo, A.; Círez, F.; Usón, S.; Martínez, A.; Guedea, I. Dynamic Simulation of a Trigeneration Scheme for Domestic Purposes Based on Hybrid Techniques. Energies 2016, 9, 1013. [Google Scholar] [CrossRef]
- Wu, T.; Yu, W.; Wang, L.; Guo, L.; Tang, Z. Power Distribution Strategy of Microgrid Hybrid Energy Storage System Based on Improved Hierarchical Control. Energies 2019, 12, 3498. [Google Scholar] [CrossRef]
- Uche, J.; Acevedo, L.; Círez, F.; Usón, S.; Martínez-Gracia, A.; Bayod-Rújula, Á.A. Analysis of a domestic trigeneration scheme with hybrid renewable energy sources and desalting techniques. J. Clean. Prod. 2019, 212, 1409–1422. [Google Scholar] [CrossRef]
- Salisu, S.; Mustafa, M.W.; Olatomiwa, L.; Mohammed, O.O. Assessment of technical and economic feasibility for a hybrid PV-wind-diesel-battery energy system in a remote community of north central Nigeria. Alex. Eng. J. 2019, 58, 1103–1118. [Google Scholar] [CrossRef]
- Ngan, M.S.; Tan, C.W. Assessment of economic viability for PV/wind/diesel hybrid energy system in southern Peninsular Malaysia. Renew. Sustain. Energy Rev. 2012, 16, 634–647. [Google Scholar] [CrossRef]
- International Society of Automation. Enterprise-Control System Integration IEC62264-1:2013. Available online: https://www.isa.org/standards (accessed on 1 May 2020).
- Gontijo, G.; Soares, M.; Tricarico, T.; Dias, R.; Aredes, M.; Guerrero, J.M. Direct Matrix Converter Topologies with Model Predictive Current Control Applied as Power Interfaces in AC, DC, and Hybrid Microgrids in Islanded and Grid-Connected Modes. Energies 2019, 12, 3302. [Google Scholar] [CrossRef]























| Modes | Conditions | DESs | SOC |
|---|---|---|---|
| Mode 1 (Without DG) | PL < PRES, 50% ≤ SOC ≤ 100% | WT, SPVA, BES | Charging the BES |
| Mode 2 (Without DG) | PL ≥ PRES, 50% ≤ SOC ≤ 100% | WT, SPVA, BES | Discharging BES |
| Mode 3 (With DG) | PL ≤ PRES, SOC ≤ 50% | WT, SPVA, BES, and DG | Charging the BES |
| Mode 4 (Without DG) | PL ≥ PRES, SOC ≥ 100% | WT, SPVA, BES | Stop charging BES and turn on the dump load |
| Modes | Conditions | DESs | SOC |
|---|---|---|---|
| Mode 1 (Without DG) | PL < Ppv, 50% ≤ SOC ≤ 100% | SPVA, BES | Charging the BES |
| Mode 2 (Without DG) | PL ≥ PPV, 50% ≤ SOC ≤ 100% | SPVA, BES | Discharging BES |
| Mode 3 (With DG) | PL ≤ PPV, SOC ≤ 50% | SPVA, BES, and DG | Charging the BES |
| Mode 4 (Without DG) | PL ≥ PPV, SOC ≥ 100% | SPVA, BES | Stop charging BES and turn on the dump load |
© 2020 by the authors. Licensee MDPI, Basel, Switzerland. This article is an open access article distributed under the terms and conditions of the Creative Commons Attribution (CC BY) license (http://creativecommons.org/licenses/by/4.0/).
Share and Cite
Rezkallah, M.; Singh, S.; Chandra, A.; Singh, B.; Ibrahim, H. Off-Grid System Configurations for Coordinated Control of Renewable Energy Sources. Energies 2020, 13, 4950. https://doi.org/10.3390/en13184950
Rezkallah M, Singh S, Chandra A, Singh B, Ibrahim H. Off-Grid System Configurations for Coordinated Control of Renewable Energy Sources. Energies. 2020; 13(18):4950. https://doi.org/10.3390/en13184950
Chicago/Turabian StyleRezkallah, Miloud, Sanjeev Singh, Ambrish Chandra, Bhim Singh, and Hussein Ibrahim. 2020. "Off-Grid System Configurations for Coordinated Control of Renewable Energy Sources" Energies 13, no. 18: 4950. https://doi.org/10.3390/en13184950
APA StyleRezkallah, M., Singh, S., Chandra, A., Singh, B., & Ibrahim, H. (2020). Off-Grid System Configurations for Coordinated Control of Renewable Energy Sources. Energies, 13(18), 4950. https://doi.org/10.3390/en13184950

