Reliability and Network Performance Enhancement by Reconfiguring Underground Distribution Systems
Abstract
1. Introductions
2. Proposed Reliability Indices
3. Problem Formulation for Proposed NR
- Power Flow Constraint
- Node Voltage Constraint
- Feeder Current Limit Constraint
- Radial Topology Constraint
4. Handling Uncertainty in Load Demand and Renewable Power Generation
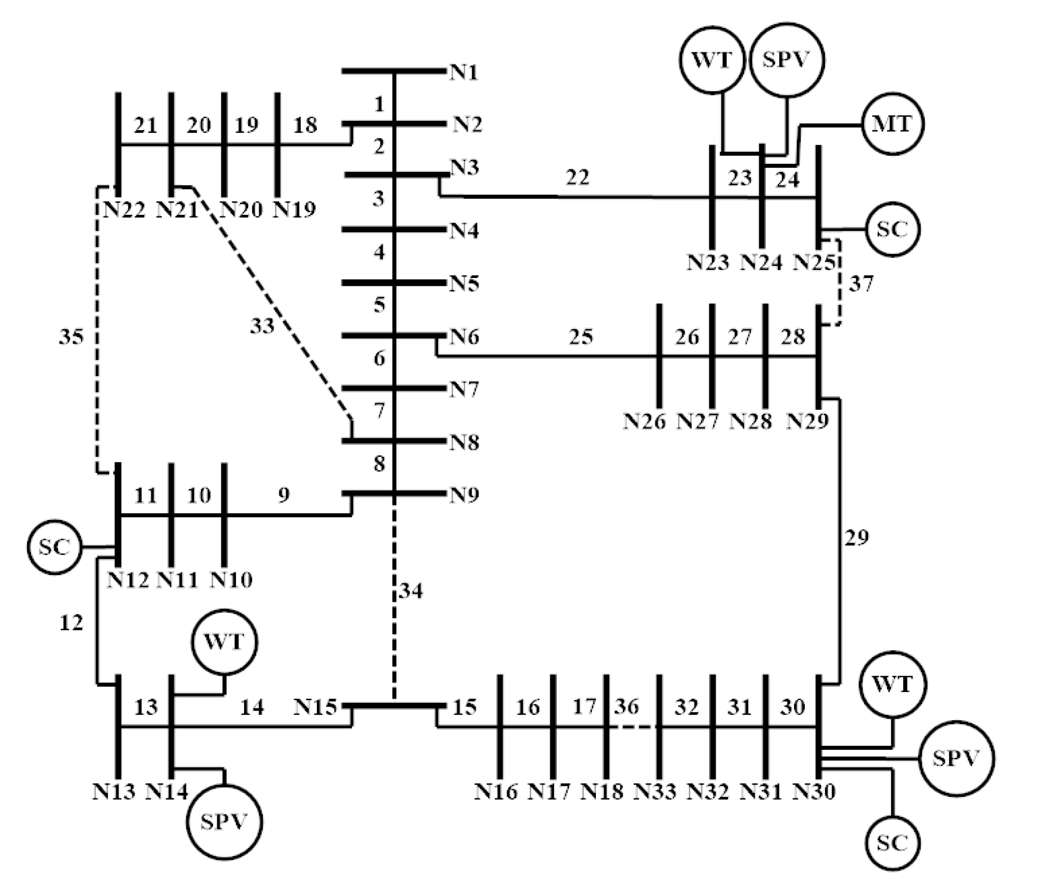
5. Simulation Results
6. Discussion
7. Conclusions
Author Contributions
Funding
Acknowledgments
Conflicts of Interest
Nomenclature
| D(i) | System’s average duration interruption index for the ith candidate topology (hr/failure) |
| DV(i,n) | Node voltage deviations for ith network topology during nth system state (p.u.) |
| DVmin/DVmax | Minimum and maximum value of node voltage deviation index (p.u.) |
| EL(i,n) | Energy losses for the ith network topology during nth system state (MWh) |
| ELmin/ELmax | Minimum and maximum value of feeder energy loss index (MWh) |
| ENS(i) | Energy not supplied for the ith candidate topology (MWh/yr) |
| ENSmin/ENSmax | Minimum and maximum value of energy not supplied index (MWh/yr) |
| F(i) | System’s average interruption frequency index for the ith candidate topology (failure/yr) |
| F(i,n)/T(i,n)/ENS(i,n)/D(i,n) | F/T/ENS/D for ith topology at nth system state |
| Fmin/Fmax | Minimum and maximum value of System average interruption frequency index (failure/yr) |
| I(b,j,nom) | Current in the jth distribution feeder in base configuration during nominal load conditions (p.u.) |
| I(i,j,n) | Current in the jth feeder for ith network topology during nth system state (p.u.) |
| Maximum current of jth branch (p.u.) | |
| Ijn | Current of jth line at nth system state (p.u.) |
| ke(n) | Energy price prevailed at nth system state ($/kWh) |
| KVA(j) | Apparent load demand of jth node (kVA) |
| KVA(j,n) | Apparent load demand of jth node at nth system state (kVA) |
| KW(j) | Active load demand on the jth distribution feeder (kW) |
| KW(j,n) | Active load demand at jth system node for nth system state (kW) |
| LD(n) | Load duration for the nth system state (hr) |
| N/Nc | Set of system states/nodes |
| r(j) | Repair time of jth feeder (hr) |
| Rj | Line resistance of the jth line (Ω) |
| T(i) | System’s average interruption unavailability index for the ith candidate topology (hr/yr) |
| Tmin/Tmax | Minimum and maximum value of System average interruption unavailability index (hr/yr) |
| U(j) | Unavailability index of jth feeder (failure) |
| U(i,j,n) | U(j) for ith topology at nth system state (failure) |
| Vjn | Voltage of jth node at nth system state (p.u.) |
| Vmax,Vmin | Maximum/minimum limits of node voltage (p.u.) |
| Vs | Absolute value of the source voltage (p.u.) |
| ζ(i,j,n) | Failure rate in the jth distribution feeder for ith network topology at nth system state (failure/yr) |
| λ(j) | Failure rate of jth feeder (failure/yr) |
| Φn(i) | Closed path for ith network topology for nth state |
| µF(i,n) | Overall fuzzy membership function for the ith network topology during nth system state |
| µDVMIN(b) | Minimum fuzzy membership function of µDV(b,n) for the base topology |
| µDVMIN(o) | Minimum fuzzy membership function of µDV(o,n) for the optimal topology |
| µF(b,n)/µT(b,n)/ µENS(b,n)/µEL(b,n)/µDV(b,n) | Fuzzy membership function of reliability and power quality indices for the base topology during nth system state |
| µF(i,n)/µT(i,n)/ µENS(i,n)/µEL(i,n)/ µDV(i,n) | Fuzzy membership function for F(i,n)/T(i,n)/ENS(i,n)/EL(i,n)/DV(i,n) |
| µF(o,n)/µT(o,n)/ µENS(o,n)/µEL(o,n)/µDV(o,n) | Fuzzy membership function of reliability and power quality indices for the optimal topology during nth system state |
| µFM(b)/µTM(b)/ µENSM(b)/µELM(b) | Mean fuzzy membership function of µF(b,n)/µT(b,n)/µENS(b,n)/µEL(b,n) for the base topology |
| µFM(o)/µTM(o)/ µENSM(o)/µELM(o) | Mean fuzzy membership function of µF(o,n)/µT(o,n)/µENS(o,n)/µEL(o,n) for the optimal topology |
References
- Zhong, J.; Wang, C.; Wang, Y. Chinese growing pains. IEEE Power Energy Mag. 2007, 5, 33–40. [Google Scholar] [CrossRef]
- Willis, H.L. Power Distribution Planning Reference Book, 2nd ed.; Mercel Dekkar: New York, NY, USA, 2004. [Google Scholar]
- Amanulla, B.; Chakrabarti, S.; Singh, S.N. Reconfiguration of power distribution systems considering reliability and power loss. IEEE Trans. Power Deliv. 2012, 27, 918–926. [Google Scholar] [CrossRef]
- Fard, A.K.; Akbari-Zadeh, M.R. Reliability enhancement using optimal distribution feeder reconfiguration. Neurocomputing 2013, 106, 1–11. [Google Scholar] [CrossRef]
- Kumar, K.S.; Jayabarathi, T. Power system reconfiguration and loss minimization for an distribution systems using bacterial foraging optimization algorithm. Int. J. Electr. Power Energy Syst. 2012, 36, 13–17. [Google Scholar] [CrossRef]
- Fard, A.K.; Niknam, T.; Khosravi, A. Multi-objective probabilistic distribution feeder reconfiguration considering wind power plants. Int. J. Electr. Power Energy Syst. 2014, 55, 680–691. [Google Scholar] [CrossRef]
- Zou, K.; Keerthipala, W.W.L.; Perera, S. SAIDI minimization of a remote distribution feeder. In Proceedings of the 2007 Australasian Universities Power Engineering Conference, Perth, WA, Australia, 9–12 December 2007. [Google Scholar]
- Skoonpong, A.; Sirisumrannukul, S. Network reconfiguration for reliability worth enhancement in distribution systems by simulated annealing. In Proceedings of the 2008 5th International Conference on Electrical Engineering/Electronics, Computer, Telecommunications and Information Technology, Krabi, Thailand, 14–17 May 2008; pp. 937–940. [Google Scholar]
- Niknam, T.; Fard, A.K.; Baziar, A. Multi-objective stochastic distribution feeder reconfiguration problem considering hydrogen and thermal energy production by fuel cell power plants. Energy 2012, 42, 563–573. [Google Scholar] [CrossRef]
- Brown, H.E.; Suryanarayanan, S.; Natarajan, S.A.; Rajopadhye, S. Improving reliability of islanded distribution systems with distributed renewable energy resources. IEEE Trans. Smart Grid 2012, 3, 2028–2038. [Google Scholar] [CrossRef]
- Vitorino, R.M.; Jorgeb, H.M.; Neves, L.P. Loss and reliability optimization for power distribution system operation. Electr. Power Syst. Res. 2013, 96, 177–184. [Google Scholar] [CrossRef]
- Pfitscher, L.L.; Bernardon, D.P.; Canha, L.N.; Montagner, V.; Garcia, V.; Abaide, A. Intelligent system for automatic reconfiguration of distribution network in real time. Electr. Power Syst. Res. 2013, 97, 84–92. [Google Scholar] [CrossRef]
- Narimani, M.R.; Vahed, A.A.; Azizipanah-Abarghooee, R.; Javidsharifi, M. Enhanced gravitational search algorithm for multi-objective distribution feeder reconfiguration considering reliability, loss and operational cost. IET Gener. Transm. Distrib. 2014, 8, 55–69. [Google Scholar] [CrossRef]
- Paterakis, N.G.; Mazza, A.; Santos, S.F.; Erdinc, O.; Chicco, G.; Bakirtzis, A.G.; Catalão, J.P.S. Multi-objective reconfiguration of radial distribution systems using reliability indices. IEEE Trans. Power Syst. 2016, 31, 1048–1062. [Google Scholar] [CrossRef]
- Wang, H.; Lin, H.; Yu, T.; Xu, Z. Dynamic equivalent-based reliability evaluation of distribution systems with DGs. IET Gener. Transm. Distrib. 2016, 10, 2285–2294. [Google Scholar] [CrossRef]
- Shareef, H.; Ibrahim, A.A.; Salman, N.; Mohamed, A.; Ai, W.L. Power quality and reliability enhancement in distribution systems via optimum network reconfiguration by using quantum firefly algorithm. Int. J. Electr. Power Energy Syst. 2014, 58, 160–169. [Google Scholar] [CrossRef]
- Esmaeilian, H.R.; Fadaeinedjad, R. Distribution system efficiency improvement using network reconfiguration and capacitor allocation. Int. J. Electr. Power Energy Syst. 2015, 64, 457–468. [Google Scholar] [CrossRef]
- Zheng, H.; Cheng, Y.; Gou, B.; Frank, D.; Bern, A.; Muston, W. Impact of automatic switches on power distribution system reliability. Electr. Power Syst. Res. 2012, 83, 51–57. [Google Scholar] [CrossRef]
- Raoofat, M. Simultaneous allocation of DGs and remote controllable switches in distribution networks considering multilevel load model. Int. J. Electr. Power Energy Syst. 2011, 33, 1429–1436. [Google Scholar] [CrossRef]
- Ray, S.; Bhattacharya, A.; Bhattacharjee, S. Optimal placement of switches in a radial distribution network for reliability improvement. Int. J. Electr. Power Energy Syst. 2016, 76, 53–68. [Google Scholar] [CrossRef]
- Zare, M.; Abarghooee, R.A.; Hooshmand, R.A.; Malekpour, M.; Azizipanah, R. Optimal reconfiguration of distribution systems by considering switch and wind turbine placements to enhance reliability and Efficiency. IET Gener. Transm. Distrib. 2018, 12, 1271–1284. [Google Scholar] [CrossRef]
- Fard, A.K.; Niknam, T. Multi-objective stochastic distribution feeder reconfiguration from the reliability point of view. Energy 2014, 64, 342–354. [Google Scholar] [CrossRef]
- López, J.C.; Lavorato, M.; Franco, J.F.; Rider, M.J. Robust optimisation applied to the reconfiguration of distribution systems with reliability constraints. IET Gener. Transm. Distrib. 2016, 10, 917–927. [Google Scholar] [CrossRef]
- Fard, A.K.; Niknam, T.; Taherpoor, H.; Abbasi, A. Multi-objective probabilistic reconfiguration considering uncertainty and multi-level load model. IET Sci. Meas. Technol. 2015, 9, 44–55. [Google Scholar] [CrossRef]
- Zhang, P.; Li, W.; Wang, S. Reliability-oriented distribution network reconfiguration considering uncertainties of data by interval analysis. Int. J. Electr. Power Energy Syst. 2012, 34, 138–144. [Google Scholar] [CrossRef]
- Mendoza, J.E.; López, M.E.; Coello, C.A.C.; López, E.A. Microgenetic multiobjective reconfiguration algorithm considering power losses and reliability indices for medium voltage distribution network. IET Gener. Transm. Distrib. 2009, 3, 825–840. [Google Scholar] [CrossRef]
- Swarnkar, A.; Gupta, N.; Niazi, K.R. A novel codification for meta-heuristic techniques used in distribution network reconfiguration. Electr. Power Syst. Res. 2011, 81, 1619–1626. [Google Scholar] [CrossRef]
- Wang, Z.; Chen, B.; Wang, J.; Kim, J.; Begovic, M.M. Robust optimization based optimal DG placement in microgrids. IEEE Trans. Smart Grid 2014, 5, 2173–2182. [Google Scholar] [CrossRef]
- Kanwar, N.; Gupta, N.; Niazi, K.R.; Swarnkar, A. Optimal distributed resource planning for microgrids under uncertain environment. IET Renew. Power Gener. 2018, 12, 244–251. [Google Scholar] [CrossRef]
- Baran, M.E.; Wu, F.F. Network reconfiguration in distribution systems for loss reduction and load balancing. IEEE Trans. Power Deliv. 1989, 4, 1401–1407. [Google Scholar] [CrossRef]
- Etemadi, A.H.; Firuzabad, M.F. Distribution system reliability enhancement using optimal capacitor placement. IET Gener. Transm. Distrib. 2008, 2, 621–631. [Google Scholar] [CrossRef]
- Gupta, N.; Swarnkar, A.; Niazi, K.R. Distribution network reconfiguration for power quality and reliability improvement using Genetic Algorithms. Int. J. Electr. Power Energy Syst. 2014, 54, 664–671. [Google Scholar] [CrossRef]
- Mahmoud, K.; Lehtonen, M. Simultaneous allocation of multi-type distributed generations and capacitors using generic analytical expressions. IEEE Access 2019, 7, 182701–182710. [Google Scholar] [CrossRef]





| Particular | Value |
|---|---|
| Line voltage (kV) | 12.66 |
| Nominal active power demand (kW) | 3715 |
| Nominal reactive power demand (kVAr) | 2300 |
| Sectionalizing switches | 1–32 |
| Tie-switches | 33–37 |
| Base configuration with open lines | 33 to 37 |
| Power loss (kW) | 202.5 |
| Minimum node voltage (pu) | 0.9131 |
| Reliability Index | F (Failure/yr) | T (hr/yr) | ENS (MWh/yr) | ||
|---|---|---|---|---|---|
| Load level | 1 | F(i) | 3.18 | 1.86 | 437.67 |
| F(i,n) | 3.18 | 1.86 | 437.67 | ||
| %ΔF | 0 | 0 | 0 | ||
| 1.1 | T(i) | 3.18 | 1.86 | 481.43 | |
| T(i,n) | 3.91 | 2.29 | 591.41 | ||
| %ΔT | 22.97 | 22.89 | 22.84 | ||
| 0.9 | ENS(i) | 3.18 | 1.86 | 393.9 | |
| ENS(i,n) | 2.53 | 1.49 | 314.41 | ||
| %ΔENS | –20.26 | –20.20 | –20.18 | ||
| SPV (Size in kWp/Site) | WT (Size in kWp/Site) | MT (Size in kW/Site) | SC (Size in kVAr/Site) |
|---|---|---|---|
| 280/14, 840/24, 560/30 | 420/14, 700/24, 420/30 | 800/24 | 300/12, 300/25, 600/30 |
| State | Load/Generation Factor | State | Load/Generation Factor | ||||
|---|---|---|---|---|---|---|---|
| Load | WT | SPV | Load | WT | SPV | ||
| 1 | 0.5421 | 0.556 | 0 | 13 | 0.8711 | 0.896 | 0.967 |
| 2 | 0.5421 | 0.507 | 0 | 14 | 0.8000 | 0.894 | 0.921 |
| 3 | 0.5421 | 0.484 | 0 | 15 | 0.8711 | 0.799 | 0.820 |
| 4 | 0.5421 | 0.454 | 0 | 16 | 0.8711 | 0.688 | 0.625 |
| 5 | 0.5421 | 0.45 | 0 | 17 | 0.8711 | 0.704 | 0.398 |
| 6 | 0.6132 | 0.49 | 0 | 18 | 0.8711 | 0.728 | 0.158 |
| 7 | 0.6829 | 0.397 | 0.008 | 19 | 0.9303 | 0.763 | 0 |
| 8 | 0.6829 | 0.435 | 0.203 | 20 | 1.0000 | 0.784 | 0 |
| 9 | 0.6829 | 0.587 | 0.453 | 21 | 1.0000 | 0.806 | 0 |
| 10 | 0.7421 | 0.698 | 0.563 | 22 | 0.7513 | 0.823 | 0 |
| 11 | 0.7421 | 0.748 | 0.794 | 23 | 0.5421 | 0.88 | 0 |
| 12 | 0.7421 | 0.796 | 0.934 | 24 | 0.5421 | 0.911 | 0 |
| 00AM-6AM | 6AM-5PM | 5PM-9PM | 9PM-00AM |
|---|---|---|---|
| 0.02 | 0.06 | 0.12 | 0.09 |
| Fmax (Failure/yr) | Tmax (h/yr) | ENS max (USD/yr) | EL max (USD) | DVmax (p.u.) |
|---|---|---|---|---|
| 5 | 3 | 800 | 70 | 0.10 |
| µFM(b) | µTM(b) | µENSM(b) | µELM(b) | µDVMIN(b) |
|---|---|---|---|---|
| 0.8882 | 0.8660 | 0.8891 | 0.9743 | 0.5598 |
| F(b) (failure/yr) | T(b) (hr/yr) | ENS(b) (USD/yr) | EL(b) (USD/yr) | DV(b) (p.u.) |
| 0.5590 | 0.4021 | 88.7287 | 15757.7700 | 0.0440 |
| State | Optimal Configuration | State | Optimal Configuration |
|---|---|---|---|
| 1 | 33-37-35-13-36 | 13 | 20-37-35-13-8 |
| 2 | 33-37-35-13-36 | 14 | 20-37-33-10-34 |
| 3 | 33-37-35-13-36 | 15 | 33-37-35-9-34 |
| 4 | 33-37-35-13-36 | 16 | 33-37-35-11-34 |
| 5 | 33-37-35-13-36 | 17 | 33-37-35-12-36 |
| 6 | 33-37-35-13-36 | 18 | 33-37-35-12-36 |
| 7 | 33-37-35-14-36 | 19 | 33-37-35-14-36 |
| 8 | 33-37-35-13-36 | 20 | 33-37-35-14-36 |
| 9 | 33-37-35-13-36 | 21 | 33-37-35-14-36 |
| 10 | 20-37-11-34-36 | 22 | 33-37-35-12-36 |
| 11 | 20-37-8-12-36 | 23 | 20-37-35-34-36 |
| 12 | 20-37-8-12-36 | 24 | 20-37-35-34-36 |
| µFM(o) | µTM(o) | µENSM(o) | µELM(o) | µDVMIN(o) |
|---|---|---|---|---|
| 0.8967 | 0.8732 | 0.8954 | 0.9812 | 0.5699 |
| F(o) (failure/yr) | T(o) (hr/yr) | ENS(o) (USD/yr) | EL(o) (USD/yr) | DV(o) (p.u.) |
| 0.5167 | 0.3804 | 83.6887 | 13122.48 | 0.0316 |
| F(%) | T(%) | ENS (%) | EL(%) | DV(%) |
| 7.57 | 5.40 | 5.68 | 16.72 | 28.18 |
| Scenario | Network Topology | F (Failure/yr) | T (h/yr) | ENS (USD/yr) | EL (USD/yr) | DV (p.u.) |
|---|---|---|---|---|---|---|
| Distribution system without DR | Before NR | 1.7123 | 1.0055 | 229.0578 | 70722.99 | 0.0869 |
| After NR | 1.5300 | 0.9123 | 207.92 | 66282.78 | 0.0803 | |
| Distribution system with DR | Before NR | 0.5590 | 0.4021 | 88.7287 | 15757.77 | 0.0440 |
| After NR | 0.5167 | 0.3804 | 83.6887 | 13122.48 | 0.0316 |
© 2020 by the authors. Licensee MDPI, Basel, Switzerland. This article is an open access article distributed under the terms and conditions of the Creative Commons Attribution (CC BY) license (http://creativecommons.org/licenses/by/4.0/).
Share and Cite
Agrawal, P.; Kanwar, N.; Gupta, N.; Niazi, K.R.; Swarnkar, A.; Meena, N.K.; Yang, J. Reliability and Network Performance Enhancement by Reconfiguring Underground Distribution Systems. Energies 2020, 13, 4719. https://doi.org/10.3390/en13184719
Agrawal P, Kanwar N, Gupta N, Niazi KR, Swarnkar A, Meena NK, Yang J. Reliability and Network Performance Enhancement by Reconfiguring Underground Distribution Systems. Energies. 2020; 13(18):4719. https://doi.org/10.3390/en13184719
Chicago/Turabian StyleAgrawal, Praveen, Neeraj Kanwar, Nikhil Gupta, Khaleequr Rehman Niazi, Anil Swarnkar, Nand K. Meena, and Jin Yang. 2020. "Reliability and Network Performance Enhancement by Reconfiguring Underground Distribution Systems" Energies 13, no. 18: 4719. https://doi.org/10.3390/en13184719
APA StyleAgrawal, P., Kanwar, N., Gupta, N., Niazi, K. R., Swarnkar, A., Meena, N. K., & Yang, J. (2020). Reliability and Network Performance Enhancement by Reconfiguring Underground Distribution Systems. Energies, 13(18), 4719. https://doi.org/10.3390/en13184719

