Impact of First Tower Earthing Resistance on Fast Front Back-Flashover in a 66 kV Transmission System
Abstract
1. Introduction
- Solving the insulation damage problem for the substation elements due to back-flashover by improving the footing resistance of only the first adjacent tower to the substation. This is considered the most techno-economic solution to prevent substation equipment insulation damage due to FFBF.
- Economic evaluation and substantive costing studies are provided for the proposed technique. Hence, the study validated the proper design of the first tower grounding system, enhances the safety of the system, and reduces the cost for the grounding system to the minimum.
- The impact of the second, third, and fourth towers footing resistance on the FFO on the power line during back-flashover is analyzed. Furthermore, the percentage of maximum overvoltage decreasing (PMOD) for each tower due to FFBF is proposed.
- The detailed influence of SA earthing resistance on the FFO to prevent the damage of equipment insulation is studied. Moreover, the recommended criteria for the SA earthing resistance are provided.
- The advantages and disadvantages of interconnection between the transmission line grounding system and substation grounding system on the calculation of fast front overvoltage (FFO) and ground potential rise (GPR) are proposed in this paper.
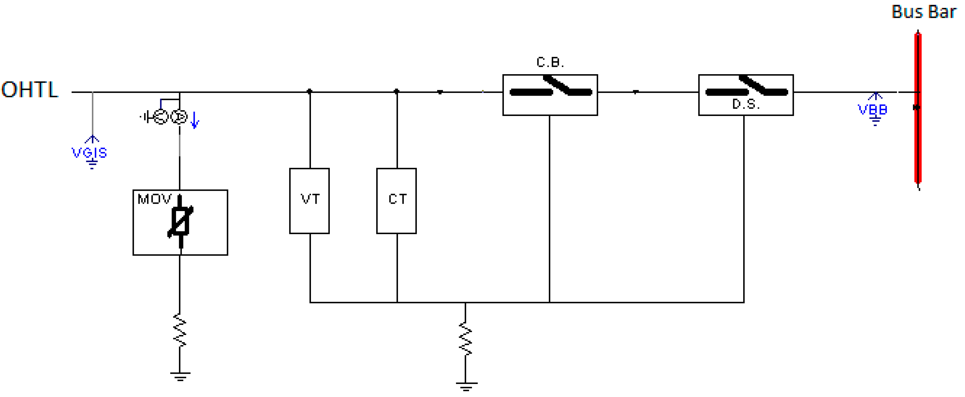
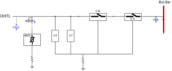
2. Power System Modeling
- Due to its low nominal voltage, the corresponding basic insulation level (BIL) for its components is also relatively low, and hence, the study of overvoltage due to lightning extremely becomes important.
- FFO is very critical when the system voltage is below 245 kV [29].
2.1. Modeling of Tower
2.2. Modeling of Transmission Line
2.3. Modeling of Tower Footing Resistance
- R0 the measured tower footing resistance at low current and low frequency (Ω).
- Ri tower footing impulse resistance (Ω).
- Ig limiting current to initiate sufficient soil ionization (kA).
- IR lightning current through the footing resistance (kA).
- ρ soil resistivity (Ωm) and can be considered about 800 Ωm.
- E0 soil ionization gradient and can be considered about 400 kV/m.
2.4. Modeling of Line Insulators
2.5. Modeling of Surge Arrester
R1 = 65 d/n (Ω)
L0 = 0.2 d/n (µH)
R0 = 100 d/n (Ω)
C = 100 n/d (pF)
- d is the estimated height of the arrester in m (assumed to be 0.5 m).
- n is the number of parallel columns of metal oxide in the arrester (assumed to be 1).
2.6. Modeling of Voltage and Current Transformers
2.7. Modeling of Disconnecting Switch
2.8. Modeling of Bus-Bar Support Insulator
2.9. Modeling of Circuit Breaker
3. Modeling Back-Flashover
- Vt Tower surge voltage.
- Vsys System voltage.
- Ix Lightning strikes current.
- Zt Tower surge impedance.
- Zg Footing grounding impedance.
Modeling Insulator Strings in Lightning Studies
- D (m) The insulator string length.
- tc (µs) The time to flashover.
4. Simulation Studies
- The rating of the lightning impulse withstands voltage (LIWV) of the substation equipment is taken as 325 kV [20].
- The strike hits the first tower which is located 40 m away from the substation.
- The substation grounding resistance is designed according to IEEE 80-2013 where the ohmic value of the ground substation is suggested to vary between (1 Ω to 5 Ω) [15]. The SA is directly connected to the substation grounding system and grounded via the main grounding grid of the substation, consequently, the SA earthing resistance varies with the same values of substation resistance accordingly.
4.1. Case A: Influence of Reducing First-Tower Footing Resistance
- -
- Twr1_FR: Value of the footing resistance in (Ω) of the first tower (Twr1) adjacent to the substation.
- -
- Vt at S/S (kV): The calculated transient overvoltages at substation terminal during the back-flashover.
4.2. Case B: Impact of Reducing SA Earthing Resistance (SA_ER) on FFO
- Very low resistance values in most substations are very expensive, which will affect the total cost of the grounding system.
- The grounding resistance of substation may vary with high values in the dry season due to the variations in the soil’s electrolytic content and temperature [45].
- Very low grounding resistance values may result to increase probabilities for surge arrester damage due to the high discharged currents flowing through them and energy absorption capability [19].
4.3. Case C: Impact of Reducing Both First Tower Footing Resistance and SA Earthing Resistance on FFO
4.4. Economical Comparison Study
- The soil resistivity for the first layer is 300 Ωm.
- The depth of the first layer is 2 m.
- Soil resistivity for the second layer is 100 Ωm.
- The conductor used for the grounding system is 120 Sq.mm, copper, annealed soft-drawn.
- The cost/meter for 120 mm2, copper, annealed soft-drawn is assumed to be 17 USD as per [46].
- The rod used for the grounding system is 2 cm diameter, 10 m length, copper-clad steel rod.
- The cost of the one rod is assumed 100 USD as per [46].
4.5. Impact of Bonding the First Tower Earthing System with Substation Earthing System
5. Conclusions
Author Contributions
Funding
Acknowledgments
Conflicts of Interest
References
- Muthumuni, D.; Kothalawala, L.; Darbandi, A. Lightning Studies, Webinar on Lightning Over Voltage Simulations in PSCADTM EMTDCTM 2016; Manitoba HVDC Research Centre, PSCAD: Winnipeg, MB, Canada, 8 September 2016. [Google Scholar]
- Perera, L.B.; Mishra, Y. Insulation coordination study for a 50 kV traction feeder station. In Proceedings of the 2014 Australasian Universities Power Engineering Conference AUPEC 2014–Procurement, Perth, Australia, 28 September–1 October 2014. [Google Scholar] [CrossRef]
- IEC 60071-2 International Standard Internationale, Insulation co-ordination–Part. 2. In Application Guidelines, 4th ed.; IEC Publication: Geneva, Switzerland, 2008; ISBN 2831896649.
- Yadee, P.; Premrudeepreechacharn, S. Analysis of Tower Footing Resistance Effected Back Flashover Across Insulator in a Transmission System. In Proceedings of the International Conference on Power Systems Transients, Lyon, France, 4–7 June 2007. [Google Scholar]
- Marungsri, B.; Boonpoke, S.; Rawangpai, A.; Oonsivilai, A.; Kritayakornupong, C. Study of Tower Grounding Resistance Effected Back Flashover to 500 kV Transmission Line in Thailand by using ATP/EMTP. Int. J. Energy Power Eng. 2009, 2, 2. [Google Scholar]
- Mariut, E.L.; Helerea, E. Variation of tower footing resistance on the lightning surge propagation through overhead power distribution lines. Adv. Electr. Comput. Eng. 2016, 16, 99–106. [Google Scholar] [CrossRef]
- Cigre, W.S. Guide to Procedures for Estimating the Lightning Performance of Transmission Lines; CIGRE Rep. 63: Cambridge, MA, USA, 1991; Volume 1, p. 64. [Google Scholar]
- Mobarakei, S.T.; Sami, T.; Porkar, B. Back Flashover phenomenon analysis in power transmission substation for insulation coordination. In Proceedings of the 11th International Conferene of Environment and Electrical. Enineering. EEEIC 2012–Conference Procurement, Venice, Italy, 17–19 May 2012; pp. 170–174. [Google Scholar] [CrossRef]
- El-Sayed Gouda, O.; Elshesheny, N.A. Simulation of the lightning back-flashover for medium voltage distribution network. Indones. J. Electr. Eng. Comput. Sci. 2016, 3, 264–272. [Google Scholar] [CrossRef]
- Banjanin, M.S. Application possibilities of special lightning protection systems of overhead distribution and transmission lines. Int. J. Electr. Power Energy Syst. 2018, 100, 482–488. [Google Scholar] [CrossRef]
- He, J.; Gao, Y.; Zeng, R.; Zou, J.; Liang, X.; Zhang, B.; Lee, J.; Chang, S. Effective length of counterpoise wire under lightning current. IEEE Trans. Power Deliv. 2005, 20, 1585–1591. [Google Scholar] [CrossRef]
- Ametani, A.; Kawamura, T. A method of a lightning surge analysis recommended in Japan using EMTP. IEEE Trans. Power Deliv. 2005, 20, 867–875. [Google Scholar] [CrossRef]
- Ametani, A. Lightning surge analysis by EMTP and numerical electromagnetic analysis method. In Proceedings of the 2010 30th International Conference on Lighthing Protection. ICLP 2010, Cagliari, Italy, 13–17 September 2010; pp. 1–18. [Google Scholar] [CrossRef]
- Gouda, O.; El Dein, A.Z.; Amer, G. Parameters affecting the back flashover across the overhead transmission line insulator caused by Lightning. In Proceedings of the 14th International Middle East. Power System Conference (MEPCON’10), Cairo University, Cairo, Egypt, 19–21 December 2010; pp. 44–49. [Google Scholar]
- IEEE Std 80TM-2013 IEEE Guide for Safety in AC Substation Grounding; IEEE: Piscataway, NJ, USA, 2015; ISBN 0738119261.
- IEEE. IEEE Std 142TM-2007, Grounding of Industrial and Commercial Power Systems; IEEE: Piscataway, NJ, USA, 2007; ISBN 0738156396. [Google Scholar]
- EA-TS 41-24, Guidelines for the Design, Installation, Testing and Maintenance of Main Earthing Systems in Substations; Electricity Association, Technical Specification: UK, 1992.
- HD637 S1, Power Installations Exceeding 1 kV A.C.; European Committee for Electrotechnical Standardisation (CENELEC): Brussels, Belgium, 1999.
- Christodoulou, C.A.; Ekonomou, L.; Papanikolaou, N.; Gonos, I.F. Effect of the grounding resistance to the behaviour of high-voltage transmission lines’ surge arresters. IET Sci. Meas. Technol. 2014, 8, 470–478. [Google Scholar] [CrossRef]
- Ryan, H.M. High Voltage Engineering and Testing, 3rd ed; IET: Stevenage, UK, 2013; ISBN 9781849192637. [Google Scholar]
- Asaoka, Y.; Asakawa, A.; Yokoyama, S.; Yokoyama, S.; Nakada, K.; Sugimoto, H. Effect of Lightning Protective Devices Attached to Pole Transformers on Reduction of Overvoltage on Distribution Lines. IEEJ Trans. Power Energy 2004, 124, 150–155. [Google Scholar] [CrossRef][Green Version]
- Hemapala, K.T.M.U.; Gnana Swathika, O.V.; Dharmadasa, K.P.R.D.S.K. Techno-economic feasibility of lighting protection of overhead transmission line with multi-chamber insulator arrestors. Dev. Eng. 2018, 3, 100–116. [Google Scholar] [CrossRef]
- Hassan, A.; Gilany, M.; Emam, A. Earthing resistance impact on fast front back–Flashover of a 25 kV traction feeder station. IEEE 2020, 7, 81–89. [Google Scholar] [CrossRef]
- Shariatinasab, R.; Gholinezhad, J. The effect of grounding system modeling on lightning-related studies of transmission lines. J. Appl. Res. Technol. 2017, 15, 545–554. [Google Scholar] [CrossRef]
- Popov, M.; Grcev, L.; Hoidalen, H.K.; Gustavsen, B.; Terzija, V. Investigation of the overvoltage and fast transient phenomena on transformer terminals by taking into account the grounding effects. IEEE Trans. Ind. Appl. 2015, 51, 5218–5227. [Google Scholar] [CrossRef]
- Koehler, F.; Swingler, J. Practical model for tower earthing systems in lightning simulations. Electr. Power Syst. Res. 2018, 158, 306–314. [Google Scholar] [CrossRef]
- Visacro, S.; Alipio, R.; Murta Vale, M.H.; Pereira, C. The response of grounding electrodes to lightning currents: The effect of frequency-dependent soil resistivity and permittivity. IEEE Trans. Electromagn. Compat. 2011, 53, 401–406. [Google Scholar] [CrossRef]
- EEHC. Egypt Electricity Holding Company EEHC Annual Report 2018–2019; EEHC: Cairo, Egypt, 2019. [Google Scholar]
- IEC. First Edition, Insulation Co-Ordination–Part. 4: Computational Guide to Insulation Co-Ordination and Modelling of Electrical Networks; Technical Report No. 60071-4; IEC: London, UK, 2004; pp. 1–9. [Google Scholar]
- Hileman, A.R. Insulation Coordination for Power Systems; CRC Press: Boca Raton, FL, USA, 1999; Volume 19, ISBN 9780824799571. [Google Scholar]
- Savic, M.S.; Stojkovic, Z. An expert system for high-voltage substations lightning performance estimation. IEEE Trans. Power Deliv. 1992, 7, 1223–1231. [Google Scholar] [CrossRef]
- Imece, A.F.; Durbak, D.W.; Hamid, E.; Sharma, K.; Andre, L.; Doug, M.; McDemott, T.E.; Morched, A.; Mousa, A.M.; Natarajan, R.; et al. Modeling guidelines for fast front transients. IEEE Trans. Power Deliv. 1996, 11, 493–506. [Google Scholar]
- Sargent, M.A.; Darveniza, M. Tower Surge Impedance. IEEE Trans. Power Appar. Syst. 1969, PAS-88, 680–687. [Google Scholar] [CrossRef]
- Goni, M.O.; Ametani, A. Analysis and estimation of surge impedance of tower. Appl. Comput. Electromagn. Soc. J. 2009, 24, 72–78. [Google Scholar]
- Dekker, M. Lightning surge analysis. In Computer Aided Power System Analysis; Chapter 13; Marcel Dekker Inc: New York, NY, USA, 2002. [Google Scholar]
- Pinceti, P.; Giannettoni, M. A simplified model for zinc oxide surge arresters. IEEE Trans. Power Deliv. 1999, 14, 393–398. [Google Scholar] [CrossRef]
- Radhika, G.; Suryakalavathi, M.G.S. Effective Placement of Surge Arrester during Lightning. Int. J. Comput. Commun. Inf. Syst. (IJCCIS) 2011, 2, 1–5. [Google Scholar]
- IEEE; Working Group. Modeling of metal oxide surge arresters, application of surge protective devices subcommittee surge protective devices committee. Trans. Power Deliv. 1992, 7, 302–309. [Google Scholar]
- Manitoba HV. PSCAD. Power Systems Computer Aided Design. Electro.-Magnetic Transient Design and Control. EMTDCTM, PSCADTM Version X4 User’s Guide; Manitoba Hydro International: Winnipeg, MB, Canada, 2003.
- Eriksson, J.A.; Weck, K.H. Simplified Procedures for Determining Representative Substation Impinging Lightning Overvoltages; In CIGRE Session: Paris, France, 1988; pp. 1–8. [Google Scholar]
- Martínez Velasco, J.A.; Corea Araujo, J.; Bedoui, S. Lightning performance analysis of transmission lines using the Monte Carlo method and parallel computing. Ingeniare 2018, 26, 398–409. [Google Scholar] [CrossRef][Green Version]
- Datsios, Z.G.; Mikropoulos, P.N.; Tsovilis, T.E. Insulator string flashover modeling with the aid of an ATPDraw object. In Proceedings of the 46th International Universities Power Engineering Conference, Soest, Germany, 5–8 September 2011. [Google Scholar]
- Rodrigo, A.S.; Akarawita, N.M.; Ambanwala, A.M.P.B.; Ariyapala, D.N.; Chaminda, W.C. Safety in AC Substation Grounding Systems under Transient Conditions: Development of Design Software. In Proceedings of the IEEE 8th International Conference on Industrial and Information System, Peradeniya, Sri Lanka, 18–20 August 2013; pp. 185–190. [Google Scholar] [CrossRef]
- IEEE Std. IEEE Guide for the Application of Metal-Oxide Surge Arresters for Alternating-Current Systems; Technical Report No. C62.22; IEEE: Piscataway, NJ, USA, 2009; Volume 2009, p. 140. [Google Scholar]
- Christy Thomas, E. Seasonal Variation of Soil Resistivity and the Correction Factor. Artic. EE Publ. Artic. Vector. 2017. Available online: https://www.ee.co.za/article/seasonal-variation-soil-resistivity-correction-factor.html (accessed on 15 June 2020).
- The Minister of Housing, Utilities and Urban Communities. The Department of Housing, Architecture and Urban Planning. Price List. Available online: http://www.mhuc.gov.eg/programs/index/2168 (accessed on 29 June 2020).
- ETAP Electrical Power System Analysis & Operation Software; Operation Technology Inc.: Irvine, CA, USA, 2019.
- Zhang, S.; Wang, X.; Cao, Q. A Programme to Solution the Problem of OPGW Substation Structure Grounding. DEStech Trans. Mater. Sci. Eng. 2017. [Google Scholar] [CrossRef][Green Version]
- Peng, Y.N.; Lin, Y.W. Discussion on solving down leading of OPGW under framework with insulation. Adv. Mater. Res. 2014, 1006–1007, 905–908. [Google Scholar] [CrossRef]
- 50 Menter, F.E.; Grcev, L. EMTP-Based Model for Grounding System Analysis. IEEE Trans. Power Deliv. 1994, 9, 1838–1849. [Google Scholar] [CrossRef]
- Haluza, D. Lightning, ground potential rise, and electrical damage: Protecting wayside equipment on the MTA Long Island Rail Road. In Proceedings of the IEEE/ASME Joint Railroad Conference, Oakbrook, IL, USA, 30 April–2 May 1996; pp. 111–135. [Google Scholar] [CrossRef]
- Hänninen, S.; Kulmala, A. ESSI: Electric Systems and Safety in Finnish NPP; VTT: Hanahomen, Finland, 2019. [Google Scholar]
- Celli, G.; Pilo, F. A Distributed Parameter Model for Grounding Systems in the PSCAD/EMTDC Environment. In Proceedings of the 2003 IEEE Power Engineering. Society General Meeting, Toronto, ON, Canada, 13–17 July 2003; pp. 1650–1655. [Google Scholar] [CrossRef]
- Gonos, I.F.; Topalis, F.V.; Stathopulos, I.A. Transient behaviour of a horizontal grounding grid under impulse current. Parameters 2002, 5, 4–8. [Google Scholar]














| Parameter | Stroke (Worst-Case Stroke Event) |
|---|---|
| Peak current | 200 kA (Less than 1% probability the stroke exceeding this peak current) |
| Maximum front steepness | 60 kA/µs |
| Equivalent front time | 4.5 µs |
| Time to half | 75 µs |
| Twr4_FR | Twr3_FR | Twr2_FR | Twr1_FR | Vt at S/S (kV) |
|---|---|---|---|---|
| 100 Ω | 100 Ω | 100 Ω | 100 Ω | 463.28 |
| Twr4_FR | Twr3_FR | Twr2_FR | Twr1_FR | Vt at S/S (kV) | PMOD (%) |
|---|---|---|---|---|---|
| 100 Ω | 100 Ω | 100 Ω | 25 Ω | 427.9 | 7.6% |
| 100 Ω | 100 Ω | 25 Ω | 25 Ω | 415.2 | 3.0% |
| 100 Ω | 25 Ω | 25 Ω | 25 Ω | 413.9 | 0.3% |
| 25 Ω | 25 Ω | 25 Ω | 25 Ω | 413.9 | 0.0% |
| Twr4_FR | Twr3_FR | Twr2_FR | Twr1_FR | Vt at S/S (kV) | PMOD (%) |
|---|---|---|---|---|---|
| 100 Ω | 100 Ω | 100 Ω | 15 Ω | 399.8 | 13.7% |
| 100 Ω | 100 Ω | 15 Ω | 15 Ω | 381.9 | 4.5% |
| 100 Ω | 15 Ω | 15 Ω | 15 Ω | 380.5 | 0.4% |
| 15 Ω | 15 Ω | 15 Ω | 15 Ω | 380.5 | 0.0% |
| Twr4_FR | Twr3_FR | Twr2_FR | Twr1_FR | Vt at S/S (kV) | PMOD (%) |
|---|---|---|---|---|---|
| 100 Ω | 100 Ω | 100 Ω | 10 Ω | 369.9 | 20.2% |
| 100 Ω | 100 Ω | 10 Ω | 10 Ω | 349.5 | 5.5% |
| 100 Ω | 10 Ω | 10 Ω | 10 Ω | 348.5 | 0.3% |
| 10 Ω | 10 Ω | 10 Ω | 10 Ω | 348.5 | 0.0% |
| Twr4_FR | Twr3_FR | Twr2_FR | Twr1_FR | Vt at S/S (kV) | PMOD (%) |
|---|---|---|---|---|---|
| 100 Ω | 100 Ω | 100 Ω | 5 Ω | 303.7 | 34.4% |
| 100 Ω | 100 Ω | 5 Ω | 5 Ω | 283.1 | 6.8% |
| 100 Ω | 5 Ω | 5 Ω | 5 Ω | 282.7 | 0.1% |
| 5 Ω | 5 Ω | 5 Ω | 5 Ω | 282.7 | 0.0% |
| SA_ER | Vt at S/S (kV) |
|---|---|
| 5 Ω | 801 |
| 4 Ω | 698 |
| 3 Ω | 585 |
| 2 Ω | 460 |
| 1 Ω | 322 |
| 0.65 Ω | 270 |
| Twr1_FR | S/S_R | Vt at S/S (kV) |
|---|---|---|
| 5 Ω | 5 Ω | 433 |
| 4 Ω | 4 Ω | 356 |
| 3 Ω | 3 Ω | 279 |
| 2.87 Ω | 2.87 Ω | 270 |
| 2 Ω | 2 Ω | 205 |
| Cases | ETAP Cost Calculation | Rg | Total Fixed Cost | ||||||
|---|---|---|---|---|---|---|---|---|---|
| Case B Enhancing SA_ER Only | Conductor | Rod | Total Cost $ | 0.65 Ω | 20,040 $ | ||||
| Total No. | Total Length m | Cost $ | Total No. | Total Length m | Cost $ | ||||
| 11 | 820 | 13,940.00 | 61 | 610 | 6100.00 | 20,040.00 | |||
| Case C Enhancing of Both SA_ER and Twr1_FR | For SA_ER | 2.87 Ω | 4880 $ | ||||||
| Conductor | Rod | Total Cost $ | |||||||
| Total No. | Total Length m | Cost $ | Total No. | Total Length m | Cost $ | ||||
| 4 | 120 | 2040.00 | 4 | 40 | 400.00 | 2440.00 | |||
| For Twr1_FR | |||||||||
| Conductor | Rod | Total Cost $ | |||||||
| Total No. | Total Length m | Cost $ | Total No. | Total Length m | Cost $ | ||||
| 4 | 120 | 2040.00 | 4 | 40 | 400.00 | 2440.00 | |||
| Interconnection Methods | GPR on the Twr-1 (kV) | GPR on the S/S (kV) | FFO Across Insulators (kV) |
|---|---|---|---|
| Method-1 | 1290 | 477 | 143 |
| Method-2 | 1350 | 508 | 148 |
| Interconnection Methods | GPR on the Twr-1 (kV) | GPR on the S/S (kV) | FFO Across Insulators (kV) |
|---|---|---|---|
| Method-1 | 396 | 227 | 112 |
| Method-2 | 420 | 173 | 131 |
© 2020 by the authors. Licensee MDPI, Basel, Switzerland. This article is an open access article distributed under the terms and conditions of the Creative Commons Attribution (CC BY) license (http://creativecommons.org/licenses/by/4.0/).
Share and Cite
Moselhy, A.H.; Abdel-Aziz, A.M.; Gilany, M.; Emam, A. Impact of First Tower Earthing Resistance on Fast Front Back-Flashover in a 66 kV Transmission System. Energies 2020, 13, 4663. https://doi.org/10.3390/en13184663
Moselhy AH, Abdel-Aziz AM, Gilany M, Emam A. Impact of First Tower Earthing Resistance on Fast Front Back-Flashover in a 66 kV Transmission System. Energies. 2020; 13(18):4663. https://doi.org/10.3390/en13184663
Chicago/Turabian StyleMoselhy, Abdullah H., Abdelaziz M. Abdel-Aziz, Mahmoud Gilany, and Ahmed Emam. 2020. "Impact of First Tower Earthing Resistance on Fast Front Back-Flashover in a 66 kV Transmission System" Energies 13, no. 18: 4663. https://doi.org/10.3390/en13184663
APA StyleMoselhy, A. H., Abdel-Aziz, A. M., Gilany, M., & Emam, A. (2020). Impact of First Tower Earthing Resistance on Fast Front Back-Flashover in a 66 kV Transmission System. Energies, 13(18), 4663. https://doi.org/10.3390/en13184663

