A Design Method for Magnetically Coupled Resonant Coils Considering Transmission Objectives and Dimension Constraints
Abstract
1. Introduction
2. The PTE and PDL Calculation Model
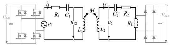
2.1. The MCR-WPT System Model
2.2. The PTE and PDL Calculation Model Applying Simpson Quadrature
3. Design of Resonant Coils
3.1. Design Demands
3.2. Hyperparameters Setting of the PTE and PDL Calculation Model
3.3. Model Verification and Resonant Coil Design
3.3.1. Model Verification
3.3.2. Resonant Coils Design
4. Model Validation and Result Analysis
4.1. Experimental Method
4.2. The Experimental Platform of MCR-WPT System
4.3. Resonant Point Matching
4.4. Result Analysis
4.4.1. PDL
4.4.2. PTE
4.4.3. Actual Transmission Effect of the System with Designed Coils
5. Conclusions
Author Contributions
Funding
Conflicts of Interest
References
- Zhao, Z.; Liu, F.; Chen, K. New Progress of Wireless Charging Technology for Electric Vehicles. Trans. China Electrotech. Soc. 2016, 31, 30–40. [Google Scholar]
- Sun, L.; Ma, D.; Tang, H. A review of recent trends in wireless power transfer technology and its applications in electric vehicle wireless charging. Renew. Sustain. Energy Rev. 2018, 91, 490–503. [Google Scholar] [CrossRef]
- Li, Y.; Xu, Q.; Lin, T.; Hu, J.; He, Z.; Mai, R. Analysis and Design of Load-Independent Output Current or Output Voltage of a Three-Coil Wireless Power Transfer System. IEEE Trans. Transp. Electrif. 2018, 4, 364–375. [Google Scholar] [CrossRef]
- Mizuno, K.; Shinohara, N.; Miyakoshi, J. In Vitro Evaluation of Genotoxic Effects under Magnetic Resonant Coupling Wireless Power Transfer. Int. J. Environ. Res. Public Health 2015, 12, 3853–3863. [Google Scholar] [CrossRef]
- Pratik, U.; Varghese, B.J.; Azad, A.; Pantic, Z. Optimum Design of Decoupled Concentric Coils for Operation in Double-Receiver Wireless Power Transfer Systems. IEEE J. Emerg. Sel. Top. Power Electron. 2019, 7, 1982–1998. [Google Scholar] [CrossRef]
- Arakawa, T.; Goguri, S.; Krogmeier, J.V.; Kruger, A.; Love, D.J.; Mudumbai, R.; Swabey, M.A. Optimizing Wireless Power Transfer From Multiple Transmit Coils. IEEE Access 2018, 6, 23828–23838. [Google Scholar] [CrossRef]
- Kim, T.-H.; Yun, G.-H.; Lee, W.Y.; Yook, J.-G. Asymmetric Coil Structures for Highly Efficient Wireless Power Transfer Systems. IEEE Trans. Microw. Theory Tech. 2018, 66, 3443–3451. [Google Scholar] [CrossRef]
- Li, S.; Liao, C.; Wang, L.; Guo, Y.; Zhu, Q. A review of the Impacts of Coil Design on System Efficiency ofWireless Power Transmission. Trans. China Electrotech. Soc. 2015, 30, 270–275. [Google Scholar]
- Liu, X.; Xia, C.; Yuan, X. Study of the Circular Flat Spiral Coil Structure Effect on Wireless Power Transfer System Performance. Energies 2018, 11, 2875. [Google Scholar] [CrossRef]
- Sun, T.; Xie, X.; Wang, Z. Wireless Power Antennas. In Wireless Power Transfer for Medical Microsystems; Sun, T., Xie, X., Wang, Z., Eds.; Springer: New York, NY, USA, 2013; pp. 41–85. [Google Scholar]
- Tang, S.C.; Lun, T.L.T.; Guo, Z.Y.; Kwok, K.W.; McDannold, N.J. Intermediate Range Wireless Power Transfer With Segmented Coil Transmitters for Implantable Heart Pumps. IEEE Trans. Power Electron. 2017, 32, 3844–3857. [Google Scholar] [CrossRef]
- Raju, S.; Wu, R.; Chan, M.; Yue, C.P. Modeling of Mutual Coupling Between Planar Inductors in Wireless Power Applications. IEEE Trans. Power Electron. 2014, 29, 481–490. [Google Scholar] [CrossRef]
- Luo, Z.; Wei, X. Analysis of Square and Circular Planar Spiral Coils in Wireless Power Transfer System for Electric Vehicles. IEEE Trans. Ind. Electron. 2018, 65, 331–341. [Google Scholar] [CrossRef]
- Shi, Z.H.; Chen, X.Y.; Qiu, Z.C. Modeling of Mutual Inductance Between Superconducting Pancake Coils Used in Wireless Power Transfer (WPT) Systems. IEEE Trans. Appl. Supercond. 2019, 29, 1–4. [Google Scholar] [CrossRef]
- Joy, E.R.; Dalal, A.; Kumar, P. Accurate Computation of Mutual Inductance of Two Air Core Square Coils with Lateral and Angular Misalignments in a Flat Planar Surface. IEEE Trans. Magn. 2013, 50, 1–9. [Google Scholar] [CrossRef]
- Zeng, Y.; Qiu, D.; Zhang, B. Review of Coil Designs for Magnetic Resonant Wireless Power Transfer System. J. Power Supply 2019, 17, 94–104. [Google Scholar]
- Karalis, A.; Joannopoulos, J.D.; Soljacic, M. Efficient wireless non-radiative mid-range energy transfer. Ann. Phys. 2008, 323, 34–48. [Google Scholar] [CrossRef]
- Hu, W.; Yi, L.; Liu, Z.; Yan, H. Loss Analysis and Improvement of All Parts of Magnetic Resonant Wireless Power Transfer System. In Proceedings of the 2015 Chinese Automation Congress (CAC 2015), Wuhan, China, 27–29 November 2015; pp. 2251–2256. [Google Scholar]
- Li, Y.; Wei, Y.; Wang, Q.; Huang, Y.; Cheng, J. Design Method of High Efficiency Class-E Inverter Applied to Magnetic Coupled Resonant Wireless Power Transmission System. Trans. China Electrotech. Soc. 2019, 34, 219–225. [Google Scholar]
- Zhang, X.; Yang, Q.; Zhang, X.; Li, Y.; Jin, L.; Zhang, P. Modeling and Experimental Verification for a Novel Wireless Power Transmission System via Electromagnetic Resonant Coupling. Trans. China Electrotech. Soc. 2014, 29, 185–190. [Google Scholar]
- Lv, C. The Coil Optimization Analysis for Magnetic Coupling Resonance Wireless Power Transfer System. Master’s Thesis, Beijing Jiaotong University, Beijing, China, 2015. [Google Scholar]
- Velleman, D.J. The generalized Simpson’s rule. Am. Math. Mon. 2005, 112, 342–350. [Google Scholar] [CrossRef]
- Niculae, D.; Iordache, M.; Dumitriu, L. Magnetic coupling analysis in wireless transfer energy. In Proceedings of the 2011 7th International Symposium on Advanced Topics in Electrical Engineering (ATEE), Bucharest, Romania, 12–14 May 2011; pp. 1–4. [Google Scholar]
- Pantic, Z.; Lukic, S. Computationally-Efficient, Generalized Expressions for the Proximity-Effect in Multi-Layer, Multi-Turn Tubular Coils for Wireless Power Transfer Systems. IEEE Trans. Magn. 2013, 49, 5404–5416. [Google Scholar] [CrossRef]
- Yu, X.; Liu, Y.; Liu, P.; Wang, J.; Wu, Z. Further Exploration of the distribution of magnetic field and the magnetic flux leakage phenomenon of the finite length solenoid. Phys. Eng. 2016, 26, 68–71. [Google Scholar]










| Symbol | Quantity | Value |
|---|---|---|
| f | Operating frequency | 32.47 kHz |
| U1,dc | Input voltage | 23.80 V |
| RL | Load resistance | 7 Ω |
| a | Radius of the wire | 3.60 mm |
| σ | Wire conductivity | 5.71·107 S/m |
| D | Distance | 12 cm |
| N | r (cm) | Results from FEA | Results from the Proposed Model | Relative Errors | |||||||
|---|---|---|---|---|---|---|---|---|---|---|---|
| MFEA (μH) | I1max (A) | Pout (W) | ƞ (W) | M (μH) | Pout (W) | ƞ (%) | εr-M (%) | εr-Pout (%) | εr-ƞ (%) | ||
| 16 | 13 | 10.16 | 48.92 | 621.00 | 85.14 | 9.86 | 557.43 | 82.01 | 2.95 | 9.40 | 3.68 |
| 15 | 14.70 | 24.66 | 382.48 | 92.18 | 14.53 | 373.08 | 91.21 | 1.16 | 2.47 | 1.06 | |
| 16 | 16.70 | 19.40 | 305.36 | 93.57 | 16.69 | 304.15 | 92.58 | 0.06 | 0.40 | 1.05 | |
| 17 | 20.20 | 13.41 | 212.44 | 94.15 | 19.85 | 201.25 | 93.15 | 1.73 | 5.28 | 1.07 | |
| 18 | 23.46 | 10.04 | 160.42 | 94.93 | 23.22 | 154.27 | 94.57 | 1.02 | 3.83 | 0.34 | |
| 20 | 30.07 | 6.20 | 99.78 | 95.79 | 29.98 | 99.36 | 95.66 | 0.30 | 0.43 | 0.14 | |
| 12 | 16 | 10.65 | 45.42 | 684.85 | 89.62 | 10.50 | 664.31 | 88.05 | 1.41 | 3.00 | 1.75 |
| 14 | 13.67 | 28.29 | 435.52 | 91.51 | 13.47 | 420.94 | 90.80 | 1.46 | 3.35 | 0.78 | |
| 16 | 16.70 | 19.40 | 305.36 | 93.57 | 16.69 | 304.15 | 92.58 | 0.06 | 0.40 | 1.05 | |
| 18 | 20.16 | 13.43 | 211.66 | 93.67 | 20.05 | 207.34 | 93.55 | 0.55 | 2.04 | 0.13 | |
| 20 | 23.55 | 9.95 | 158.13 | 94.45 | 23.26 | 153.48 | 94.24 | 1.23 | 2.94 | 0.22 | |
| 22 | 26.99 | 7.63 | 121.69 | 94.74 | 26.58 | 117.25 | 94.60 | 1.52 | 3.65 | 0.15 | |
| N | r (W) | M from FEA | M from the Ref. [23] | M from the Proposed Model | Relative Errors | |
|---|---|---|---|---|---|---|
| MFEA (μH) | MN (μH) | M (μH) | εr-MN (%) | εr-M (%) | ||
| 16 | 13 | 10.16 | 9.48 | 9.86 | 6.69 | 2.95 |
| 15 | 14.70 | 15.03 | 14.53 | 2.24 | 1.16 | |
| 16 | 16.70 | 16.89 | 16.69 | 1.14 | 0.06 | |
| 17 | 20.20 | 20.61 | 19.85 | 2.03 | 1.73 | |
| 18 | 23.46 | 23.69 | 23.22 | 0.98 | 1.02 | |
| 20 | 30.07 | 30.40 | 29.98 | 1.10 | 0.30 | |
| 12 | 16 | 10.65 | 10.87 | 10.50 | 2.07 | 1.41 |
| 14 | 13.67 | 13.82 | 13.47 | 1.10 | 1.46 | |
| 16 | 16.70 | 16.89 | 16.69 | 1.14 | 0.06 | |
| 18 | 20.16 | 20.02 | 20.05 | 0.69 | 0.55 | |
| 20 | 23.55 | 23.18 | 23.26 | 1.57 | 1.23 | |
| 22 | 26.99 | 26.32 | 26.58 | 2.48 | 1.52 | |
| N | r (cm) | Results from the Proposed Model | Results from the Experiment | Errors | |||
|---|---|---|---|---|---|---|---|
| Pout (W) | ƞ (%) | Pout (W) | ƞ (%) | εr-Pout (%) | Δƞ (%) | ||
| 16 | 13 | 557.43 | 82.01 | 508.5 | 68.87 | 9.62 | 13.14 |
| 14 | 459.82 | 86.31 | 436.8 | 75.48 | 5.27 | 10.83 | |
| 15 | 373.08 | 91.21 | 365.3 | 80.96 | 2.13 | 10.25 | |
| 16 | 304.15 | 92.58 | 309.8 | 88.51 | 1.82 | 4.07 | |
| 18 | 154.27 | 94.57 | 147 | 89.89 | 4.95 | 4.68 | |
| 14 | 16 | 420.94 | 90.8 | 401 | 84.12 | 4.97 | 6.68 |
| 15 | 358.9 | 91.83 | 351.9 | 86.34 | 1.99 | 5.49 | |
| 16 | 304.15 | 92.58 | 309.8 | 88.51 | 1.82 | 4.07 | |
| 17 | 252.69 | 93.11 | 253 | 89.41 | 0.12 | 3.7 | |
| 18 | 207.34 | 93.55 | 199.14 | 90.47 | 4.12 | 3.08 | |
| 20 | 153.48 | 94.24 | 147.6 | 91.22 | 3.98 | 3.02 | |
| Offset | Numerical Results | Experimental Results | Error | |||
|---|---|---|---|---|---|---|
| Δx | Pout (W) | ƞ (W) | Pout (W) | ƞ (%) | εr-Pout (%) | Δƞ (%) |
| 0 | 304.15 | 92.58 | 309.80 | 88.51 | 1.82 | 4.09 |
| 1 | 303.41 | 92.14 | 309.34 | 87.86 | 1.92 | 4.87 |
| 3 | 303.00 | 89.90 | 308.91 | 85.29 | 1.91 | 5.41 |
| 5 | 300.42 | 85.46 | 305.29 | 81.22 | 1.60 | 5.22 |
© 2020 by the authors. Licensee MDPI, Basel, Switzerland. This article is an open access article distributed under the terms and conditions of the Creative Commons Attribution (CC BY) license (http://creativecommons.org/licenses/by/4.0/).
Share and Cite
Wang, J.; Shen, C.; Zhao, P.; Ou, S.; Xu, Z.; Zhang, R.; Song, Z. A Design Method for Magnetically Coupled Resonant Coils Considering Transmission Objectives and Dimension Constraints. Energies 2020, 13, 4144. https://doi.org/10.3390/en13164144
Wang J, Shen C, Zhao P, Ou S, Xu Z, Zhang R, Song Z. A Design Method for Magnetically Coupled Resonant Coils Considering Transmission Objectives and Dimension Constraints. Energies. 2020; 13(16):4144. https://doi.org/10.3390/en13164144
Chicago/Turabian StyleWang, Jingang, Chen Shen, Pengcheng Zhao, Shucheng Ou, Zhi Xu, Ruiqiang Zhang, and Zhiming Song. 2020. "A Design Method for Magnetically Coupled Resonant Coils Considering Transmission Objectives and Dimension Constraints" Energies 13, no. 16: 4144. https://doi.org/10.3390/en13164144
APA StyleWang, J., Shen, C., Zhao, P., Ou, S., Xu, Z., Zhang, R., & Song, Z. (2020). A Design Method for Magnetically Coupled Resonant Coils Considering Transmission Objectives and Dimension Constraints. Energies, 13(16), 4144. https://doi.org/10.3390/en13164144
