A Modular Simulation Testbed for Energy Management in AC/DC Microgrids
Abstract
1. Introduction
- Allows the performing of a systematic study of the energy flows in an AC/DC microgrid using the energetic macroscopic representation (EMR) formalism.
- Provides simulation models, adopted and adapted from literature, for DC and AC sources, power converters, power controllers, and AC loads.
- Provides two ready-to-simulate Matlab Simulink AC/DC microgrid models. All the results presented in this paper can be fully replicated using the files provided in the MDPI repository.
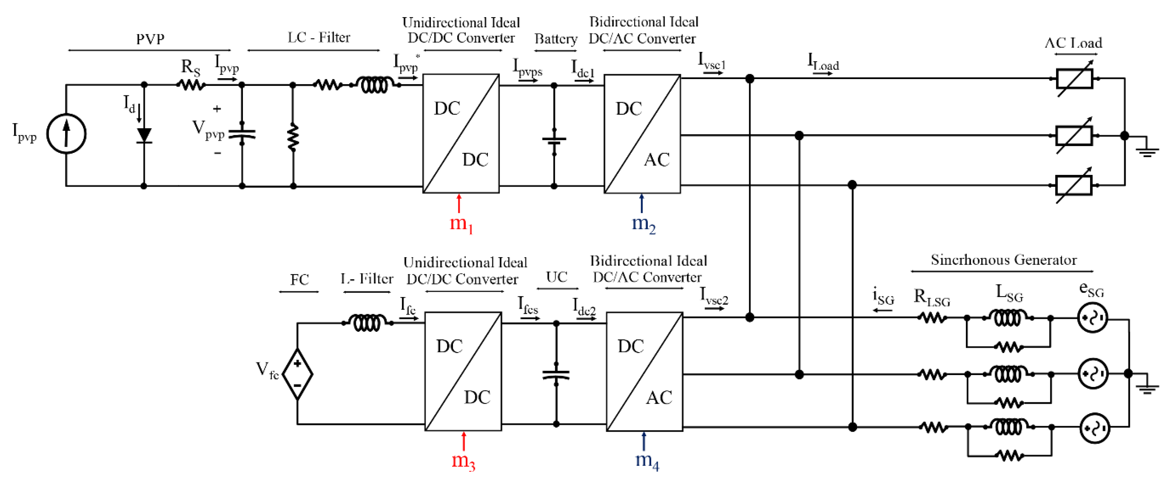
2. Modeling of the Microgrid
2.1. Photovoltaic Generator
2.2. Fuel Cells
2.3. Batteries
2.4. Ultracapacitors
2.5. Synchronous Generator
2.6. Power Converters and Control Strategies
2.6.1. Power Converters
2.6.2. Maximum Power Point Tracker
2.6.3. Phase-Locked Loop
2.6.4. Droop Control
3. Energetic Macroscopic Representation (EMR) of the Microgrid
3.1. Energetic Macroscopic Representation (EMR)
- Organization of the system model in subsystems.
- Inversion of the model using EMR rules.
- Simplifications and estimations.
- Design of energy management strategies.
3.2. EMR of a Power Converter
3.3. EMR of the DC Source 1
3.4. EMR of the Voltage Source Converter (VSC)2
3.5. EMR of Two VSC Supplying a Load
3.6. EMR of the AC/DC Microgrid
4. Case Studies
4.1. Power Distribution between Two VSC in Droop-PQ Control Mode
4.2. Power Distribution among a Synchronous Generator and Two VSC
4.2.1. DC Source 1
4.2.2. DC Source 2
4.2.3. Synchronous Generator
4.2.4. Load and Solar Profiles
4.3. Energy Management
5. Discussion
6. Conclusions
Supplementary Materials
Author Contributions
Funding
Acknowledgments
Conflicts of Interest
References
- Sperstad, I.B.; Korpås, M. Energy Storage Scheduling in Distribution Systems Considering Wind and Photovoltaic Generation Uncertainties. Energies 2019, 12, 1231. [Google Scholar] [CrossRef]
- Saad, S.N.M.; van der Weijde, A.H. Evaluating the Potential of Hosting Capacity Enhancement Using Integrated Grid Planning Modeling Methods. Energies 2019, 12, 3610. [Google Scholar] [CrossRef]
- Kalair, A.; Abas, N.; Khan, N. Comparative Study of HVAC and HVDC Transmission Systems. Renew. Sustain. Energy Rev. 2016, 59, 1653–1675. [Google Scholar]
- Sun, J.; Li, M.; Zhang, Z.; Xu, T.; He, J.; Wang, H.; Li, G. Renewable Energy Transmission by HVDC across the Continent: System Challenges and Opportunities. CSEE J. Power Energy Syst. 2017, 3, 353–364. [Google Scholar] [CrossRef]
- Ludois, D.; Venkataramanan, G. An Examination of AC/HVDC Power Circuits for Interconnecting Bulk Wind Generation with the Electric Grid. Energies 2010, 3, 1263–1289. [Google Scholar] [CrossRef]
- Benchaabane, Y.; Silva, R.E.; Ibrahim, H.; Ilinca, A.; Chandra, A.; Rousse, D.R. Computer Model for Financial, Environmental and Risk Analysis of a Wind–Diesel Hybrid System with Compressed Air Energy Storage. Energies 2019, 12, 4054. [Google Scholar] [CrossRef]
- Cepeda, J.C.O.; Gualdron, C.A.D.; Martinez, J.E.S. Design of an Incentive-based Demand Side Management Strategy using ILP for Stand-Alone Microgrids Planning. Int. J. Renew. Energy Res. 2020, 10, 378–387. [Google Scholar]
- Cecilia, A.; Carroquino, J.; Roda, V.; Costa-Castelló, R.; Barreras, F. Optimal Energy Management in a Standalone Microgrid, with Photovoltaic Generation, Short-Term Storage, and Hydrogen Production. Energies 2020, 13, 1454. [Google Scholar] [CrossRef]
- Lu, X.; Wan, J. Modeling and Control of the Distributed Power Converters in a Standalone DC Microgrid. Energies 2016, 9, 217. [Google Scholar] [CrossRef]
- Guilbert, D.; Vitale, G. Improved Hydrogen-Production-Based Power Management Control of a Wind Turbine Conversion System Coupled with Multistack Proton Exchange Membrane Electrolyzers. Energies 2020, 13, 1239. [Google Scholar] [CrossRef]
- Moncecchi, M.; Brivio, C.; Mandelli, S.; Merlo, M. Battery Energy Storage Systems in Microgrids: Modeling and Design Criteria. Energies 2020, 13, 2006. [Google Scholar] [CrossRef]
- Sebastián, R.; Peña-Alzola, R. Flywheel Energy Storage and Dump Load to Control the Active Power Excess in a Wind Diesel Power System. Energies 2020, 13, 2029. [Google Scholar] [CrossRef]
- Campos-Gaona, D.; Stock, A.; Anaya-Lara, O.; Leithead, W. Dynamic Wind Power Plant Control for System Integration Using the Generator Response Following Concept. Energies 2020, 13, 1804. [Google Scholar] [CrossRef]
- Alsafran, A.S.; Daniels, M.W. Consensus Control for Reactive Power Sharing Using an Adaptive Virtual Impedance Approach. Energies 2020, 13, 2026. [Google Scholar] [CrossRef]
- Xinming, G.; Qunhai, H.; Tongzhen, W.; Jingyuan, Y. A Local Control Strategy for Distributed Energy Fluctuation Suppression Based on Soft Open Point. Energies 2020, 13, 1520. [Google Scholar] [CrossRef]
- Wu, B.; Zhou, X.; Ma, Y. Bus Voltage Control of DC Distribution Network Based on Sliding Mode Active Disturbance Rejection Control Strategy. Energies 2020, 13, 1358. [Google Scholar] [CrossRef]
- Bankovic´, B.; Filipovic´, F.; Mitrovic´, N.; Petronijevic´, M.; Kostic´, V. A Building Block Method for Modeling and Small-Signal Stability Analysis of the Autonomous Microgrid Operation. Energies 2020, 13, 1492. [Google Scholar] [CrossRef]
- Soares, J.; Lezama, F.; Canizes, B.; Vale, Z. WCCI/GECCO 2020 Competition Evolutionary Computation in Uncertain Environments: A Smart Grid Application. Available online: http://www.gecad.isep.ipp.pt/ERM2019-Competition/ (accessed on 11 July 2020).
- Lezama, F.; Soares, J.; Vale, Z.; Rueda, J.; Wagner, M. CEC/GECCO 2019 Competition Evolutionary Computation in Uncertain Environments: A Smart Grid Application. Available online: http://www.gecad.isep.ipp.pt/WCCI2018-SG-COMPETITION/ (accessed on 11 July 2020).
- Solano, J.; Jemei, S.; Boulon, L.; Silva, L.; Hissel, D.; Pera, M.C. IEEE VTS Motor Vehicles Challenge 2020-Energy Management of a Fuel Cell/Ultracapacitor/Lead-Acid Battery Hybrid Electric Vehicle. In Proceedings of the 2019 IEEE Vehicle Power and Propulsion Conference (VPPC), Hanoi, Vietnam, 14–17 October 2019; pp. 1–6. [Google Scholar]
- Lhomme, W.; Letrouve, T.; Boulon, L.; Jemei, S.; Bouscayrol, A.; Chauvet, F.; Tournez, F. IEEE VTS Motor Vehicles Challenge 2019-Energy Management of a Dual-Mode Locomotive. In Proceedings of the 2018 IEEE Vehicle Power and Propulsion Conference (VPPC), Chicago, IL, USA, 27–30 August 2018; pp. 1–6. [Google Scholar]
- Depature, C.; Jemei, S.; Boulon, L.; Bouscayrol, A.; Marx, N.; Morando, S.; Castaings, A. IEEE VTS Motor Vehicles Challenge 2017 - Energy Management of a Fuel Cell/Battery Vehicle. In Proceedings of the 2016 IEEE Vehicle Power and Propulsion Conference (VPPC), Hangzhou, China, 17–20 October 2016; pp. 1–6. [Google Scholar]
- Amaya, E.G.; Chiacchiarini, H.; De Angelo, C.; Asensio, M. The Energy Management Strategy of FC/Battery Vehicles Winner of the 2017 IEEE VTS Motor Vehicles Challenge. In Proceedings of the 2017 IEEE Vehicle Power and Propulsion Conference (VPPC), Belfort, France, 1–14 December 2017; pp. 1–6. [Google Scholar]
- Mendoza, D.S.; Acevedo, P.; Jaimes, J.S.; Solano, J. Energy Management of a Dual-Mode Locomotive Based on the Energy Sources Characteristics. In Proceedings of the 2019 IEEE Vehicle Power and Propulsion Conference (VPPC), Hanoi, Vietnam, 14–17 October 2019; pp. 1–4. [Google Scholar]
- Garcia-Guarin, J.; Rodriguez, D.; Alvarez, D.; Rivera, S.; Cortes, C.; Guzman, A.; Bretas, A.; Aguero, J.R.; Bretas, N. Smart Microgrids Operation Considering a Variable Neighborhood Search: The Differential Evolutionary Particle Swarm Optimization Algorithm. Energies 2019, 12, 3149. [Google Scholar] [CrossRef]
- Garcia-Guarin, J.; Rivera, S.; Trigos, L. Multiobjective Optimization of Smart Grids Considering Market Power. J. Phys. 2019, 1409, 12006. [Google Scholar] [CrossRef]
- Delarue, P.; Bouscayrol, A.; Tounzi, A.; Guillaud, X.; Lancigu, G. Modelling, Control and Simulation of an Overall Wind Energy Conversion System. Renew. Energy 2003, 28, 1169–1185. [Google Scholar] [CrossRef]
- Solano, J.; Hissel, D.; Pera, M. Fail-Safe Power for Hybrid Electric Vehicles: Implementing a Self-Sustained Global Energy Management System. IEEE Veh. Technol. Mag. 2018, 13, 34–39. [Google Scholar] [CrossRef]
- Abdelsalam, A.A.; Cui, S. A Fuzzy Logic Global Power Management Strategy for Hybrid Electric Vehicles Based on a Permanent Magnet Electric Variable Transmission. Energies 2012, 5, 1175–1198. [Google Scholar] [CrossRef]
- Xu, Q.; Cui, S.; Song, L.; Zhang, Q. Research on the Power Management Strategy of Hybrid Electric Vehicles Based on Electric Variable Transmissions. Energies 2014, 7, 934–960. [Google Scholar] [CrossRef]
- Gan, S.; Chrenko, D.; Kéromnès, A.; Le Moyne, L. Development of a Multi-Architecture and Multi-Application Hybrid Vehicle Design and Management Tool. Energies 2018, 11, 3185. [Google Scholar] [CrossRef]
- Lopez, G.L.; Rodriguez, R.S.; Alvarado, V.M.; Gomez-Aguilar, J.; Mota, J.E.; Sandoval, C. Hybrid PEMFC-Supercapacitor System: Modeling and Energy Management in Energetic Macroscopic Representation. Appl. Energy 2017, 205, 1478–1494. [Google Scholar] [CrossRef]
- Lhomme, W.; Delarue, P.; Giraud, F.; Lemaire-Semail, B.; Bouscayrol, A. Simulation of a Photovoltaic Conversion System Using Energetic Macroscopic Representation. In Proceedings of the 2012 15th International Power Electronics and Motion Control Conference (EPE/PEMC), Novi Sad, Serbia, 4–6 September 2012; pp. DS3e.7-1–DS3e.7-6. [Google Scholar]
- Barakat, M.R.; Tala-Ighil, B.; Chaoui, H.; Gualous, H.; Slamani, Y.; Hissel, D. Energetic Macroscopic Representation of a Marine Current Turbine System with Loss Minimization Control. IEEE Trans. Sustain. Energy 2017, 9, 106–117. [Google Scholar] [CrossRef]
- Locment, F.; Sechilariu, M. Modeling and Simulation of DC Microgrids for Electric Vehicle Charging Stations. Energies 2015, 8, 4335–4356. [Google Scholar] [CrossRef]
- Zubieta, L.; Bonert, R. Characterization of Double-Layer Capacitors for Power Electronics Applications. IEEE Trans. Ind. Appl. 2000, 36, 199–205. [Google Scholar] [CrossRef]
- Ceraolo, M. New Dynamical Models of Lead-Acid Batteries. IEEE Trans. Power Syst. 2000, 15, 1184–1190. [Google Scholar] [CrossRef]
- Fan, L. Control and Dynamics in Power Systems and Microgrids; CRC Press: Cleveland, OH, USA, 2017. [Google Scholar]
- Kundur, P.; Balu, N.J.; Lauby, M.G. Power System Stability and Control; McGraw-hill: New York, NY, USA, 1994; Volume 7. [Google Scholar]
- Li, X.; Pan, C.; Luo, D.; Sun, Y. Series DC Arc Simulation of Photovoltaic System Based on Habedank Model. Energies 2020, 13, 1416. [Google Scholar] [CrossRef]
- Kececioglu, O.F.; Gani, A.; Sekkeli, M. Design and Hardware Implementation Based on Hybrid Structure for MPPT of PV System Using an Interval Type-2 TSK Fuzzy Logic Controller. Energies 2020, 13, 1842. [Google Scholar] [CrossRef]
- Ma, M.; Liu, X.; Lee, K.Y. Maximum Power Point Tracking and Voltage Regulation of Two-Stage Grid-Tied PV System Based on Model Predictive Control. Energies 2020, 13, 1304. [Google Scholar] [CrossRef]
- Kebir, T.; Filiz, G.; Larbes, C.; Ilinca, A.; Obeidi, T.; Tchoketch Kebir, S. Study of the Intelligent Behavior of a Maximum Photovoltaic Energy Tracking Fuzzy Controller. Energies 2018, 11, 3263. [Google Scholar] [CrossRef]
- Osma-Pinto, G.; García-Rodríguez, M.; Moreno-Vargas, J.; Duarte-Gualdrón, C. Impact Evaluation of Grid-Connected PV Systems on PQ Parameters by Comparative Analysis based on Inferential Statistics. Energies 2020, 13, 1668. [Google Scholar] [CrossRef]
- Khezzar, R.; Zereg, M.; Khezzar, A. Modeling Improvement of the Four Parameter Model for Photovoltaic Modules. Sol. Energy 2014, 110, 452–462. [Google Scholar] [CrossRef]
- Shell Solar Product Information Sheet Shell SM55 Photovoltaic Solar Module. Available online: http://www.atlantasolar.com/pdf/Shell/ShellSM55_USv1.pdf (accessed on 7 July 2020).
- Kim, H.i.; Cho, C.Y.; Nam, J.H.; Shin, D.; Chung, T.Y. A Simple Dynamic Model for Polymer Electrolyte Membrane Fuel Cell (PEMFC) Power Modules: Parameter Estimation and Model Prediction. Int. J. Hydrog. Energy 2010, 35, 3656–3663. [Google Scholar] [CrossRef]
- Jia, J.; Li, Q.; Wang, Y.; Cham, Y.; Han, M. Modeling and Dynamic Characteristic Simulation of a Proton Exchange Membrane Fuel Cell. IEEE Trans. Energy Convers. 2009, 24, 283–291. [Google Scholar] [CrossRef]
- Feroldi, D.; Serra, M.; Riera, J. Energy Management Strategies Based on Efficiency Map for Fuel Cell Hybrid Vehicles. J. Power Sources 2009, 190, 387–401. [Google Scholar] [CrossRef]
- El Kadri, K.; Berthon, A. Energy Management Operating Modes Concerning a Hybrid Heavy Vehicle. In Proceedings of the EUROCON 2007—The International Conference on Computer as a Tool, Warsaw, Poland, 9–12 September 2007; pp. 1587–1593. [Google Scholar]
- Abbey, C.; Joos, G. Supercapacitor Energy Storage for Wind Energy Applications. IEEE Trans. Ind. Appl. 2007, 43, 769–776. [Google Scholar] [CrossRef]
- Pegueroles-Queralt, J.; Bianchi, F.D.; Gomis-Bellmunt, O. A Power Smoothing System Based on Supercapacitors for Renewable Distributed Generation. IEEE Trans. Ind. Electron. 2014, 62, 343–350. [Google Scholar] [CrossRef]
- Tummuru, N.R.; Mishra, M.K.; Srinivas, S. Dynamic Energy Management of Renewable Grid Integrated Hybrid Energy Storage System. IEEE Trans. Ind. Electron. 2015, 62, 7728–7737. [Google Scholar] [CrossRef]
- Solano Martinez, J.; Hissel, D.; Pera, M.; Amiet, M. Practical Control Structure and Energy Management of a Testbed Hybrid Electric Vehicle. IEEE Trans. Veh. Technol. 2011, 60, 4139–4152. [Google Scholar] [CrossRef]
- Lahyani, A.; Venet, P.; Guermazi, A.; Troudi, A. Battery/Supercapacitors Combination in Uninterruptible Power Supply (UPS). IEEE Trans. Power Electron. 2012, 28, 1509–1522. [Google Scholar] [CrossRef]
- Solano, J.; Hissel, D.; Pera, M.C. Modeling and Parameter Identification of Ultracapacitors for Hybrid Electrical Vehicles. In Proceedings of the IEEE Vehicle Power and Propulsion Conference, Beijing, China, 15–18 October 2013; pp. 214–217. [Google Scholar]
- Solano, J.; Duarte, J.; Vargas, E.; Cabrera, J.; Jácome, A.; Botero, M.; Rey, J. Dynamic Model and Control of a Photovoltaic Generation System Using Energetic Macroscopic Representation. Int. J. Emerg. Electr. Power Syst. 2016, 17, 575–582. [Google Scholar] [CrossRef]
- Pham, X.H.T. Power Sharing Strategy in Islanded Microgrids Using Improved Droop Control. Electr. Power Syst. Res. 2020, 180, 106164. [Google Scholar] [CrossRef]
- Dohler, J.S.; de Almeida, P.M.; de Oliveira, J.G. Droop Control for Power Sharing and Voltage and Frequency Regulation in Parallel Distributed Generations on AC Microgrid. In Proceedings of the 2018 13th IEEE International Conference on Industry Applications (INDUSCON), São Paulo, Brazil, 12–14 November 2018; pp. 1–6. [Google Scholar]
- Paynter, H. Analysis and Design of Engineering Systems; MIT Press: Cambridge, MA, USA, 1961. [Google Scholar]
- Geitner, G.; Hofmann, W. Teaching Power Flow Oriented Modelling of Dynamic Systems—Basics. In Proceedings of the 2009 13th European Conference on Power Electronics and Applications, Barcelona, Spain, 8–10 September 2009; pp. 1–10. [Google Scholar]
- Bouscayrol, A. Formalismes de Représentation et de Commande des Systèmes Electromécaniques Multimachines Multiconvertisseurs. Available online: http://l2ep.univ-lille1.fr/fileupload/file/theses/AlainBouscayrol.pdf (accessed on 11 July 2020).
- Chen, K. Common Energetic Macroscopic Representation and Unified Control Structure for Different Hybrid Electrical Vehicles. Ph.D. Thesis, Université de sciences et technologies de Lille, Université de Franche-Comté, Lille, France, 2010. [Google Scholar]
- EMRwebsite. Available online: http://www.emrwebsite.org/ (accessed on 7 July 2020).
- Comisión de Regulación de Energía y Gas CREG. Propuesta para Remunerar la Generación, Distribución y Comercialización de Energía Eléctrica en las ZNI. Available online: https://creg.gov.co/sites/default/files/propuesta_para_remunerar_la_generacion_distribucion_y_comercializacion_de_energia_electrica_en_las_zni.pdf (accessed on 11 July 2020).































© 2020 by the authors. Licensee MDPI, Basel, Switzerland. This article is an open access article distributed under the terms and conditions of the Creative Commons Attribution (CC BY) license (http://creativecommons.org/licenses/by/4.0/).
Share and Cite
Solano, J.; Jimenez, D.; Ilinca, A. A Modular Simulation Testbed for Energy Management in AC/DC Microgrids. Energies 2020, 13, 4049. https://doi.org/10.3390/en13164049
Solano J, Jimenez D, Ilinca A. A Modular Simulation Testbed for Energy Management in AC/DC Microgrids. Energies. 2020; 13(16):4049. https://doi.org/10.3390/en13164049
Chicago/Turabian StyleSolano, Javier, Diego Jimenez, and Adrian Ilinca. 2020. "A Modular Simulation Testbed for Energy Management in AC/DC Microgrids" Energies 13, no. 16: 4049. https://doi.org/10.3390/en13164049
APA StyleSolano, J., Jimenez, D., & Ilinca, A. (2020). A Modular Simulation Testbed for Energy Management in AC/DC Microgrids. Energies, 13(16), 4049. https://doi.org/10.3390/en13164049

