Distributed Operation of Microgrids Considering Secondary Frequency Restoration Based on the Diffusion Algorithm
Abstract
1. Introduction
- ◾
- A distributed control strategy of the MG system is proposed, which maintains both economic operation and frequency restoration of the MG system in a single layer. The proposed strategy avoids the load prediction step by employing the optimization of frequency deviation, which overcomes the problem of load uncertainty in the optimization problem.
- ◾
- A diffusion-based distributed control is proposed to improve the convergence speed of the distributed control, leading to an improvement in power response and frequency regulation.
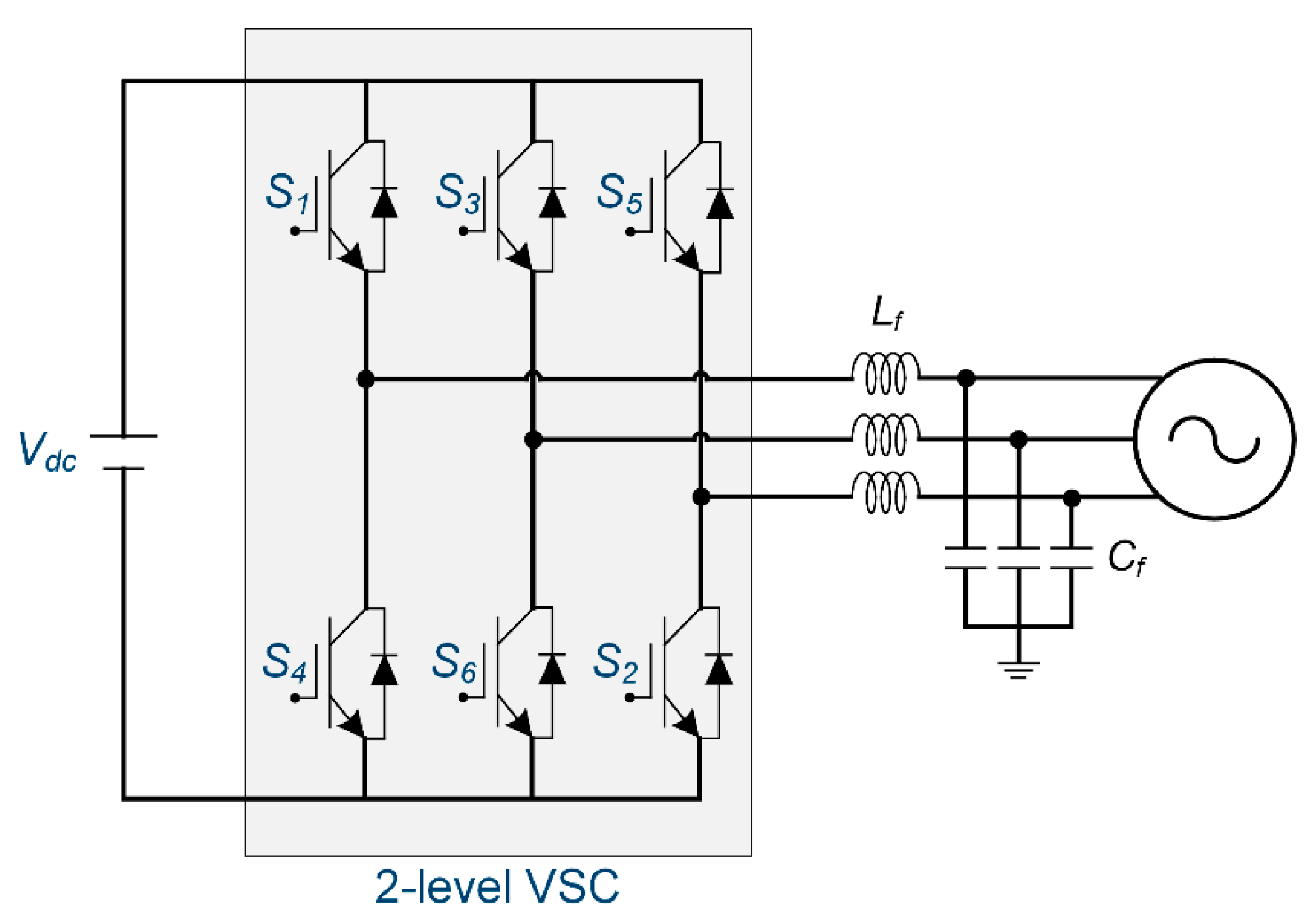
2. Control Strategies of the MG System
3. Proposed Distributed MG Control
3.1. Primary Control of DGs
3.2. Diffusion-Based Secondary Control of the Microgrid System
3.2.1. Optimal Operation of the MG System
3.2.2. Proposed Diffusion-Based Distributed Control of the MG System
4. Simulation Results
5. Conclusions
Author Contributions
Funding
Conflicts of Interest
References
- Zhao, J.; Dörfler, F. Distributed control and optimization in DC microgrids. Automatica 2015, 61, 18–26. [Google Scholar] [CrossRef]
- Bolognani, S.; Zampieri, S. A distributed control strategy for reactive power compensation in smart microgrids. IEEE Trans. Automat. Contr. 2013, 58, 2818–2833. [Google Scholar] [CrossRef]
- Morstyn, T.; Hredzak, B.; Demetriades, G.D.; Agelidis, V.G. Unified distributed control for DC microgrid operating modes. IEEE Trans. Power Syst. 2016, 31, 802–812. [Google Scholar] [CrossRef]
- Anand, S.; Fernandes, B.G.; Guerrero, J. Distributed control to ensure proportional load sharing and improve voltage regulation in low-voltage DC microgrids. IEEE Trans. Power Electron. 2013, 28, 1900–1913. [Google Scholar] [CrossRef]
- Liu, W.; Zhuang, P.; Liang, H.; Peng, J.; Huang, Z. Distributed Economic Dispatch in Microgrids Based on Cooperative Reinforcement Learning. IEEE Trans. Neural Netw. Learn. Syst. 2018, 29, 2192–2203. [Google Scholar] [CrossRef]
- Yazdanian, M.; Mehrizi-Sani, A. Distributed control techniques in microgrids. IEEE Trans. Smart Grid 2014, 5, 2901–2909. [Google Scholar] [CrossRef]
- Tsianos, K.I.; Lawlor, S.; Rabbat, M.G. Consensus-based distributed optimization: Practical issues and applications in large-scale machine learning. In Proceedings of the 2012 50th Annual Allerton Conference on Communication, Control, and Computing, Allerton, Monticello, IL, USA, 1–5 October 2012. [Google Scholar]
- Zhang, Z.; Chow, M.Y. Convergence analysis of the incremental cost consensus algorithm under different communication network topologies in a smart grid. IEEE Trans. Power Syst. 2012, 27, 1761–1768. [Google Scholar] [CrossRef]
- Yang, S.; Tan, S.; Xu, J.X. Consensus based approach for economic dispatch problem in a smart grid. IEEE Trans. Power Syst. 2013, 28, 4416–4426. [Google Scholar] [CrossRef]
- Yang, Z.; Xiang, J.; Li, Y. Distributed virtual incremental cost consensus algorithm for economic dispatch in a microgrid. IEEE Int. Conf. Control Autom. ICCA 2016, 2016, 383–388. [Google Scholar]
- Lee, S.J.; Choi, J.Y.; Lee, H.J.; Won, D.J. Distributed coordination control strategy for a multi-microgrid based on a consensus algorithm. Energies 2017, 10, 1017. [Google Scholar] [CrossRef]
- Cattivelli, F.S.; Sayed, A.H. Diffusion LMS strategies for distributed estimation. IEEE Trans. Signal Process. 2010, 58, 1035–1048. [Google Scholar] [CrossRef]
- Yoo, H.J.; Nguyen, T.T.; Kim, H.M. Diffusion-Based Distributed Coordination Control of Power Converters in MG for Efficiency Improvement. IEEE Access 2019, 7, 53347–53357. [Google Scholar] [CrossRef]
- Chen, J.; Sayed, A.H. Diffusion adaptation strategies for distributed optimization and learning over networks. IEEE Trans. Signal Process. 2012, 60, 4289–4305. [Google Scholar] [CrossRef]
- Bui, V.H.; Hussain, A.; Kim, H.M. Diffusion strategy-based distributed operation of microgrids using multiagent system. Energies 2017, 10, 903. [Google Scholar] [CrossRef]
- He, Y.; Wang, W.; Wu, X. Multi-Agent Based Fully Distributed Economic Dispatch in Microgrid Using Exact Diffusion Strategy. IEEE Access 2020, 8, 7020–7031. [Google Scholar] [CrossRef]
- De Azevedo, R.; Cintuglu, M.H.; Ma, T.; Mohammed, O.A. Multiagent-Based Optimal Microgrid Control Using Fully Distributed Diffusion Strategy. IEEE Trans. Smart Grid 2017, 8, 1997–2008. [Google Scholar] [CrossRef]
- Guo, F.; Wen, C.; Mao, J.; Song, Y.D. Distributed Secondary Voltage and Frequency Restoration Control of Droop-Controlled Inverter-Based Microgrids. IEEE Trans. Ind. Electron. 2015, 62, 4355–4364. [Google Scholar] [CrossRef]
- Ahumada, C.; Cárdenas, R.; Sáez, D.; Guerrero, J.M. Secondary Control Strategies for Frequency Restoration in Islanded Microgrids With Consideration of Communication Delays. IEEE Trans. Smart Grid 2016, 7, 1430–1441. [Google Scholar] [CrossRef]
- Simpson-Porco, J.W.; Shafiee, Q.; Dorfler, F.; Vasquez, J.C.; Guerrero, J.M.; Bullo, F. Secondary Frequency and Voltage Control of Islanded Microgrids via Distributed Averaging. IEEE Trans. Ind. Electron. 2015, 62, 7025–7038. [Google Scholar] [CrossRef]
- Dehkordi, N.M.; Sadati, N.; Hamzeh, M. Distributed Robust Finite-Time Secondary Voltage and Frequency Control of Islanded Microgrids. IEEE Trans. Power Syst. 2017, 32, 3648–3659. [Google Scholar] [CrossRef]
- Cady, S.T.; Domínguez-García, A.D.; Hadjicostis, C.N. Finite-time approximate consensus and its application to distributed frequency regulation in islanded AC microgrids. Proc. Annu. Hawaii Int. Conf. Syst. Sci. 2015, 2015, 2664–2670. [Google Scholar]
- Fu, R.; Wu, Y.; Wang, H.; Xie, J. A distributed control strategy for frequency regulation in smart grids based on the consensus protocol. Energies 2015, 8, 7930–7944. [Google Scholar] [CrossRef]
- Wu, D.; Dragicevic, T.; Vasquez, J.C.; Guerrero, J.M.; Guan, Y. Secondary coordinated control of islanded microgrids based on consensus algorithms. In Proceedings of the 2014 IEEE Energy Conversion Congress and Exposition (ECCE), Pittsburgh, PA, USA, 14–18 September 2014; pp. 4290–4297. [Google Scholar]
- Nguyen, C.K.; Nguyen, T.T.; Yoo, H.J.; Kim, H.M. Consensus-based SOC balancing of battery energy storage systems in wind farm. Energies 2018, 11, 3507. [Google Scholar] [CrossRef]
- Chen, F.; Chen, M.; Li, Q.; Meng, K.; Zheng, Y.; Guerrero, J.M.; Abbott, D. Cost-Based Droop Schemes for Economic Dispatch in Islanded Microgrids. IEEE Trans. Smart Grid 2017, 8, 63–74. [Google Scholar] [CrossRef]
- Chen, G.; Lewis, F.L.; Feng, E.N.; Song, Y. Distributed Optimal Active Power Control of Multiple Generation Systems. IEEE Trans. Ind. Electron. 2015, 62, 7079–7090. [Google Scholar] [CrossRef]
- Hu, Y.F.; Blake, R.J. An improved diffusion algorithm for dynamic load balancing. Parallel Comput. 1999, 25, 417–444. [Google Scholar] [CrossRef]
- Pogaku, N.; Prodanović, M.; Green, T.C. Modeling, analysis and testing of autonomous operation of an inverter-based microgrid. IEEE Trans. Power Electron. 2007, 22, 613–625. [Google Scholar] [CrossRef]
- Wei, B.; Gui, Y.; Trujillo, S.; Guerrero, J.M.; Vasquez, J.C. Distributed Average Integral Secondary Control for Modular UPS Systems-Based Microgrids. IEEE Trans. Power Electron. 2019, 34, 6922–6936. [Google Scholar] [CrossRef]
- Gui, Y.; Wei, B.; Li, M.; Guerrero, J.M.; Vasquez, J.C. Passivity-based coordinated control for islanded AC microgrid. Appl. Energy 2018, 229, 551–561. [Google Scholar] [CrossRef]















| Parameter | Symbol | Value | 
|---|---|---|
| Line Resistance | 0.0355 Ω | |
| Line Inductance | 0.15 mH | |
| Load 1 | 3 kW | |
| Load 2 | 4 kW | |
| Load 3 | 5 kW | |
| System frequency | 60 Hz | |
| System voltage | 380 V | 
| Unit | |||
|---|---|---|---|
| 1 | 0.001562 | 3.92 | 561 | 
| 2 | 0.00194 | 3.85 | 310 | 
| 3 | 0.00482 | 3.97 | 78 | 
| 4 | 0.00252 | 3.75 | 250 | 
| Parameter | Symbol | Value | 
|---|---|---|
| Filter Inductance | 2.5 mH | |
| Filter Capacitance | 35 µF | |
| Output AC voltage | 380 V | |
| DC-link voltage | 800 V | |
| PI gains of current control | / | 10.5/16,000 | 
| PI gains of outer voltage control | / | 0.05/390 | 
| Droop gains | 9.4 × 10−4/1.94 × 10−3 | |
| Sampling time | 50 µs | |
| Communication time | 0.1 s | 
© 2020 by the authors. Licensee MDPI, Basel, Switzerland. This article is an open access article distributed under the terms and conditions of the Creative Commons Attribution (CC BY) license (http://creativecommons.org/licenses/by/4.0/).
Share and Cite
Hong, S.-B.; Nguyen, T.-T.; Jeon, J.; Kim, H.-M. Distributed Operation of Microgrids Considering Secondary Frequency Restoration Based on the Diffusion Algorithm. Energies 2020, 13, 3207. https://doi.org/10.3390/en13123207
Hong S-B, Nguyen T-T, Jeon J, Kim H-M. Distributed Operation of Microgrids Considering Secondary Frequency Restoration Based on the Diffusion Algorithm. Energies. 2020; 13(12):3207. https://doi.org/10.3390/en13123207
Chicago/Turabian StyleHong, Su-Been, Thai-Thanh Nguyen, Jinhong Jeon, and Hak-Man Kim. 2020. "Distributed Operation of Microgrids Considering Secondary Frequency Restoration Based on the Diffusion Algorithm" Energies 13, no. 12: 3207. https://doi.org/10.3390/en13123207
APA StyleHong, S.-B., Nguyen, T.-T., Jeon, J., & Kim, H.-M. (2020). Distributed Operation of Microgrids Considering Secondary Frequency Restoration Based on the Diffusion Algorithm. Energies, 13(12), 3207. https://doi.org/10.3390/en13123207
 
        


 
       