Performance Characteristics of Single-Phase Self-Excited Induction Generators with an Iron Core of Various Non-Grain Oriented Electrical Sheets
Abstract
1. Introduction
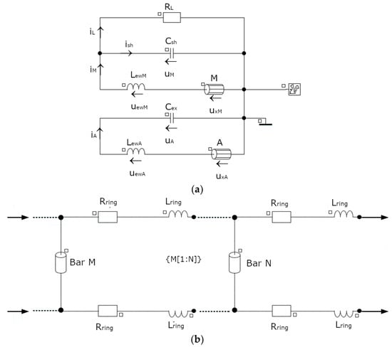
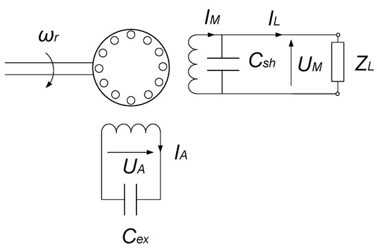
2. Field–Circuit Method for the Simulation of Generator Self-Excitation and Work
- To analyze the self-excitation phenomenon in the generator, a two-dimensional, time-stepping finite element method for the magnetic field computation is used.
- A constant rotor speed is assumed.
- The hysteresis effect on the magnetic core is neglected.
3. Performance Characteristics for Different Types of Electrical Sheets
4. Conclusions
Author Contributions
Funding
Conflicts of Interest
References
- Kalla, U.K.; Singh, B.P.; Murthy, S.S.; Jain, C.; Kant, K. Adaptive Sliding Mode Control of Standalone Single-Phase Microgrid Using Hydro, Wind, and Solar PV Array-Based Generation. IEEE Trans. Smart Grid 2017, 9, 6806–6814. [Google Scholar] [CrossRef]
- Kalla, U.K.; Singh, B.P.; Murthy, S.S. Green Controller for Efficient Diesel Engine Driven Single-Phase SEIG Using Maximum Efficiency Point Operation. IEEE Trans. Ind. Electron. 2016, 64, 264–274. [Google Scholar] [CrossRef]
- Kalla, U.K.; Singh, B.P.; Murthy, S.S. Implementation of Voltage Controller of Single-phase Self-excited Induction Generator. Electr. Power Compon. Syst. 2016, 44, 1–15. [Google Scholar] [CrossRef]
- Shah, M.; Somkun, S. Efficiency Evaluation of Three Phase and Single Phase C2C Self-Excited Induction Generator for Micro Hydro Power Application. Energy Procedia 2017, 138, 193–198. [Google Scholar] [CrossRef]
- Zhong, H.; Wang, B.; Wu, C.; Wang, J. Performance analysis of three-phase self-excited induction generator under single-phase load. In Proceedings of the 19th International Conference on Electrical Machines and Systems (ICEMS), Chiba, Japan, 13–16 November 2016; Available online: https://ieeexplore.ieee.org/document/7837340 (accessed on 18 June 2020).
- Benhacine, T.Z.E.; Nesba, A.; Mekhtoub, S.; Ibtiouen, R. A new approach for steady state analysis of three-phase SEIG feeding single-phase load. Compel–Int. J. Comput. Math. Electr. Electron. Eng. 2019, 38, 46–67. [Google Scholar] [CrossRef]
- Kim, B.; Pietrzak-David, M.; Maussion, P.; Bun, L. Novel structure of single-phase generator from three-phase induction machine: Modeling and simulation. In Proceedings of the IECON 2017–43rd Annual Conference of the IEEE Industrial Electronics Society Institute of Electrical and Electronics Engineers (IEEE), Beijing, China, 29 October–1 Novemeber 2017; pp. 7653–7659. [Google Scholar]
- Murthy, S.S.; Singh, B.; Sandeep, V. Design-based computational procedure for performance prediction and analysis of single-phase self-excited induction generator. IET Electr. Power Appl. 2013, 7, 477–486. [Google Scholar] [CrossRef]
- Arkkio, A. Analysis of Induction Motors Based on the Numerical Solution of the Magnetic Field and Circuit Equations D. Doctoral Thesis, Helsinki University of Technology, Helsinki, Finland, 1987. Available online: https://aaltodoc.aalto.fi/handle/123456789/2158 (accessed on 18 June 2020).
- Makowski, K.; Leicht, A. Field-circuit analysis and measurements of a single-phase self-excited induction generator. Open Phys. 2017, 15, 913–917. [Google Scholar] [CrossRef][Green Version]
- Boldea, I.; Nasar, S.A. The Induction Machine Handbook; Informa UK Limited: London, UK, 2010. [Google Scholar]











| Rated power | 1.1 kW | Stator outer diameter | 135 mm |
| Rated voltage | 230 V | Stator slot height | 13 mm |
| Rated current | 7.5 A | Stator inner diameter | 86 mm |
| Rated speed | 1380 rpm | Airgap width | 0,25 mm |
| Run capacitor | 30 µF | Rotor outer diameter | 85,5 mm |
| Rated frequency | 50 Hz | Rotor slot height | 14 mm |
| Moment of inertia | 0.0024 kg∙m2 | Rotor inner diameter | 32 mm |
| Weight | 12 kg | Main/auxiliary winding number of turns | 424/528 |
| No-Load Voltage UM (V) | Steel Type |
|---|---|
| 230 | M330 |
| 245 | M470 |
| 240 | M500 |
| 240 | M530 |
| 245 | M700 |
| 226 | IG steel core |
© 2020 by the authors. Licensee MDPI, Basel, Switzerland. This article is an open access article distributed under the terms and conditions of the Creative Commons Attribution (CC BY) license (http://creativecommons.org/licenses/by/4.0/).
Share and Cite
Makowski, K.; Leicht, A. Performance Characteristics of Single-Phase Self-Excited Induction Generators with an Iron Core of Various Non-Grain Oriented Electrical Sheets. Energies 2020, 13, 3166. https://doi.org/10.3390/en13123166
Makowski K, Leicht A. Performance Characteristics of Single-Phase Self-Excited Induction Generators with an Iron Core of Various Non-Grain Oriented Electrical Sheets. Energies. 2020; 13(12):3166. https://doi.org/10.3390/en13123166
Chicago/Turabian StyleMakowski, Krzysztof, and Aleksander Leicht. 2020. "Performance Characteristics of Single-Phase Self-Excited Induction Generators with an Iron Core of Various Non-Grain Oriented Electrical Sheets" Energies 13, no. 12: 3166. https://doi.org/10.3390/en13123166
APA StyleMakowski, K., & Leicht, A. (2020). Performance Characteristics of Single-Phase Self-Excited Induction Generators with an Iron Core of Various Non-Grain Oriented Electrical Sheets. Energies, 13(12), 3166. https://doi.org/10.3390/en13123166

