Experimental Sensorless Control of Switched Reluctance Motor for Electrical Powertrain System
Abstract
1. Introduction
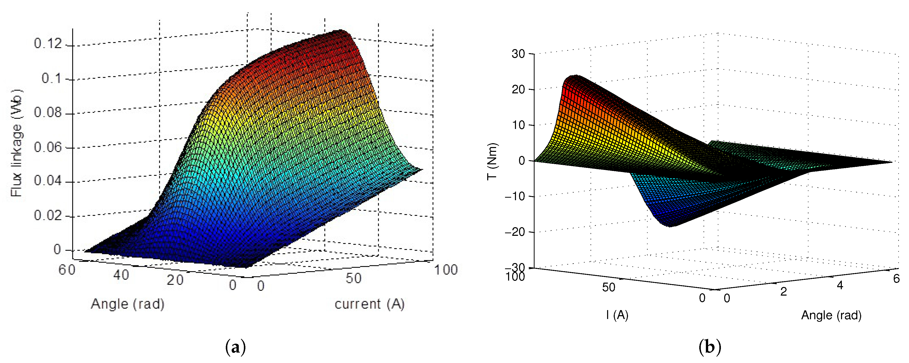
2. Modeling of Switched Reluctance Motor
3. Sensorless Control Scheme of the SRM
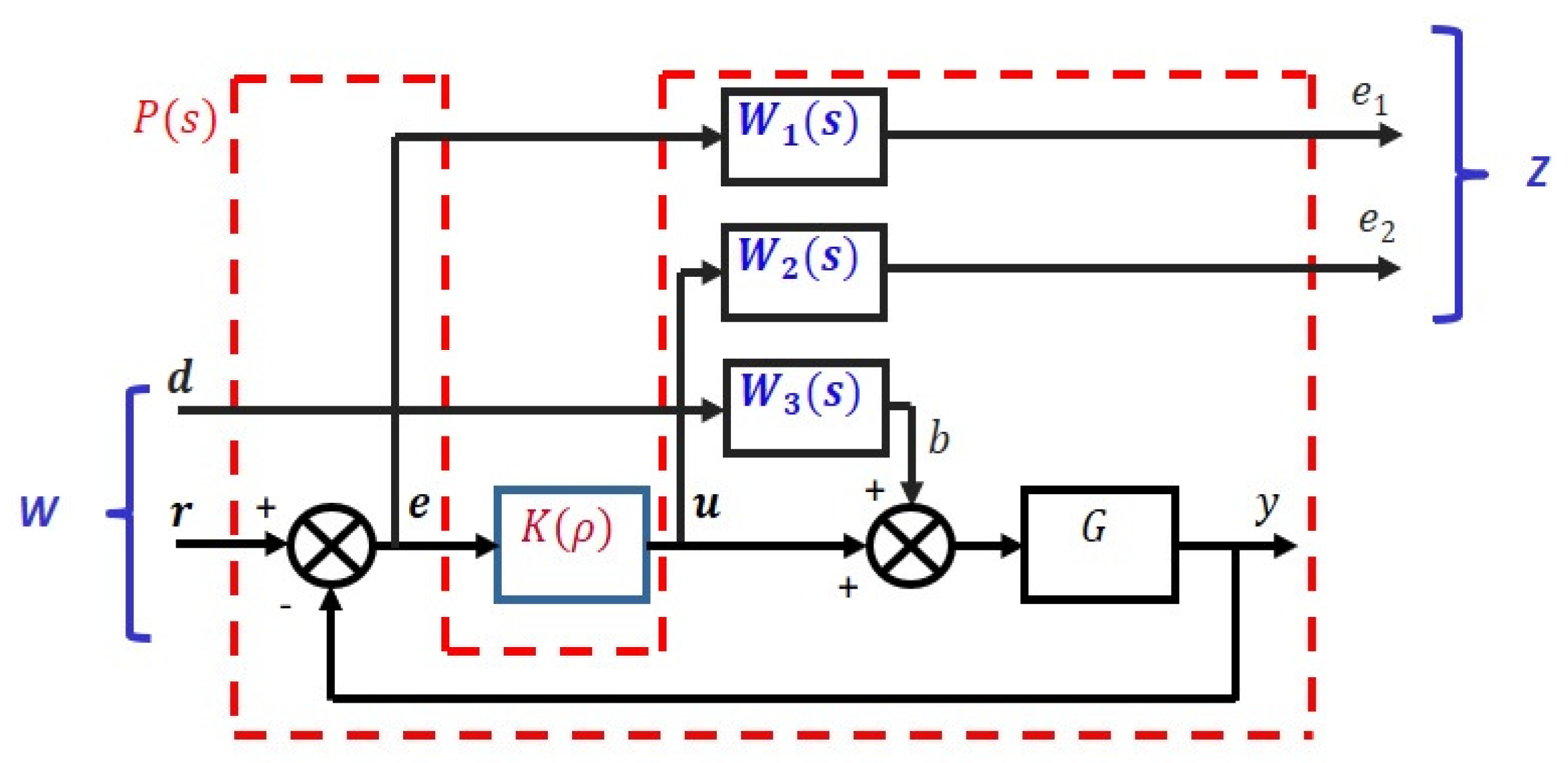
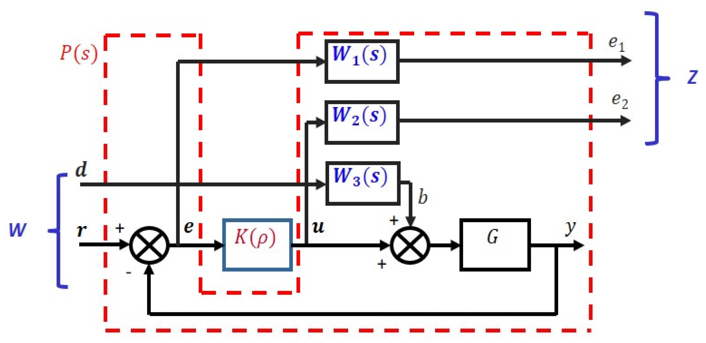
3.1. Design of Control
3.2. EKF and SMO Observers Design
3.2.1. Extended Kalman Filter (EKF)
3.2.2. Sliding Mode Observer (SMO)
- S must have the same sign as
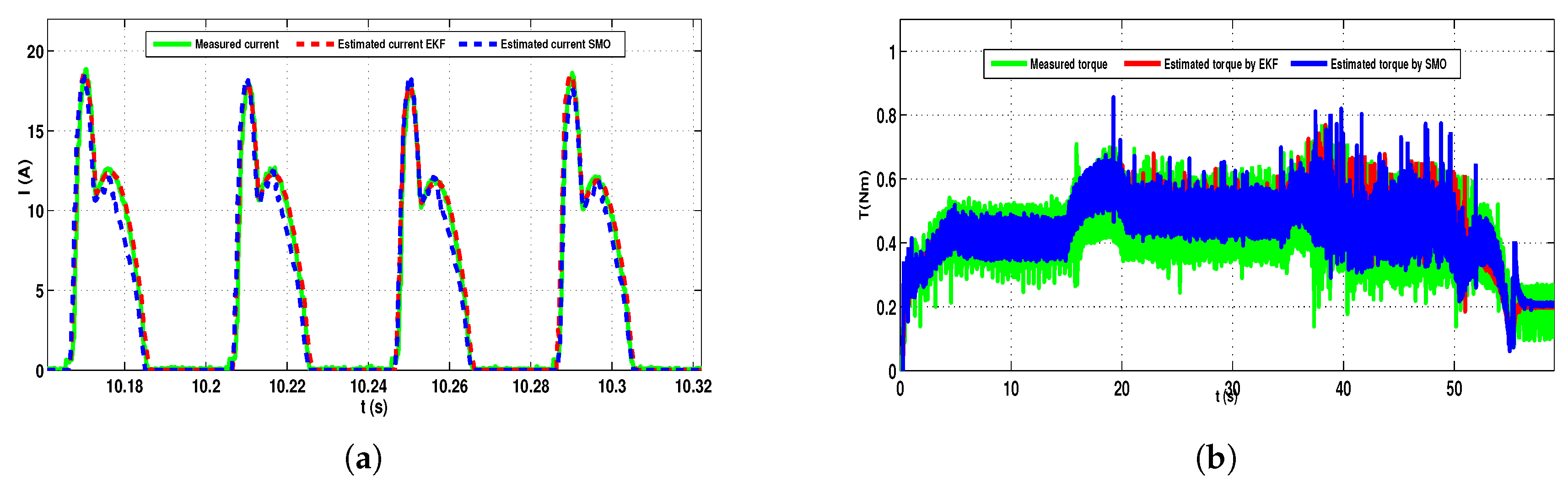
4. Experimental Validation
5. Conclusions
Author Contributions
Funding
Conflicts of Interest
Nomenclature
| Notation | Definition | Unit |
| N | Number of phases | j = 1... N = 4 |
| Number of rotor poles | 6 | |
| Phase current | A | |
| Phase winding voltage | V | |
| R | Ohmic resistance of the phase | Ohm |
| Self inductance of the j phase | H | |
| E | Back e.m.f | V |
| Co-energy | J | |
| Rotor angular position | rad | |
| Angular speed | rad/s | |
| T | Electromagntic torque | N.m |
| Load torque | N.m | |
| f | Friction coefficient | N.m.rad.s |
| J | Moment of inertia | kg.m |
| flux linkage | Wb |
Appendix A
References
- Buerger, J.; Anderson, J. Robust control for electric vehicle powertrains. Control Theory Technol. 2019, 17, 382–392. [Google Scholar] [CrossRef]
- Ouddah, N.; Boukhnifer, M.; Raisemche, A. Two control energy management schemes for electrical hybrid vehicle. In Proceedings of the 10th IEEE International Multi-Conferences on Systems, Signals & Devices (SSD13), Hammamet, Tunisia, 18–21 March 2013. [Google Scholar]
- Belhadi, M.; Krebs, G.; Marchand, C.; Hannoun, H.; Mininger, X. Evaluation of axial SRM for electric vehicle application. Electr. Power Syst. Res. 2017, 148, 155–161. [Google Scholar] [CrossRef]
- Cheng, M.; Sun, L.; Giuseppe, B.; Song, L. Advanced Electrical Machines and Machine-Based Systems for Electric and Hybrid Vehicles. Energies 2015, 8, 9541–9564. [Google Scholar] [CrossRef]
- Ortega, R.; Sarr, A.; Bobtsov, A.; Bahri, I.; Diallo, D. Adaptive state observers for sensorless control of switched reluctance motors. Int. J. Robust Nonlinear Control 2019, 29, 990–1006. [Google Scholar] [CrossRef]
- Cai, H.; Wang, H.; Li, M.; Shen, S.; Feng, Y. Position Sensorless Control of Switched Reluctance Motor with Consideration of Magnetic Saturation Based on Phase-Inductance Intersection Points Information. Energies 2018, 11, 3517. [Google Scholar] [CrossRef]
- Pasquesoone, G.; Mikail, R.; Husain, I. Position Estimation at Starting and Lower Speed in Three-Phase Switched Reluctance Machines Using Pulse Injection and Two Thresholds. IEEE Trans. Ind. Appl. 2011, 47, 1724–1731. [Google Scholar] [CrossRef]
- Henderson, M.I. A sensorless method for switched reluctance motors. In Proceedings of the 8th IET International Conference on Power Electronics, Machines and Drives (PEMD 2016), Glasgow, UK, 19–21 April 2016; pp. 1–6. [Google Scholar]
- Khan, Y.A.; Verma, V. Novel speed estimation technique for vector-controlled switched reluctance motor drive. IET Electr. Power Appl. 2019, 13, 1193–1203. [Google Scholar] [CrossRef]
- Brandstetter, P.; Krna, P. Sensorless control of switched reluctance motor using sliding mode observer. In Proceedings of the 2013 International Conference on Applied Electronics, Pilsen, Czech Republic, 10–12 September 2013. [Google Scholar]
- Kumari, S.; Ashok, S. Design of controller for speed regulation and reduction of torque ripple in 6/4 switched reluctance motor. In Proceedings of the IEEE International Conference on Intelligent Techniques in Control, Optimization and Signal Processing (INCOS), Srivilliputhur, India, 23–25 March 2017; pp. 1–6. [Google Scholar]
- Ouddah, N.; Boukhnifer, M.; Chaibet, A.; Monmasson, E. Fixed structure H∞ loop shaping control of switched reluctance motor for electrical vehicle. Trans. IMACS Math. Comput. Simul. 2016, 130, 124–141. [Google Scholar] [CrossRef]
- Ouddah, N.; Boukhnifer, M.; Chaibet, A.; Monmasson, E.; Berthelot, E. Experimental Robust H∞ Controller Design of Switched Reluctance Motor for Electrical Vehicle Application. In Proceedings of the IEEE Multi-conference on Systems and Control, Juan Les Antibes, France, 15–17 July 2014; pp. 217–223. [Google Scholar]
- Ouddah, N.; Boukhnifer, M.; Chaibet, A.; Monmasson, E. Robust controller designs of switched reluctance motor for electrical vehicle, Control and Automation (MED). In Proceedings of the 22nd IEEE Mediterranean Conference of Control and Automation, Palermo, Italy, 16–19 June 2014; pp. 212–217. [Google Scholar]
- Apkarian, P.; Noll, D. Nonsmooth H∞ synthesis. IEEE Trans. Autom. Control 2006, 51, 71–86. [Google Scholar] [CrossRef]
- Peng, F.; Ye, J.; Emadi, A.; Huang, Y. Position Sensorless Control of Switched Reluctance Motor Drives Based on Numerical Method. IEEE Trans. Ind. Appl. 2017, 53, 2159–2168. [Google Scholar] [CrossRef]
- Lu, W.; Keyhani, A. Sensorless Control of Switched Reluctance Motors Using Sliding Mode Observers. In Proceedings of the International Electric Machines and Drives Conference, Cambridge, MA, USA, 17–20 June 2001. [Google Scholar]










| Observer Type | Relative Error at Low Speed | Relative Error at Medium Speed | Relative Error at High Speed |
|---|---|---|---|
| Sliding mode observer | 0.1% | 0.2% | 2% |
| Extended Kalman Filter | 3% | 0.15% | 0.1% |
© 2020 by the authors. Licensee MDPI, Basel, Switzerland. This article is an open access article distributed under the terms and conditions of the Creative Commons Attribution (CC BY) license (http://creativecommons.org/licenses/by/4.0/).
Share and Cite
Chaibet, A.; Boukhnifer, M.; Ouddah, N.; Monmasson, E. Experimental Sensorless Control of Switched Reluctance Motor for Electrical Powertrain System. Energies 2020, 13, 3081. https://doi.org/10.3390/en13123081
Chaibet A, Boukhnifer M, Ouddah N, Monmasson E. Experimental Sensorless Control of Switched Reluctance Motor for Electrical Powertrain System. Energies. 2020; 13(12):3081. https://doi.org/10.3390/en13123081
Chicago/Turabian StyleChaibet, Ahmed, Moussa Boukhnifer, Nadir Ouddah, and Eric Monmasson. 2020. "Experimental Sensorless Control of Switched Reluctance Motor for Electrical Powertrain System" Energies 13, no. 12: 3081. https://doi.org/10.3390/en13123081
APA StyleChaibet, A., Boukhnifer, M., Ouddah, N., & Monmasson, E. (2020). Experimental Sensorless Control of Switched Reluctance Motor for Electrical Powertrain System. Energies, 13(12), 3081. https://doi.org/10.3390/en13123081

