An Online Coordinated Charging/Discharging Strategy of Plug-in Electric Vehicles in Unbalanced Active Distribution Networks with Ancillary Reactive Service in the Energy Market
Abstract
:1. Introduction
1.1. Motivation
1.2. Literature Review and Related Works
- A simple practical PEV-controlled strategy for ancillary voltage support. This online approach aims to minimize the cost and provide ancillary voltage support by making optimal charging/discharging decisions.
- Customer satisfaction and overall network VUF reduction. Different from the conventional centralized online PEV battery charging technology, the proposed approach relies on centralized PEV charging and discharging, by providing PEV inverter reactive power injections at selected nodes based on variable pricing/contract scenarios for selling reactive power to improve node voltage profiles, reduce the overall network VUF and the total system cost.
- Solution Justification. Detailed MATLAB simulations were performed for a real 74 node unbalanced Western Australian distribution network to show the impacts of uncoordinated and the proposed GA coordinated PEV charging/discharging strategy on the individual nodes and the overall network over 24 h. The validity of the proposed strategy are proved and presented in the Results section of the paper.
2. System Modelling and Proposed Strategies
2.1. PEV Capability Analysis as Reactive Power Providers in Marketor
2.2. Proposed PEV Inverter Control Strategies
- ➢
- Performing centralized and coordinated PEV charging/discharging (OL-CD-TPQ) for active/reactive power consumption/injection at selected nodes for further voltage regulation and VUF reduction based on energy prices for both active and reactive power.
- ➢
- Selling reactive power using the PEV discharging at the selected centrally managed nodes by motivating consumers to enter the market and cooperate with the utility.
3. Problem Formulation
3.1. Multi-Objective Function for OL-C-TP with Cost Minimization
3.2. Multi Objective Function for OL-CD-TPQ with Cost Minimization and Ancillary Support
- Upper limit for maximum node voltage deviation (, which is typically set by the utility:
- Upper limit for maximum voltage unbalance factor () that can also be set by the utility:
4. Proposed Online Optimal Controlled PEV Charging/Discharging Approach
4.1. GA Applied at Each Time Slot (Δt)
- Step 1:
- In this step the required input information including daily load curve, PV status, PEV data (e.g., arrival and departure time, location, charging duration and battery size), and the market energy prices of P and Q will be provided.
- Step 2:
- Based on Step 1, GA optimization is then started: The large random initial population is created to increase the convergence rate to the global solution. Then, the unbalanced load flow is run for each individual evaluated by objective function and grid constraints. Figure 3 shows the configuration of GA chromosomes in this study. As the objective function in this paper is minimizing the total system cost and reducing voltage deviation in unbalance network, the control variables in this optimization are the position (status) of all PEVs. The number “0” displays a PEV has not been charged yet or already finished whereas number “1” indicates the PEVs are being charged. For tracing each PEV’s status including their plugged in and plugged out times, initial and requested SOCs as well as battery sizes, a queue table (Q-table) is generated in Figure 4 After plugging a new , the Q-table will be updated. This is done by performing GA optimization.
- Step 3:
- After the GA process when the maximum iteration is achieved, the result shows the optimal status of PEV charging/discharging at the first time slot, so the information of PEV Q-table and daily load curve with optimized solution will be updated and move to the next time slot which is (.
4.2. GA Optimization Process over 24 h
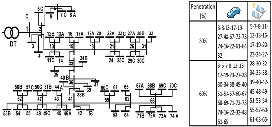
5. Three-Phase Test Distribution System
6. Simulation Results
- Total of 24 h with time intervals of ∆t = 15 min;
- The battery specification uses a Nissan Leaf battery pack per PEV with a capacity of 24 kWh [34] and charge duration of 3 h. For charging devices, a power rate of 5.6 kW at each hour is assumed;
- Each consumer is assumed to have two PEVs which are randomly plugged in at residential loads (houses) between 8 a.m.–11 a.m. and 4 p.m.–7 a.m. The lower and upper limits for the battery state-of-charge (SOC) are 20% and 90%;
- As the authors could not access any real price format for reactive power in the market, 10% of the active power price is used as an assumption.
6.1. Base Case with No PEVs (Case A)
6.2. Uncoordinated PEV Charging (Case B)
6.3. Coordinated Based on OL-C-TP (Case C)
6.4. Coordinated Based on OL-CD-TPQ (Case D)
7. Conclusions
- Uncontrolled PEV charging has negative impacts on the network demand, VUF and voltage profile as shown in Figure 7a–d. Extreme voltage variations are observed for phase A in the evening, especially during the peak hours while the max VUF is above the designated upper limit.
- The online PEV charging coordination (OL-C-TP) strategy in conjunction with overloading and voltage constraints minimizes the total cost and limits the voltage fluctuations as shown in Figure 7e–h. This is done by quickly charging as many vehicles as possible while keeping the remaining vehicles in a PEV-queue table and serving them during the off-peak load hours. This method is not guaranteed to reduce the total cost without considering penalties and constraints. The shifted PEVs are successfully charged and the total cost will be decreased.
- The online PEV coordination (OL-CD-TPQ) strategy also minimizes the VUF and voltage fluctuations as shown in Figure 7i–l. Based on the proposed method, the total cost decreases for consumers (i.e., customer benefits) and the system performance is improved (i.e., utility preference) with the objective function lower than the OL-C-TP strategy. It verifies the feasibility of PEVs to participate in energy market and provide ancillary services.
Author Contributions
Funding
Acknowledgments
Conflicts of Interest
References
- Schleicher-Tappeser, R. How renewables will change electricity markets in the next five years. Energy Policy 2012, 48, 64–75. [Google Scholar] [CrossRef]
- Kesler, M.; Kisacikoglu, M.C.; Tolbert, L.M. Vehicle-to-grid reactive power operation using plug-in electric vehicle bidirectional offboard charger. IEEE Trans. Ind. Electron. 2014, 61, 6778–6784. [Google Scholar] [CrossRef]
- Ungar, E.; Fell, K. Plug In, Turn On, and Load Up. IEEE Power Energy Mag. 2010, 8, 30–35. [Google Scholar] [CrossRef]
- Lopes, J.A.P.; Soares, F.J.; Almeida, P.M.R. Integration of Electric Vehicles in the Electric Power System. Proc. IEEE 2011, 99, 168–183. [Google Scholar] [CrossRef]
- Hoog, J.D.; Alpcan, T.; Brazil, M.; Thomas, D.A.; Mareels, I. Optimal Charging of Electric Vehicles Taking Distribution Network Constraints Into Account. IEEE Trans. Power Syst. 2015, 30, 365–375. [Google Scholar] [CrossRef]
- Liu, X.; Aichhorn, A.; Liu, L.; Li, H. Coordinated control of distributed energy storage system with tap changer transformers for voltage rise mitigation under high photovoltaic penetration. IEEE Trans. Smart Grid 2012, 3, 897–906. [Google Scholar] [CrossRef]
- Aziz, T.; Hossain, M.; Saha, T.; Mithulananthan, N. VAR planning with tuning of STATCOM in a DG integrated industrial system. IEEE Trans. Power Deliv. 2013, 28, 875–885. [Google Scholar] [CrossRef]
- Džafić, I.; Jabr, R.A.; Halilovic, E.; Pal, B.C. A sensitivity approach to model local voltage controllers in distribution networks. IEEE Trans. Power Syst. 2014, 29, 1419–1428. [Google Scholar] [CrossRef]
- Li, H.; Li, F.; Xu, Y.; Rizy, D.T.; Adhikari, S. Autonomous and adaptive voltage control using multiple distributed energy resources. IEEE Trans. Power Syst. 2013, 28, 718–730. [Google Scholar] [CrossRef]
- Cheng, L.; Chang, Y.; Huang, R. Mitigating voltage problem in distribution system with distributed solar generation using electric vehicles. IEEE Trans. Sustain. Energy 2015, 6, 1475–1484. [Google Scholar] [CrossRef]
- Kisacikoglu, M.C.; Ozpineci, B.; Tolbert, L.M. Effects of V2G reactive power compensation on the component selection in an EV or PHEV bidirectional charger. In Proceedings of the 2010 IEEE Energy Conversion Congress and Exposition (ECCE), Atlanta, GA, USA, 12–16 September 2010; pp. 870–876. [Google Scholar]
- Jabalameli, N.; Masoum, M.A.; Deilami, S. Optimal online charging of plug-in electric vehicles considering voltage unbalance factor. In Proceedings of the 2017 IEEE Power & Energy Society General Meeting, Chicago, IL, USA, 16–20 July 2017; pp. 1–5. [Google Scholar]
- Sechilariu, M.; Wang, B.; Locment, F. Building Integrated Photovoltaic System With Energy Storage and Smart Grid Communication. IEEE Trans. Ind. Electron. 2013, 60, 1607–1618. [Google Scholar] [CrossRef]
- Shahnia, F.; Ghosh, A.; Ledwich, G.; Zare, F. An approach for current balancing in distribution networks with rooftop PVs. In Proceedings of the 2012 IEEE Power and Energy Society General Meeting, San Diego, CA, USA, 22–26 July 2012; pp. 1–6. [Google Scholar]
- Yilmaz, M.; Krein, P.T. Review of the impact of vehicle-to-grid technologies on distribution systems and utility interfaces. IEEE Trans. Power Electron. 2013, 28, 5673–5689. [Google Scholar] [CrossRef]
- Zhou, C.; Qian, K.; Allan, M.; Zhou, W. Modeling of the cost of EV battery wear due to V2G application in power systems. IEEE Trans. Energy Convers. 2011, 26, 1041–1050. [Google Scholar] [CrossRef]
- Wu, C.; Mohsenian-Rad, H.; Huang, J.; Jatskevich, J. PEV-based combined frequency and voltage regulation for smart grid. In Proceedings of the 2012 IEEE PES Innovative Smart Grid Technologies (ISGT), Washington, DC, USA, 16–20 January 2012; pp. 1–6. [Google Scholar]
- Kisacikoglu, M.C.; Ozpineci, B.; Tolbert, L.M. EV/PHEV bidirectional charger assessment for V2G reactive power operation. IEEE Trans. Power Electron. 2013, 28, 5717–5727. [Google Scholar] [CrossRef]
- Stetz, T.; Marten, F.; Braun, M. Improved low voltage grid-integration of photovoltaic systems in Germany. IEEE Trans. Sustain. Energy 2013, 4, 534–542. [Google Scholar] [CrossRef]
- Carvalho, P.M.; Correia, P.F.; Ferreira, L.A. Distributed reactive power generation control for voltage rise mitigation in distribution networks. IEEE Trans. Power Syst. 2008, 23, 766–772. [Google Scholar] [CrossRef]
- Kabir, M.; Mishra, Y.; Ledwich, G.; Dong, Z.Y.; Wong, K.P. Coordinated control of grid-connected photovoltaic reactive power and battery energy storage systems to improve the voltage profile of a residential distribution feeder. IEEE Trans. Ind. Inform. 2014, 10, 967–977. [Google Scholar] [CrossRef]
- Akhavan-Rezai, E.; Shaaban, M.F.; El-Saadany, E.F.; Karray, F. Managing demand for plug-in electric vehicles in unbalanced LV systems with photovoltaics. IEEE Trans. Ind. Inform. 2017, 13, 1057–1067. [Google Scholar] [CrossRef]
- Alam, M.J.E.; Muttaqi, K.M.; Sutanto, D. Alleviation of neutral-to-ground potential rise under unbalanced allocation of rooftop PV using distributed energy storage. IEEE Trans. Sustain. Energy 2015, 6, 889–898. [Google Scholar] [CrossRef]
- Farahani, H.F.; Shayanfar, H.; Ghazizadeh, M. Incorporation of plug in hybrid electric vehicle in the reactive power market. J. Renew. Sustain. Energy 2012, 4, 053123. [Google Scholar] [CrossRef]
- Rabiee, A.; Farahani, H.F.; Khalili, M.; Aghaei, J.; Muttaqi, K.M. Integration of plug-in electric vehicles into microgrids as energy and reactive power providers in market environment. IEEE Trans. Ind. Inform. 2016, 12, 1312–1320. [Google Scholar] [CrossRef]
- Blaabjerg, R.T.F.; Liserre, M.; Timbus, A.V. Overview of control and grid synchronization for distributed power generation systems. IEEE Trans. Ind. Electron. 2006, 53, 1398–1409. [Google Scholar] [CrossRef]
- Zhong, J.; Bhattacharya, K. Toward a competitive market for reactive power. IEEE Trans. Power Syst. 2002, 17, 1206–1215. [Google Scholar] [CrossRef]
- Kisacikoglu, M.C. Vehicle-to-Grid (V2G) Reactive Power Operation Analysis of the EV/PHEV Bidirectional Battery Charger. Ph.D. Thesis, University of Tennessee, Knoxville, TN, USA, 2013. [Google Scholar]
- Nafi, N.S.; Ahmed, K.; Gregory, M.A. A novel vehicle to grid load management scheme based on WiMAX-WLAN in smart grids. In Proceedings of the 2015 IEEE Wireless Communications and Networking Conference (WCNC), New Orleans, LA, USA, 9–12 March 2015; pp. 2149–2154. [Google Scholar]
- Lund, H.; Kempton, W. Integration of renewable energy into the transport and electricity sectors through V2G. Energy Policy 2008, 36, 3578–3587. [Google Scholar] [CrossRef]
- Papalexopoulos, A.D.; Angelidis, G.A. Reactive power management and pricing in the California market. In Proceedings of the 2006 IEEE Mediterranean Electrotechnical Conference (MELECON 2006), Malaga, Spain, 16–19 May 2006; pp. 902–905. [Google Scholar]
- Jayasekara, N.; Masoum, M.A.; Wolfs, P.J. Optimal Operation of Distributed Energy Storage Systems to Improve Distribution Network Load and Generation Hosting Capability. IEEE Trans. Sustain. Energy 2016, 7, 250–261. [Google Scholar] [CrossRef]
- Haidar, A.M.; Muttaqi, K.M. Effects of PEV penetration on voltage unbalance. In Plug in Electric Vehicles in Smart Grids; Springer: Singapore, 2015; pp. 279–307. [Google Scholar]
- AEMC. Possible Future Retail Electricity Price Movements: 1 July 2012to 30 June 2015; Electricity Price Trends Report; Australian Energy Market Commission: Sydney, Australia, March 2013.
- Hajforoosh, S.; Masoum, M.A.; Islam, S.M. Online optimal variable charge-rate coordination of plug-in electric vehicles to maximize customer satisfaction and improve grid performance. Electr. Power Syst. Res. 2016, 141, 407–420. [Google Scholar] [CrossRef]
- Smart Power Tariff. Available online: https://www.synergy.net.au/Your-home/Manage-account/Solar-connections-and-upgrades (accessed on 1 July 2018).
- Weckx, S.; Driesen, J. Load balancing with EV chargers and PV inverters in unbalanced distribution grids. IEEE Trans. Sustain. Energy 2015, 6, 635–643. [Google Scholar] [CrossRef]
- Rajakaruna, S.; Shahnia, F.; Ghosh, A. Plug in Electric Vehicles in Smart Grids; Springer: Singapore, 2016. [Google Scholar]
- Madjissembaye, N.; Muriithi, C.M.; Wekesa, C. Load Flow Analysis for Radial Distribution Networks Using Backward/Forward Sweep Method. J. Sustain. Res. Eng. 2017, 3, 82–87. [Google Scholar]
- Alonso, M.; Amaris, H.; Germain, J.G.; Galan, J.M. Optimal charging scheduling of electric vehicles in smart grids by heuristic algorithms. Energies 2014, 7, 2449–2475. [Google Scholar] [CrossRef]
- Jabalameli, N.; Masoum, M.A.S.; Deilami, S. Optimal online charging of electric vehicles considering voltage unbalance factor. In Proceedings of the IEEE Power and Energy Society General Meeting (PES), Chicago, IL, USA, 16–20 July 2017. [Google Scholar]
- Gosbell, V.J.; Herath, H.; Perera, S.; Robinson, D. Sources of error in unbalance measurements. In Australasian Universities Power Engineering Conference (AUPEC) 2002: Producing Quality Electricity for Mankind; Monash University Publishing: Melbourne, Australia, 2002. [Google Scholar]









| Time of Day | Winter Weekdays (cent/kWh) | Summer Weekdays (cent/kWh) | Weekends (cent/kWh) |
|---|---|---|---|
| 7 a.m.–11 a.m. | 53.37 | 26.64 | 22.08 |
| 11 a.m.–5 p.m. | 26.64 | 53.37 | 22.08 |
| 5 p.m.–9 p.m. | 53.37 | 26.64 | 26.64 |
| 9 p.m.–7 a.m. | 13.86 | 13.86 | 13.86 |
| Coordination Strategy | Simulation Results | |
|---|---|---|
| Case A | Base case without PEVs | Figure 6a,b |
| Case B | Uncoordinated PEVs charging | Figure 7a–d |
| Case C | Coordinated based on OL-C-TP | Figure 7e–h |
| Case D | Coordinated based on OL-CD-TPQ | Figure 7i–l |
| Operation Condition | Comparison of Simulation Results | ||||||||||||||
| Time of the Day | Number of PEVs | PV (%) | Worst VUF (%) | Worst Voltage (p.u) | Generation Cost ($/Day) | Q Generation ($/Day) | Total Cost ($/Day) | ||||||||
| a | b | c | 3ph | a | b | c | a | b | c | ||||||
| Base case | Base Case A without any PEVs; Figure 6a,b | ||||||||||||||
| Morning 8AM–11AM | 0 | 0 | 0 | 0 | 45 | 43 | 27 | 0.63 | 1.1 | 1 | 1 | 87.7 | 0 | 88.78 | |
| Evening 4PM–7PM | 0 | 0 | 0 | 0 | 0.78 | 0.9 | 0.9 | 1 | |||||||
| Scenario 1 (60% PEVs penetration) | Case B1: Uncoordinated PEVs; Figure 7a–d | ||||||||||||||
| Morning 8AM–11AM | 11 | 11 | 12 | 0 | 45 | 43 | 27 | 0.7 | 1 | 1 | 1 | 136.2 | 0 | 137.4 | |
| Evening 4PM–7PM | 11 | 11 | 12 | 0 | 1.69 | 0.9 | 0.9 | 1 | |||||||
| Case C1: Optimal online charge control based on P-Control Strategy (OL-C-TP); Figure 7e–h | |||||||||||||||
| Morning 8AM–11AM | 11 | 11 | 12 | 0 | 45 | 43 | 27 | 0.56 | 1 | 1 | 1 | 125.8 | 0 | 126.9 | |
| Evening 4PM–7PM | 11 | 11 | 12 | 0 | 1.03 | 0.9 | 0.9 | 1 | |||||||
| Case D1: Optimal online charge/discharge control based on PQ-Control Strategy (OL-CD-TPQ); Figure 7i–l | |||||||||||||||
| Morning 8AM–11AM | 11 | 11 | 12 | 0 | 45 | 43 | 27 | 0.61 | 1 | 1 | 1 | 118 | −3.038 | 115.5 | |
| Evening 4PM–7PM | 11 | 11 | 12 | 0 | 0.8 | 0.9 | 0.9 | 1 | |||||||
| Scenario 2 (30% PEVs penetration) | Case B2: Uncoordinated PEVs | ||||||||||||||
| Morning 8AM–11AM | 11 | 0 | 0 | 5 | 45 | 43 | 27 | 0.96 | 1 | 1 | 1 | 268.2 | 0 | 283.1 | |
| Evening 4PM–7PM | 11 | 0 | 0 | 5 | 2.14 | 0.9 | 0.9 | 1 | |||||||
| Case C2: Optimal online charge control based on P-Control Strategy (OL-C-TP) | |||||||||||||||
| Morning 8AM–11AM | 11 | 0 | 0 | 5 | 45 | 43 | 27 | 0.54 | 1 | 1 | 1 | 234 | 0 | 256.2 | |
| Evening 4PM–7PM | 11 | 0 | 0 | 5 | 1.41 | 0.9 | 0.9 | 1 | |||||||
| Case D2: Optimal online charge/discharge control based on PQ-Control Strategy (OL-CD-TPQ) | |||||||||||||||
| Morning 8AM–11AM | 11 | 0 | 0 | 5 | 45 | 43 | 27 | 0.6 | 1 | 1 | 1 | 230.5 | −9.5 | 224 | |
| Evening 4PM–7PM | 11 | 0 | 0 | 5 | 0.96 | 0.9 | 0.9 | 1 | |||||||
© 2019 by the authors. Licensee MDPI, Basel, Switzerland. This article is an open access article distributed under the terms and conditions of the Creative Commons Attribution (CC BY) license (http://creativecommons.org/licenses/by/4.0/).
Share and Cite
Jabalameli, N.; Su, X.; Deilami, S. An Online Coordinated Charging/Discharging Strategy of Plug-in Electric Vehicles in Unbalanced Active Distribution Networks with Ancillary Reactive Service in the Energy Market. Energies 2019, 12, 1350. https://doi.org/10.3390/en12071350
Jabalameli N, Su X, Deilami S. An Online Coordinated Charging/Discharging Strategy of Plug-in Electric Vehicles in Unbalanced Active Distribution Networks with Ancillary Reactive Service in the Energy Market. Energies. 2019; 12(7):1350. https://doi.org/10.3390/en12071350
Chicago/Turabian StyleJabalameli, Nasim, Xianging Su, and Sara Deilami. 2019. "An Online Coordinated Charging/Discharging Strategy of Plug-in Electric Vehicles in Unbalanced Active Distribution Networks with Ancillary Reactive Service in the Energy Market" Energies 12, no. 7: 1350. https://doi.org/10.3390/en12071350
APA StyleJabalameli, N., Su, X., & Deilami, S. (2019). An Online Coordinated Charging/Discharging Strategy of Plug-in Electric Vehicles in Unbalanced Active Distribution Networks with Ancillary Reactive Service in the Energy Market. Energies, 12(7), 1350. https://doi.org/10.3390/en12071350

