An Optimized Temperature Sensor Calorimetric Power Device Loss Measurement Method
Abstract
:1. Introduction
2. Temperature Sensor Measurement Method
2.1. Thermal-Circuit Model and Principle Analysis
2.2. Traditional Temperature Sensor Measurement Methods
2.3. Optimized Measurement Method: Steady State Temperature Difference Measurement
3. Loss Measurement Device and Experimental Steps
3.1. Loss Measurement Device
3.2. Experimental Principles and Steps
4. Experiment
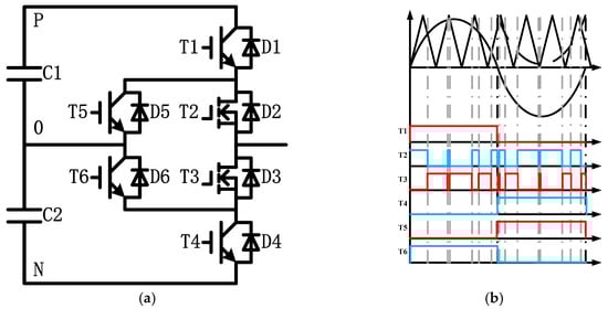
4.1. Operating Principle of the ANPC Topology
4.2. Calibration Experiment and Result Analysis
4.3. Main Measurement
4.4. Error Analysis
5. Conclusions
Author Contributions
Funding
Conflicts of Interest
References
- Ma, J.; Lu, T.; He, F.; Wei, S.; Yuan, L.; Zhao, Z. Power loss analysis and optimization of three-level T-type converter based on hybrid devices. In Proceedings of the International Conference on Renewable Power Generation, Beijing, China, 17–18 October 2016; p. 6. [Google Scholar]
- Bilyi, D.; Gerling, D. Modeling of automotive power network for analysis of power electronics and losses calculation and verification by measurements on claw-pole alternator. In Proceedings of the IEEE International Power Electronics and Motion Control Conference, Hefei, China, 22–26 May 2016; pp. 3599–3605. [Google Scholar]
- Gottschlich, J.; Kaymak, M.; Christoph, M.; Doncker, R.W.D. A flexible test bench for power semiconductor switching loss measurements. In Proceedings of the IEEE International Conference on Power Electronics and Drive Systems, Sydney, NSW, Australia, 9–12 June 2015; pp. 442–448. [Google Scholar]
- Xiao, C.; Chen, G.; Odendaal, W.G. Overview of power loss measurement techniques in power electronics systems. IEEE Trans. Ind. Appl. 2007, 43, 657–664. [Google Scholar] [CrossRef]
- Jon, A.; Christoph, G.; Lukas, S.; Johann W., K. Accurate Calorimetric Switching Loss Measurement for 900 V 10 mΩ SiC MOSFETs. IEEE Trans. Power Electron. 2017, 32, 8963–8968. [Google Scholar]
- Tiwari, S.; Langelid, J.K.; Midtgård, O.M.; Undeland, T.M. Soft Switching Loss Measurements of a 1.2 kV SiC MOSFET Module by both Electrical and Calorimetric Methods for High Frequency Applications. In Proceedings of the 2017 19th European Conference on Power Electronics and Applications (EPE’17 ECCE Europe), Warsaw, Poland, 11–14 September 2017. [Google Scholar]
- Sverko, M.; Krishnamurthy, S. Calorimetric loss measurement system for air and water cooled power converters. In Proceedings of the 2013 15th European Conference on Power Electronics and Applications (EPE), Lille, France, 2–6 September 2013; pp. 1–10. [Google Scholar]
- Bortis, D.; Knecht, O.; Neumayr, D.; Kolar, J.W. Comprehensive evaluation of GaN GIT in low- and high-frequency bridge leg applications. In Proceedings of the IEEE International Power Electronics and Motion Control Conference, Hefei, China, 22–26 May 2016; pp. 21–30. [Google Scholar]
- Bolte, S.; Wohlrab, L.; Afridi, J.K.; Froehleke, N.; Boecker, J. Calorimetric Measurement of Wide Bandgap Semiconductors Switching Losses. In Proceedings of the PCIM Europe 2017, International Exhibition and Conference for Power Electronics, Intelligent Motion, Renewable Energy and Energy Management, Nuremberg, Germany, 16–18 May 2017. [Google Scholar]
- Bolte, S.; Fröhleke, N.; Böcker, J. DC-DC converter design for power distribution systems in electric vehicles using calorimetric loss measurements. In Proceedings of the European Conference on Power Electronics and Applications, Karlsruhe, Germany, 5–9 September 2016; pp. 1–7. [Google Scholar]
- Cao, W.; Huang, X.; French, I. Design of a 300-kW calorimeter for electrical motor loss measurement. IEEE Trans. Instrum. Meas. 2009, 58, 2365–2367. [Google Scholar]
- Wolfs, P.; Li, Q. Precision calorimetry for power loss measurement of a very low power maximum power point tracker. In Proceedings of the 2007 Australasian Universities Power Engineering Conference, Perth, WA, Australia, 9–12 December 2007. [Google Scholar]
- Simpson, N.; Hopkins, A.N. An accurate and flexible calorimeter topology for power electronic system loss measurement. In Proceedings of the 2017 IEEE International Electric Machines and Drives Conference (IEMDC), Miami, FL, USA, 21–24 May 2017. [Google Scholar]
- Chen, G.; Xiao, C.; Odendaal, W.G. An apparatus for loss measurement of integrated power electronics modules: design and analysis. In Proceedings of the Conference Record of the 2002 IEEE Industry Applications Conference. 37th IAS Annual Meeting (Cat. No.02CH37344), Pittsburgh, PA, USA, 13–18 October 2002; Volume 1, pp. 222–226. [Google Scholar]
- Pai, A.P.; Reiter, T.; Maerz, M. Mission profile analysis and calorimetric loss measurement of a SiC hybrid module for main inverter application of electric vehicles. In Proceedings of the 2017 IEEE International Workshop On Integrated Power Packaging (IWIPP), Delft, The Netherlands, 5–7 April 2017. [Google Scholar]
- Pai, A.P.; Reiter, T.; Vodyakho, O.; Yoo, I.; Maerz, M. A calorimetrie method for measuring power losses in power semiconductor modules. In Proceedings of the 2017 19th European Conference on Power Electronics and Applications (EPE’17 ECCE Europe), Warsaw, Poland, 11–14 September 2017. [Google Scholar]
- Anthon, A.; Zhang, Z.; Andersen, M.A.; Holmes, D.G.; McGrath, B.; Teixeira, C.A. The Benefits of SiC mosfet s in a T-Type Inverter for Grid-Tie Applications. IEEE Trans. Power Electron. 2017, 32, 2808–2821. [Google Scholar] [CrossRef]
- Rothmund, D.; Bortis, D.; Kolar, J.W. Accurate Transient Calorimetric Measurement of Soft-Switching Losses of 10kV SiC MOSFETs. In Proceedings of the 2016 IEEE 7th International Symposium on Power Electronics for Distributed Generation Systems (PEDG), Vancouver, BC, Canada, 27–30 June 2016. [Google Scholar]
- Li, H.; Li, X.; Zhang, Z.; Wang, J.; Liu, L.; Bala, S. A simple calorimetric technique for high-efficiency GaN inverter transistor loss measurement. In Proceedings of the 2017 IEEE 5th Workshop on Wide Bandgap Power Devices and Applications (WiPDA), Albuquerque, NM, USA, 30 October–1 November 2017. [Google Scholar]
- Hoffmann, L.; Gautier, C.; Lefebvre, S.; Costa, F. Optimization of the driver of GaN power transistors through measurement of their thermal behavior. IEEE Trans. Power Electron. 2014, 29, 2359–2366. [Google Scholar] [CrossRef]
- Neumayr, D.; Guacci, M.; Bortis, D.; Kolar, J.W. New calorimetric power transistor soft-switching loss measurement based on accurate temperature rise monitoring. In Proceedings of the 2017 29th International Symposium on Power Semiconductor Devices and IC’s (ISPSD), Sapporo, Japan, 28 May–1 June 2017. [Google Scholar]
- Zhang, Y.; Jahns, T.M. Power electronics loss measurement using new heat flux sensor based on thermoelectric device with active control. IEEE Trans. Ind. Appl. 2014, 50, 4098–4106. [Google Scholar] [CrossRef]
- Iero, D.; Della Corte, F.G.; Fiorentino, G.; Sarro, P.M. A calorimetry-based measurement apparatus for switching losses in high power electronic devices. In Proceedings of the 2016 IEEE International Energy Conference (ENERGYCON), Leuven, Belgium, 4–8 April 2016. [Google Scholar]
- Iero, D.; Della Corte, F.G.; Fiorentino, G.; Sarro, P.M.; Morana, B. A measurement apparatus for switching losses based on a heat-flux sensor. In Proceedings of the 2015 XVIII AISEM Annual Conference, Trento, Italy, 3–5 February 2015. [Google Scholar]
- Iero, D.; Della Corte, F.G.; Fiorentino, G.; Sarro, P.M.; Morana, B. Heat flux sensor for power loss measurements of switching devices. In Proceedings of the 19th International Workshop on Thermal Investigations of ICs and Systems (THERMINIC), Berlin, Germany, 25–27 September 2013. [Google Scholar]
- Schmid, H. Switching losses of the new SIRET-a comparison to other medium-power devices. In Proceedings of the Conference Record of the 1988 IEEE Industry Applications Society Annual Meeting, Pittsburgh, PA, USA, 2–7 October 1988. [Google Scholar]
- Marco Iachello, M.; Luca, V.D.; Petrone, G.; Testa, N.; Fortuna, L.; Cammarata, G.; Graziani, S.; Frasca, M. Lumped Parameter Modeling for Thermal Characterization of High-Power Modules. IEEE Trans. Compon. Packag. Manuf. Technol. 2014, 4, 1613–1623. [Google Scholar] [CrossRef]
- Famoso, C.; di Guardo, M.; Fortuna, L.; Frasca, M.; Graziani, S.; Testa, N. A system-of-systems based equipment for thermo-mechanical testing of advanced high power modules. In Proceedings of the 2015 IEEE International Symposium on Circuits and Systems (ISCAS), Lisbon, Portugal, 24–27 May 2015; pp. 197–200. [Google Scholar] [CrossRef]
- Floricau, D.; Floricau, E.; Gateau, G. Three-level active NPC converter: PWM strategies and loss distribution. In Proceedings of the 2008 34th Annual Conference of IEEE Industrial Electronics, Orlando, FL, USA, 10–13 November 2008. [Google Scholar]















| Classification | Electrical | Calorimetric | |||||
|---|---|---|---|---|---|---|---|
| Flow Density | Temperature Equivalent | Double Jacket | Temperature Sensor | ||||
| Steady State | Instantaneous | ||||||
| Accuracy | Low | Low | Medium | High | High | High | Medium |
| Speed | Fast | Fast | Medium | Medium | Slow | Medium | Medium |
| Cost | Medium | Medium | Medium | High | Low | Low | High |
| Apparatus size | - | Big | Big | Big | Adjustable | Adjustable | Adjustable |
| Reference | [4] | [5,6,7,8] | [9,10,11,12] | [13,14] | [17,19,23,24,25,26] | this | [15,16,18,20,21] |
| Level Status | T1 | T2 | T3 | T4 | T5 | T6 | Output Voltage |
|---|---|---|---|---|---|---|---|
| P | 1 | 1 | 0 | 0 | 0 | 1 | +Vdc/2 |
| OU1 | 0 | 1 | 0 | 0 | 1 | 0 | 0 |
| OU2 | 0 | 1 | 0 | 1 | 1 | 0 | 0 |
| OL1 | 0 | 0 | 1 | 0 | 0 | 1 | 0 |
| OL2 | 1 | 0 | 1 | 0 | 0 | 1 | 0 |
| N | 0 | 0 | 1 | 1 | 1 | 0 | −Vdc/2 |
| Td/°C | 250 | 300 | 350 | 400 | 450 | 500 |
|---|---|---|---|---|---|---|
| T1 | 9.889 | 11.663 | 13.993 | 16.159 | 18.246 | 19.897 |
| T2 | 14.036 | 19.392 | 24.169 | 31.271 | 37.935 | 47.239 |
| T5 | 5.234 | 6.779 | 7.812 | 9.028 | 10.412 | 12.435 |
| Input voltage (V) | 250 | 300 | 350 | 400 | 450 | 500 |
| Input power (W) | 180.75 | 256.5 | 355.25 | 460 | 584.55 | 724 |
| Output power (W) | 171.46 | 245 | 341.80 | 444.43 | 566.05 | 702.35 |
| Electrical measurement power loss (W) | 9.29 | 11.5 | 13.45 | 15.56 | 18.50 | 21.65 |
| Calorimetric measurement power loss (W) | 7.08 | 9.46 | 11.74 | 14.34 | 17.06 | 20.57 |
| Test Group | 1 | 2 | 3 | 4 | 5 | 6 | 7 | 8 | 9 | 10 | Mean | Error |
|---|---|---|---|---|---|---|---|---|---|---|---|---|
| 5.393 | 5.379 | 5.380 | 5.387 | 5.384 | 5.387 | 5.408 | 5.401 | 5.395 | 5.393 | 5.391 | 0.000227~0.0113 | |
| 45.071 | 44.684 | 44.387 | 45.096 | 44.581 | 44.934 | 44.267 | 44.453 | 44.315 | 44.122 | 44.591 | 0.000427~0.00321 |
© 2019 by the authors. Licensee MDPI, Basel, Switzerland. This article is an open access article distributed under the terms and conditions of the Creative Commons Attribution (CC BY) license (http://creativecommons.org/licenses/by/4.0/).
Share and Cite
Zhang, X.; Feng, Z.; Wang, J.; Yu, S. An Optimized Temperature Sensor Calorimetric Power Device Loss Measurement Method. Energies 2019, 12, 1333. https://doi.org/10.3390/en12071333
Zhang X, Feng Z, Wang J, Yu S. An Optimized Temperature Sensor Calorimetric Power Device Loss Measurement Method. Energies. 2019; 12(7):1333. https://doi.org/10.3390/en12071333
Chicago/Turabian StyleZhang, Xing, Zhijian Feng, Jianing Wang, and Shaolin Yu. 2019. "An Optimized Temperature Sensor Calorimetric Power Device Loss Measurement Method" Energies 12, no. 7: 1333. https://doi.org/10.3390/en12071333
APA StyleZhang, X., Feng, Z., Wang, J., & Yu, S. (2019). An Optimized Temperature Sensor Calorimetric Power Device Loss Measurement Method. Energies, 12(7), 1333. https://doi.org/10.3390/en12071333
