Evaluation of Large-Scale Production of Chitosan Microbeads Modified with Nanoparticles Based on Exergy Analysis
Abstract
1. Introduction
2. Materials and Methods
2.1. Processes Simulation
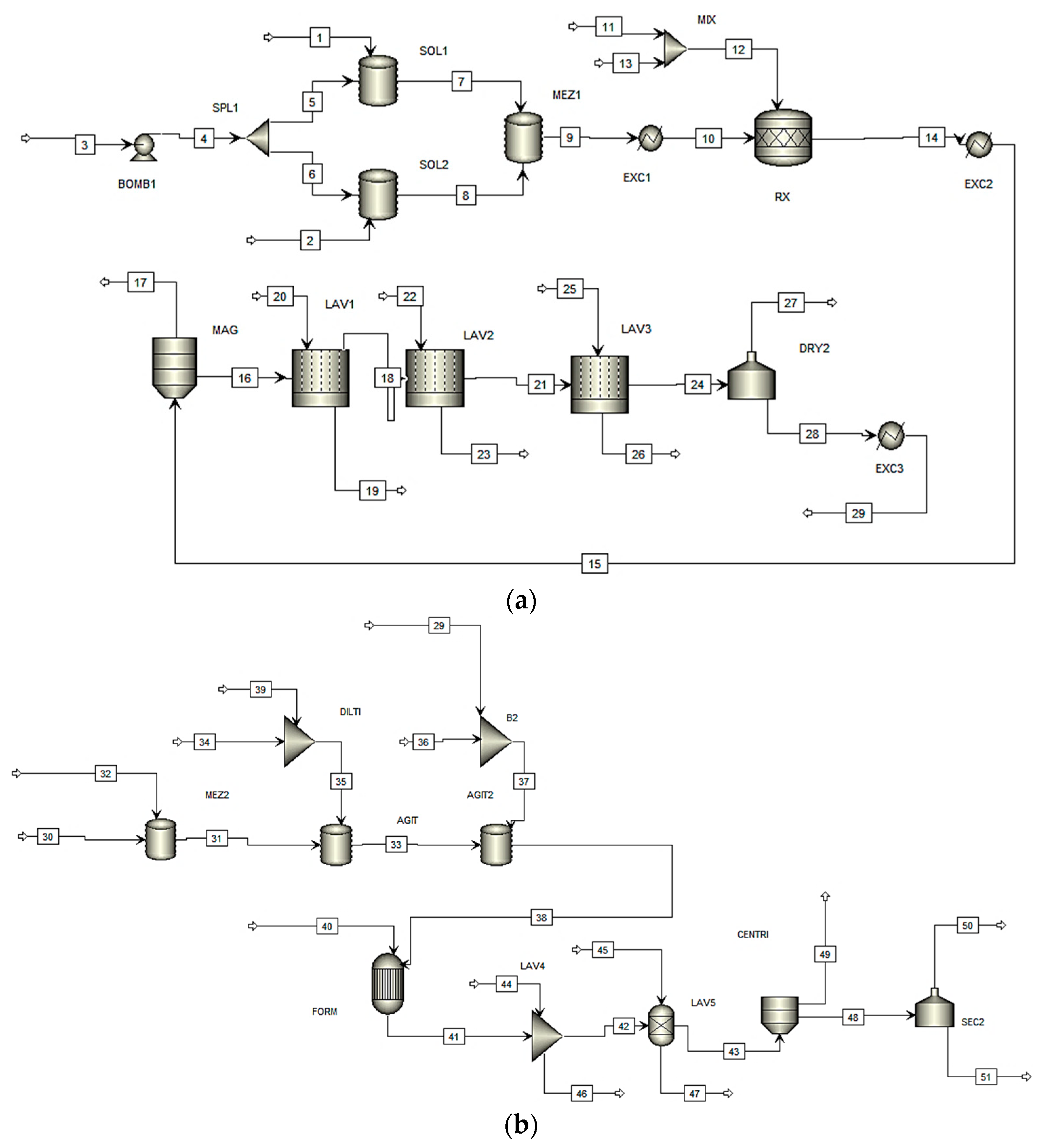
2.1.1. Process 1: Production of Chitosan Microbeads Modified with TiO2 Nanoparticles via Green Chemistry
2.1.2. Process 2: Production of Chitosan Microbeads Modified with TiO2 and Magnetite Nanoparticles
2.1.3. Process 3: Production of Chitosan Microbeads Modified with Thiourea
2.2. Exergy Analysis
3. Results
3.1. Processes Simulation Results
3.1.1. Simulation of Large-Scale Production of Chitosan Microbeads Modified with TiO2 Nanoparticles via Green Chemistry
3.1.2. Simulation of Large-Scale Production of Chitosan Microbeads Modified with TiO2 and Magnetite Nanoparticles
3.1.3. Simulation of Large-Scale Production of Chitosan Microbeads Modified with Thiourea
3.2. Exergy Analysis of the Routes Simulated
4. Conclusions
Author Contributions
Funding
Acknowledgments
Conflicts of Interest
References
- Bhojwani, S.; Topolski, K.; Mukherjee, R.; Sengupta, D.; El-Halwagi, M.M. Technology review and data analysis for cost assessment of water treatment systems. Sci. Total Environ. 2019, 651, 2749–2761. [Google Scholar] [CrossRef]
- De Gisi, G.; Lofrano, M.; Grassi, M.; Notarnicola, M. Characteristics and adsorption capacities of low-cost sorbents for wastewater treatment: A review. Sustain. Mater. Technol. 2016, 9, 10–40. [Google Scholar] [CrossRef]
- Sun, X.; Liu, Q.; Yang, L.; Liu, H. Chemically modified magnetic chitosan microspheres for Cr (VI) removal from acidic aqueous solution. Particuology 2016, 26, 79–86. [Google Scholar] [CrossRef]
- Zhou, L.; Liu, J.; Liu, Z. Adsorption of platinum (IV) and palladium (II) from aqueous solution by thiourea-modified chitosan microspheres. J. Hazard. Mater. 2009, 172, 39–446. [Google Scholar] [CrossRef] [PubMed]
- Righi, S.; Baioli, F.; Dal Pozzo, A.; Tugnoli, A. Integrating Life Cycle Inventory and Process Design Techniques for the Early Estimate of Energy and Material Consumption Data. Energies 2018, 11, 970. [Google Scholar] [CrossRef]
- Hendershot, D. Green chemistry and process safety. J. Chem. Health Saf. 2015, 22, 39. [Google Scholar] [CrossRef]
- Wang, P.; Lombi, E.; Zhao, F.; Kopittke, P. Nanotechnology: A New Opportunity in Plant Sciences. Trends Plant Sci. 2016, 21, 699–712. [Google Scholar] [CrossRef]
- Karimi, M.H.; Mahdavinia, G.R.; Massoumi, B.; Baghban, A.; Saraei, M. Ionically crosslinked magnetic chitosan/κ-carrageenan bioadsorbents for removal of anionic eriochrome black-T. Int. J. Boil. Macromol. 2018, 113, 361–375. [Google Scholar] [CrossRef]
- Meramo-Hurtado, S.; Bonfante, H.; De Avila-Montiel, G.; Herrera-Barros, A.; González-Delgado, A. Environmental assessment of a large-scale production of TiO2 nanoparticles via green chemistry. Chem. Eng. Trans. 2018, 70, 1063–1068. [Google Scholar]
- Ojeda, K.; Sanchez, E.; Kafarov, V. Sustainable ethanol production from lignocellulosic biomass—Application of exergy analysis. Energy 2011, 36, 2119–2128. [Google Scholar] [CrossRef]
- Peralta-Ruiz, Y.; Gonzalez-Delgado, A.; Kafarov, V. Evaluation of alternatives for microalgae oil extraction based on exergy analysis. Appl. Energy 2013, 101, 226–236. [Google Scholar] [CrossRef]
- Aghbashlo, M.; Mandegari, M.; Tabatabaei, M.; Farzad, S.; Mojarab Soufiyan, M.; Görgens, J.F. Exergy analysis of a lignocellulosic-based biorefinery annexed to a sugarcane mill for simultaneous lactic acid and electricity production. Energy 2018, 149, 623–638. [Google Scholar] [CrossRef]
- Meramo-Hurtado, S.; Ojeda-Delgado, K.; Sánchez-Tuíran, E. Exergy analysis of bioethanol production from rice residues. Comtemp. Eng. Sci. 2018, 11, 467–474. [Google Scholar] [CrossRef]
- Restrepo-Serna, D.L.; Martinez-Ruano, J.A.; Cardona-Alzate, C.A. Energy Efficiency of Biorefinery Schemes Using Sugarcane Bagasse as Raw Material. Energies 2018, 11, 3474. [Google Scholar] [CrossRef]
- Goméz-Ríos, D.; Barrera-Zapata, R.; Ríos-Estepa, R. Comparison of process technologies for chitosan production from shrimp shell waste: A techno-economic approach using Aspen Plus®. Food Bioprod. Process. 2017, 103, 49–57. [Google Scholar] [CrossRef]
- Bonfante-Álvarez, H.; De Avila-Montiel, G.; Cogollo-Herrera, K.; Herrera-Barros, A.; González-Delgado, A. Evaluation of Five Chitosan Production Routes with Astaxanthin Recovery from Shrimp Exoskeletons. Chem. Eng. Trans. 2018, 70, 1969–1974. [Google Scholar] [CrossRef]
- Meramo-Hurtado, S.; Ojeda-Delgado, K.; Sánchez-Tuíran, E. Environmental assessment of a biorefinery: A case study of a purification stage in biomass gasification. Comtemp. Eng. Sci. 2018, 11, 113–120. [Google Scholar] [CrossRef]
- Wang, L.; Yang, Z.; Sharma, S.; Mian, A.; Lin, T.; Tsatsaronis, G.; Maréchal, F.; Yang, Y. A Review of Evaluation, Optimization and Synthesis of Energy Systems: Methodology and Application to Thermal Power Plants. Energies 2018, 12, 73. [Google Scholar] [CrossRef]
- Wei, Y.; Han, B.; Hu, X.; Lin, Y.; Wang, X.; Den, X. Synthesis of Fe3O4 nanoparticles and their magnetic properties. Eng. Procedia 2012, 27, 632–637. [Google Scholar] [CrossRef]
- Querol, E.; González-Regueral, B.; Pérez-Benedito, J.L. Practical Approach to Exergy and Thermoeconomic Analyses of Industrial Processes, 1st ed.; Springer: Berlin, Germany, 2013. [Google Scholar]
- Wang, J.J.; Yang, K.; Xu, Z.L.; Fu, C. Energy and exergy analyses of an integrated CCHP system with biomass air gasification. Appl. Energy 2015, 142, 317–327. [Google Scholar] [CrossRef]
- Abosoglu, A.; Kanoglu, M. Exergetic and thermoeconomic analyses of diesel engine powered cogeneration: Part 1–Formulations. Appl. Therm. Eng. 2009, 29, 234–241. [Google Scholar] [CrossRef]
- Sorin, M.; Lambert, J.; Paris, J. Exergy flows analysis in chemical reactors. Chem. Eng. Res. Des. 1998, 76, 389–395. [Google Scholar] [CrossRef]
- Tajidin, N.E. Chemical composition and citral content in lemongrass (Cymbopogon citratus) essential oil at three maturity stages. Afr. J. Biotechnol. 2012, 11, 2685–2693. [Google Scholar] [CrossRef]
- Kaushik, S.C.; Singh, O.K. Estimation of chemical exergy of solid, liquid and gaseous fuels used in thermal power plants. J. Therm. Anal. Calorim. 2014, 115, 903–908. [Google Scholar] [CrossRef]










| Compound | Average Concentration |
|---|---|
| β-Myrcene | 5.5% |
| 3-Undecyne | 3.2% |
| Neral | 30.5% |
| Geranial | 42.5% |
| Nerol | 3.5% |
| Others | 14.8% |
| Streams | 1 | 19 | 22 | 39 | 43 | 48 | 56 |
|---|---|---|---|---|---|---|---|
| Temperature (K) | 301.15 | 373.15 | 301.15 | 823.15 | 301.15 | 301.15 | 301.15 |
| Pressure (kPa) | 101.32 | 101.32 | 101.32 | 101.32 | 101.32 | 101.32 | 101.32 |
| Component mass flow (kg/h) | |||||||
| β-Myrcene | 2.04 | 0.47 | 0.00 | 0.00 | 0.00 | 0.00 | 0.00 |
| 3-Undecyne | 1.19 | 0.55 | 0.00 | 0.00 | 0.00 | 0.00 | 0.00 |
| Gerenial | 27.10 | 22.46 | 0.00 | 0.00 | 0.00 | 0.00 | 0.00 |
| Nerol | 1.28 | 1.086 | 0.00 | 0.00 | 0.00 | 0.00 | 0.00 |
| Cellulose | 1,882.97 | 0.00 | 0.00 | 0.00 | 0.00 | 0.00 | 0.00 |
| Water | 1466.9 | 608.58 | 0.00 | 0.00 | 3782.31 | 17,367.7 | 0.00 |
| TTIP | 0.00 | 0.00 | 592.90 | 0.00 | 0.00 | 0.00 | 0.00 |
| TiO2 | 0.00 | 0.00 | 0.00 | 154.84 | 0.00 | 0.00 | 154.84 |
| Chitosan | 0.00 | 0.00 | 0.00 | 0.00 | 77.20 | 0.00 | 77.20 |
| NaOH | 0.00 | 0.00 | 0.00 | 0.00 | 0.00 | 1929.75 | 0.00 |
| Total | 3381.47 | 633.15 | 592.90 | 154.84 | 3859.50 | 19,297.50 | 232.03 |
| Streams | 1 | 2 | 11 | 29 | 30 | 34 | 51 |
|---|---|---|---|---|---|---|---|
| Temperature (K) | 301.15 | 301.15 | 301.15 | 301.15 | 301.15 | 301.15 | 301.15 |
| Pressure (kPa) | 101.32 | 101.32 | 101.32 | 101.32 | 101.32 | 101.32 | 101.32 |
| Component mass flow (kg/h) | |||||||
| Water | 0.00 | 0.00 | 0.00 | 0.00 | 10,907.70 | 0.00 | 0.00 |
| FeCl3·6H2O | 200.00 | 0.00 | 0.00 | 4.00 | 0.00 | 0.00 | 2.87 |
| FeCl2·4H2O | 0.00 | 79.17 | 0.00 | 7.09 | 0.00 | 0.00 | 5.08 |
| NaOH | 0.00 | 0.00 | 134.23 | 0.00 | 0.00 | 0.00 | 0.00 |
| Magnetite | 0.00 | 0.00 | 0.00 | 83.94 | 0.00 | 0.00 | 60.24 |
| NaCl | 0.00 | 0.00 | 0.00 | 0.01 | 0.00 | 0.00 | 0.01 |
| Chitosan | 0.00 | 0.00 | 0.00 | 0.00 | 222.607 | 0.00 | 159.74 |
| TiO2 | 0.00 | 0.00 | 0.00 | 0.00 | 0.00 | 111.35 | 79.90 |
| Acetic acid | 0.00 | 0.00 | 0.00 | 0.00 | 0.00 | 0.00 | 0.00 |
| Total | 200.00 | 79.17 | 134.23 | 95.05 | 11,130.30 | 111.35 | 307.86 |
| Streams | 1 | 2 | 3 | 6 | 7 | 11 | 13 |
|---|---|---|---|---|---|---|---|
| Temperature (K) | 301.15 | 301.15 | 301.15 | 301.15 | 301.15 | 301.15 | 301.15 |
| Pressure (kPa) | 101.32 | 101.32 | 101.32 | 101.32 | 101.32 | 101.32 | 101.32 |
| Component mass flow (kg/h) | |||||||
| Water | 0.00 | 2,857.54 | 0.00 | 34,520.80 | 37,452.40 | 53,653.80 | 0.00 |
| Chitosan | 77.61 | 0.00 | 0.00 | 0.00 | 77.61 | 0.00 | 77.61 |
| Thiourea | 0.00 | 0.00 | 77.61 | 0.00 | 77.61 | 0.00 | 77.61 |
| NaOH | 0.00 | 0.00 | 0.00 | 1,700.40 | 1,535.8 | 0.00 | 0.01 |
| Sodium acetate | 0.00 | 0.00 | 0.00 | 0.00 | 337.60 | 0.00 | 0.00 |
| Acetic acid | 0.00 | 274.13 | 0.00 | 0.00 | 0.00 | 0.00 | 0.00 |
| Total | 77.61 | 3,104.67 | 77.61 | 36,221.20 | 3,9481.10 | 53,653.80 | 155.23 |
| Component | Chemical Exergy (MJ/kmol) | Component | Chemical Exergy (MJ/kmol) |
|---|---|---|---|
| Myrcene | 9670.10 | NaOH | 74.90 |
| Undecyne | 11,397.10 | Magnetite | 116.30 |
| Gerenial | 9,708.60 | Thiourea | 112.10 |
| Nerol | 10,348.10 | TiO2 | 21.73 |
| TTIP | 7,141.20 | Water | 0.90 |
| Chitosan | 12,462.78 | Acetic acid | 907.20 |
| Process | Irreversibilities (MJ/h) | Exergy Efficiency (%) | Exergy of Residues (MJ/h) | Exergy Utilities (MJ/h) |
|---|---|---|---|---|
| CMTiO2 | 181,665.63 | 0.04 | 144,445.08 | 91,033.74 |
| CMTiO2-Mag | 216,795.71 | 2.83 | 182,698.34 | 88,030.46 |
| CMThi | 116,991.60 | 2.50 | 33,654.48 | 105,964.41 |
© 2019 by the authors. Licensee MDPI, Basel, Switzerland. This article is an open access article distributed under the terms and conditions of the Creative Commons Attribution (CC BY) license (http://creativecommons.org/licenses/by/4.0/).
Share and Cite
Meramo-Hurtado, S.; Herrera-Barros, A.; González-Delgado, Á. Evaluation of Large-Scale Production of Chitosan Microbeads Modified with Nanoparticles Based on Exergy Analysis. Energies 2019, 12, 1200. https://doi.org/10.3390/en12071200
Meramo-Hurtado S, Herrera-Barros A, González-Delgado Á. Evaluation of Large-Scale Production of Chitosan Microbeads Modified with Nanoparticles Based on Exergy Analysis. Energies. 2019; 12(7):1200. https://doi.org/10.3390/en12071200
Chicago/Turabian StyleMeramo-Hurtado, Samir, Adriana Herrera-Barros, and Ángel González-Delgado. 2019. "Evaluation of Large-Scale Production of Chitosan Microbeads Modified with Nanoparticles Based on Exergy Analysis" Energies 12, no. 7: 1200. https://doi.org/10.3390/en12071200
APA StyleMeramo-Hurtado, S., Herrera-Barros, A., & González-Delgado, Á. (2019). Evaluation of Large-Scale Production of Chitosan Microbeads Modified with Nanoparticles Based on Exergy Analysis. Energies, 12(7), 1200. https://doi.org/10.3390/en12071200

