Next Article in Journal
Liquid Water Transport in Porous Metal Foam Flow-Field Fuel Cells: A Two-Phase Numerical Modelling and Ex-Situ Experimental Study
Next Article in Special Issue
Influence of DC Electric Fields on Pollution of HVDC Composite Insulator Short Samples with Different Environmental Parameters
Previous Article in Journal
Simulation of Temperature Distribution on the Face Skin in Case of Advanced Personalized Ventilation System
Previous Article in Special Issue
A Non-Uniform Transmission Line Model of the ±1100 kV UHV Tower
 
 
Font Type:
Arial Georgia Verdana
Font Size:
Aa Aa Aa
Line Spacing:
Column Width:
Background:
Article

Improving Angle Stability by Switching Shunt Reactors in Mixed Overhead Cable Lines. An Italian 400 kV Case Study

by
Mariano Giuseppe Ippolito
,
Fabio Massaro
* and
Rossano Musca
Engineering Department, University of Palermo, 90128 Palermo, Italy
*
Author to whom correspondence should be addressed.
Energies 2019, 12(7), 1187; https://doi.org/10.3390/en12071187
Submission received: 8 February 2019 / Revised: 20 March 2019 / Accepted: 25 March 2019 / Published: 27 March 2019
(This article belongs to the Special Issue DC and AC Overhead Transmission Lines from Low to Extra-High Voltages)

Abstract

:
Stringent environmental constraints make the construction of new transmission overhead lines more and more difficult. Alternatively, today it is possible to use cable lines for high (HV) and extra-high (EHV) voltage systems. The configuration of the so-called mixed lines can create some problems in the operation of the electrical system, both during steady-state and transient conditions. In particular, the system stability is one of the main concerns when analyzing the dynamic response of power systems. In this paper, the study of angular stability of a system containing a mixed line is presented: a specific control logic applied to the shunt reactors of the mixed line is proposed as improvement of the overall system stability. The proposed switching logic is first discussed from a theoretical point of view and validated with two different testing systems. Then, the existing overhead-cable lines connecting Sicily to the rest of continental Europe 400 kV power system are taken as case study for the application of the proposed switching strategy. Several simulations are performed in the power system analysis software NEPLAN360: the results show the fundamental role of the timing of the control actions applied on the shunt reactors in helping the system to keep the stability. The proposed control proves to be an effective support to the system subjected to critical contingencies, contributing decisively to avoid the angular separation between areas and therefore to preserve the stability of the system.

1. Introduction

Stringent environmental constraints have made the construction of new overhead transmission lines more and more difficult. System operators are increasingly turning to the use of high voltage (HV) and extra high voltage (EHV) cable lines. The development of material technology has also supported this type of solution, as an alternative to the construction of new overhead lines. The configuration of the so-called mixed overhead-cable lines generates however a series of issues for the operation of the electricity system, both in steady-state and in transient conditions.
More specifically, the assessment of angular or transient stability of an electrical system plays a fundamental role, as it allows contingencies classification and provides indications for the design and planning of the power systems. Angular stability (also known in the literature as large-disturbance rotor angle stability [1]) concerns the ability of the system to withstand critical disturbances such as three-phase short circuits. Such disturbances modify significantly the equilibrium condition of the system: in some cases, they bring synchronous machines to the loss of synchronism, angular separation between areas and eventually to the instability of the system.
In a mixed overhead-cable line, the reactive power absorbed by the cable section is compensated by the installation at the cable ends of shunt reactors: the size of the reactors becomes relevant as the length of the cables increases. As it can be illustrated, the possible control on large shunt reactors can have a considerable influence on the dynamic response of the system. In the world, there are currently many existing systems and many future projects containing mixed lines with considerable cable length: in this scenario, it is undoubtedly important to establish a control logic on the shunt reactors, to be adopted in case of critical disturbances as improvement of the stability of the power system.
In the first part, the paper focuses on the application of a switching control strategy on shunt reactors: Section 2.1 provides a general background about the problems related to the switching of a shunt reactor, especially the electromagnetic transients occurring at the de-energization and at the energization of the reactor. Section 2.2 illustrates a theoretical analysis of reactor switching as improvement of system stability, discussing the physical meaning of reactor switching on angular stability and consequently introducing the principles of a specific control logic. The proposed switching strategy is then validated with two different testing systems, described and analyzed respectively in Section 2.3 and Section 2.4. The considered testing systems are a simple two-machine system and the IEEE 3-machine 9-bus standard test system. This paper is an extend version of [2] and the proposed switching strategy has been initially proposed in [2]; in this work it is further developed and applied to a real case study of an existing power system.
The second part of the study describes the application of the proposed switching action to an existing system with mixed lines including long cable sections and large shunt reactors. The overhead-cable lines connecting Sicily to the rest of continental Europe 400 kV power system are taken as case study for the implementation of the reactors control actions as improvement of system stability. Section 3.1 describes the system outline and the modeling approach to represent the overall system in time-domain simulations. Section 3.2 presents the details of the implementation of the switching control logic, with the formulation of a user-written model for the switching controller. All models and simulations performed in a time-domain analysis frame are developed and implemented in the power system analysis software NEPLAN360 [3]. The results of the simulation are reported and discussed in Section 3.3: two different real-case system operating conditions between Sicily and Italy’s mainland are taken into account, and for each condition extensive simulations of the system under critical contingencies are performed. Finally, Section 4 summarizes the main conclusions of the work, showing the contribution of the switching actions on the reactors to the stability of the power system.

2. Shunt Reactor Switching

2.1. Switching Overvoltages

Shunt reactors are mostly used in electric transmission systems: their primary function is certainly to regulate the system’s voltage, balancing the reactive power generated by overhead lines in no-load conditions or by cables installed in high and very high voltage systems. Often, the reactors are switched on and off several times a day due to changes in loads and transits on the electrical system. The study of the switching of shunt compensators and of the relative transient has been already discussed in [4,5,6].
When a reactor is de-energized, the chopping of the current and subsequent possible reignitions can results in significant transient overvoltages. The following two types of overvoltages can be generated: overvoltages originated by the premature forcing of current to zero, called chopping overvoltages, with frequencies up to 5 kHz, and overvoltages originated by the possible re-ignition of the circuit breaker after high voltage stress through the poles, called re-ignition overvoltages, with frequencies up to several hundred kHz. The chopping overvoltages are very severe for small reactors (in literature known as small inductive current interruption): in this work, large shunt reactors will be considered and therefore this type of overvoltages is not assumed as relevant to the purposes of the performed analysis. On the other hand, the possible re-ignition with successive overvoltage transients (rather steep) could be critical, and it can damage the insulation or the nearby equipment. The installed overvoltage arresters provide to limit the overvoltages to earth at acceptable levels, but nevertheless they cannot limit the slope of the voltage fluctuations associated to the restarts. A possible solution to this problem can be checking the separation of contacts, with the aim of eliminating the re-ignitions occurrence [7,8,9]. Specific control devices are currently used within circuit breakers in order to control the switching operation of the reactor. Therefore, this type of overvoltages does not represent a critical problem for the application of a de-energizing operation on a shunt reactor.
When a reactor is energized, the switching operation could originate inrush currents with considerable asymmetry and high time constants: however, since the inrush currents are related to the saturation of the magnetic core and since the air-gap used in shunt reactors is such as not to introduce significant saturation effects [7], this issue is not relevant for the application of an energizing operation of a shunt reactor. The control on closing and the control on opening are usually used together within the breakers of shunt reactors as complementary controls.

2.2. Theoretical Analysis of the Switching Strategy

The power transfer equation of a simple two-bus system is given by:
P = V1·V2·sinδ·B12
where P is the active power transfer, V1 and V2 are respectively the sending and the receiving end voltage magnitudes, δ is the power angle between V1 and V2, and B12 is a parameter obtained from the equivalent two-port circuit constants and it takes into consideration reactances and capacitances of the link. Equation (1) is valid under the hypothesis that the line resistance is neglected. When a mixed line with shunt reactors is inserted between the two nodes, the opening or the closing of the reactors implies a step change in the value of the parameter B12, but it results also in a sudden variation of the voltages V1 and V2. It is consequent that shunt reactors can have a relevant impact on the transient response of the system [2,10]: if properly controlled, they can then contribute to the improvement of the stability of the system when subjected to critical contingencies. The impact of the control action depends obviously on the value of YR, which represents the admittance of the shunt reactor: this value increases as the MVAR reactor rating increases. Therefore, the impact of the switching operation becomes more effective with the size of the shunt reactors.
The application of a switching strategy on shunt devices such as capacitors and reactors as improvement of the stability is a known technique in literature, but basically it is conceived as switching-on operation performed on capacitor banks [11,12,13,14]. However, the switching-on operation of a capacitor is equivalent to the switching-off of a reactor, and vice versa: switching large shunt reactors is expected to have a similar positive impact on the stability of the power system.
The use of a switching procedure as an action supporting system stability can also be imagined as an extension of the simple and only switching-off operation of the device: a more elaborated strategy could involve a series of a couple of switching-off and switching-on operations, applied to the reactors participating to the control action until the system reaches successfully the steady-state after the disturbance. Considering a mechanical analogy, the application of such a strategy could be seen as the insertion of weights on an oscillating mass. Ideally, the connection of these weights should occur in specific instants of the oscillations: these instants correspond to the times when the oscillating system passes through the final equilibrium point. These same considerations can be applied to the case of shunt reactors: the identification of definite instants to trigger the switching operations is a fundamental key in the application of the proposed strategy as help to the system in maintaining the stability. These instants can be identified with the implementation of a simple detection logic on minimum/maximum voltage relays with two thresholds: when the input signal drops below a minimum value defined by the first threshold, the relay activates the disconnection of the reactor; when the input signal raises above a maximum value defined by the second threshold, the relay activates the connection of the reactor. The thresholds are set appropriately in order to achieve the concept of connecting weights at equilibrium point crosses of the oscillating system, as described before in the mechanical analogy. With this approach, the switching strategy considers both the forward and the backward swings of the system, since both can lead to angular separation and therefore to system instability [11]. The voltage of the reactor node is conveniently used as input signal to the minimum/maximum relay for the implementation of the proposed switching strategy.

2.3. Single-Machine Infinite-Bus Test System

The switching strategy described in Section 2.2 is applied to the simple test system shown in Figure 1: one synchronous machine with step-up transformer is connected to the infinite bus through HV mixed overhead-cable transmission line in double-circuit. The reactive power required by the cables line is compensated by four shunt reactors, installed at the ends of the cable section. The synchronous machine is simulated for the time-domain analysis with a detailed subtransient model. The synchronous machine is equipped with a field-controlled alternator-rectifier excitation system, denominated as AC1A type [15]. All system data are reported in Appendix A.
The disturbance applied to the system is the opening of one circuit in the second overhead line (OHL) section: this corresponds to an increase in the value of the overall reactance between the generator and the infinite bus. The line is disconnected at tdist = 1.2 s. Three of the four reactors of the mixed line are involved in the switching operations: the three reactors participating to the control action (about 600 MVAR) are disconnected near the occurrence of the line outage, at tsw = 1.4 s. According to the principles of the switching strategy illustrated in the previous section, the reactors are disconnected and re-connected at precise instants during the oscillations of the system, considering both the forward and the backward swings of the synchronous machine.
The results of the dynamic analysis are shown in Figure 2. The simulation includes four different scenarios: the base case of no reactor switching and three different switching control cases of the reactors. As shown in Figure 2a, in the base case of no reactor switching, the system cannot withstand the line tripping: the disturbance brings the system to an unstable condition, and in particular to the so called first-swing instability. In the first switching case (SW′), all three reactors are switched off at tsw = 1.4 s: two are switched off and on according to the thresholds 0.98 pu and 1.01 pu, while the last reactor is re-connected only if the voltage of the machine terminal exceeds the value of 1.1 pu. In this case, the system is able to maintain the synchronism and the oscillations are well damped. The application of the reactors switching is then crucial in supporting the system to keep stability. For the SW’ case, the voltage of the machine terminal and the shunt admittance of the reactors are shown in Figure 2b. The second switching case (SW″) is similar to the first, with the difference of the third shunt reactor disconnected later (tsw = 1.6 s), after the back swing of the generator: as can be seen from Figure 2a, the system is still stable, but the oscillations of the system after the disturbance are less damped. In the third switching case (SW″), two reactors are switched off too late (tsw = 1.6 s) after the back swing of the generator: in this case, despite the trigger of disconnections and re-connections applied on the reactors, the system is not stable and it experiences angular separation.
The analysis and the results obtained for the simple test system demonstrate the fundamental role of the identification of specific switching instants for the success of the switching control actions: disconnecting and reconnecting shunt reactors prove to represent a remarkable help for the system in maintaining the stability, and the timing of the switching operations are decisive for the effectiveness of the applied control action.

2.4. IEEE 3-Machine 9-Bus Standard Test System

The switching strategy illustrated in Section 2.2 is also tested using the Western System Coordinating Council (WSCC) IEEE 3-machine 9-bus [16]: this is a well-known standard test system, normally used in power flow and transient stability studies. The test system is appropriately modified to introduce a mixed overhead-cable line with shunt reactors for the purposes of this work (Figure 3): the line connecting the bus 5 and the bus 7 is divided in half and a cable line is inserted between the two overhead sections. The cable line has the same parameters of the cable used in the simple system of Section 2.3. For the considered voltage level of 230 kV, the cable requires a reactive power of about 190 MVAR: two shunt reactors of 100 MVAR each are then installed at the cable ends for the compensation of the reactive power.
Two different system configurations are considered. In the first configuration, the voltage regulator designated as DC1A (also known as IEEE type 1) is included in the system model for generators G2 and G3. In the second configuration, the voltage regulator designated as AC1A is included in the system model for generators G2 and G3. The parameters of the synchronous machine models are derived from [16] and [17]. The DC1A type represents DC exciters controlled on-site with DC voltage regulators and it is known that it has been replaced by AC and ST (STatic) excitation system [15]: however, since several works in literature investigate the 3-machine 9-bus WSCC test system including this type of regulator in the dynamic simulations [18,19], the model of this excitation system is considered in this work for sake of comparison.
For the more complex 9-bus 3-machine test system, the proposed control strategy on shunt reactors can be applied with the following settings: the threshold values assigned to voltage relays are set in order to let only one reactor participate to the switching operations, while the operation of the second reactor is activated only if needed, as additional support to the action of the first reactor. The proposed strategy could be also further developed and elaborated, considering different set of thresholds, remote input signal for the minimum/maximum voltage relays, even integrated in the frame of a more coordinated environment of a hierarchical control architecture of the power system.
The results of the application of described switching strategy to the 9-bus WSCC 3-machine test system are reported in the following subsections, respectively for the configuration with DC1A excitation system and for the configuration with the AC1A excitation system. In both cases, the disturbance applied to the system is a three-phase fault on bus 7, applied at tfault = 0.1 s and removed after 23 ms at tclear = 0.33 s.

2.4.1. DC1A Type Voltage Regulator

In the case of synchronous machines equipped with DC1A voltage regulators, the results of the dynamic simulations are reported in Figure 4. When no reactor switching is operated, the power system cannot withstand the fault occurrence and it undergoes first-swing instability (Figure 4a). When instead the reactors of the mixed line are switched according to the switching strategy described in Section 2.2, the system is able to maintain stability and the angular separation is avoided. As additional result, Figure 4b shows the admittances of the two shunt reactors: as it can be seen, one reactor operates eight switching cycles, while the other reactor operates five switching cycles. At the end of the transient due to the disturbance, both reactors return to be connected and the system reaches the final steady-state condition.
In the simulated test system, the voltage relay controlling the first reactor is set with the values of 0.9 pu and 1.01 pu, respectively for the minimum and for the maximum threshold. The voltage relay controlling the second reactor is set instead with the values of 0.8 pu and 1.1 pu, respectively, for the minimum and for the maximum threshold: with these settings, the switching operation of the second reactor is properly activated only as support to the action of the first reactor.
In the case of the analyzed configuration of the IEEE 3-machine 9-bus test system, the application of a switching strategy on the shunt reactors proves to contribute positively and decisively to the stability of the system subjected to a critical contingency.

2.4.2. AC1A Type Voltage Regulator

In the case of synchronous machines equipped with AC1A voltage regulators, the results of the dynamic simulations are reported in Figure 5. Also, in this case, when no reactor switching is operated, the power system is not able to maintain the stability: the generators lose the synchronism and enter in the out-of-step condition, with the consequent tripping of the corresponding protections and the separation of the system (Figure 5a). When instead the switching strategy is operated on the shunt reactors of the mixed line, the system reacts successfully to the disturbance and it is able to avoid the instability. In this case, the first reactor operates five switching cycles, while the second one is disconnected at the beginning of the control action and afterward kept disconnected for the rest of the transient (Figure 5b).
In the simulated system, the voltage relays controlling the two reactors have the same thresholds as the previous configuration, except the maximum threshold of the second reactor, which is set in this configuration to 1.2 pu.
Also in the case of this configuration of the IEEE 3-machine 9-bus test system, the control action on the shunt reactors shows to be an effective improvement of the system stability, containing the oscillations after the occurrence of the disturbance and representing an immediate action that could avoid the instability of the system.

3. Case Study: Cable Links between Sicily and Italy’s Mainland

3.1. System Description and Modeling Approach

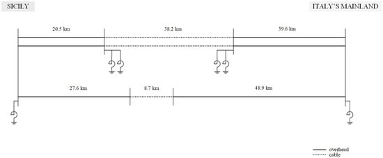
The case study taken into consideration for the application of the switching strategy described in the Section 2.2 is the transmission line linking Sicily with Italy’s mainland. The 400 kV AC link is composed of three different mixed overhead-cable lines. The first link is a single-circuit mixed transmission line, including a cable section with a relatively small length (about 8 km) and only one shunt reactor installed at OHL section’s end as compensation: this line is the old link between Sicily and the Italian mainland and it was the only connection up to 2016. The second link is a double-circuit mixed transmission line, with a relevant total length of the cable sections (about 40 km), and four shunt reactors installed at both cable ends to compensate the required reactive power: these lines represent the new link between Sicily and the Italian mainland, put into operation in 2016 as reinforcement of the existing 400 kV AC interconnection. The longer submarine cables have been necessary because it was not possible to lay the new cables adjacent to the old link due to high anthropization of the coastal areas and strict environmental constraints [20]. Figure 6 shows a route map of the new overhead-cable line connecting Sicily to continental Europe.
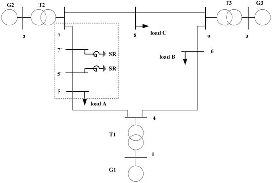
This case study can be outlined as a representation of a typical two-area power system, with the two areas interconnected by a transmission line. Each area can be represented with a single, equivalent synchronous machine. The interconnection between the two areas consists of mixed overhead-cable lines, including the corresponding shunt reactors. The considered configuration corresponds to the existing interconnection between Sicily and Italy’s mainland (Figure 7), as described above. The reactive power required by the long cables is provided by four shunt reactors, each one rated 285 MVAR at 420 kV and connected at each cable line’s end. The total shunt compensation corresponds to about 90% of the cable lines charging power.
The synchronous machines representing the two areas are modeled respectively with classical and subtransient model. The two areas are connected between each other through mixed overhead-cable lines, and they have very different characteristics: the first one (Sicily) is significantly much smaller than the second one (Italy’s mainland and the rest of continental Europe), and it has only few generators while the second one includes thousands of synchronous machines. Therefore, the two areas can be modeled following two different approaches:
  • Area 1 can be represented with a detailed synchronous machine subtransient model: the rated power Sr is specified as the sum of the available generation in the area (Stot = 2308 MVA), while the remaining parameters of the subtransient model are the same parameters used to represent the generators inside the area; in this case, the machine is equipped with exciter, turbine and power system stabilizer;
  • Area 2 is represented with a simple synchronous machine classical model: the rated power Sr is assumed equal to the sum of the available generation in the area (Stot = 607083 MVA), the reactance Xd’ is calculated from the shortcircuit power Ssc at the connection point between the two areas, and the inertia constant H is assumed equal to a typical value of 3 s.
The data of implemented models are reported in Appendix B. The two-area system is simulated for two specific loadflow conditions, with lumped loads on both sides representing the consumption respectively in Area 1 and Area 2.
The two different operating conditions for the power flow between Sicily and Italy’s mainland are the following: the first one considers the Sicily area exporting the active power of P = 400 MW to Italy’s mainland; the second one considers Sicily area importing the active power of P = 600 MW from Italy’s mainland. These operating conditions correspond to specific network requirements and they have been both running by Terna, the Italian transmission system operator. Figure 8 shows a schematization of the two cases.

3.2. Switching Logic Controller

The switching controller is simulated using the element “Generic Model” available in the NEPLAN360 software [3]. This model formulation is completely independent from the network equations and it can be used to implement any mathematical system or binary logic in combination with the power system mathematical model. This special component offers also the possibility to trigger specific actions defined in the “Tripping functions” section. This feature is conveniently used in the implementation of the switching controller to activate the switching-off and the switching-on of the shunt reactors, according to the specific switching logic defined by the controller model equations. The thresholds for the activation of the switching procedure are set respectively to Voff = 0.98 pu and Von = 1.02 pu. The switching controller is implemented in the system as user-written model. The model is developed in the SYMDEF language, a proprietary modeling language of the software NEPLAN360 [3]: the model equations are reported in Figure 9.
The illustrated model of the switching controller implements the principles of the proposed switching strategy: the instants to trigger the switching operations are identified using the simple detection logic on minimum/maximum voltage relays with the two thresholds. With this approach, the switching operations will be activated on the reactors at the instants when the oscillating system crosses the corresponding steady-state point [2].

3.3. Simulations and Results

The implemented model of the system is simulated under the following four different disturbances:
  • Case 1a: three phase shortcircuit at terminal node of Area 1, cleared after 170 ms
  • Case 1b: three phase shortcircuit at terminal node of Area 1, cleared at the critical clearing time
  • Case 2a: three phase shortcircuit at terminal node of Area 2, cleared after 170 ms
  • Case 2b: three phase shortcircuit at terminal node of Area 2, cleared at the critical clearing time
In the disturbance cases 1b and 2b, the critical clearing time tCCT is obtained through an iterative procedure of time-domain simulations. The procedure is automated by an algorithm written in C# and interfaced with the available API of the NEPLAN360 calculation engine. The procedure takes the decimal precision and the maximum rotor angle as inputs, and it gives the critical clearing time for the selected fault as output. Setting a precision of 3 digits and a maximum rotor angle of 180°, the calculated critical clearing times are the ones listed in Table 1. The results of the time-domain analysis performed for the two operating conditions are addressed and discussed in the following subsections.

3.3.1. Operating Condition 1

The results of the time-domain dynamic analysis for system operated with active power flow from Sicily to the Italian mainland are reported in Figure 10 and Figure 11.
The results show the beneficial action of switching strategy to the overall system response. When the fault occurs on Area 1 side and it is cleared after 170 ms, the maximum instantaneous value reached by the rotor angle of Area 1 synchronous machine is δmax = 123.9 deg in the base case, and δmax = 116.1 deg in the switching case. The difference between the two values is Δδmax = 7.8 deg, which corresponds to the 17% of the initial rotor angle value δinitial. When the fault occurs on Area 2 side and it is cleared after 170 ms, the maximum instantaneous value reached by the rotor angle of Area 1 synchronous machine is δmax = 108.6 deg in the base case, and δmax = 103.4 deg in the switching case. The difference between the two values is Δδmax = 5.2 deg, which corresponds to the 11% of the initial rotor angle value δinitial. In both cases, the impact of the reactors switching is positive for the system, leading to a reduction of the maximum instantaneous rotor angle after the disturbance and therefore to a more stable condition for the system. When the fault occurs on Area 2 side, the beneficial action of the reactors switching is slightly lower than in the case of fault on Area 1 side: this is explained considering the proximity of the fault to the strong network representing Italy’s mainland and the rest of the continental Europe power system. In the first case, the reaction to the disturbance is more upon the synchronous machines and the controllers of the small area Area 1, so the contribution of the reactors switching is slightly more relevant, as observed in the simulations.
When the fault is cleared at the critical clearing time tCCT, the switching strategy demonstrates to be decisive to the response to the disturbance, as the system can conveniently keep the stability if the reactors switching is operated. Even if the impact on the transient response is slightly less when the fault occurs on Area 2 side, the switching strategy helps the system to keep stability both when the fault occurs on Area 1 and on Area 2 side. The simulations performed with the critical clearing time confirm the beneficial impact of the proposed switching strategy on the reaction of the system.

3.3.2. Operating Condition 2

The results of the time-domain dynamic analysis for system operated with active power flow from the Italian mainland to Sicily are reported in Figure 12 and Figure 13. The results show that the switching strategy applied to the reactors has a beneficial impact to the overall system response, also when the system is operated with a power flow going from Italy’s mainland to Sicily. All the considerations made in the previous case are confirmed.
When the fault occurs on Area 1 side and it is cleared after 170 ms, the maximum instantaneous value reached by the rotor angle of Area 1 synchronous machine is δmax = 111.8 deg in the base case, and δmax = 105.3 deg in the switching case. The difference between the two values is Δδmax = 6.5 deg, which corresponds to the 17% of the initial rotor angle value δinitial. When the fault occurs on Area 2 side and it is cleared after 170 ms, the maximum instantaneous value reached by the rotor angle of Area 1 synchronous machine is δmax = 96.2 deg in the base case, and δmax = 91.6 deg in the switching case.
The difference between the two values is Δδmax = 4.6 deg, which corresponds to the 12% of the initial rotor angle value δinitial. As observed in the previous operating condition, the impact of the reactors switching is positive for the stability system, with a reduction of the maximum value reached by the rotor angle after the disturbance. It can be also noted that the Δδmax differences in percentage of the initial rotor angle δinitial are basically the same for the two simulated operating conditions.
The switching strategy on the shunt reactors proves to be decisive for the system stability, leading to a clear improvement of the transient response of the system.

4. Conclusions

The present study concerns the definition of a switching control strategy on large shunt reactors. The reactors are typically installed in mixed overhead-cable lines to compensate the reactive power required by the cable sections. The impact of disconnection and re-connection of shunt reactors on the transient response of the system is discussed from the theoretical point of view and it is validated with two different test systems: a simple single-machine infinite-bus test system and a modified version of the IEEE 3-machine 9-bus test system, both including a mixed overhead-cable line with shunt reactors. In both cases, the results obtained in the time-domain dynamic analysis show that the application of the proposed switching strategy contributes decisively in supporting the system to keep the stability after the disturbance. For all the simulated test cases, when no switching is operated on the reactors, the system cannot withstand the applied disturbance and it undergoes angular separation. In particular, the triggering instants of the switching operation are detected as fundamental for the effectiveness of the control action as improvement of system stability. These triggering instants are identified as the instants when the oscillating system passes across the point corresponding to the final steady-state condition, and they are determined in the simulated system using minimum/maximum voltage relays with two thresholds. With this approach, the switching operations on the reactors are then activated at the specific instants determined by the described principle of equilibrium point crossing. The proposed switching strategy is illustrated in detail, explained with the means of a mechanical analogy, and implemented in the simulation environment by a user-written model.
The switching control action is then implemented on a real case study: the system taken into consideration is the transmission line linking Sicily with Italy’s mainland. The 400 kV AC link is composed of three different mixed overhead-cable lines and it includes four compensating shunt reactors with relevant rated power. The system is simulated considering different operating conditions and under different critical disturbances. The results of the time-domain analysis show in all cases the beneficial impact of the implemented switching strategy on the transient response of the system.
The proposed control on the reactors of mixed overhead-cable lines proves finally to be an effective support to the system in maintaining the synchronism between areas and then in keeping the stability. The application of the switching strategy is decisive for critical contingencies, as it helps the system to avoid angular separation, and it also useful for non-critical contingencies, as it mitigates the system oscillations occurring after the disturbance. The proposed switching strategy could be also integrated in the frame of a more coordinated protections architecture of the power system, as it contributes effectively to the improvement of system stability.

Author Contributions

All the authors gave equal contributions in writing and revising the paper.

Funding

This research received no external funding.

Conflicts of Interest

The authors declare no conflict of interest.

Appendix A

Parameters of the simulated simple test system: mixed line, synchronous machine and associated regulators.
Table A1. Parameters of synchronous machine—subtransient model.
Table A1. Parameters of synchronous machine—subtransient model.
ParameterValue
Sr (MVA)2000
Ur (kV)20
H (s)3.4
Xd (pu)1.763
X’d (pu)0.281
X’’d (pu)0.252
Xq (pu)1.744
X’q (pu)0.65
X’’q (pu)0.243
Ra (pu)0.003
Xl (pu)0.15
T’d0 (s)5.2
T’’d0 (s)0.035
T’q0 (s)1
T’’q0 (s)0.035
Asat0.03125
Bsat6.931
Table A2. Parameters of exciter type AC1A.
Table A2. Parameters of exciter type AC1A.
ParameterValue
KA (pu)200
TA (s)0.02
KF (pu)0.03
TF (s)1
TR (s)0.001
TB (s)0.001
KC (pu)0.2
TC (s)0.001
RC (pu)0
XC (pu)0
KD (pu)0.38
KE (pu)1
TE (s)0.8
VAMIN (pu)−14.5
VAMAX (pu)14.5
VRMIN (pu)−5.43
VRMAX (pu)6.03
E1 (pu)4.18
E2 (pu)3.14
SE1 (pu)0.10
SE2 (pu)0.03
Table A3. Parameters of exciter type DC1A.
Table A3. Parameters of exciter type DC1A.
ParameterValue
TR (s)0.001
KA (pu)46
TA (s)0.06
VRMIN (pu)−0.9
VRMAX (pu)1
KE (pu)0.01
TE (s)0.46
KF (pu)0.1
TF (s)1
E1 (pu)3.1
E2 (pu)2.3
SE1 (pu)0.33
SE2 (pu)0.1
Table A4. Parameters of step-up transformer.
Table A4. Parameters of step-up transformer.
ParameterValue
Sr (MVA)2000
Ur1 (kV)20
Ur2 (kV)400
Uk (%)8
GroupΔYn11
Table A5. Parameters of mixed overhead-cable transmission line.
Table A5. Parameters of mixed overhead-cable transmission line.
ParameterOHL1CABLEOHL2
Length (km)6040200
r (Ω/km)0.02310.01330.0231
x (Ω/km)0.270.1810.27
c (nF/km)13.323413.3
QSR (MVAR)-2 × 220-

Appendix B

Parameters of the simulated case study system: transmission line links and synchronous machine equivalent parameters for Sicily and Italy’s mainland representing areas.
Table A6. Parameters of synchronous machine (Area 2)—classical model.
Table A6. Parameters of synchronous machine (Area 2)—classical model.
ParameterValue
Sr (MVA)607,083
Ur (kV)380
H (s)3
Xd’ (pu)54.32
Table A7. Parameters of synchronous machine (Area 1)—subtransient model.
Table A7. Parameters of synchronous machine (Area 1)—subtransient model.
ParameterValue
Sr (MVA)2308
Ur (kV)20
H (s)3
R (pu)4.18
Xl (pu)0.15
Xd (pu)2
Xq (pu)1.8
X’d (pu)3.5
X’q (pu)5
X’’d (pu)2.5
X’’q (pu)2.5
T’d0 (pu)5.14
T’q0 (pu)2.16
T’’d0 (pu)0.042
T’’q0 (pu)0.083
Table A8. Parameters of exciter type SEXS.
Table A8. Parameters of exciter type SEXS.
ParameterValue
K (pu)100
TE (s)0.05
TATB (-)0.3
TB (s)10
EMIN (pu)0
EMAX (pu)4
Table A9. Parameters of turbine type TGOV1.
Table A9. Parameters of turbine type TGOV1.
ParameterValue
R (pu)0.358
T1 (s)0.5
T2 (s)6
T3 (s)14
VMAX (pu)1
VMIN (pu)0
Table A10. Parameters of mixed overhead-cable transmission line—old link (single circuit).
Table A10. Parameters of mixed overhead-cable transmission line—old link (single circuit).
ParameterOHL1CABLEOHL2
Length (km)27.68.748.9
r (Ω/km)0.0180.0010.018
x (Ω/km)0.270.1660.27
c (nF/km)13.432512.2
QSR (MVAR)-1x150-
Table A11. Parameters of mixed overhead-cable transmission line—new link (double circuit).
Table A11. Parameters of mixed overhead-cable transmission line—new link (double circuit).
ParameterOHL1CABLEOHL2
Length (km)20.538.239.6
r (Ω/km)0.00910.0010.0079
x (Ω/km)0.1330.0390.117
c (nF/km)26.826551.3
QSR (MVAR)-4 × 285-

References

  1. Kundur, P.; Paserba, J.; Ajjarapu, V.; Andersson, G.; Bose, A.; Canizares, C.; Hatziargyriou, N.; Hill, D.; Stankovic, A.; Taylor, C.; et al. Definition and classification of power system stability. IEEE Trans. Power Syst. 2004, 19, 1387–1401. [Google Scholar]
  2. Ippolito, M.G.; Massaro, F.; Morana, G.; Musca, R. Angle Stability Improvement by Switching Shunt Reactors in Mixed Overhead-Cable Lines. In Proceedings of the 45th International Universities Power Engineering Conference UPEC2010, Cardiff, Wales, UK, 31 August–3 September 2010. [Google Scholar]
  3. NEPLAN360 Power System Analysis Software, NEPLAN AG. Available online: https://www.neplan.ch/neplanproduct/en-neplan-360-cloud/ (accessed on 18 September 2018).
  4. Prikler, L.; Bán, G.; Bánfai, G. EMTP models for simulation of shunt reactor switching transients. Int. J. Electr. Power Energy Sys. 1997, 19, 235–240. [Google Scholar] [CrossRef]
  5. C37.015-2009—IEEE Guide for the Application of Shunt Reactor Switching, Revision of IEEE Std C37.015-1993. IEEE Standards, February 2010. Available online: https://ieeexplore.ieee.org/document/5954123 (accessed on 4 March 2010).
  6. Zhang, Y.; Xie, H.; Yang, L.; Dou, Q.; Liu, G. Smart Switching Reactor Application and Performance Analysis. In Proceedings of the 2018 13th IEEE Conference on Industrial Electronics and Applications (ICIEA), Wuhan, China, 31 May–2 June 2018. [Google Scholar]
  7. ABB Controlled Switching Ed. 4, ABB Buyer’s and Application Guide. 2013. Available online: https://library.e.abb.com/public/d85e18212da04bb9c1257bcc001f2d5e/ABB%20B.G.%20Controlled%20Switching%20Ed4.pdf (accessed on 26 March 2019).
  8. Stroica, P.C.; Stefan, D. Improvement of Shunt Reactor Operation by Synchronized Switching in the Romanian Power System. In Proceedings of the 2008 IEEE/PES Transmission and Distribution Conference and Exposition, Chicago, IL, USA, 21–24 April 2008. [Google Scholar]
  9. Uglešić, I.; Krepela, M.; Filipović-Grčic, B.; Jakl, F. Transients Due to Switching of 400 kV Shunt Reactor. International Conference on Power System Transients (IPST), Rio de Janeiro, Brazil. 2001. Available online: http://www.ipstconf.org/papers/Proc_IPST2001/01IPST082.pdf (accessed on 26 March 2019).
  10. Marconato, R. Dynamic Behaviour, Stability and Emergency Controls, Electric Power System, Volume 3, 2nd ed.; CEI (Italian Electrotechnical Committee): Milan, Italy, 2008. [Google Scholar]
  11. Lachs, W.R. A New Transient Stability Control. IEEE Power Eng. Rev. 1987, PER-7, 41. [Google Scholar] [CrossRef]
  12. Vargas, L.S.; Cañizares, C.A. Time Dependence of Controls to avoid Voltage Collapse. IEEE Trans. Power Sys. 2000, 15, 1367–1375. [Google Scholar] [CrossRef]
  13. Rahim, A.H.M.A.; Al-Sammak, A.I.J. Optimal switching of dynamic braking resistor, reactor or capacitor for transient stability of power systems. Gener. Transm. Dis. 1991, 138, 89–93. [Google Scholar] [CrossRef]
  14. Sutanto, D.; Lachs, W.R. Improving transient stability by containing accelerating energy. In Proceedings of the 2000 International Conference on Advances in Power System Control, Operation and Management (APSCOM), Hong Kong, China, 30 October–1 November 2000. [Google Scholar]
  15. IEEE Std 421.5-2016, IEEE Recommended Practice for Excitation System Models for Power System Stability Studies, IEEE Standards, August 2016. Available online: https://ieeexplore.ieee.org/document/7553421 (accessed on 26 March 2019).
  16. Anderson, P.M.; Fouad, A.A. Power System Stability and Control; Wiley-IEEE Press: Hoes Lane Piscataway, NJ, USA, 2002. [Google Scholar]
  17. Kundur, P. Power System Stability and Control; McGraw-Hill: New York, NY, USA, 1994. [Google Scholar]
  18. Biglari, M. Dynamic of Voltage Stability in a Multi Machine System. IEEE/PES Power Sys. Conf. Expos. 2004, 1, 354–359. [Google Scholar]
  19. Panda, S.; Padhy, N.P.; Patel, R.N. Genetically Optimized TCSC Controller for Transient Stability Improvement. Int. J. Comput. Inf. Sys. Sci. Eng. 2007, 1, 19–25. [Google Scholar]
  20. Colla, L.; Rebolini, M.; Iliceto, F. 400 kV AC New Submarine Cable Links between Sicily and the Italian Mainland. Outline of Project and Special Electrical Studies. CIGRE Session Papers & Proceedings, Study Committee C4—Power System Technical Performance. 2008. Available online: https://e-cigre.org/publication/C4-116_2008-400-kv-ac-new-submarine-cable-links-between-sicily-and-the-italian-mainland-outline-of-project-and-special-electrical-studies (accessed on 26 March 2019).
Figure 1. Simple test system: one synchronous machine is connected to infinite bus through a double-circuit mixed overhead-cable line. The mixed line is compensated with four shunt reactors of 220 MVAR each, installed at the cable ends.
Figure 1. Simple test system: one synchronous machine is connected to infinite bus through a double-circuit mixed overhead-cable line. The mixed line is compensated with four shunt reactors of 220 MVAR each, installed at the cable ends.
Energies 12 01187 g001
Figure 2. Simulation results of simple test system: (a) Rotor angle voltage for line tripping, with and without reactor switching; (b) Terminal voltage and shunt admittance of reactors for a line tripping in the simple system, with timely reactors switching.
Figure 2. Simulation results of simple test system: (a) Rotor angle voltage for line tripping, with and without reactor switching; (b) Terminal voltage and shunt admittance of reactors for a line tripping in the simple system, with timely reactors switching.
Energies 12 01187 g002
Figure 3. Single line diagram of a WSCC 3-machine 9-bus test system with a mixed line: a cable of 40 km is inserted in line 7-5, with two shunt reactors of 2 × 100 MVAR ratings to compensate the reactive power requested by the cable.
Figure 3. Single line diagram of a WSCC 3-machine 9-bus test system with a mixed line: a cable of 40 km is inserted in line 7-5, with two shunt reactors of 2 × 100 MVAR ratings to compensate the reactive power requested by the cable.
Energies 12 01187 g003
Figure 4. Simulation results of IEEE test system with DC1A exciter: (a) Rotor angles of generators G2 and G3 (relatives to generator G1) for a three phase fault on bus 7, with and without shunt reactors switching; (b) Rotor angle of generator G2 (relative to generator G1), voltage of bus 7, shunt admittances of two reactors, for a three phase fault on bus 7, with reactors switching.
Figure 4. Simulation results of IEEE test system with DC1A exciter: (a) Rotor angles of generators G2 and G3 (relatives to generator G1) for a three phase fault on bus 7, with and without shunt reactors switching; (b) Rotor angle of generator G2 (relative to generator G1), voltage of bus 7, shunt admittances of two reactors, for a three phase fault on bus 7, with reactors switching.
Energies 12 01187 g004
Figure 5. Simulation results of IEEE test system with AC1A exciter: (a) Rotor angles of generators G2 and G3 (relatives to generator G1) for a three phase fault on bus 7, with and without shunt reactors switching; (b) Rotor angle of generator G2 (relative to generator G1), voltage of bus 7, shunt admittance of the first reactor, for a three phase fault on bus 7, with reactors switching.
Figure 5. Simulation results of IEEE test system with AC1A exciter: (a) Rotor angles of generators G2 and G3 (relatives to generator G1) for a three phase fault on bus 7, with and without shunt reactors switching; (b) Rotor angle of generator G2 (relative to generator G1), voltage of bus 7, shunt admittance of the first reactor, for a three phase fault on bus 7, with reactors switching.
Energies 12 01187 g005
Figure 6. Route map of the AC 400 kV interconnection lines between Sicily and the Italian mainland: continuous lines represent overhead sections; dotted lines represent cable sections.
Figure 6. Route map of the AC 400 kV interconnection lines between Sicily and the Italian mainland: continuous lines represent overhead sections; dotted lines represent cable sections.
Energies 12 01187 g006
Figure 7. Single line diagram of existing 400 kV interconnections between Sicily and Italy’s mainland. Overhead sections are indicated with continuous lines; cable sections are indicated with dashed lines.
Figure 7. Single line diagram of existing 400 kV interconnections between Sicily and Italy’s mainland. Overhead sections are indicated with continuous lines; cable sections are indicated with dashed lines.
Energies 12 01187 g007
Figure 8. Two different system operating conditions of power flow between Sicily and Italy’s mainland. Blue: power flow of P = 400 MW from Sicily to Italy’s mainland. Green: power flow of P = 600 MW from Italy’s mainland to Sicily.
Figure 8. Two different system operating conditions of power flow between Sicily and Italy’s mainland. Blue: power flow of P = 400 MW from Sicily to Italy’s mainland. Green: power flow of P = 600 MW from Italy’s mainland to Sicily.
Energies 12 01187 g008
Figure 9. User-written model of the switching controller: the code implements two events for each couple of controlled shunt reactors. The events trigger respectively the switching-off and the switching-on of the reactors by considering a logical check on the bus voltage magnitude and by using discrete states change to open or to close the reactors.
Figure 9. User-written model of the switching controller: the code implements two events for each couple of controlled shunt reactors. The events trigger respectively the switching-off and the switching-on of the reactors by considering a logical check on the bus voltage magnitude and by using discrete states change to open or to close the reactors.
Energies 12 01187 g009
Figure 10. Rotor angle of the synchronous machine of Area 1 for a three-phase fault on Area 1 side: (a) Time results for clearing fault time tclear = 170 ms; (b) Time results for clearing fault time tclear = 191 ms (critical clearing time tCCT).
Figure 10. Rotor angle of the synchronous machine of Area 1 for a three-phase fault on Area 1 side: (a) Time results for clearing fault time tclear = 170 ms; (b) Time results for clearing fault time tclear = 191 ms (critical clearing time tCCT).
Energies 12 01187 g010
Figure 11. Rotor angle of the synchronous machine of Area 1 for a three-phase fault on Area 2 side: (a) Time results for clearing fault time tclear = 170 ms; (b) Time results for clearing fault time tclear = 215 ms (critical clearing time tCCT).
Figure 11. Rotor angle of the synchronous machine of Area 1 for a three-phase fault on Area 2 side: (a) Time results for clearing fault time tclear = 170 ms; (b) Time results for clearing fault time tclear = 215 ms (critical clearing time tCCT).
Energies 12 01187 g011
Figure 12. Rotor angle of the synchronous machine of Area 1 for a three-phase fault on Area 1 side: (a) Time results for clearing fault time tclear = 170 ms; (b) Time results for clearing fault time tclear = 201 ms (critical clearing time tCCT).
Figure 12. Rotor angle of the synchronous machine of Area 1 for a three-phase fault on Area 1 side: (a) Time results for clearing fault time tclear = 170 ms; (b) Time results for clearing fault time tclear = 201 ms (critical clearing time tCCT).
Energies 12 01187 g012
Figure 13. Rotor angle of the synchronous machine of Area 1 for a three-phase fault on Area 2 side: (a) Time results for clearing fault time tclear = 170 ms; (b) Time results for clearing fault time tclear = 230 ms (critical clearing time tCCT).
Figure 13. Rotor angle of the synchronous machine of Area 1 for a three-phase fault on Area 2 side: (a) Time results for clearing fault time tclear = 170 ms; (b) Time results for clearing fault time tclear = 230 ms (critical clearing time tCCT).
Energies 12 01187 g013
Table 1. Critical clearing times tCCT for the two simulated system operating conditions.
Table 1. Critical clearing times tCCT for the two simulated system operating conditions.
Operating Condition 1Operating Condition 2
Fault on Area 1 side191 ms201 ms
Fault on Area 2 side215 ms230 ms

Share and Cite

MDPI and ACS Style

Ippolito, M.G.; Massaro, F.; Musca, R. Improving Angle Stability by Switching Shunt Reactors in Mixed Overhead Cable Lines. An Italian 400 kV Case Study. Energies 2019, 12, 1187. https://doi.org/10.3390/en12071187

AMA Style

Ippolito MG, Massaro F, Musca R. Improving Angle Stability by Switching Shunt Reactors in Mixed Overhead Cable Lines. An Italian 400 kV Case Study. Energies. 2019; 12(7):1187. https://doi.org/10.3390/en12071187

Chicago/Turabian Style

Ippolito, Mariano Giuseppe, Fabio Massaro, and Rossano Musca. 2019. "Improving Angle Stability by Switching Shunt Reactors in Mixed Overhead Cable Lines. An Italian 400 kV Case Study" Energies 12, no. 7: 1187. https://doi.org/10.3390/en12071187

APA Style

Ippolito, M. G., Massaro, F., & Musca, R. (2019). Improving Angle Stability by Switching Shunt Reactors in Mixed Overhead Cable Lines. An Italian 400 kV Case Study. Energies, 12(7), 1187. https://doi.org/10.3390/en12071187

Note that from the first issue of 2016, this journal uses article numbers instead of page numbers. See further details here.

Article Metrics

Back to TopTop