A Novel Three-Phase Six-Switch PFC Rectifier with Zero-Voltage-Switching and Zero-Current-Switching Features
Abstract
:1. Introduction
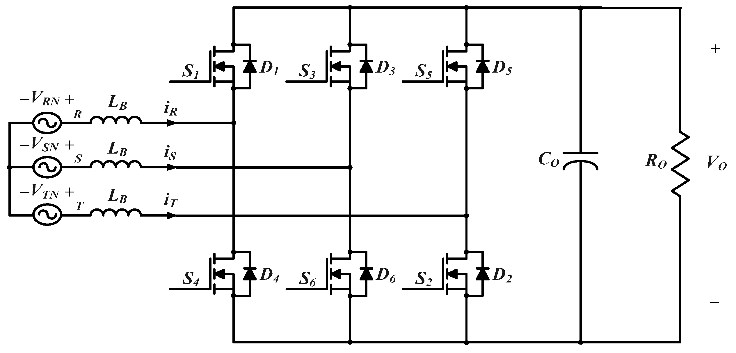
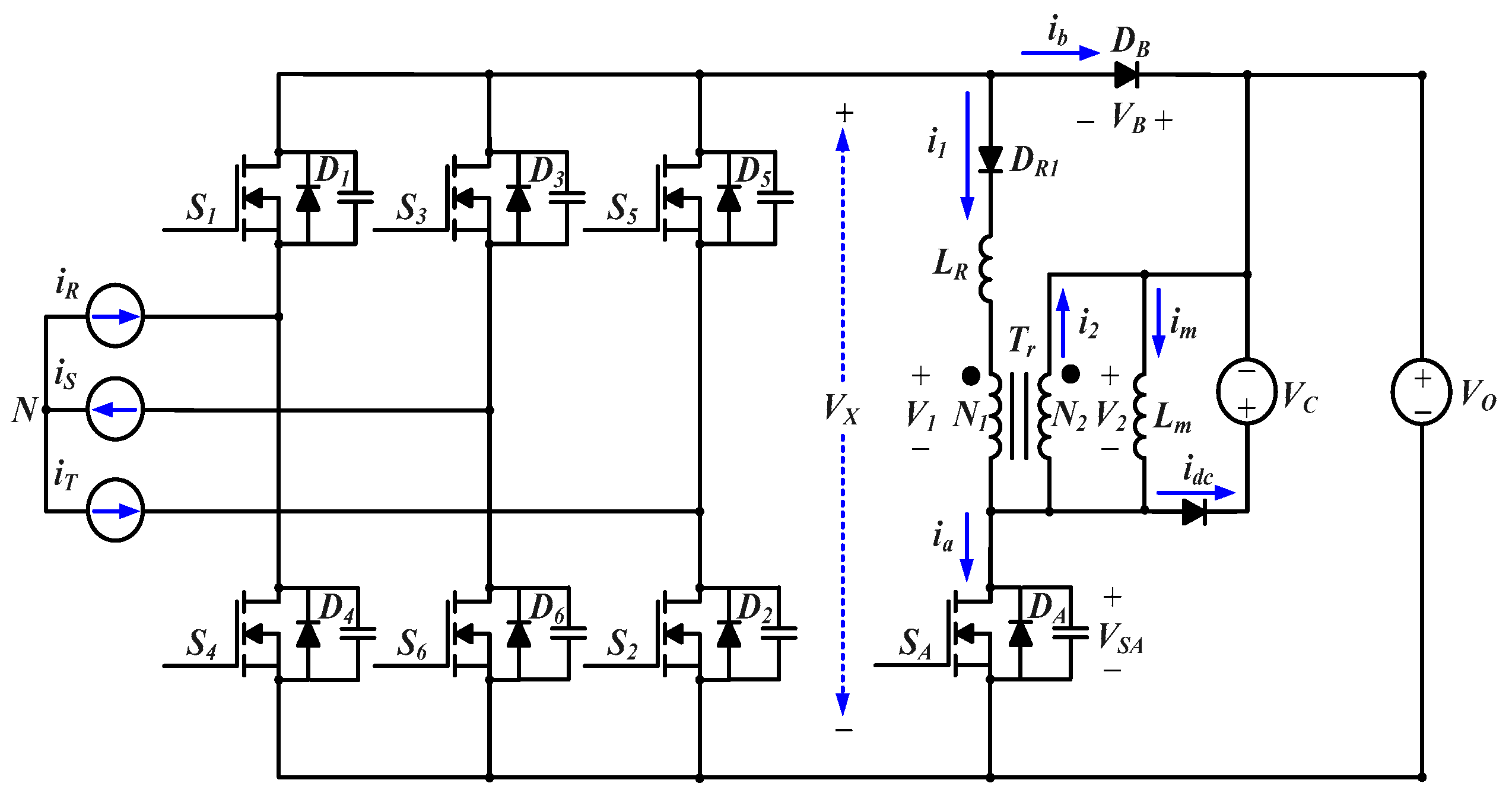
2. Proposed Three-Phase Six-Switch Soft-switching PFC Rectifier
- (1)
- Input inductance LB is large enough to allow the input current to be considered as a current source over a switching period;
- (2)
- Input capacitance CL is large enough to be equivalent to the ideal voltage source VO; and
- (3)
- The output capacitance of the clamp circuit CC is large enough to allow its voltage VC to be considered a voltage source over a switching period.
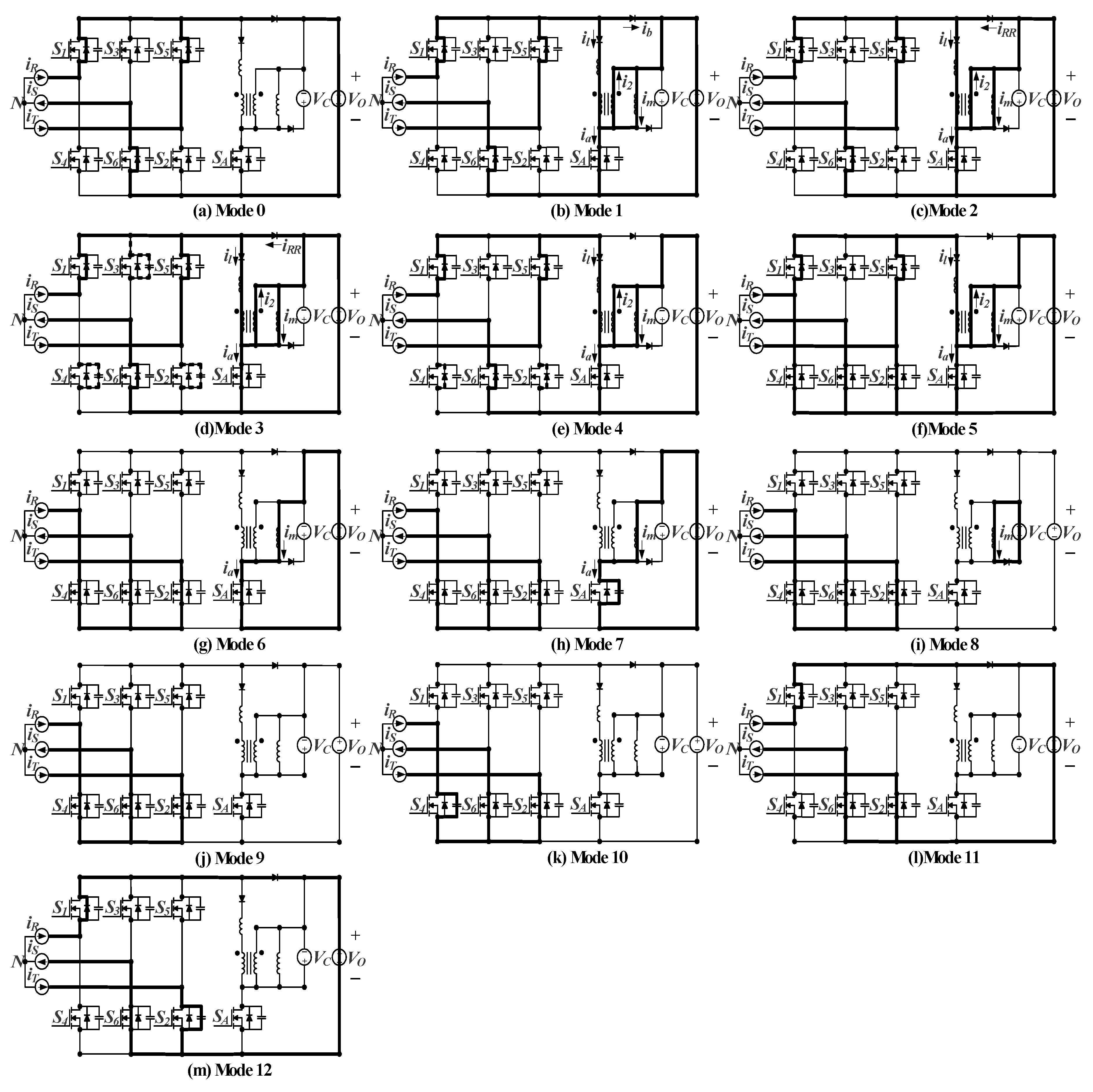
2.1. Mode 0: (t ≦ T0)
2.2. Mode 1 (T0 < t ≦ T1)
2.3. Mode 2 (T1 < t ≦ T2)
2.4. Mode 3 (T2 < t ≦ T3)
2.5. Mode 4: (T3 < t ≦ T4)
2.6. Mode 5: (T4 < t ≦ T5)
2.7. Mode 6: (T5 < t ≦ T6)
2.8. Mode 7: (T6 < t ≦ T7)
2.9. Mode 8: (T7 ≦ t ≦ T8)
2.10. Mode 10: (T8 ≦ t ≦ T9)
2.11. Mode 10: (T9 < t ≦ T10)
2.12. Mode 11: (T10 ≦ t ≦ T11)
2.13. Mode 12: (T11 ≦ t ≦ T12)
3. Experimental Verifications
4. Conclusions
Author Contributions
Funding
Conflicts of Interest
References
- Ecova Plug Load Solutions Website. 80 PLUS Certified Power Supplies and Manufacturers. Available online: http://www.plugloadsolutions.com/80PlusPowerSupplies.aspx (accessed on 1 March 2019).
- Kolar, J.W.; Friedli, T. The essence of three-phase PFC rectifier systems—Part I. IEEE Trans. Power Electron. 2013, 28, 176–198. [Google Scholar] [CrossRef]
- Friedli, T.; Hartmann, M.; Kolar, J.W. The essence of three-phase PFC rectifier systems—Part II. IEEE Trans. Power Electron. 2014, 29, 543–560. [Google Scholar] [CrossRef]
- Chang, C.H.; Cheng, C.A.; Chang, E.C.; Cheng, H.L.; Yang, B.E. An integrated high-power-factor converter with ZVS transition. IEEE Trans. Power Electron. 2016, 31, 2362–2371. [Google Scholar] [CrossRef]
- Martins, M.L.S.; Hey, H.L. Self-commutated auxiliary circuit ZVT PWM converters. IEEE Trans. Power Electron. 2004, 19, 1435–1445. [Google Scholar] [CrossRef]
- Bodur, H.; Bakan, A.F. A new ZVT-ZCT-PWM dc/dc converter. IEEE Trans. Power Electron. 2004, 19, 676–684. [Google Scholar] [CrossRef]
- Ivanovic, B.; Stojiljkovic, Z. A novel active soft Switching snubber designed for boost converter. IEEE Trans. Power Electron. 2004, 19, 658–665. [Google Scholar] [CrossRef]
- Moran, L.; Werlinger, P.; Dixon, J.; Wallace, R. A Series active power filter which compensates current harmonics and voltage unbalance simultaneously. In Proceedings of the IEEE PESC Conference, Atlanta, GA, USA, 18–22 June 1995; pp. 222–227. [Google Scholar]
- Chang, Y. Boost Converter with Zero Voltage Main Switch and Zero Current Auxiliary Switches. U.S. Patent 6,498,463 B2, 24 December 2002. [Google Scholar]
- Tsai, H.; Hsia, T.; Chen, D. A novel soft-switching bridgeless power factor correction circuit. In Proceedings of the European Power Electronics and Applications Conference, Aalborg, Denmark, 2–5 September 2007. [Google Scholar]
- Jang, Y.; Jovanovic, M.M.; Fang, K.H.; Chang, Y.M. High-Power-Factor Soft-Switched Boost Converter. IEEE Trans. Power Electron. 2006, 21, 98–104. [Google Scholar] [CrossRef]
- Tsai, H.Y.; Hsia, T.H.; Chen, D. A Family of Zero-Voltage Transition Bridgeless Power Factor CorrectionCircuits with a Zero-Current-Switching Auxiliary Switch. IEEE Trans. Ind. Electron. 2011, 58, 1848–1855. [Google Scholar] [CrossRef]
- Wei, H.; Bataresh, I. Comparison of basic converter topologies for power factor correction. In Proceedings of the Southeastcon Conference, Orlando, FL, USA, 24–26 April 1998; pp. 348–353. [Google Scholar]
- Mohan, N.; Undeland, T.M.; Robbins, W.P. Power Electronics Converters, Applications and Design, 2nd ed.; Wiley: New York, NY, USA, 1995. [Google Scholar]
- Jiang, Y.; Mao, H.; Lee, F.C.; Borojevic, D. Simple high Performance three-phase boost rectifiers. In Proceedings of the IEEE Power Electronics Specialists Conference, Taipei, Taiwan, 20–25 June 1994; pp. 1158–1163. [Google Scholar]
- Li, R.; Ma, K.; Xu, D. A novel 40 KW ZVS-SVM controlled three-phase boost PFC converter. In Proceedings of the IEEE Applied Power Electronics Conference and Exposition, Washington, DC, USA, 15–19 February 2009; pp. 376–382. [Google Scholar]
- Hengchun, M.; Lee, C.Y.; Boroyevich, D.; Hiti, S. Review of high-performance three-phase power-factor correction circuits. IEEE Trans. Ind. Electron. 1997, 44, 437–446. [Google Scholar] [CrossRef]
- Li, Q.; Zhou, X.; Lee, F.C. A novel ZVT three-phase rectifier/inverter with reduced auxiliary switch stresses and losses. In Proceedings of the IEEE PESC PESC’96, Baveno, Italy, 23–27 June 1996; pp. 153–158. [Google Scholar]
- Vlatkovic, V.; Borojevic, D.; Lee, F.C.; Cuadros, C.; Gataric, S. A new zero-voltage transition, three-phase PWM rectifier/inverter circuit. In Proceedings of the IEEE PESC’93, Seattle, WA, USA, 20–24 June 1993; pp. 868–873. [Google Scholar]
- Kennel, R.; Schröder, D. Predictive control strategy for converters. In Proceedings of the 3rd IFAC Symposium on Control in Power Electronics and Electrical Drives, Lausanne, Switzerland, 12–14 September 1983; pp. 415–422. [Google Scholar]
- Mercorelli, P.; Kubasiak, N.; Liu, S. Multilevel bridge governor by using model predictive control in wavelet packets for tracking trajectories. In Proceedings of the IEEE International Conference on Robotics and Automation, New Orleans, LA, USA, 26 April–1 May 2004; pp. 4079–4084. [Google Scholar]
- Mercorelli, P.; Kubasiak, N.; Liu, S. Model predictive control of an electromagnetic actuator fed by multilevel PWM inverter. In Proceedings of the IEEE International Symposium on Industrial Electronics, Ajaccio, France, 4–7 May 2004; pp. 531–535. [Google Scholar]














© 2019 by the authors. Licensee MDPI, Basel, Switzerland. This article is an open access article distributed under the terms and conditions of the Creative Commons Attribution (CC BY) license (http://creativecommons.org/licenses/by/4.0/).
Share and Cite
Lin, C.-W.; Peng, C.-Y.; Chiu, H.-J. A Novel Three-Phase Six-Switch PFC Rectifier with Zero-Voltage-Switching and Zero-Current-Switching Features. Energies 2019, 12, 1119. https://doi.org/10.3390/en12061119
Lin C-W, Peng C-Y, Chiu H-J. A Novel Three-Phase Six-Switch PFC Rectifier with Zero-Voltage-Switching and Zero-Current-Switching Features. Energies. 2019; 12(6):1119. https://doi.org/10.3390/en12061119
Chicago/Turabian StyleLin, Chun-Wei, Chang-Yi Peng, and Huang-Jen Chiu. 2019. "A Novel Three-Phase Six-Switch PFC Rectifier with Zero-Voltage-Switching and Zero-Current-Switching Features" Energies 12, no. 6: 1119. https://doi.org/10.3390/en12061119
APA StyleLin, C.-W., Peng, C.-Y., & Chiu, H.-J. (2019). A Novel Three-Phase Six-Switch PFC Rectifier with Zero-Voltage-Switching and Zero-Current-Switching Features. Energies, 12(6), 1119. https://doi.org/10.3390/en12061119
