A New Adaptive Approach to Control Circulating and Output Current of Modular Multilevel Converter
Abstract
:1. Introduction
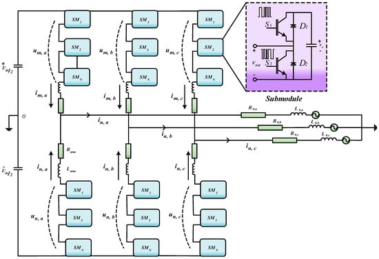
2. Operation and System Mathematical Modeling
2.1. Switching Operation of the MMC
2.2. System Mathematical Modeling
3. Control Scheme of the MMC
3.1. Adaptive PI Controller Design
3.1.1. Fuzzy Controller Architecture
- The “rule-base” which contains the information of controlling output variables are created in FLC, in the shape of IF-THEN rules, with condition and conclusion.
- The rules are evaluated in the inference mechanism according to the error. During inference mechanism, it is concluded which control rules are appropriate at the current situation. Moreover, the choice of I/P to the plant are also enabled in this phase.
- During the fuzzification, a “crisp” (which are real numbers, not fuzzy sets) or actual time information are collected and reshaped to a fuzzy set using fuzzy expressive terms, expressive variables, and membership functions. Moreover, I/P is modified and interpreted which are then compared with the rules defined in the rule-base.
3.1.2. Fuzzy PI Controller
- If error is zero, then proportional gain is large and integral gain is small
- If error is small, then proportional gain is large and integral gain is zero.
- If error is large, then proportional gain is large and integral gain is large.
3.2. Circulating Current Control
3.3. Output Current Control
4. Results and Discussions
5. Conclusions and Future Work
Author Contributions
Funding
Conflicts of Interest
Appendix A
| Parameters | Values | Symbols | Units |
|---|---|---|---|
| D.C voltage | 200 | kV | |
| Grid voltage | 100 | kV | |
| Output current | 1 | kA | |
| Frequency | 50 | f | Hz |
| No of SM | 12 | N | - |
| Inductance | 50 | mH | |
| Resistance | 1.57 | Ω | |
| Capacitance | 0.45 | C | mF |
| Performance Indices Elevation For | API Controller | PR Controller | ||||
|---|---|---|---|---|---|---|
| 1ISE | 2IAE | 3IATE | ISE | IAE | ITAE | |
| Circulating current | 3.714 | 0.2237 | 0.1834 | 1696 | 23.47 | 14.63 |
| 3.665 | 0.2105 | 0.1836 | 2247 | 25.46 | 14.47 | |
| 3.694 | 0.2200 | 0.1832 | 2483 | 25.31 | 25.31 | |
| Output current | 400.56 | 5.968 | 2.915 | 1022 | 13.5 | 8.913 |
| 20.86 | 5.658 | 2.997 | 50.5 | 13.1 | 9.009 | |
References
- Marquardt, R. Modular Multilevel Converter: An universal concept for HVDC-Networks and extended DC-bus-applications. In Proceedings of the International Power Electronics Conference-ECCE ASIA-IPEC, Sapporo, Japan, 21–24 June 2010; pp. 502–507. [Google Scholar]
- Perez, M.A.; Bernet, S.; Rodriguez, J.; Kouro, S.; Lizana, R. Circuit topologies, modeling, control schemes, and applications of modular multilevel converters. IEEE Trans. Power Electron. 2015, 30, 4–17. [Google Scholar] [CrossRef]
- Li, Z.; Gao, F.; Xu, F.; Ma, X.; Chu, Z.; Wang, P.; Gou, R.; Li, Y. Power Module Capacitor Voltage Balancing Method for a ±350-kV/1000-MW Modular Multilevel Converter. IEEE Trans. Power Electron. 2016, 31, 3977–3984. [Google Scholar] [CrossRef]
- Akagi, H. Classification, terminology, and application of the modular multilevel cascade converter (MMCC). IEEE Trans. Power Electron. 2011, 26, 3119–3130. [Google Scholar] [CrossRef]
- Axelrod, B.; Berkovich, Y.; Ioinovici, A. A Medium-Voltage Motor Drive With a Modular. IEEE Trans. Power Electron. 2003, 3, 1786–1799. [Google Scholar]
- Parker, M.A.; Ran, L.; Finney, S.J. Distributed control of a fault-tolerant modular multilevel inverter for direct-drive wind turbine grid interfacing. IEEE Trans. Ind. Electron. 2013, 60, 509–522. [Google Scholar] [CrossRef]
- Gnanarathna, U.N.; Chaudhary, S.K.; Gole, A.M.; Teodorescu, R. Modular multi-level converter based HVDC system for grid connection of offshore wind power plant. In Proceedings of the 9th IET International Conference on AC and DC Power Transmission, London, UK, 19–21 October 2010; p. O53. [Google Scholar]
- Swetha, S.P.; Sumangala, B.V. Solar photovoltaic power conversion using modular multilevel inverter. In Proceedings of the International Conference on Emerging Research in Electronics, Computer Science and Technology (ICERECT), Mandya, India, 17–19 December 2015; pp. 387–391. [Google Scholar]
- Kenzelmann, S.; Rufer, A.; Dujic, D.; Canales, F.; de Novaes, Y.R. A versatile DC/DC converter based on modular multilevel converter for energy collection and distribution. In Proceedings of the IET Conference on Renewable Power Generation, Edinburgh, UK, 6–8 September 2011; p. 71. [Google Scholar]
- Mohammadi, H.P.; Bina, M.T. A transformerless medium-voltage STATCOM topology based on extended modular multilevel converters. IEEE Trans. Power Electron. 2011, 26, 1534–1545. [Google Scholar]
- Teeuwsen, S.P. Simplified dynamic model of a voltage-sourced converter with modular multilevel converter design. In Proceedings of the IEEE/PES Power Systems Conference and Exposition, Seattle, WA, USA, 15–18 March 2009; pp. 1–6. [Google Scholar]
- Münch, P.; Liu, S.; Dommaschk, M. Modeling and current control of modular multilevel converters considering actuator and sensor delays. In Proceedings of the 35th Annual Conference of IEEE Industrial Electronics, Porto, Portugal, 3–5 November 2009; pp. 1633–1638. [Google Scholar]
- Nademi, H.; Das, A.; Norum, L. An analytical frequency-domain modeling of a Modular Multilevel Converter. In Proceedings of the 3rd Power Electronics and Drive Systems Technology (PEDSTC), Tehran, Iran, 15–16 February 2012; pp. 86–91. [Google Scholar]
- Song, Q.; Liu, W.; Li, X.; Rao, H.; Xu, S.; Li, L. A steady-state analysis method for a modular multilevel converter. IEEE Trans. Power Electron. 2013, 28, 3702–3713. [Google Scholar] [CrossRef]
- Gnanarathna, U.N.; Gole, A.M.; Jayasinghe, R.P. Efficient modeling of modular multilevel HVDC converters (MMC) on electromagnetic transient simulation programs. IEEE Trans. Power Deliv. 2011, 26, 316–324. [Google Scholar] [CrossRef]
- Ilves, K.; Antonopoulos, A.; Norrga, S.; Nee, H.P. Steady-state analysis of interaction between harmonic components of arm and line quantities of modular multilevel converters. IEEE Trans. Power Electron. 2012, 27, 57–68. [Google Scholar] [CrossRef]
- Marquardt, R. Stromrichterschaltungen Mit Verteilten Energiespeichern. German Patent DE10103031A1, 24 January 2001. [Google Scholar]
- Siemaszko, D.; Antonopoulos, A.; Ilves, K.; Vasiladiotis, M.; Ängquist, L.; Nee, H.P. Evaluation of control and modulation methods for modular multilevel converters. In Proceedings of the International Power Electronics Conference-ECCE ASIA, Sapporo, Japan, 21–24 June 2010; pp. 746–753. [Google Scholar]
- Hagiwara, M.; Akagi, H. PWM control and experiment of modular multilevel converters. In Proceedings of the IEEE Power Electronics Specialists Conference, Rhodes, Greece, 15–19 June 2008; pp. 154–161. [Google Scholar]
- Gemmell, B.D.; Dorn, J.; Retzmann, D.; Soerangr, D. Prospects of multilevel VSC Technologies for power transmission. In Proceedings of the IEEE/PES Transmission and Distribution Conference and Exposition, Chicago, IL, USA, 21–24 April 2008; pp. 1–16. [Google Scholar]
- Rodríguez, J.; Lai, J.S.; Peng, F.Z. Multilevel inverters: A survey of topologies, controls, and applications. IEEE Trans. Ind. Electron. 2002, 49, 724–738. [Google Scholar] [CrossRef]
- Glinka, M.; Marquardt, R. A new AC/AC multilevel converter family. IEEE Trans. Ind. Electron. 2005, 52, 662–669. [Google Scholar] [CrossRef]
- Tu, Q.; Xu, Z.; Huang, H.; Zhang, J. Parameter design principle of the arm inductor in modular multilevel converter based HVDC. In Proceedings of the International Conference on Power System Technology, Hangzhou, China, 24–28 October 2010; pp. 1–6. [Google Scholar]
- Tu, Q.; Xu, Z.; Xu, L. Reduced Switching-frequency modulation and circulating current suppression for modular multilevel converters. IEEE Trans. Power Deliv. 2011, 26, 2009–2017. [Google Scholar]
- Hagiwara, M.; Akagi, H. Control and Experiment of Pulsewidth-Modulated Modular Multilevel Converters. IEEE Trans. Power Electron. 2009, 24, 1737–1746. [Google Scholar] [CrossRef]
- Bahrani, B.; Debnath, S.; Saeedifard, M. Circulating Current Suppression of the Modular Multilevel Converter in a Double-Frequency Rotating Reference Frame. IEEE Trans. Power Electron. 2016, 31, 783–792. [Google Scholar] [CrossRef]
- Perez, M.A.; Lizana, F.R.; Rodriguez, J. Decoupled current control of modular multilevel converter for HVDC applications. In Proceedings of the IEEE International Symposium on Industrial Electronics, Hangzhou, China, 28–31 May 2012; pp. 1979–1984. [Google Scholar]
- Li, Z.; Wang, P.; Chu, Z.; Zhu, H.; Luo, Y.; Li, Y. An Inner Current Suppressing Method for Modular Multilevel Converters. IEEE Trans. Power Electron. 2013, 28, 4873–4879. [Google Scholar] [CrossRef]
- Yang, S.; Wang, P.; Tang, Y.; Zagrodnik, M.; Hu, X.; Tseng, K.J. Circulating Current Suppression in Modular Multilevel Converters With Even-Harmonic Repetitive Control. IEEE Trans. Ind. Appl. 2018, 54, 298–309. [Google Scholar] [CrossRef]
- Zhang, M.; Huang, L.; Yao, W.; Lu, Z. Circulating Harmonic Current Elimination of a CPS-PWM-Based Modular Multilevel Converter with a Plug-in Repetitive Controller. IEEE Trans. Power Electron. 2014, 29, 2083–2097. [Google Scholar] [CrossRef]
- He, L.; Zhang, K.; Xiong, J.; Fan, S. A Repetitive Control Scheme for Harmonic Suppression of Circulating Current in Modular Multilevel Converters. IEEE Trans. Power Electron. 2015, 30, 471–481. [Google Scholar] [CrossRef]
- Sharifabadi, K.; Harnefors, L.; Nee, H.P.; Norrga, S.; Teodorescu, R. Design, Control and Application of Modular Multilevel Converters for HVDC Transmission Systems, 1st ed.; John Wiley & Sons: West Sussex, UK, 2016; pp. 157–158. ISBN 9781118851562. [Google Scholar]
- Debnath, S.; Saeedifard, M. A New Hybrid Modular Multilevel Converter for Grid Connection of Large Wind Turbines. IEEE Trans. Sustain. Energy 2013, 4, 1051–1064. [Google Scholar] [CrossRef]
- Antonopoulos, A.; Angquist, L.; Nee, H.-P. On dynamics and voltage control of the Modular Multilevel Converter. In Proceedings of the 13th European Conference on Power Electronics and Applications, Barcelona, Spain, 8–10 September 2009; pp. 1–10. [Google Scholar]
- Tu, Q.; Xu, Z.; Zhang, J. Circulating current suppressing controller in modular multilevel converter. In Proceedings of the 36th Annual Conference on IEEE Industrial Electronics Society, Glendale, AZ, USA, 7–10 November 2010; pp. 3198–3202. [Google Scholar]
- Zeb, K.; Saleem, K.; Mehmood, C.A.; Uddin, W.; Ur Rehman, M.Z.; Haider, A.; Javed, M.A. Performance of adaptive PI based on fuzzy logic for Indirect Vector Control Induction Motor drive. In Proceedings of the 2nd International Conference on Robotics and Artificial Intelligence (ICRAI), Rawalpindi, Pakistan, 1–2 November 2016; pp. 93–98. [Google Scholar]
- Zeb, K.; Din, W.; Khan, M.; Khan, A.; Younas, U.; Busarello, T.; Kim, H. Dynamic Simulations of Adaptive Design Approaches to Control the Speed of an Induction Machine Considering Parameter Uncertainties and External Perturbations. Energies 2018, 11, 2339. [Google Scholar] [CrossRef]


















| Scenario | Capacitors States in the Upper Arm | Capacitors States in the Lower Arm | Output Voltage |
|---|---|---|---|
| 1 | All capacitors are inserted | All capacitor bypassed | |
| 2 | One capacitor bypassed and three capacitors inserted | One capacitor inserted and three capacitors bypassed | |
| 3 | Two capacitors bypassed and two capacitors inserted | Two capacitors inserted and two capacitors bypassed | 0 |
| 4 | Three capacitors bypassed and one capacitor inserted | Three capacitors inserted and one capacitor bypassed | |
| 5 | Four capacitors bypassed and zero capacitors inserted | Four capacitors inserted and zero capacitors bypassed |
| Input Membership Functions | IF-THEN Rules | Output Membership Functions | ||||
|---|---|---|---|---|---|---|
| S.No | Linguistic Terms | Range | If Input | Then Output ( | Linguistic Terms | Range |
| (1) | Zero | [0, 0.2] | Zero | Zero. Large | Zero | [0, 0.2] |
| (2) | Small | [0.3, 0.7] | Small | Large. Small | Small | [0.3, 0.7] |
| (3) | Large | [0.8, 1.0] | Large | Large. Large | Large | [0.8, 1.0] |
© 2019 by the authors. Licensee MDPI, Basel, Switzerland. This article is an open access article distributed under the terms and conditions of the Creative Commons Attribution (CC BY) license (http://creativecommons.org/licenses/by/4.0/).
Share and Cite
Ishfaq, M.; Uddin, W.; Zeb, K.; Khan, I.; Ul Islam, S.; Adil Khan, M.; Kim, H.J. A New Adaptive Approach to Control Circulating and Output Current of Modular Multilevel Converter. Energies 2019, 12, 1118. https://doi.org/10.3390/en12061118
Ishfaq M, Uddin W, Zeb K, Khan I, Ul Islam S, Adil Khan M, Kim HJ. A New Adaptive Approach to Control Circulating and Output Current of Modular Multilevel Converter. Energies. 2019; 12(6):1118. https://doi.org/10.3390/en12061118
Chicago/Turabian StyleIshfaq, Muhammad, Waqar Uddin, Kamran Zeb, Imran Khan, Saif Ul Islam, Muhammad Adil Khan, and Hee Je Kim. 2019. "A New Adaptive Approach to Control Circulating and Output Current of Modular Multilevel Converter" Energies 12, no. 6: 1118. https://doi.org/10.3390/en12061118
APA StyleIshfaq, M., Uddin, W., Zeb, K., Khan, I., Ul Islam, S., Adil Khan, M., & Kim, H. J. (2019). A New Adaptive Approach to Control Circulating and Output Current of Modular Multilevel Converter. Energies, 12(6), 1118. https://doi.org/10.3390/en12061118

