Hierarchical Multi-Objective Fuzzy Collaborative Optimization of Integrated Energy System under Off-Design Performance
Abstract
1. Introduction
- (1)
- High-order nonlinear models of devices under off-design performance are developed considering renewable energy and diversified storage devices.
- (2)
- EH under off-design performance is introduced based on geographical resource endowment, then, a lower level multi-objective collaborative optimization model for such case is proposed.
- (3)
- Upper level modeling and multiple optimal scheduling modes of IES with the coupling and interactions between heat system, power system, and natural gas system, are proposed, fully considering the key characteristic variables of the energy subsystems.
- (4)
- A hierarchical multi-objective collaborative optimization model for EH and IES is developed, facing engineering application modes and based on the relationship between master and slave dispatch centers.
- (5)
- An improved multi-objective fuzzy optimization method is presented, where continuous differentiable Sigmoid function is introduced as an improved membership function.
2. Lower Level Modeling and Optimization
2.1. Energy Device Unit Model of Energy Hub under Off-Design Performance
2.1.1. Fuel Cell (FC)
2.1.2. Gas Turbine (GT)
2.1.3. Waste Heat Recovery System (REC)
2.1.4. Gas Boiler (GB)
2.1.5. Ground Source Heat Pump (GSHP)
2.1.6. Micro-Gas Turbine (MT)
2.1.7. Absorption Lithium Bromide Chiller (ABS)
2.1.8. Electric Boiler/Power to Gas/Transformer/Heat Exchanger (EB/P2G/TRANS/HE)
2.1.9. Electricity/Heat/Natural Gas Storage (ES/HS/GS)
2.1.10. Wind Turbine/Photovoltaic Cell/Solar Collector (WT/PV/SC)
2.2. Multi-Objective Collaborative Optimization Model of Energy Hub
2.2.1. Economic Optimization Objective
2.2.2. Environmental Protection Optimization Objective
2.2.3. Primary Energy Optimization Objective
2.2.4. Renewable Energy Accommodation Rate Optimization Objective
2.3. Optimization Constraints for Energy Hub
2.3.1. Energy Bus Equilibrium Constraints
2.3.2. Device Unit Operation Constraints
2.3.3. Tie-Line Power Constraints
3. Upper Level Modeling and Optimization
3.1. Subsystems Model of Integrated Energy System
3.1.1. Power System
3.1.2. Natural Gas System
3.1.3. Heat System
3.2. Multi-Objective Collaborative Optimization Model of Integrated Energy System
3.2.1. Economic Optimization Objective
3.2.2. Renewable Energy Accommodation Rate Optimization Objective
3.3. Optimization Constraints for Integrated Energy System
4. Solution Approach
4.1. Fuzzification of Objective Function
4.2. Optimization Framework
5. Case Study
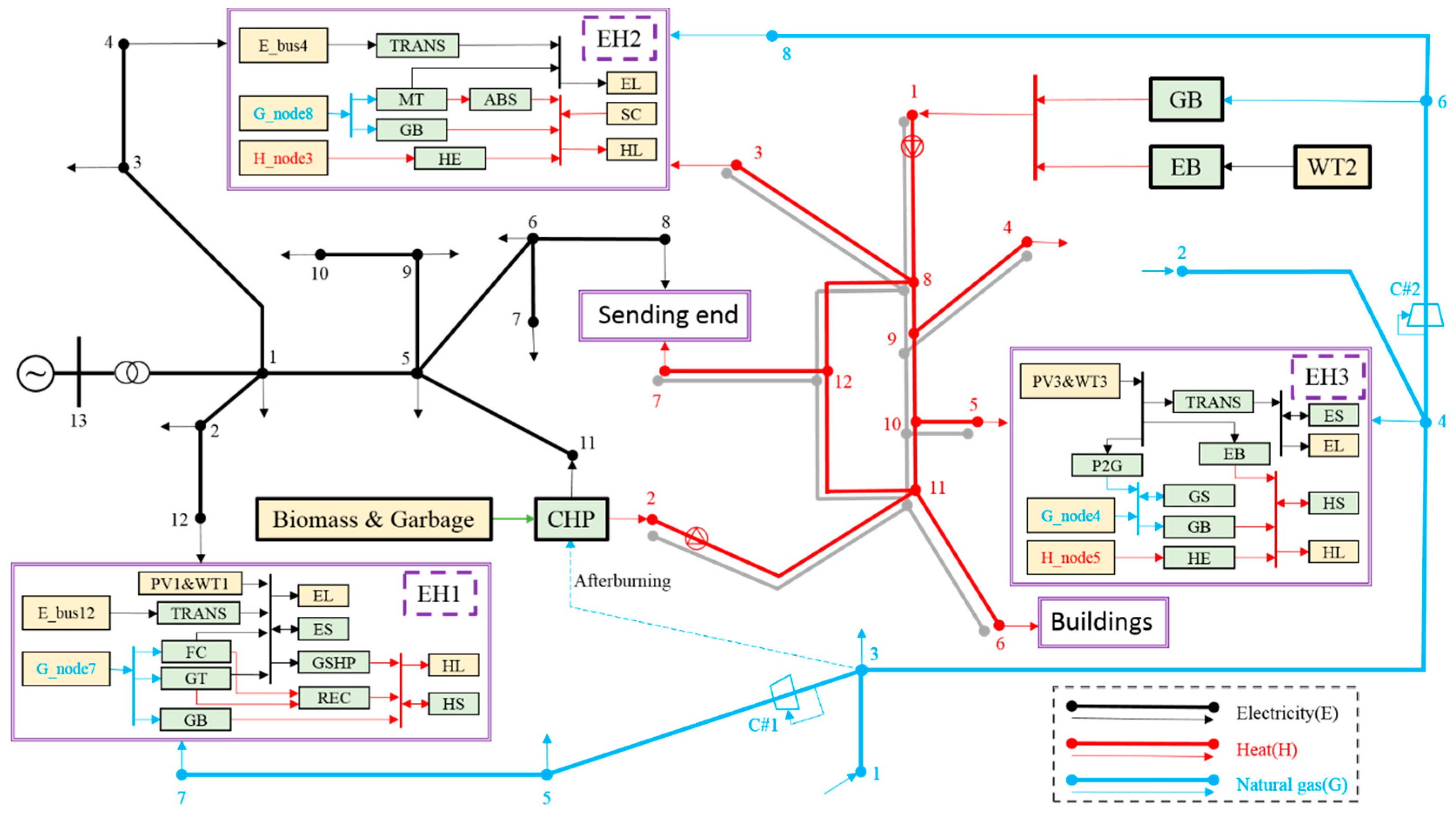
5.1. System Description
5.2. Results and Analyses
6. Conclusions
Author Contributions
Funding
Conflicts of Interest
Nomenclature
| FC | Fuel cell | 
| GT | Gas turbine | 
| REC | Waste heat recovery system | 
| GB | Gas boiler | 
| GSHP | Ground source heat pump | 
| MT | Micro-gas turbine | 
| ABS | Absorption lithium bromide chiller | 
| EB | Electric boiler | 
| P2G | Power to gas | 
| TRANS | Transformer | 
| HE | Electric boiler | 
| WT | Wind turbine | 
| PV | Photovoltaic cell | 
| SC | Solar collector | 
| EH | Energy hub | 
| IES | Integrated energy system | 
| Period of time (h) | |
| Optimized scheduling cycle (h) | |
| Efficiency for device i at time t | |
| Input fuel amount of device i at time t (MW) | |
| Output electric power of device i at time t (MW) | |
| Electric part load rate of device i at time t (MW/MW) | |
| Binary-variable of device i operation state at time t | |
| Mathematical functional relation. | |
| Constant coefficient of the n-th power item for device I model | |
| Output thermal power of device i at time t (MW) | |
| Thermal part load rate of device i at time t (MW/MW) | |
| Energy storage capacity of device type at time t (MW·h) | |
| Charging power values of device type at time t (MW) | |
| Discharging power values of device type at time t (MW) | |
| The working efficiency of charging of device type | |
| The working efficiency of discharging of device type | |
| The ratio of the maximum working time (%) | |
| ,, | Polynomial constant coefficients for WT | 
| Wind speed (m/s) | |
| Certain characteristic temperature of device or system i (°C) | |
| The i-th optimization objective function | |
| The unit power price of energy i (CNY/MW) | |
| Equivalent pollutant gas emission factor i that consumes unit energy j (t/MW) | |
| The maximum charging power factor for device i (%) | |
| The maximum discharging power factor for device i (%) | |
| The pressure of node i in the natural gas system (bar) | |
| The natural gas flow consumed by the compressor in the natural gas system (SCF/h) | |
| The variable reflecting the direction of natural gas flow in the pipeline | |
| Steady state pipeline flow in the natural gas system (SCF/h) | |
| The compressor characteristic constant | |
| The flow vector consumed by compressor in natural gas pipeline | |
| The node admittance matrix | |
| The vector of nodes’ voltage | |
| The pipeline or branch flow vector in heat system | |
| The flow rate in heat system (kg/s) | |
| The heat transfer coefficient in heat system (J/(kg·°C) | |
| , | Heat output of the heat source and heat demand of the load (MW) | 
| ,, | The th inequality constraint coefficients of CHP operating region | 
| The amount of natural gas (MW) | |
| The amount of electric energy (MW) | |
| The amount of heat energy (MW) | |
| Node voltage at time t (p.u.) | |
| Branch capacity at time t (MW·h) | |
| Compressor compression ratio at time t | |
| Characteristic parameter of increasing linear function | |
| Characteristic parameter of decreasing linear function | |
| Characteristic parameter of Sigmoid function | |
| Characteristic parameter of reverse Sigmoid function | |
| The satisfaction degree | 
Appendix A
| Types | Value | 
|---|---|
| [17] | |
| [17] | |
| 0.0926, 0.8365, −1.0135, 0.4166 | |
| 0.82869, 0.30173, 0.24644, 0.16371 | |
| 0.0951, 1.5250, 0.6249 | |
| [18] | |
| [18] | |
| 4.08 × 10−4, 0.107, −8.910 × 10−5, 0.169 | |
| 1.9550, -2.3635, 1.9146, −0.5061 | |
| 0.0488, 0.8184, 0.1328 | |
| −0.0558, 0.0280, −0.4724, 1.7780, −0.5555, 0.2777 | 
Appendix B
| Power System | Branch | From node | To node | 
| 1 | 13 | 1 | |
| 2 | 1 | 2 | |
| 3 | 1 | 5 | |
| 4 | 1 | 3 | |
| 5 | 5 | 6 | |
| 6 | 5 | 11 | |
| 7 | 5 | 9 | |
| 8 | 2 | 12 | |
| 9 | 3 | 4 | |
| 10 | 6 | 7 | |
| 11 | 6 | 8 | |
| 12 | 9 | 10 | |
| Heat System | Pipeline | From node | To node | 
| 1 | 1 | 8 | |
| 2 | 2 | 11 | |
| 3 | 8 | 3 | |
| 4 | 9 | 4 | |
| 5 | 10 | 5 | |
| 6 | 11 | 6 | |
| 7 | 12 | 7 | |
| 8 | 8 | 9 | |
| 9 | 10 | 9 | |
| 10 | 11 | 10 | |
| 11 | 11 | 12 | |
| 12 | 8 | 12 | |
| Natural Gas System | Pipeline | From node | To node | 
| 1 | 1 | 3 | |
| 2 | 2 | 4 | |
| 3 | 4 | 3 | |
| 4 | 5 | 7 | |
| 5 | 6 | 8 | |
| 6 | 3 | 5 | |
| 7 | 4 | 6 | 
References
- Zeng, Q.; Zhang, B.; Fang, J.; Chen, Z. Coordinated operation of the electricity and natural gas systems with bi-directional energy conversion. Energy Procedia 2017, 105, 492–497. [Google Scholar] [CrossRef]
- Yang, L.; Zhao, X.; Li, X.; Yan, W. Probabilistic steady-state operation and interaction analysis of integrated electricity, gas and heating systems. Energies 2018, 11, 917. [Google Scholar] [CrossRef]
- Liu, X.; Jenkins, N.; Wu, J.; Bagdanavicius, A. Combined analysis of electricity and heat networks. Energy Procedia 2014, 61, 155–159. [Google Scholar] [CrossRef]
- Habibollahzade, A.; Gholamian, E.; Behzadi, B. Multi-objective optimization and comparative performance analysis of hybrid biomass-based solid oxide fuel cell/solid oxide electrolyzer cell/gas turbine using different gasification agents. Appl. Energy 2019, 233, 985–1002. [Google Scholar] [CrossRef]
- Dong, S.; Wang, C.; Xu, S. Day-ahead optimal scheduling of electricity-gas-heat integrated energy system considering dynamic characteristics of networks. Autom. Electr. Power Syst. 2018, 42, 12–19. [Google Scholar]
- Hao, R.; Ai, Q.; Zhu, Y. Hierarchical optimal dispatch based on energy hub for regional integrated energy system. Electr. Power Autom. Equip. 2018, 37, 171–178. [Google Scholar]
- Bai, L.; Li, F.; Cui, H.; Jiang, T.; Sun, H.; Zhu, J. Interval optimization based operating strategy for gas-electricity integrated energy systems considering demand response and wind uncertainty. Appl. Energy 2016, 167, 270–279. [Google Scholar] [CrossRef]
- Ha, T.; Zhang, Y.; Hao, J.; Thang, V.; Li, C. Energy hub’s structural and operational optimization for minimal energy usage costs in energy systems. Energies 2018, 11, 707. [Google Scholar] [CrossRef]
- Geidl, M.; Andersson, G. Optimal power flow of multiple energy carriers. IEEE Trans. Power Syst. 2007, 22, 145–155. [Google Scholar] [CrossRef]
- Zhong, Y.; Xie, D.; Zhai, S.; Sun, Y. Day-ahead hierarchical steady state optimal operation for integrated energy system based on energy hub. Energies 2018, 11, 2765. [Google Scholar] [CrossRef]
- Wei, D.; Chen, A.; Sun, B. Multi-objective optimal operation and energy coupling analysis of combined cooling and heating system. Energy 2016, 98, 296–307. [Google Scholar] [CrossRef]
- Ma, T.; Wu, J.; Hao, L. Energy flow modeling and optimal operation analysis of micro energy grid based on energy hub. Power Syst. Technol. 2018, 133, 292–306. [Google Scholar] [CrossRef]
- Ma, H.; Wang, B.; Gao, W.; Liu, D. Optimal scheduling of an regional integrated energy system with energy storage systems for service regulation. Energies 2018, 11, 195. [Google Scholar] [CrossRef]
- Xu, J.; Shi, J.; Zhang, J. Bi-level optimization of urban integrated energy system based on biomass combined heat and power supply. Autom. Electr. Power Syst. 2018, 42, 23–31. [Google Scholar]
- Ayele, G.; Haurant, P.; Laumert, B.; Lacarrière, B. An extended energy hub approach for load flow analysis of highly coupled district energy networks: Illustration with electricity and heating. Appl. Energy 2018, 212, 850–867. [Google Scholar] [CrossRef]
- Zhou, X.; Guo, C.; Wang, Y.; Li, W. Optimal expansion co-planning of reconfigurable electricity and natural gas distribution systems incorporating energy hubs. Energies 2017, 10, 124. [Google Scholar] [CrossRef]
- El-Sharkh, M.; Rahman, A.; Alam, M. Thermal energy management of a CHP hybrid of wind and a grid-parallel PEM fuel cell power plant. In Proceedings of the 2009 IEEE Power and Energy Society General Meeting, Calgary, AB, Canada, 26–30 July 2009. [Google Scholar]
- Li, J.; Tian, L.; Cheng, L. Optimal planning of micro-energy system considering off-design performance part one general model and analysis. Autom. Electr. Power Syst. 2018, 42, 18–26. [Google Scholar]
- Cui, Y.; Yang, Z.; Zhong, W. A joint scheduling strategy of CHP with thermal energy storage and wind power to reduce sulfur and nitrate emission. Power Syst. Technol. 2018, 42, 1064–1071. [Google Scholar]
- Li, F.; Sun, B.; Zhang, C.; Zhang, L. Operation optimization for combined cooling, heating, and power system with condensation heat recovery. Appl. Energy 2018, 230, 305–316. [Google Scholar] [CrossRef]
- Li, H.; Kang, S.; Yu, Z. A feasible system integrating combined heating and power system with ground-source heat pump. Energy 2014, 74, 240–247. [Google Scholar] [CrossRef]
- Linna, N.; Liu, W.; Wen, F. Optimal operation of electricity, natural gas and heat systems considering integrated demand responses and diversified storage devices. J. Modern Power Syst. Clean Energy 2018, 6, 423–437. [Google Scholar]
- Lu, Z.; Yang, Y.; Geng, L. Low-carbon economic dispatch of the integrated electrical and heating systems based on benders decomposition. Proc. CSEE 2018, 38, 1922–1934. [Google Scholar]
- Li, G.; Zhang, R.; Jiang, T. Security-constrained bi-level economic dispatch model for integrated natural gas and electricity systems considering wind power and power-to-gas process. Appl. Energy 2017, 194, 696–704. [Google Scholar] [CrossRef]
- Wang, Y.; Yu, H.; Yong, M.; Huang, Y.; Zhang, F.; Wang, X. Optimal scheduling of integrated energy systems with combined heat and power generation, photovoltaic and energy storage considering battery lifetime loss. Energies 2018, 11, 1676. [Google Scholar] [CrossRef]
- Martinezmares, A.; Fuerteesquivel, C. A robust optimization approach for the interdependency analysis of integrated energy systems considering wind power uncertainty. IEEE Trans. Power Syst. 2013, 28, 3964–3976. [Google Scholar] [CrossRef]
- Huang, Y.; Yang, K.; Zhang, W.; Lee, K. Hierarchical energy management for the multienergy carriers system with different interest bodies. Energies 2018, 11, 2834. [Google Scholar] [CrossRef]
- Liu, X.; Mancarella, P. Modelling, assessment and sankey diagrams of integrated electricity-heat-gas networks in multi-vector district energy systems. Appl. Energy 2016, 167, 336–352. [Google Scholar] [CrossRef]
- Wu, L.; Wu, Q.; Jing, Z. Optimal power and gas dispatch of the integrated electricity and natural gas networks. In Proceedings of the 2016 IEEE Innovative Smart Grid Technologies–Asia, Melbourne, Australia, 28 November–1 December 2016. [Google Scholar]
- Wang, D.; Liu, L.; Jia, H.; Wang, W. Review of key problems related to integrated energy distribution systems. CSEE J. Power Energy Syst. 2018, 4, 130–145. [Google Scholar] [CrossRef]
- Aghtaie, M.; Dehghanian, P.; Firuzabad, M.; Abbaspour, A. Multiagent genetic algorithm: An online probabilistic view on economic dispatch of energy hubs constrained by wind availability. IEEE Trans. Sustain. Energy 2013, 1, 699–708. [Google Scholar]
- Li, J.; Niu, D.; Wu, M.; Wang, Y.; Li, F.; Dong, H. Research on battery energy storage as backup power in the operation optimization of a regional integrated energy system. Energies 2018, 11, 2990. [Google Scholar] [CrossRef]
- Gou, X.; Chen, Q.; Hu, K.; Ma, H.; Chen, L.; Wang, X.; Qi, J.; Xu, F.; Min, Y. Optimal planning of capacities and distribution of electric heater and heat storage for reduction of wind power curtailment in power systems. Energy 2018, 160, 763–773. [Google Scholar] [CrossRef]
- Clegg, S.; Mancarella, P. Integrated electricity-heat-gas modelling and assessment, with applications to the Great Britain system. Part I: High-resolution spatial and temporal heat demand modelling. Energy 2018. [Google Scholar] [CrossRef]
- Ahmadi, P.; Dincer, I.; Rosen, M. Thermoeconomic multi-objective optimization of a novel biomass-based integrated energy system. Energy 2014, 68, 958–970. [Google Scholar] [CrossRef]












| EH1 | Single Objective | Optimal Results of Single Objective | Optimal Results of Multi-Objective Fuzzy Optimization | |||
| Result of | Result of | Result of | ||||
| /CNY | 15,200.79 | 15.25 | 56.31 | 15,784.01 | ||
| /t | 17,183.68 | 13.09 | 54.39 | 13.72 | ||
| /MW | 16,468.89 | 13.54 | 52.97 | 53.86 | ||
| EH2 | Single Objective | Optimal Results of Single Objective | Optimal Results of Multi-Objective Fuzzy Optimization | |||
| Result of | Result of | |||||
| /CNY | 12,979.03 | 59.31 | 13,878.65 | |||
| /% | 14,642.73 | 100.00 | 78.58 | |||
| EH3 | Single Objective | Optimal Results of Single Objective | Optimal Results of Multi-Objective Fuzzy Optimization | |||
| Result of | Result of | |||||
| /CNY | 3568.04 | 96.79 | 4341.03 | |||
| /% | 5769.80 | 97.26 | 97.03 | |||
| IES | Single Objective | Optimal Results of Single Objective | Optimal Results of Multi-Objective Fuzzy Optimization | |||
| Result of | Result of | |||||
| /CNY | 67,473.95 | 80.75 | 67,004.26 | |||
| /% | 66,286.33 | 92.31 | 87.16 | |||
© 2019 by the authors. Licensee MDPI, Basel, Switzerland. This article is an open access article distributed under the terms and conditions of the Creative Commons Attribution (CC BY) license (http://creativecommons.org/licenses/by/4.0/).
Share and Cite
Zhong, Y.; Zhou, H.; Zong, X.; Xu, Z.; Sun, Y. Hierarchical Multi-Objective Fuzzy Collaborative Optimization of Integrated Energy System under Off-Design Performance. Energies 2019, 12, 830. https://doi.org/10.3390/en12050830
Zhong Y, Zhou H, Zong X, Xu Z, Sun Y. Hierarchical Multi-Objective Fuzzy Collaborative Optimization of Integrated Energy System under Off-Design Performance. Energies. 2019; 12(5):830. https://doi.org/10.3390/en12050830
Chicago/Turabian StyleZhong, Yongjie, Hongwei Zhou, Xuanjun Zong, Zhou Xu, and Yonghui Sun. 2019. "Hierarchical Multi-Objective Fuzzy Collaborative Optimization of Integrated Energy System under Off-Design Performance" Energies 12, no. 5: 830. https://doi.org/10.3390/en12050830
APA StyleZhong, Y., Zhou, H., Zong, X., Xu, Z., & Sun, Y. (2019). Hierarchical Multi-Objective Fuzzy Collaborative Optimization of Integrated Energy System under Off-Design Performance. Energies, 12(5), 830. https://doi.org/10.3390/en12050830
 
        

 
       