Extension of Zero Voltage Switching Capability for CLLC Resonant Converter
Abstract
:1. Introduction
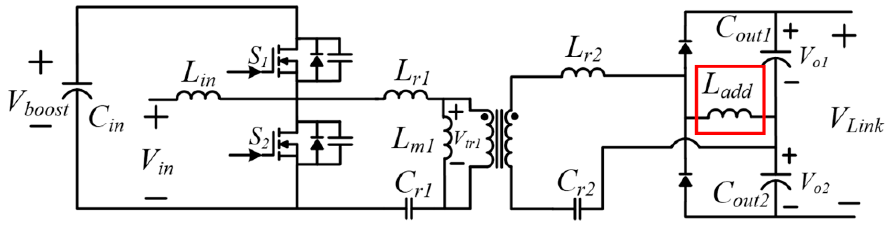
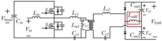
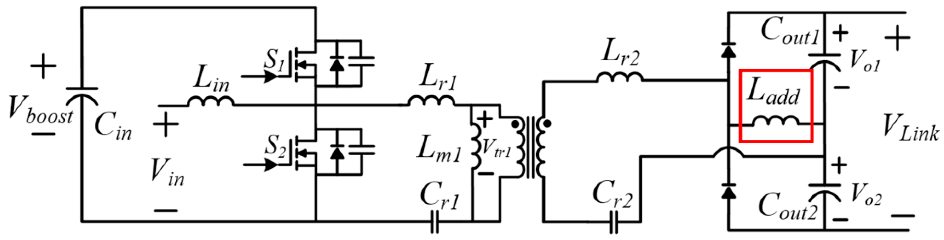
2. Operational Principle
3. Design Methodology of Additional Inductance
4. Simulation and Experimental Results
5. Conclusions
Author Contributions
Funding
Conflicts of Interest
References
- De Doncker, R.W.; Divan, D.M.; Kheraluwala, M.H. A three-phase soft-switched high-power-density DC/DC converter for high-power applications. IEEE Trans. Ind. Appl. 1991, 27, 63–73. [Google Scholar] [CrossRef]
- Liu, Y.-C.; Chen, M.-C.; Yang, C.-Y.; Kim, K.A.; Chiu, H.-J. High-Efficiency Isolated Photovoltaic Microinverter Using Wide-Band Gap Switches for Standalone and Grid-Tied Applications. Energies 2018, 11, 569. [Google Scholar] [CrossRef]
- Zaman, H.; Wu, X.; Zheng, X.; Khan, S.; Ali, H. Suppression of Switching Crosstalk and Voltage Oscillations in a SiC MOSFET Based Half-Bridge Converter. Energies 2018, 11, 3111. [Google Scholar] [CrossRef]
- Pilawa-Podgurski, R.C.N.; Sagneri, A.D.; Rivas, J.M.; Anderson, D.I.; Perreault, D.J. Very-High-Frequency Resonant Boost Converters. IEEE Trans. Power Electron. 2009, 24, 1654–1665. [Google Scholar] [CrossRef]
- Reusch, D.; Strydom, J. Understanding the Effect of PCB Layout on Circuit Performance in a High-Frequency Gallium-Nitride-Based Point of Load Converter. IEEE Trans. Power Electron. 2014, 29, 2008–2015. [Google Scholar] [CrossRef]
- Kaiwei, Y.; Yang, Q.; Ming, X.; Lee, F.C. A novel winding-coupled buck converter for high-frequency, high-step-down DC-DC conversion. IEEE Trans. Power Electron. 2005, 20, 1017–1024. [Google Scholar]
- Meng, Z.; Wang, Y.-F.; Yang, L.; Li, W. High Frequency Dual-Buck Full-Bridge Inverter Utilizing a Dual-Core MCU and Parallel Algorithm for Renewable Energy Applications. Energies 2017, 10, 402. [Google Scholar] [CrossRef]
- Huang, R.; Mazumder, S.K. A Soft-Switching Scheme for an Isolated DC/DC Converter With Pulsating DC Output for a Three-Phase High-Frequency-Link PWM Converter. IEEE Trans. Power Electron. 2009, 24, 2276–2288. [Google Scholar] [CrossRef]
- Liu, X.; Liu, J.; Wang, J.; Wang, C.; Yuan, X. Design Method for the Coil-System and the Soft Switching Technology for High-Frequency and High-Efficiency Wireless Power Transfer Systems. Energies 2018, 11, 7. [Google Scholar] [CrossRef]
- Liu, K.H.; Lee, F.C. Zero-voltage switching technique in DC/DC converters. IEEE Trans. Power Electron. 1990, 5, 293–304. [Google Scholar] [CrossRef]
- Lin, B.-R.; Wu, G.-Y. Bidirectional Resonant Converter with Half-Bridge Circuits: Analysis, Design, and Implementation. Energies 2018, 11, 1259. [Google Scholar] [CrossRef]
- Lin, B.-R. Investigation of a Resonant dc–dc Converter for Light Rail Transportation Applications. Energies 2018, 11, 1078. [Google Scholar] [CrossRef]
- Zhang, S.-H.; Luo, F.-Z.; Wang, Y.-F.; Liu, J.-H.; He, Y.-P.; Dong, Y. Control Method Based on Demand Response Needs of Isolated Bus Regulation with Series-Resonant Converters for Residential Photovoltaic Systems. Energies 2017, 10, 752. [Google Scholar] [CrossRef]
- Lin, R.; Huang, L. Efficiency Improvement on LLC Resonant Converter Using Integrated LCLC Resonant Transformer. IEEE Trans. Ind. Appl. 2018, 54, 1756–1764. [Google Scholar] [CrossRef]
- Tan, X.; Ruan, X. Equivalence Relations of Resonant Tanks: A New Perspective for Selection and Design of Resonant Converters. IEEE Trans. Ind. Electron. 2016, 63, 2111–2123. [Google Scholar] [CrossRef]
- Fayyaz, A.; Romano, G.; Urresti, J.; Riccio, M.; Castellazzi, A.; Irace, A.; Wright, N. A Comprehensive Study on the Avalanche Breakdown Robustness of Silicon Carbide Power MOSFETs. Energies 2017, 10, 452. [Google Scholar] [CrossRef]
- Efthymiou, L.; Camuso, G.; Longobardi, G.; Chien, T.; Chen, M.; Udrea, F. On the Source of Oscillatory Behaviour during Switching of Power Enhancement Mode GaN HEMTs. Energies 2017, 10, 407. [Google Scholar] [CrossRef]
- Seeman, M.D. GaN Devices in Resonant LLC Converters: System-level considerations. IEEE Power Electron. Mag. 2015, 2, 36–41. [Google Scholar] [CrossRef]
- Zhang, W.; Wang, F.; Costinett, D.J.; Tolbert, L.M.; Blalock, B.J. Investigation of Gallium Nitride Devices in High-Frequency LLC Resonant Converters. IEEE Trans. Power Electron. 2017, 32, 571–583. [Google Scholar] [CrossRef]
- Chen, W.; Rong, P.; Lu, Z. Snubberless Bidirectional DC–DC Converter with New CLLC Resonant Tank Featuring Minimized Switching Loss. IEEE Trans. Ind. Electron. 2010, 57, 3075–3086. [Google Scholar] [CrossRef]
- Ryu, M.; Kim, H.; Baek, J.; Kim, H.; Jung, J. Effective Test Bed of 380-V DC Distribution System Using Isolated Power Converters. IEEE Trans. Ind. Electron. 2015, 62, 4525–4536. [Google Scholar] [CrossRef]
- He, P.; Khaligh, A. Comprehensive Analyses and Comparison of 1 kW Isolated DC–DC Converters for Bidirectional EV Charging Systems. IEEE Trans. Transp. Electrif. 2017, 3, 147–156. [Google Scholar] [CrossRef]
- Zou, S.; Lu, J.; Mallik, A.; Khaligh, A. Bi-Directional CLLC Converter With Synchronous Rectification for Plug-In Electric Vehicles. IEEE Trans. Ind. Appl. 2018, 54, 998–1005. [Google Scholar] [CrossRef]
- Jung, J.; Kim, H.; Ryu, M.; Baek, J. Design Methodology of Bidirectional CLLC Resonant Converter for High-Frequency Isolation of DC Distribution Systems. IEEE Trans. Power Electron. 2013, 28, 1741–1755. [Google Scholar] [CrossRef]
- Zhang, C.; Li, P.; Kan, Z.; Chai, X.; Guo, X. Integrated Half-Bridge CLLC Bidirectional Converter for Energy Storage Systems. IEEE Trans. Ind. Electron. 2018, 65, 3879–3889. [Google Scholar] [CrossRef]
- Sun, X.; Shen, Y.; Zhu, Y.; Guo, X. Interleaved Boost-Integrated LLC Resonant Converter with Fixed-Frequency PWM Control for Renewable Energy Generation Applications. IEEE Trans. Power Electron. 2015, 30, 4312–4326. [Google Scholar] [CrossRef]

















| Parameter | Value |
|---|---|
| Vin | 12 V–17 V |
| Load | 32 V, 20 W |
| fr | 200 kHz |
| Lr | 1 μH |
| Lm | 30 μH |
| Cr | 633 nF |
| Turn ratio | 1:1 |
| Ladd | 25 μH |
© 2019 by the authors. Licensee MDPI, Basel, Switzerland. This article is an open access article distributed under the terms and conditions of the Creative Commons Attribution (CC BY) license (http://creativecommons.org/licenses/by/4.0/).
Share and Cite
Park, H.; Kim, D.; Baek, S.; Jung, J. Extension of Zero Voltage Switching Capability for CLLC Resonant Converter. Energies 2019, 12, 818. https://doi.org/10.3390/en12050818
Park H, Kim D, Baek S, Jung J. Extension of Zero Voltage Switching Capability for CLLC Resonant Converter. Energies. 2019; 12(5):818. https://doi.org/10.3390/en12050818
Chicago/Turabian StylePark, HwaPyeong, DoKyoung Kim, SeungHo Baek, and JeeHoon Jung. 2019. "Extension of Zero Voltage Switching Capability for CLLC Resonant Converter" Energies 12, no. 5: 818. https://doi.org/10.3390/en12050818
APA StylePark, H., Kim, D., Baek, S., & Jung, J. (2019). Extension of Zero Voltage Switching Capability for CLLC Resonant Converter. Energies, 12(5), 818. https://doi.org/10.3390/en12050818

