A Method for the Simultaneous Suppression of DC Capacitor Fluctuations and Common-Mode Voltage in a Five-Level NPC/H Bridge Inverter
Abstract
1. Introduction
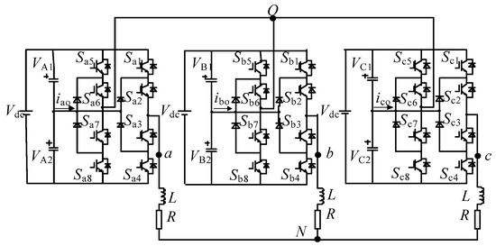
2. Switching States of the Five-Level NPC/H Bridge Converter
3. Analysis of the Midpoint Potential and CMV
3.1. Mechanism of DC-Side Capacitor Voltage Imbalance
3.2. Distribution of CMV
4. The Proposed Dual-Pulse-Mapping Algorithm
4.1. Vector Selection and Vector Duration Time
4.2. Voltage Balancing Algorithm
5. Simulation Verification and Analysis
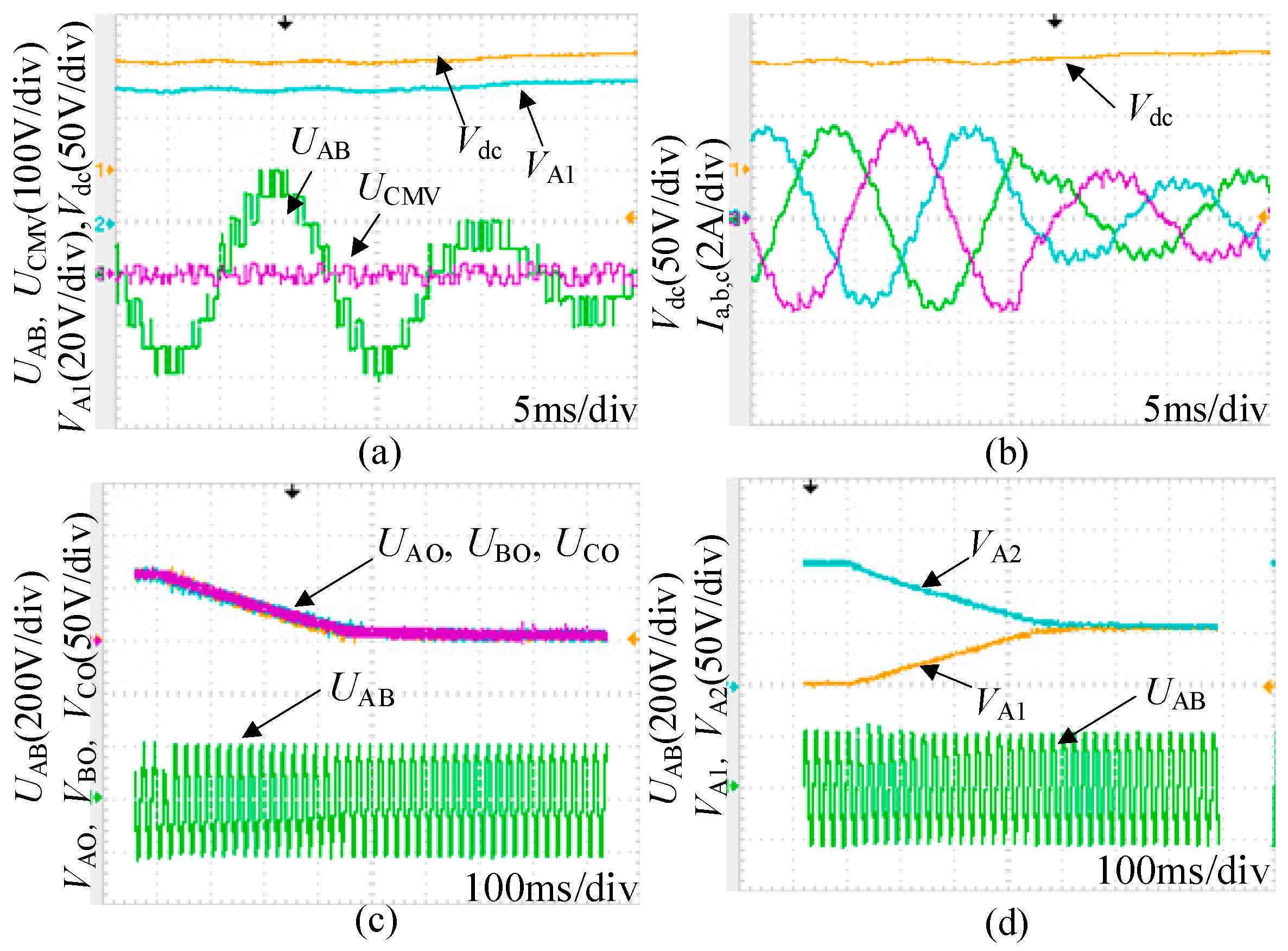
5.1. Simulation Results of the Conventional SVPWM Strategy
5.2. Simulation Results with the Proposed Dual-Pulse-Mapping Strategy
5.3. Simulation Results of Dynamic Performance
6. Experimental Results
7. Conclusions
Author Contributions
Funding
Conflicts of Interest
References
- Wu, B. High Power Converters and AC Drives; IEEE Press/Wiley: New York, NY, USA, 2006. [Google Scholar]
- Rodgriguez, J.; Lai, J.S.; Peng, F.Z. Multilevel inverters: A survey of topologies, controls and applications. IEEE Trans. Ind. Appl. 2002, 49, 724–738. [Google Scholar]
- Saeedifard, M.; Barbosa, P.M.; Steimer, P.K. Operation and control of a hybrid seven-level converter. IEEE Trans. Power Electron. 2012, 27, 652–660. [Google Scholar] [CrossRef]
- Kokila, A.; Kumar, V.S. Comparison of SPWM and SVPWM control techniques for diode clamped multilevel inverter with photovoltaic system. In Proceedings of the 2018 4th International Conference on Electrical Energy Systems (ICEES), Chennai, India, 7–9 February 2018; pp. 234–241. [Google Scholar]
- Yang, P.; Li, C.; Lan, Z. Investigation on the subsection synchronous modulation strategy for high power NPC/H-bridge inverter. In Proceedings of the IEEE 8th International Power Electronics and Motion Control Conference (IPEMC-ECCE Asia), Hefei, China, 22–26 May 2016. [Google Scholar]
- Chang, H.; Wei, R.; Ge, Q.; Wang, X.; Zhu, H. Comparison of SVPWM for five level NPC/H-Bridge inverter and traditional five level NPC inverter based on line-voltage coordinate system. In Proceedings of the International Conference on Electrical Machines and Systems, Pattaya, Thailand, 25–28 October 2015; pp. 574–577. [Google Scholar]
- Gong, Z.; Wu, X.; Dai, P.; Zhu, R. Modulated model predictive control for MMC-based active frontend rectifiers under unbalanced grid conditions. IEEE Trans. Ind. Electron. 2019, 66, 2398–2409. [Google Scholar] [CrossRef]
- Rendusara, D.A.; Cengelci, E.; Enjeti, P.N.; Stefanovic, V.R.; Victor, R.; Gray, J.W. Analysis of common mode voltage — neutral shift in medium voltage PWM adjustable speed drive (MV-ASD) systems. IEEE Trans. Power Electron. 2014, 29, 6281–6292. [Google Scholar]
- Gong, Z.; Zhang, H.; Dai, P.; Sun, N.; Li, M. A low-cost phase-angle compensation method for the indirect matrix converters operating at the unity grid power factor. IEEE Trans. Power Electron. 2019. [Google Scholar] [CrossRef]
- Sun, L.; Wu, L.Z.; Ma, W.; Fei, X.; Cai, X.; Zhou, L. Analysis of the DC-link capacitor current of power cells in cascaded H-Bridge inverters for high-voltage drives. IEEE Trans. Power Electron. 2014, 29, 6281–6292. [Google Scholar] [CrossRef]
- Wu, C.M.; Lau, W.H.; Chung, H. A five-level neutral-point-clamped H-bridge PWM inverter with superior harmonic suppression: A theoretical analysis. In Proceedings of the 1999 IEEE International Symposium on Cirsuits and Systems, Orlando, FL, USA, 30 May–2 June 1999; Volume 5, pp. 198–201. [Google Scholar]
- Chen, Z.Y.; Wu, B. A Novel Switching Sequence Design for Five-Level NPC/H-Bridge Inverters With Improved Output Voltage Spectrum and Minimized Device Switching Frequency. IEEE Trans. Power Electron. 2017, 22, 2138–2145. [Google Scholar] [CrossRef]
- Shen, J.; Schroder, S.; Gao, J.P.; Qu, B. Impact of DC-Link Voltage Ripples on the Machine-Side Performance in NPC H-Bridge Topology. IEEE Trans. Ind. Appl. 2016, 52, 3212–3223. [Google Scholar] [CrossRef]
- Rojas, C.A.; Kouro, S.; Edwards, D.; Wu, B. Five-level H-bridge NPC central photovoltaic inverter with open-end winding grid connection. In Proceedings of the 40th Annual Conference of the IEEE Industrial Electronics Society (IECON), Dallas, TX, USA, 30 October–1 November 2014; pp. 4622–4627. [Google Scholar]
- Hotait, H.A.; Massoud, A.M.; Finney, S.J.; Williams, B.W. Capacitor Voltage Balancing Using Redundant States of Space Vector Modulation for Five-level Diode Clamped Inverter. IET Power Electron. 2010, 3, 292–313. [Google Scholar] [CrossRef]
- Qin, J.C.; Saeedifard, M. Capacitor Voltage Balancing of a Five-level Diode-Clamped Converter Based on a Predictive Current Control Strategy. In Proceedings of the 26th Annual IEEE Applied Power Electronics Conference and Exposition, Fort Worth, TX, USA, 6–10 March 2011; pp. 1656–1660. [Google Scholar]
- Long, L.Z.; Zhang, Y.G.; Kuang, G.J. A Modified Space Vector Modulation Scheme to Reduce Common Mode Voltage for Cascaded NPC/H-bridge Inverter. In Proceedings of the IEEE 7th International Power Electronics and Motion Control Conference (ECCE), Harbin, China, 25 June 2012; pp. 1837–1841. [Google Scholar]
- Gong, Z.; Dai, P.; Wu, X.J.; Deng, F.J.; Liu, D.; Chen, Z. A Hierarchical Model Predictive Voltage Control for NPC/H-Bridge Converters with a Reduced Computational Burden. J. Power Electron. 2017, 17, 136–148. [Google Scholar] [CrossRef]















| Switching State Sx | Pulse Mapping Number | Sx1, Sx2, Sx3, Sx4, Sx5, Sx6, Sx7, Sx8 | Phase Voltage uxo |
|---|---|---|---|
| 2 | 1 | 11000011 | Vdc |
| 1 | 2 | 11000110 | Vdc/2 |
| 3 | 01100011 | ||
| 0 | 4 | 11001100 | 0 |
| 5 | 01100110 | ||
| 6 | 00110011 | ||
| −1 | 7 | 01101100 | −Vdc/2 |
| 8 | 00110110 | ||
| −2 | 9 | 00111100 | −Vdc |
| Switching State Sx | Pulse Mapping Number | Sx1, Sx2, Sx3, Sx4, Sx5, Sx6, Sx7, Sx8 | Direction of ia | Midpoint Potential |
|---|---|---|---|---|
| 1 | 2 | 11000110 | + | ↑ |
| − | ↓ | |||
| 3 | 01100011 | + | ↓ | |
| − | ↑ | |||
| −1 | 7 | 01101100 | + | ↑ |
| − | ↓ | |||
| 8 | 00110110 | + | ↓ | |
| − | ↑ |
| State | (A) | (B) |
|---|---|---|
| 2 | 11000011 | 11000011 |
| 1 | 11000110 | 01100011 |
| 0 | 01100110 | 01100110 |
| −1 | 01101100 | 00110110 |
| −2 | 00111100 | 00111100 |
| Parameters | Values |
|---|---|
| DC-side voltage Vdc | 100 V |
| Output voltage frequency fAC | 50 Hz |
| DC-side capacitance C | 3300 F |
| RL load | 26 Ω + 15 mH |
| Modulation index m | 0.9 and 0.4 |
| Switching frequency fs | 800 Hz |
© 2019 by the authors. Licensee MDPI, Basel, Switzerland. This article is an open access article distributed under the terms and conditions of the Creative Commons Attribution (CC BY) license (http://creativecommons.org/licenses/by/4.0/).
Share and Cite
Wu, M.; Song, Z.; Lv, Z.; Zhou, K.; Cui, Q. A Method for the Simultaneous Suppression of DC Capacitor Fluctuations and Common-Mode Voltage in a Five-Level NPC/H Bridge Inverter. Energies 2019, 12, 779. https://doi.org/10.3390/en12050779
Wu M, Song Z, Lv Z, Zhou K, Cui Q. A Method for the Simultaneous Suppression of DC Capacitor Fluctuations and Common-Mode Voltage in a Five-Level NPC/H Bridge Inverter. Energies. 2019; 12(5):779. https://doi.org/10.3390/en12050779
Chicago/Turabian StyleWu, Ming, Zhenhao Song, Zhipeng Lv, Kai Zhou, and Qi Cui. 2019. "A Method for the Simultaneous Suppression of DC Capacitor Fluctuations and Common-Mode Voltage in a Five-Level NPC/H Bridge Inverter" Energies 12, no. 5: 779. https://doi.org/10.3390/en12050779
APA StyleWu, M., Song, Z., Lv, Z., Zhou, K., & Cui, Q. (2019). A Method for the Simultaneous Suppression of DC Capacitor Fluctuations and Common-Mode Voltage in a Five-Level NPC/H Bridge Inverter. Energies, 12(5), 779. https://doi.org/10.3390/en12050779
