Low-Cost Position Sensorless Speed Control of PMSM Drive Using Four-Switch Inverter
Abstract
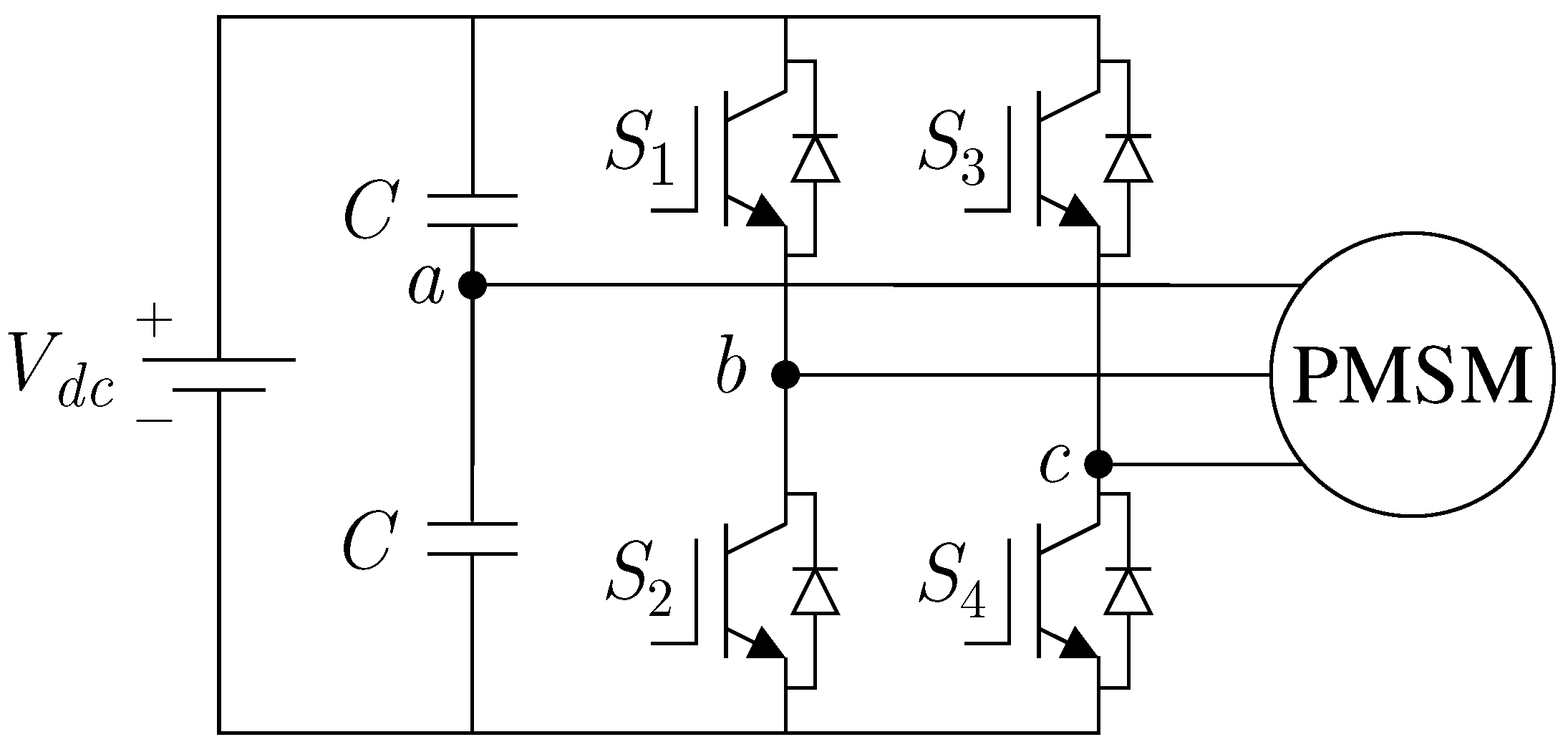
:1. Introduction
2. Proposed Position Sensorless Speed Control of Four-Switch Three-Phase PMSM Drive Based on Stator Feedforward Voltage Control
2.1. Steady-State and Dynamic Mathematical Models of PMSM
2.2. Principles of the Proposed Position Sensorless Scheme
2.3. Problem Formulation of the Proposed Method
3. Experimental Verification
3.1. Experimental Set-up
3.2. Experimental Results
3.3. Comparison of the Proposed Method with Classical SMO
4. Conclusions
Author Contributions
Funding
Conflicts of Interest
Appendix A
| Parameter | Value |
|---|---|
| Number of poles | 8 |
| Line-to-neutral rms voltage (V) at 200 Hz | 230 |
| Rated torque (N·m) | 2 |
| Rated speed (r/min) at 60 Hz (1 per-unit) | 900 |
| Rated rms current (A) | 4 |
| Stator inductance (H) | 0.0033 |
| Stator resistance () | 3.4 |
| Rotor magnetic flux linkage (Wb) | 0.095 |
| Moment of inertia (kg.m2) | 0.0075 |
| K Value | Max. Variation | Speed Oscillation at Max. |
|---|---|---|
| 1 | 4% | 20% |
| 2 | 14% | 17% |
| 3 | 27% | 12% |
| 4 | 58% | 7% |
| 5 | 80% | 1% |
| 6 | 54% | 12% |
| 7 | 38% | 15% |
References
- Ma, Z.; Zhang, X. FPGA Implementation of Sensorless Sliding Mode Observer With a Novel Rotation Direction Detection for PMSM Drives. IEEE Access 2018, 6, 55528–55536. [Google Scholar] [CrossRef]
- Rind, S.J.; Jamil, M.; Amjad, A. Electric motors and speed sensorless control for electric and hybrid electric vehicles: A review. In Proceedings of the 53rd International Universities Power Engineering Conference (UPEC), Glasgow, UK, 4–7 September 2018. [Google Scholar]
- Xu, D.; Wang, G.; Zhang, G.; Yu, Y. A review of sensorless control methods for AC motor drives. CES Trans. Elect. Mach. Syst. 2018, 2, 104–115. [Google Scholar] [CrossRef]
- Singh, S.; Tiwari, A.N. Various techniques of sensorless speed control of PMSM: A review. In Proceedings of the 2017 Second International Conference on Electrical, Computer and Communication Technologies (ICECCT), Coimbatore, India, 22–24 February 2017. [Google Scholar]
- Zhang, G.; Wang, G.; Xu, D. Saliency-based position sensorless control methods for PMSM drives—A review. Chin. J. Electr. Eng. 2018, 3, 14–23. [Google Scholar] [CrossRef]
- Rind, S.; Ren, Y.; Jiang, L. Traction motors and speed estimation techniques for sensorless control of electric vehicles: A review. In Proceedings of the 49th International Universities Power Engineering Conference (UPEC), Cluj-Napoca, Romania, 2–5 September 2014. [Google Scholar]
- Benjak, O.; Gerling, D. Review of position estimation methods for PMSM drives without a position sensor, part III: Methods based on saliency and signal injection. In Proceedings of the International Conference on Electrical Machines and Systems, Incheon, Korea, 10–13 October 2010. [Google Scholar]
- Wang, G.; Yang, B.; Zhang, G.; Zhang, X.; Xu, D. Comparative investigation of pseudorandom high-frequency signal injection schemes for sensorless IPMSM drives. IEEE Trans. Power Electron. 2017, 32, 2123–2132. [Google Scholar] [CrossRef]
- Wang, G.; Yang, B.; Yuan, B.; Wang, B.; Zhang, G.; Xu, D. Pseudo-random high-frequency square-wave voltage injection based sensorless control of IPMSM drives for audible noise reduction. IEEE Trans. Ind. Electron. 2016, 63, 7423–7433. [Google Scholar] [CrossRef]
- Zhang, G.; Wang, G.; Xu, D.; Zhao, N. ADALINE-network-based PLL for position sensorless interior permanent magnet synchronous motor drives. IEEE Trans. Power Electron. 2016, 31, 1450–1460. [Google Scholar] [CrossRef]
- Wang, Y.; Xu, Y.; Zou, J. Sliding mode sensorless control of PMSM with inverter nonlinearity compensation. IEEE Trans. Power Electron. 2019, 1450–1460. [Google Scholar] [CrossRef]
- Wang, M.S.; Tsai, T.M. Network control of sensorless PMSM controlled system for power consumption and performance improvement. Energies 2017, 10, 1780. [Google Scholar] [CrossRef]
- Bao, D.; Pan, Y.; Wang, X.; Li, K. Adaptive synchronous-frequency tracking-mode observer for the sensorless control of a surface PMSM. IEEE Trans. Ind. Electron. 2018, 54, 6460–6471. [Google Scholar] [CrossRef]
- Xu, W.; Jiang, Y.; Mu, C.; Blaabjerg, F. Improved nonlinear flux observer-based second-order SOIFO for PMSM sensorless control. IEEE Trans. Power Electron. 2019, 34, 565–579. [Google Scholar] [CrossRef]
- Lee, K.; Park, S.; Jeong, S. A seamless transition control of sensorless PMSM compressor drives for improving efficiency based on a dual-mode operation. IEEE Trans. Power Electron. 2015, 30, 1446–1456. [Google Scholar] [CrossRef]
- Van Der Broeck, H.W.; Van Wyk, J.D. A comparative investigation of a three-phase induction machine drive with a component minimized voltage-fed inverter under different control options. IEEE Trans. Ind. Appl. 1984, IA-20, 309–320. [Google Scholar] [CrossRef]
- Lee, J.H.; Ahn, S.C.; Hyun, D.S. A BLDCM Drive With Trapezoidal Back EMF Using Four-Switch Three Phase Inverter. In Proceedings of the Thirty-Fifth IAS Annual Meeting and World Conference on Industrial Applications of Electrical Energy, Rome, Italy, 8–12 October 2000. [Google Scholar]
- Lee, J.H.; Kim, T.S.; Hyun, D.S. A Study for Improved of Speed Response Characteristic in Four-Switch Three-Phase BLDC Motor. In Proceedings of the 30th Annual Conference of IEEE Industrial Electronics Society, Busan, Korea, 2–6 November 2004. [Google Scholar]
- Uddin, M.N.; Radwan, T.S.; Rahman, M.A. Performance Analysis of a 4-Switch, 3-Phase Inverter Based Sost Effective IPM Motor Drives. In Proceedings of the Canadian Conference on Electrical and Computer Engineering, Niagara Falls, ON, Canada, 2–5 May 2004. [Google Scholar]
- Lee, B.K.; Kim, T.H.; Ehsani, M. On the feasibility of four-switch three-phase BLDC motor drives for low cost commercial applications: Topology and control. IEEE Trans. Power Electron. 2003, 18, 164–172. [Google Scholar] [CrossRef]
- Lin, C.T.; Hung, C.W.; Liu, C.W. Position sensorless control for four-switch three phase brushless DC motor drives. IEEE Trans. Power Electron. 2008, 23, 438–444. [Google Scholar] [CrossRef]
- Niasar, A.H.; Vahedi, A.; Moghbelli, H. A novel position sensorless control of a four-switch, brushless dc motor drive without phase shifter. IEEE Trans. Power Electron. 2008, 23, 3079–3087. [Google Scholar] [CrossRef]
- Hung, C.W.; Su, J.T.; Liu, C.W.; Lin, C.T.; Chen, J.H. Fuzzy Gain Scheduling PI Controller for a Sensorless Four Switch Three Phase BLDC Motor. In Proceedings of the Twenty-Fifth Annual IEEE Applied Power Electronics Conference and Exposition, Palm Springs, CA, USA, 21–25 February 2010. [Google Scholar]
- Niasar, A.H.; Moghbeli, H.; Vahedi, A. A Novel Sensorless Control Method for Four-Switch Brushless DC Motor Drive without Using Any 30º Phase Shifter. In Proceedings of the International Conference on Electrical Machines and Systems, Seoul, Korea, 8–11 October 2007. [Google Scholar]
- Ebadpour, M.; Sharifian, M.B.B.; Feyzi, M.R. A Simple Position Sensorless Control Strategy for Four-Switch Three-Phase Brushless DC Motor Drives Using Single Current Sensor. In Proceedings of the 2nd Power Electronics, Drive Systems and Technologies Conference, Tehran, Iran, 16–17 February 2011. [Google Scholar]
- Lin, C.K.; Fu, L.C.; Liu, T.H.; Hsiao, C.F. A Sensorless Position Control for Four-Switch Three-Phase Inverter-Fed Interior Permanent Magnet Synchronous Motor Drive Systems. In Proceedings of the IEEE/ASME International Conference on Advanced Intelligent Mechatronics, Kachsiung, Taiwan, 11–14 July 2012. [Google Scholar]
- Jang, J.S.; Park, B.G.; Kim, T.S.; Lee, D.M.; Hyun, D.S. Sensorless Control of Four-Switch Three-Phase PMSM Drive Using Extended Kalman Filter. In Proceedings of the 34th Annual Conference of IEEE Industrial Electronics, Orlando, FL, USA, 10–13 November 2008. [Google Scholar]
- Fernandes, E.M.; Oliveira, A.C.; Vitorino, M.A.; Dos Santos, E.C.; Santos, W.R.N. Speed Sensorless PMSM Motor Drive System Based on Four Switch Three-Phase Converter. In Proceedings of the 40th Annual Conference of the IEEE Industrial Electronics Society, Dallas, TX, USA, 29 October–1 November 2014. [Google Scholar]
- Ozturk, S.B.; Alexander, W.C.; Toliyat, H.A. Direct torque control of four-switch brushless DC motor with non-sinusoidal back EMF. IEEE Trans. Power Electron. 2010, 25, 263–271. [Google Scholar] [CrossRef]
- Fu, J.R.; Lipo, T. A Strategy to Isolate the Switching Device Fault of a Current Regulated Motor Drive. In Proceedings of the IEEE Industry Applications Conference Twenty-Eighth IAS Annual Meeting, Toronto, ON, Canada, 2–8 October 1993. [Google Scholar]
- Sun, D.; He, Z.; He, Y.; Guan, Y. Four-Switch Inverter Fed PMSM DTC With SVM Approach for Fault Tolerant Operation. In Proceedings of the IEEE International Electric Machines and Drives Conference, Antalya, Turkey, 3–5 May 2007. [Google Scholar]
- Luczak, D.; Siembab, K. Comparison of Fault Tolerant Control Algorithm Using Space Vector Modulation of PMSM Drive. In Proceedings of the 16th International Conference on Mechatronics, Brno, Czech Republic, 3–5 December 2014. [Google Scholar]
- Sun, D.; Meng, J. Research on Fault Tolerant Inverter Based Permanent Magnet Synchronous Motor Direct Torque Control Drives. In Proceedings of the IEEE Conference on Industrial Electronics and Applications, Singapore, 24–26 May 2006. [Google Scholar]
- Sun, D.; He, Y. A Modified Direct Torque Control for PMSM Under Inverter Fault. In Proceedings of the International Conference on Electrical Machines and Systems, Nanjing, China, 27–29 September 2005. [Google Scholar]
- Bo, W.; Yikang, H.; Ivonne, Y.B. Four Switch Three Phase Inverter Fed PMSM DTC System with Nonlinear Perpendicular Flux Observer and Sliding Mode Control. In Proceedings of the International Conference on Electrical Machines and Systems, Wuhan, China, 17–20 October 2008. [Google Scholar]
- Lee, J.D.; Park, B.G.; Kim, T.S.; Ryu, J.S.; Hyun, D.S. A Simple Fault Detection of the Open-Switch Damage in BLDC Motor Drive Systems. In Proceedings of the 7th International Conference on Power Electronics, Daegu, Korea, 22–26 October 2007. [Google Scholar]
- Park, B.G.; Kim, T.S.; Ryu, J.S.; Lee, B.K.; Hyun, D.S. Fault Tolerant System under Open Phase Fault for BLDC Motor Drives. In Proceedings of the 37th IEEE Power Electronics Specialists Conference, Jeju, Korea, 18–22 June 2006. [Google Scholar]
- Park, B.G.; Kim, T.S.; Ryu, J.S.; Hyun, D.S. Fault Tolerant Strategies for BLDC Motor Drives under Switch Faults. In Proceedings of the IEEE Industry Applications Conference Forty-First IAS Annual Meeting, Tampa, FL, USA, 8–12 October 2006. [Google Scholar]
- Hoang, K.D.; Zhu, Z.Q.; Foster, M.P. Influence and compensation of inverter voltage drop in direct torque-controlled four-switch three-phase PM brushless ac drives. IEEE Trans. Power Electron. 2011, 26, 2343–2357. [Google Scholar] [CrossRef]
- Masmoudi, M.; El Badsi, B.; Masmoudi, A. DTC of B4-inverter-fed BLDC motor drives with reduced torque ripple during sector-to-sector commutations. IEEE Trans. Power Electron. 2014, 29, 4855–4865. [Google Scholar] [CrossRef]
- Park, S.H.; Kim, T.S.; Ahn, S.C.; Hyun, D.S. A Simple Current Control Algorithm for Torque Ripple Reduction of Brushless DC Motor Using Four-Switch Three-Phase Inverter. In Proceedings of the 34th Annual Conference on Power Electronics Specialist, Acapulco, Mexico, 15–19 June 2003. [Google Scholar]
- Niasar, A.H.; Vahedi, A.; Moghbelli, H. Analysis and Control of Commutation Torque Ripple in Four-Switch Three-Phase Brushless DC Motor Drive. In Proceedings of the IEEE International Conference on Industrial Technology, Mumbai, India, 15–17 December 2006. [Google Scholar]
- Niasar, A.H.; Moghbelli, H.; Vahedi, A. Commutation Torque Ripple of Four-Switch, Brushless DC Motor Drives, Part I: Analysis. In Proceedings of the IEEE International Workshop on Advanced Motion Control, Istanbul, Turkey, 27–29 March 2006. [Google Scholar]
- Niasar, A.H.; Moghbelli, H.; Vahedi, A. Commutation Torque Ripple of Four-Switch, Brushless DC Motor Drives, Part II: Controllability and Minimization. In Proceedings of the IEEE International Workshop on Advanced Motion Control, Istanbul, Turkey, 27–29 March 2006. [Google Scholar]
- Xia, C.; Xiao, Y.; Chen, W.; Shi, T. Three effective vectors-based current control scheme for four-switch three-phase trapezoidal brushless DC motor. IET Electr. Power Appl. 2013, 7, 566–574. [Google Scholar] [CrossRef]
- Fu, Q.; Lin, H.; Zhang, H.T. Single-Current-Sensor Sliding Mode Driving Strategy for Four-Switch Three-Phase Brushless DC Motor. In Proceedings of the IEEE International Conference on Industrial Technology, Mumbai, India, 15–17 December 2006. [Google Scholar]
- Xia, C.; Li, Z.; Shi, T. A control strategy for four-switch three phase brushless DC motor using single current sensor. IEEE Trans. Ind. Electron. 2009, 26, 2058–2066. [Google Scholar] [CrossRef]
- Changliang, X.; Li, Z.; Wang, Y.; Shi, T. Current Threshold On-line Identification Control Theme Based on Intelligent Controller for Four Switch Three-Phase Brushless DC Motor. In Proceedings of the IEEE International Conference on Mechatronics and Automation, Takamatsu, Japan, 5–8 August 2008. [Google Scholar]
- Uddin, M.N.; Radwan, T.S.; Rahman, M.A. Fuzzy-logic-controller-based cost-effective four-switch three-phase inverter-fed IPM synchronous motor drive system. IEEE Trans. Ind. Appl. 2006, 42, 21–30. [Google Scholar] [CrossRef]
- Niasar, A.H.; Moghbeli, H.; Vahedi, A. Adaptive Neuron-Fuzzy Control With Fuzzy Supervisory Learning Algorithm for Speed Regulation of 4-Switch Inverter Brushless DC Machines. In Proceedings of the 5th International Power Electronics and Motion Control Conference, Shanghai, China, 14–16 August 2006. [Google Scholar]
- Niasar, A.H.; Vahedi, A.; Moghbelli, H. ANFIS-Based Controller with Fuzzy Supervisory Learning for Speed Control of 4-Switch Inverter Brushless DC Motor Drive. In Proceedings of the 37th IEEE Power Electronics Specialists Conference, Jeju, Korea, 18–22 June 2006. [Google Scholar]
- Changliang, X.; Li, Z.; Wang, Y. A Current Control Algorithm Based on Variable Current Threshold for Four-Switch Three-Phase BLDCM Using Intelligent Controller. In Proceedings of the IEEE International Conference on Industrial Technology, Chengdu, China, 21–24 April 2008. [Google Scholar]
- Madani, S.M.; Lei, H.; Toliyat, H.A. A Low-Cost Four-Switch BLDC Motor Drive With Active Power Factor Correction. In Proceedings of the 28th Annual Conference of the Industrial Electronics Society, Sevilla, Spain, 5–8 November 2002. [Google Scholar]
- Krishnaveni, V.; Kiruthika, K.; Kumar, S.S. Design and Implementation of Low Cost Four Switch Inverter for BLDC Motor Drive with Active Power Factor Correction. In Proceedings of the International Conference on Green Computing Communication and Electrical Engineering, Coimbatore, India, 6–8 March 2014. [Google Scholar]
- Jaehong, K.; Jinseok, H.; Kwanghee, N. A current distortion compensation scheme for four-switch inverters. IEEE Trans. Power Appl. 2009, 24, 1032–1040. [Google Scholar] [CrossRef]
- Chong, Z.; Zhiyong, Z.; Rongxiang, Z. Adaptive suppression method for DC-link voltage offset in three-phase four-switch inverter-fed PMSM drives. Electron. Lett. 2016, 52, 1442–1444. [Google Scholar]
- Zhiyong, Z.; Zhu, C.; Jin, X.; Shi, W.; Zhao, R. Hybrid space vector modulation strategy for torque ripple minimization in three-phase four-switch inverter-fed PMSM drives. IEEE Trans. Ind. Electr. 2017, 64, 2122–2134. [Google Scholar] [CrossRef]
- Kazemlou, S.; Zolghadri, M. Direct Torque Control of Four-Switch Three Phase Inverter Fed Induction Motor Using a Modified SVM to Compensate DC-Link Voltage Imbalance. In Proceedings of the IEEE 2009 International Conference on Electric Power Energy Conversion Systems, Sharjah, UAE, 15–19 June 2008. [Google Scholar]
- Nguyen, T.D.; Nguyen, H.M.; Lee, H.H. An Adaptive Carrier-Based PWM Method for Four-Switch Three-Phase Inverter. In Proceedings of the IEEE 2009 International Symposium on Industrial Electronics, Seoul, Korea, 5–8 July 2009. [Google Scholar]
- Dzung, P.Q.; Lee, H.H.; Thang, B.N. A New FPGA Implementation of Four-Switch Three-Phase Inverter. In Proceedings of the IEEE 2010 International Conference on Power Electronics and Drive Systems, Taipei, Taiwan, 2–5 November 2010. [Google Scholar]
- Lee, H.H.; Dzung, P.Q.; Thanh, H.T. The Adaptive Space Vector PWM for Four Switch Three Phase Inverter Fed Induction Motor with DC-Link Voltage Imbalance. In Proceedings of the IEEE 2008 Region 10 Conference, Hyderabad, India, 19–21 November 2008. [Google Scholar]
- Dzung, P.Q.; Vinh, P.Q.; Hoang, N.M.; Binh, T.C. New Space Vector Control Approach for Four Switch Three Phase Inverter (FSTPI). In Proceedings of the International IEEE Conference on Power Electronics and Drive Systems, Bangkok, Thailand, 27–30 November 2007. [Google Scholar]
- Bhadauria, Y.; Patel, A.; Patel, V.; Patel, J. Simulation and Analysis of Three Phase Voltage Source Inverter Using Four Semiconductor Switches. In Proceedings of the IEEE Nirma University International Conference on Engineering, Ahmedabad, India, 6–8 December 2012. [Google Scholar]
- Kashif, S.A.R.; Saqib, M.A. Sensorless control of a permanent magnet synchronous motor using artificial neural network based estimator—An application of the four-switch three-phase inverter. Electr. Power. Compon. Syst. 2014, 42, 1–12. [Google Scholar] [CrossRef]
- Rogers, S.; Boyd, S. Overview of the DOE VTO Electric Drive Technologies Research and Development Program; US Department of Energy: Washington, DC, USA, 2016.
- Okuyama, T.; Fujimoto, N.; Matsui, T.; Kubota, Y. A High Performance Speed Control Scheme for Induction Motor Without Speed and Voltage Sensors. In Proceedings of the IEEE Industrial Application Society Annual Meeting, Denver, CO, USA, 28 September–3 October 1986. [Google Scholar]
- Blasko, V.; Arnedo, D.; Jiang, D. An Integral Method Combining V/Hz and Vector Control of Permanent Magnet Motor. In Proceedings of the IEEE 2014 Energy Conversion Congress and Exposition, Pittsburgh, PA, USA, 14–18 September 2014. [Google Scholar]
- Kivanc, O.C.; Ozturk, S.B. Sensorless PMSM drive based on stator feedforward voltage estimation improved with MRAS multiparameter estimation. IEEE Trans. Mech. 2018, 23, 1326–1337. [Google Scholar] [CrossRef]
- Kerkman, R.J.; Seibel, B.J.; Rowan, T.M.; Schlegel, D. A New Flux and Stator Resistance Identifier for AC Drive Systems. In Proceedings of the IEEE Thirtieth Annual Meeting of Industry Applications Conference, Orlando, FL, USA, 8–12 October 1995. [Google Scholar]
- Bose, B.K. Power Electronics and Variable Frequency Drives: Technology and Applications, 1st ed.; Wiley-IEEE Press: Hoboken, NJ, USA, 1996; ISBN 0780310845. [Google Scholar]
- Krishnan, R. Permanent Magnet Synchronous and Brushless DC Motor Drives, 1st ed.; CRC Press: Boca Raton, FL, USA, 2009; ISBN 0824753844. [Google Scholar]
- Kivanc, O.C.; Ozturk, S.B. MATLAB Function Based Approach to FOC of PMSM Drive. In Proceedings of the IEEE European Modelling Symposium, Madrid, Spain, 6–8 October 2015. [Google Scholar]
- Kerkman, R.J.; Skibinski, G.L.; Schlegel, D.W. AC Drives: Year 2000 (Y2K) and Beyond. In Proceedings of the Fourteenth Annual IEEE Applied Power Electronics Conference and Exposition, Dallas, TX, USA, 14–18 March 1999. [Google Scholar]
- Liu, K.; Zhang, Q.; Chen, J.; Zhu, Z.Q.; Zhang, J. Online multiparameter estimation of nonsalient-pole PM synchronous machines with temperature variation tracking. IEEE Trans. Ind. Appl. 2011, 58, 1776–1788. [Google Scholar] [CrossRef]
- Boileau, T.; Leboeuf, N.; Nahid-Mobarakeh, B.; Meibody-Tabar, F. Online identification of PMSM parameters: Parameter identifiability and estimator comparative study. IEEE Trans. Ind. Appl. 2011, 47, 1944–1957. [Google Scholar] [CrossRef]
- Liang, D.; Li, J.; Qu, R.; Kong, W. Adaptive second-order sliding-mode observer for PMSM sensorless control considering VSI nonlinearity. IEEE Trans. Power Electron. 2018, 33, 8994–9004. [Google Scholar] [CrossRef]
- Corradini, M.L.; Ippoliti, G.; Longhi, S.; Orlando, G. An observer based quasi sliding mode controller for Permanent-Magnet Synchronous Motors. In Proceedings of the IEEE International Symposium on Power Electronics, Electrical Drives, Automation and Motion (SPEEDAM), Pisa, Italy, 14–16 June 2010. [Google Scholar] [CrossRef]
- Corradini, M.L.; Ippoliti, G.; Longhi, S.; Marchei, D.; Orlando, G. A quasi-sliding mode observer-based controller for PMSM drives. Asian J. Control 2013, 15, 380–390. [Google Scholar] [CrossRef]
- Mercorelli, P. A Motion-Sensorless Control for Intake Valves in Combustion Engines. IEEE Trans. Ind. Electron. 2017, 64, 3402–3412. [Google Scholar] [CrossRef]


















| Methods | Advantages | Disadvantages |
|---|---|---|
| Proposed | Simple, Fast Execution Time, Dynamic Response, Insensitive to Parameter Variation, No-load Start-up, No Chattering | Poor Performance in Standstill and Very Low Speed under Load |
| HFSI (High Frequency Signal Injection) | Best at Very Low Speed, Capable of Hybridization, Independent of Motor Parameter Variations | Difficult to Implement, Noise at Medium and High Speed, Low Dynamic Performance, Large Current Harmonics, High Torque Ripple, High Electrical Losses, Saturation Problem |
| SMO (Sliding Mode Observer) | Simple, Robust, Fast Execution Time, Anti-Interference Ability, Free From Motor Parameters | Poor Performance in Standstill and Low Speed, Chattering Problem |
| ANN (Artificial Neural Network) | Learn-Based System, Easy of Training, Independent of Motor Parameters | Poor Performance in Standstill and Very Low Speed, Long Execution Time, Complex, Difficult to Implement |
© 2019 by the authors. Licensee MDPI, Basel, Switzerland. This article is an open access article distributed under the terms and conditions of the Creative Commons Attribution (CC BY) license (http://creativecommons.org/licenses/by/4.0/).
Share and Cite
Kivanc, O.C.; Ozturk, S.B. Low-Cost Position Sensorless Speed Control of PMSM Drive Using Four-Switch Inverter. Energies 2019, 12, 741. https://doi.org/10.3390/en12040741
Kivanc OC, Ozturk SB. Low-Cost Position Sensorless Speed Control of PMSM Drive Using Four-Switch Inverter. Energies. 2019; 12(4):741. https://doi.org/10.3390/en12040741
Chicago/Turabian StyleKivanc, Omer Cihan, and Salih Baris Ozturk. 2019. "Low-Cost Position Sensorless Speed Control of PMSM Drive Using Four-Switch Inverter" Energies 12, no. 4: 741. https://doi.org/10.3390/en12040741
APA StyleKivanc, O. C., & Ozturk, S. B. (2019). Low-Cost Position Sensorless Speed Control of PMSM Drive Using Four-Switch Inverter. Energies, 12(4), 741. https://doi.org/10.3390/en12040741

