Impact Transient Characteristics and Selection Method of Voltage Transformer Fuse
Abstract
1. Introduction
2. Testing and Analysis of Fuse Current Characteristics
2.1. Steady Current Characteristics
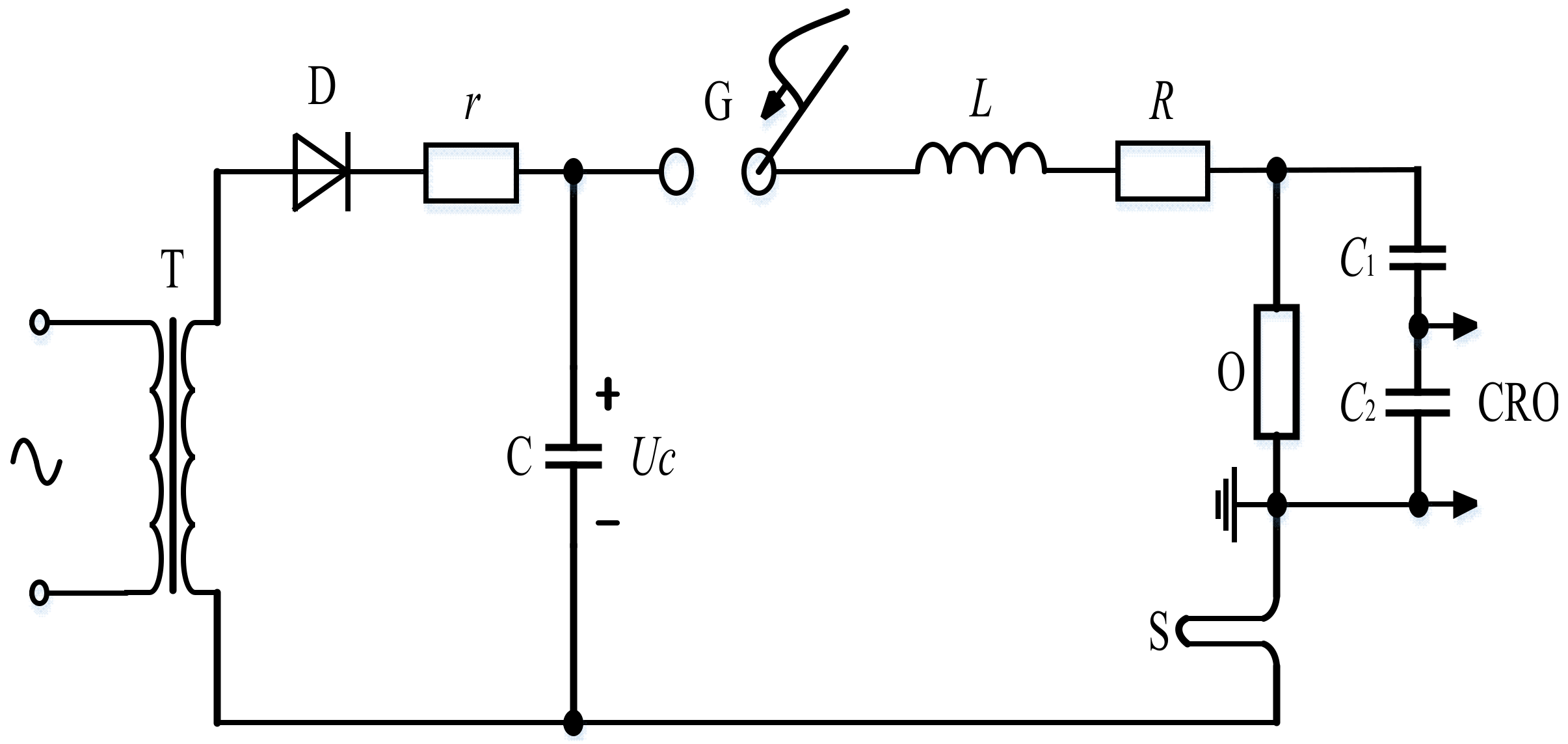
2.2. Electromagnetic Transient Impact Characteristics
3. Breaking Characteristics
4. X-Ray Examination
5. Corona Characteristics
6. Conclusions
Author Contributions
Funding
Conflicts of Interest
References
- Xie, Y.-X.; Wang, J.-M. Review of high voltage full range fuses. High Volt. Appar. 1987, 4, 50–55. [Google Scholar]
- Tanggawelu, B.; Mukerjee, R.N.; Ariffin, A.E. Ferroresonance studies in malaysian utility’s distribution network. In Proceedings of the 2003 IEEE Power Engineering Society General Meeting (IEEE Cat. No.03CH37491), Toronto, ON, Canada, 13–17 July 2003; pp. 125–128. [Google Scholar]
- Clarke, E.; Peterson, H.A.; Light, P.H. Abnormal Voltage Conditions in Three-Phase Systems Produced by Single-Phase Switching. Electr. Eng. 1941, 60, 329–339. [Google Scholar] [CrossRef]
- Iravani, M.R.; Chaudhary, A.K.S. Modeling and analysis guidelines for slow transients-part: The study of ferroresonance. IEEE Trans. Power Deliv. 2000, 15, 255–265. [Google Scholar] [CrossRef]
- Mork, B.A.; Stuehm, D.L. Application of nonlinear dynamics and chaos to ferroresonance in distribution systems. IEEE Trans. Power Deliv. 1994, 9, 1009–1017. [Google Scholar] [CrossRef]
- Li, Y.; Shi, W.; Qin, R. A systematical method for suppressing ferroresonance at neutral-grounded substations. IEEE Trans. Power Deliv. 2003, 18, 1009–1014. [Google Scholar] [CrossRef]
- Emin, Z.; Al Zahawi, B.A.T.; Auckland, D.W. Ferroresonance in electromagnetic voltage transformers: A study based on nonlinear dynamics. IEE Proc. Gener. Transm. Distrib. 1997, 144, 383–387. [Google Scholar] [CrossRef]
- Chakravarthy, S.K.; Nayar, C.V. Series ferroresonance in power systems. Int. J. Electr. Power Energy Syst. 1995, 17, 267–274. [Google Scholar] [CrossRef]
- Walling, R.A. Ferroresonance in low-loss distribution transformers. In Proceedings of the Power Engineering Society General Meeting, IEEE, 2003, Toronto, ON, Canada, 13–17 July 2003. [Google Scholar]
- Radmanesh, H.; Gharehpetian, G.B. Ferroresonance suppression in power transformers using chaos theory. Int. J. Electr. Power Energy Syst. 2013, 45, 1–9. [Google Scholar] [CrossRef]
- Nattapan, T.; Boonyang, P.; Hideaki, O. Analysis of Ferroresonance Phenomenon in 22 kV Distribution System with a Photovoltaic Source by PSCAD/EMTDC. Energies 2018, 11, 1742. [Google Scholar]
- Lin, C.; Qing, Y.; Jing, W.; Wenxia, S.M. Classification of Fundamental Ferroresonance, Single Phase-to-Ground and Wire Breakage Over-Voltages in Isolated Neutral Networks. Energies 2011, 4, 1301–1320. [Google Scholar]
- Wang, M.-Q.; Chen, W.-J.; Li, Y.-J. A countermeasure to deal with abnormal fusing of high voltage fuse for potential transformer in 35 kV oilfield power distribution system. Power Syst. Technol. 2012, 36, 283–288. [Google Scholar]
- Liang, Z.-R.; Zhao, M.-Y.; Niu, S.-S.; Liu, H.-S.; Liang, S.; Guo, Y.-C. Study on Defects and New Measures of Control Measures for Fuse Fuse of Voltage Transformer in Distribution Network. Electr. Power Autom. Equip. 2016, 36, 17–24. [Google Scholar]
- Zhou, X.-M.; Yang, Y.-H.; Tan, W.-P. Analysis of Causes of Fuse of PT High Voltage Fuse in Distribution System. Mod. Electr. Power. 2007, 24, 34–37. [Google Scholar]
- Adrian, P. Temperature Distribution of HBC Fuses with Asymmetric Electric Current Ratios through Fuselinks. Energies 2018, 11, 1990. [Google Scholar]
- Zhou, T.; Wen, Y.-F.; Mao, L.-M.; Liu, X.-F. High-voltage current-limiting fuse with EMTP/ATP. High Volt. Eng. 2007, 10, 37–40. [Google Scholar]
- Wu, A.Y.; Yin, Y. Fault-current limiter applications in medium and high-voltage power distribution systems. IEEE Trans. Ind. Appl. 1998, 34, 236–242. [Google Scholar] [CrossRef]
- Fortin, M. Characteristics of High-Voltage Current-Limiting Fuses for Distribution Systems. IEEE Trans. Power Appar. Syst. 1982, PAS-101, 2056–2060. [Google Scholar] [CrossRef]
- Wang, H.; Li, H.; Tao, G. Research and Application of 10kV Built-in High Voltage Protection Distribution Transformer. In Proceedings of the 2018 China International Conference on Electricity Distribution (CICED), Tianjin, China, 17–19 September 2018; pp. 280–284. [Google Scholar]
- Zhou, W.; Li, H.; Yi, X.; Tu, J.; Yu, J. A Criterion for UV Detection of AC Corona Inception in a Rod-plane Air Gap. IEEE Trans. Dielectr. Electr. Insul. 2011, 18, 232–237. [Google Scholar] [CrossRef]
- Wang, S.; Lv, F.; Liu, Y. Estimation of discharge magnitude of composite insulator surface corona discharge based on ultraviolet imaging method. IEEE Trans. Dielectr. Electr. Insul. 2014, 21, 1697–1704. [Google Scholar] [CrossRef]
- Li, Z.; Li, L.; Jiang, X.; Hu, J.; Zhang, Z.; Zhang, W. Effects of Different Factors on Electrical Equipment UV Corona Discharge Detection. Energies 2016, 9, 369. [Google Scholar] [CrossRef]


















| Fuse Number | F1 | F2 | F3 | F4 | F5 | F6 | F7 |
|---|---|---|---|---|---|---|---|
| Main component | Cu | Cu | Cu | Cu | Ag | Ag | Ni |
© 2019 by the authors. Licensee MDPI, Basel, Switzerland. This article is an open access article distributed under the terms and conditions of the Creative Commons Attribution (CC BY) license (http://creativecommons.org/licenses/by/4.0/).
Share and Cite
Wang, K.; Liu, H.; Yang, Q.; Yin, L.; Huang, J. Impact Transient Characteristics and Selection Method of Voltage Transformer Fuse. Energies 2019, 12, 737. https://doi.org/10.3390/en12040737
Wang K, Liu H, Yang Q, Yin L, Huang J. Impact Transient Characteristics and Selection Method of Voltage Transformer Fuse. Energies. 2019; 12(4):737. https://doi.org/10.3390/en12040737
Chicago/Turabian StyleWang, Ke, Hongwen Liu, Qing Yang, Lu Yin, and Jisheng Huang. 2019. "Impact Transient Characteristics and Selection Method of Voltage Transformer Fuse" Energies 12, no. 4: 737. https://doi.org/10.3390/en12040737
APA StyleWang, K., Liu, H., Yang, Q., Yin, L., & Huang, J. (2019). Impact Transient Characteristics and Selection Method of Voltage Transformer Fuse. Energies, 12(4), 737. https://doi.org/10.3390/en12040737
