A Study on the Performance of a Cascade Heat Pump for Generating Hot Water
Abstract
1. Introduction
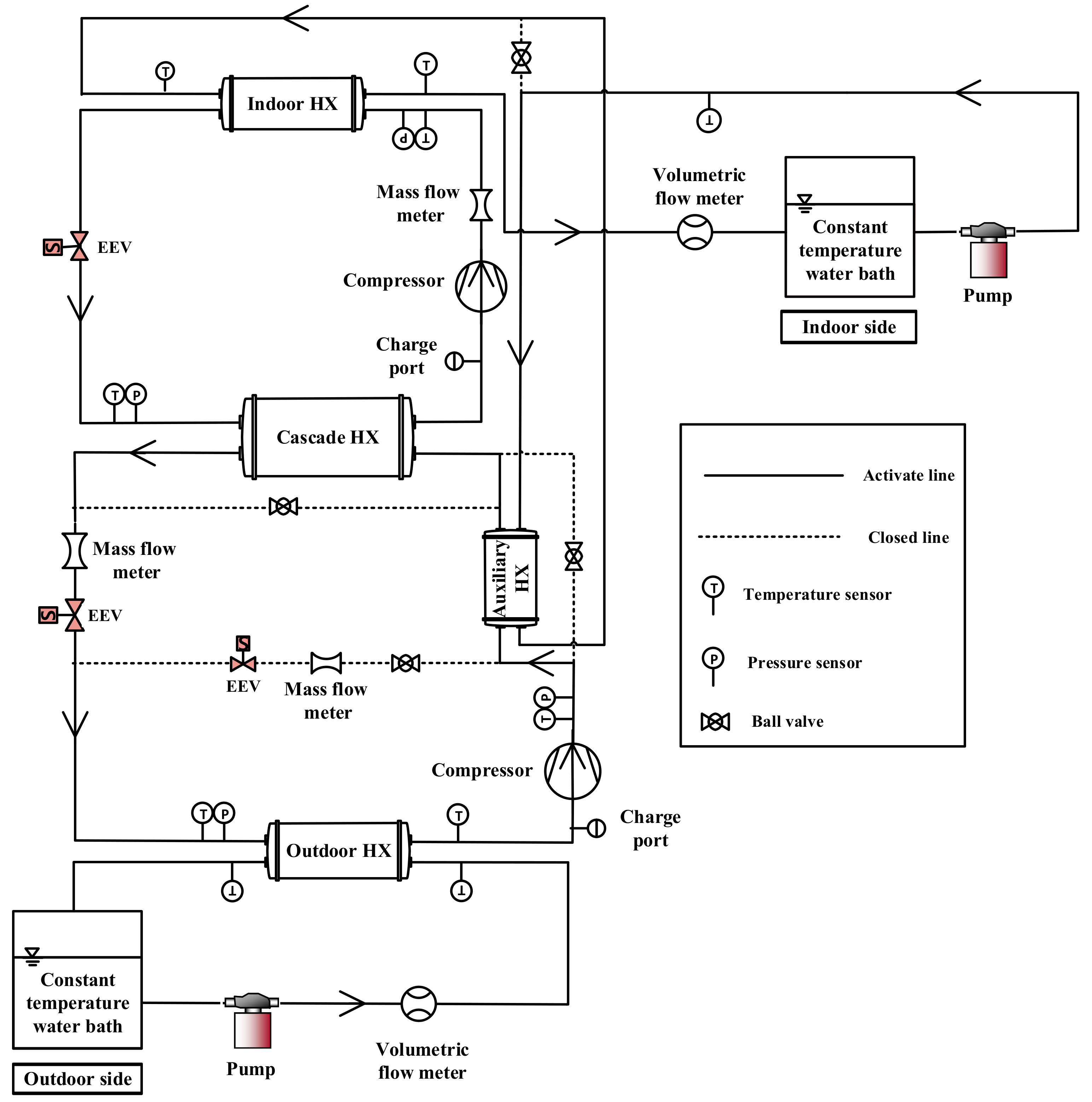
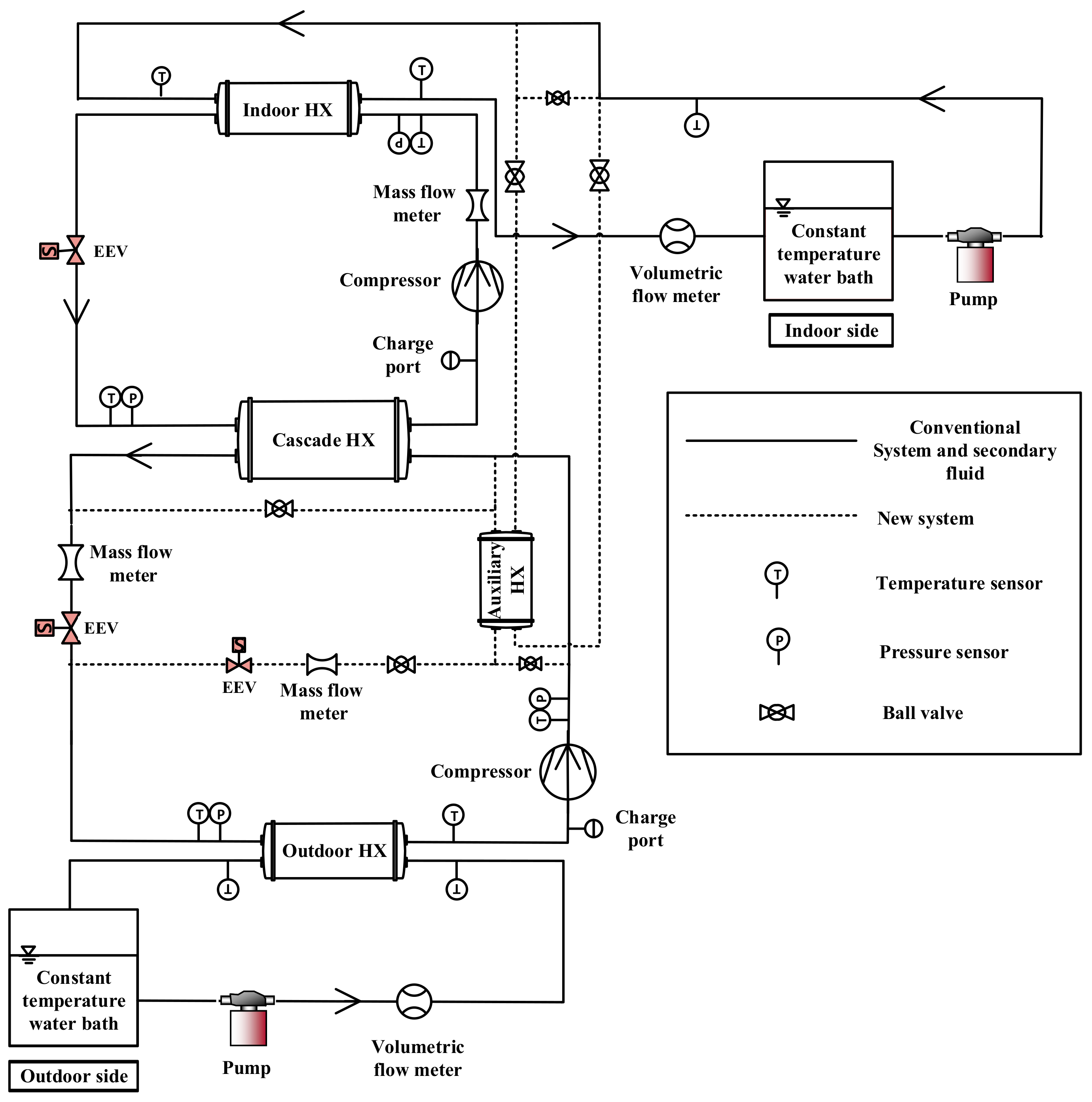
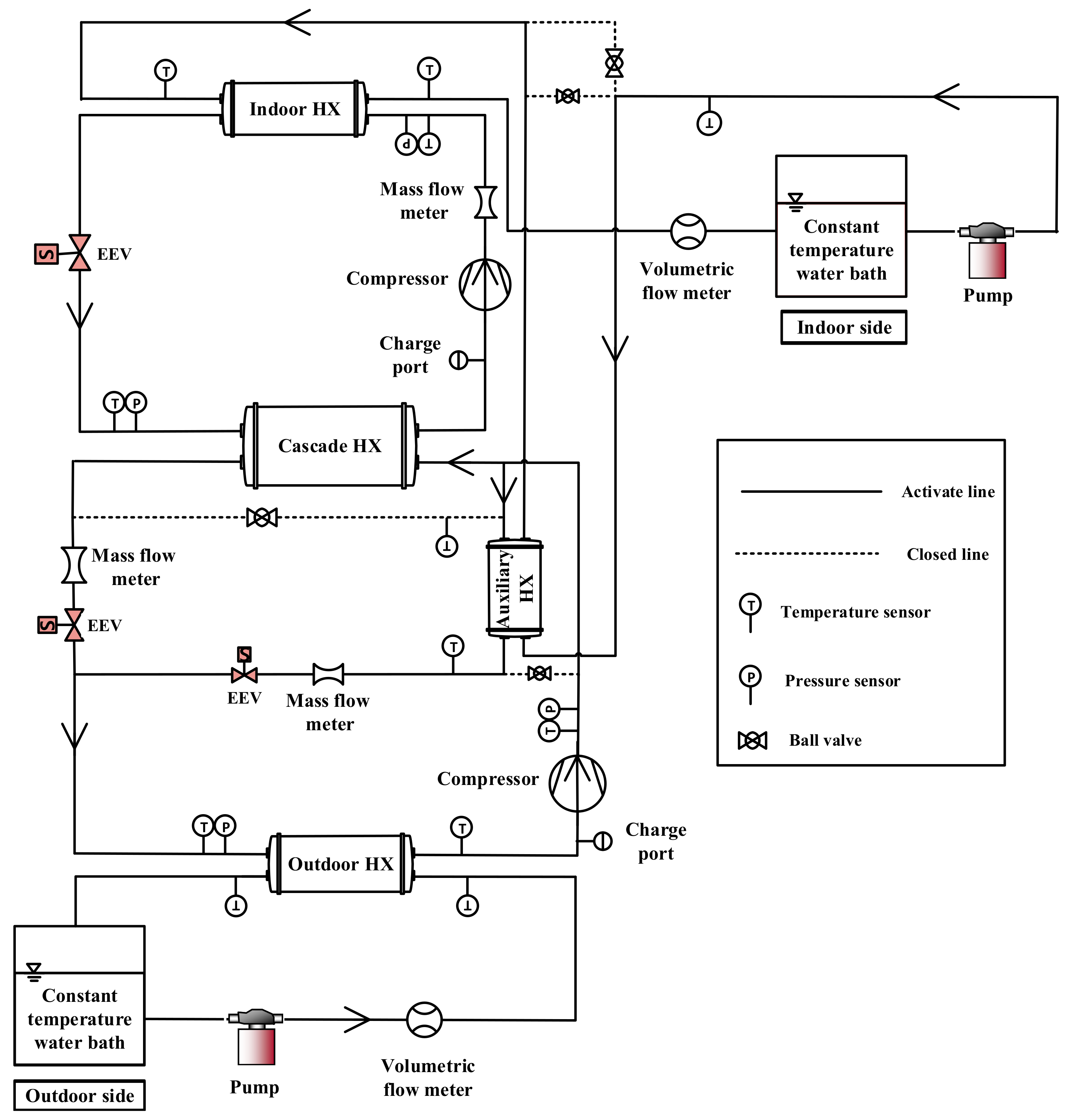
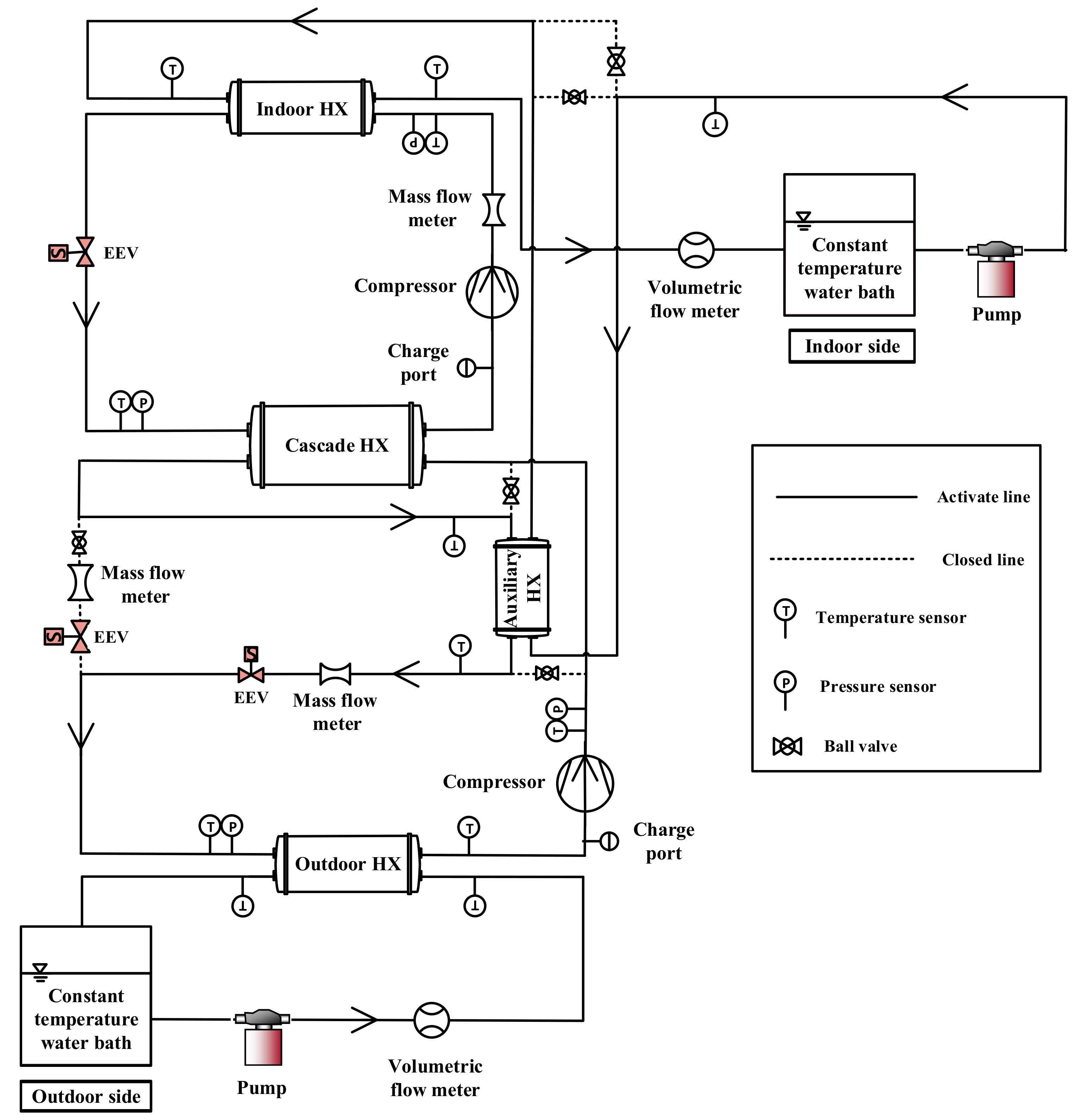
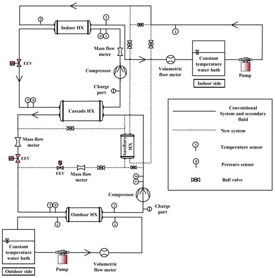
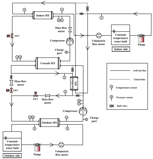
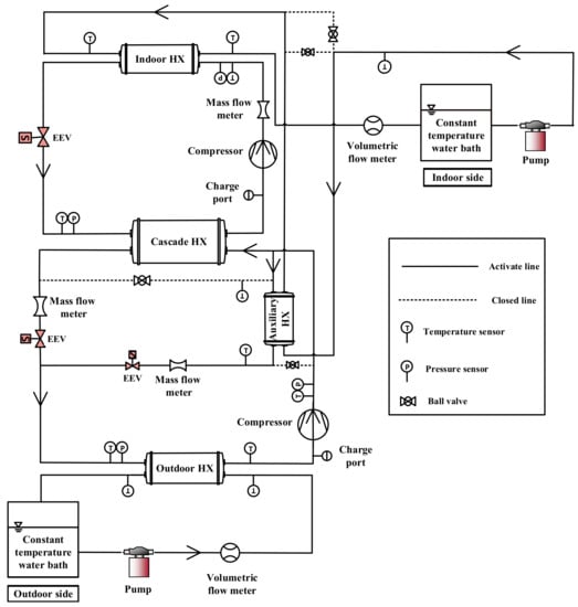
2. Experimental Setup and Test Procedure
3. Results and Discussions
3.1. Performance Characteristics of New Cascade Heat Pump Cycles
3.2. Performance Comparison between Conventional Cascade Heat Pump Cycle and New Cascade Heat Pump Cycle with AHX in Desuperheater Position
4. Conclusions
Author Contributions
Funding
Acknowledgments
Conflicts of Interest
Nomenclature
| AHX | Auxiliary heat exchanger | 
| COP | Coefficient of performance | 
| Specific heat (kJ/kgC) | |
| DSH | Desuperheater | 
| EEV | Electronic expansion valve | 
| EWT | Entering water temperature ( | 
| HS | High stage | 
| HX | Heat exchanger | 
| ID | Indoor | 
| LS | Low stage | 
| LWT | Leaving water temperature ( | 
| Volumetric flow rate ( | |
| OD | Outdoor | 
| Q | Heating capacity (kW) | 
| RTD | Resistance temperature detector | 
| SFFR | Secondary fluid flow rate (LPM) | 
| T | Temperature( | 
| U | Uncertainty | 
| W | Power consumption (kW) | 
| Nominal value of variable | |
| Subscript | |
| comp | Compressor | 
| cond | Condenser | 
| evap pump  | Evaporator Pump  | 
| Greek | |
| Density ( | 
References
- Chua, K.J.; Chou, S.; Yang, W.M. Advances in heat pump systems: A review. Appl. Energy 2010, 87, 3611–3624. [Google Scholar] [CrossRef]
 - Heo, J.; Jeong, M.W.; Baek, C.; Kim, Y. Comparison of the heating performance of air-source heat pumps using various types of refrigerant injection. Int. J. Refrig. 2010, 34, 444–453. [Google Scholar] [CrossRef]
 - Aikins, K.A.; Lee, S.; Choi, J.M. Technology review of two-stage vapor compression heat pump system. Int. J. Air. Cond. Refrig. 2013, 21, 1330002. [Google Scholar] [CrossRef]
 - Jung, H.W.; Kang, H.; Yoon, W.J.; Kim, Y. Performance comparison between a single-stage and a cascade multi-functional heat pump for both air heating and hot water supply. Int. J. Refrig. 2013, 36, 1431–1441. [Google Scholar] [CrossRef]
 - Kim, D.H.; Kim, M.S. The effect of water temperature lift on the performance of cascade heat pump system. Appl. Therm. Eng. 2014, 64, 273–282. [Google Scholar] [CrossRef]
 - Fiora, J.J.; Lima, C.U.; Junior, V.S. Theoritic-experimental evaluation of a cascade refrigeration system for low temperature applications using the pair R22/R404A. Therm. Eng. 2012, 11, 7–14. [Google Scholar]
 - Sachdeva, G.; Jain, V.; Kachhwaha, S.S. Performance study of cascade refrigeration system using alternative refrigerants. Int. Sch. Sci. Res. Innov. 2014, 8, 522–528. [Google Scholar]
 - Park, H.; Kim, D.H.; Kim, M.S. Thermodynamic analysis of optimal intermediate temperatures in R134a-R410A cascade refrigeration systems and its experimental verification. Appl. Therm. Eng. 2013, 54, 319–327. [Google Scholar] [CrossRef]
 - Sarker, J.; Bhattacharyya, S.; Lal, A. Selection of suitable natural refrigerant pairs for cascade refrigeration system. Inst. Mech. Eng. Part A J. Power Energy 2013, 227, 612–622. [Google Scholar] [CrossRef]
 - Jadhav, J.S.; Apte, A.D. Review of cascade refrigeration system with different refrigerant pairs. Int. J. Innov. Eng. Res. Technol. 2015, 2, 74–81. [Google Scholar]
 - Wu, J.; Yang, Z.; Wu, Q.; Zhu, Y. Transient behavior and dynamic performance of cascade heat pump water heater with thermal storage system. Appl. Energy 2012, 91, 187–196. [Google Scholar] [CrossRef]
 - Park, H.; Kim, D.H.; Kim, M.S. Performance investigation of a cascade heat pump water heating system with a quasi-steady state analysis. Energy 2013, 63, 283–294. [Google Scholar] [CrossRef]
 - Kim, D.H.; Park, H.S.; Kim, M.S. Optimal temperature between high and low stage cycles for R134a/R410A cascade heat pump based water heater system. Exp. Therm. Fluid Sci. 2013, 47, 172–179. [Google Scholar] [CrossRef]
 - Nenkaew, P.; Tangthien, C. A study of Transient Performance of A Cascade Heat Pump System. In Proceedings of International Conference on Alternative Energy in Developing Countries and Emerging Economies. Energy Procedia 2015, 79, 131–136. [Google Scholar] [CrossRef][Green Version]
 - Soltani, R.; Dincer, I.; Rosen, M.A. Comparative performance evaluation of cascaded air-source hydronic heat pumps. Energy Convers. Manag. 2015, 89, 577–587. [Google Scholar] [CrossRef]
 - Tarrad, A.H. Perspective Performance Evaluation Technique for a Cascade Heat Pump Plant Functions at Low Temperature Heat Source. International Journal of Economy. Energy Environ. 2017, 2, 13–24. [Google Scholar]
 - Qu, M.; Fan, Y.; Chen, J.; Li, T.; Li, Z.; Li, H. Experimental study of a control strategy for a cascade air source heat pump water heater. Appl. Therm. Eng. 2017, 110, 835–843. [Google Scholar] [CrossRef]
 - Ma, X.; Zhang, Y.; Li, X.; Zou, H.; Deng, N.; Nie, J.; Yu, X.; Dong, S.; Li, W. Experimental study for a high efficiency cascade heat pump water heater system using a new near-zeotropic refrigerant mixture. Appl. Therm. Eng. 2018, 138, 783–794. [Google Scholar] [CrossRef]
 - Boahen, S.; Choi, J.M. Research trend of cascade heat pumps. Sci. China Technol. Sci. 2017, 60, 1597–1615. [Google Scholar] [CrossRef]
 - International Standard. Water-Source Heat Pumps-Testing and Rating for Performance Part 2 Water-to-Water and Brine-to-Water Heat Pumps; ISO 13256-2; International Standard: Geneva, Switzerland, 1998. [Google Scholar]
 - ASHRAE. ASHRAE Guideline 2. Engineering Analysis of Experimental Data; ASHRAE: Atlanta, GA, USA, 1986. [Google Scholar]
 



























| Component | Manufacturer | Type | Specification | 
|---|---|---|---|
| LS compressor | Siam compressor industry | Scroll | 3.5 kW | 
| HS compressor | Siam compressor industry | Scroll | 3.5 kW | 
| LS expansion device | Parker Hannifin | EEV | Step motor driven | 
| HS expansion device | Parker Hannifin | EEV | Step motor driven | 
| ID HX | DOOIL | Double tube heat exchanger | 3.5 kW | 
| OD HX | DOOIL | Double tube heat exchanger | 3.5 kW | 
| Cascade HX | DOOIL | Double tube heat exchanger | 3.5 kW | 
| Parameter | Conventional Cycle | AHX as Desuperheater | AHX in Heater and Parallel Positions | 
|---|---|---|---|
| ID WATER BATH LWT () | 55 | 55 | 55 | 
| OD EWT () | −5, 0, 5, 10 | −5, 0, 5, 10 | −5, 0 | 
| OD HX SFFR (LPM) | 8 | 8 | 8 | 
| ID HX SFFR (LPM) | 8 | 8 | 8 | 
| LS/HS EEV | Adjusted | Adjusted | Adjusted | 
| Sensor | Accuracy | 
|---|---|
| Thermocouples | ±0.2 | 
| Pressure transducer | ±0.06% | 
| Mass flow meter | ±0.1% | 
| Power meter | ±0.1% | 
| Volumetric flow meters | ±0.5% | 
| RTD sensors | ±0.15 | 
© 2019 by the authors. Licensee MDPI, Basel, Switzerland. This article is an open access article distributed under the terms and conditions of the Creative Commons Attribution (CC BY) license (http://creativecommons.org/licenses/by/4.0/).
Share and Cite
Boahen, S.; Choi, J.M. A Study on the Performance of a Cascade Heat Pump for Generating Hot Water. Energies 2019, 12, 4313. https://doi.org/10.3390/en12224313
Boahen S, Choi JM. A Study on the Performance of a Cascade Heat Pump for Generating Hot Water. Energies. 2019; 12(22):4313. https://doi.org/10.3390/en12224313
Chicago/Turabian StyleBoahen, Samuel, and Jong Min Choi. 2019. "A Study on the Performance of a Cascade Heat Pump for Generating Hot Water" Energies 12, no. 22: 4313. https://doi.org/10.3390/en12224313
APA StyleBoahen, S., & Choi, J. M. (2019). A Study on the Performance of a Cascade Heat Pump for Generating Hot Water. Energies, 12(22), 4313. https://doi.org/10.3390/en12224313
        