An Effective Energy Management Strategy Based on Mine-Blast Optimization Technique Applied to Hybrid PEMFC/Supercapacitor/Batteries System
Abstract
1. Introduction
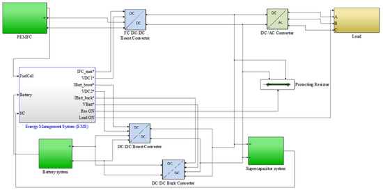
2. System Description
2.1. Fuel Cell
2.2. Battery Model
2.3. Supercapacitor (SC) Model
3. Energy Management Strategies
3.1. Fuzzy Logic Control (FLC)-Based EMS
- IF x1 is A1, …., and xn is An THEN y is B (Mamdani-type) (1)
- IF x1 is A1, …., and xn is An THEN y = f(x1, …, xn) (TSK-type) (2)
3.2. Equivalent Consumption Minimization Strategy (ECMS)
3.3. State Machine Control Strategy (SMCS)
3.4. Mine Blast Algorithm (MBA)
4. Results and Discussion
5. Conclusions
Author Contributions
Funding
Acknowledgments
Conflicts of Interest
References
- Central Intelligence Agency. The World Factbook; Central Intelligence Agency: Washington, DC, USA, 2017.
- Fathy, A.; Rezk, H. Multi-verse optimizer for identifying the optimal parameters of PEMFC model. Energy 2018, 143, 634–644. [Google Scholar] [CrossRef]
- Rezk, H.; Dousoky, G.M. Technical and economic analysis of different configurations of stand-alone hybrid renewable power systems—A case study. Renew. Sustain. Energy Rev. 2016, 62, 941–953. [Google Scholar] [CrossRef]
- Sakhare, A.; Davari, A.; Feliachi, A. Fuzzy logic control of fuel cell for stand-alone and grid connection. J. Power Sources 2004, 135, 165–176. [Google Scholar] [CrossRef]
- Tekin, M.; Hissel, D.; Pera, M.C.; Kauffmann, J.M. Energy management strategy for embedded fuel cell system using fuzzy logic. In Proceedings of the 2004 IEEE International Symposium on Industrial Electronics, Ajaccio, France, 4–7 May 2004; Volume 1, pp. 501–506. [Google Scholar]
- Tekin, M.; Hissel, D.; Pera, M.C.; Kauffmann, J.M. Energy-Management Strategy for Embedded Fuel-Cell Systems Using Fuzzy Logic. IEEE Trans. Ind. Electron. 2007, 54, 595–603. [Google Scholar] [CrossRef]
- Jeong, K.-S.; Lee, W.-Y.; Kim, C.-S. Energy management strategies of a fuel cell/battery hybrid system using fuzzy logics. J. Power Sources 2005, 145, 319–326. [Google Scholar] [CrossRef]
- Gao, D.; Jin, Z.; Lu, Q. Energy management strategy based on fuzzy logic for a fuel cell hybrid bus. J. Power Sources 2008, 185, 311–317. [Google Scholar] [CrossRef]
- Kisacikoglu, M.C.; Uzunoglu, M.; Alam, M.S. Load sharing using fuzzy logic control in a fuel cell/ultracapacitor hybrid vehicle. Int. J. Hydrogen Energy 2009, 34, 1497–1507. [Google Scholar] [CrossRef]
- Han, J.; Park, Y.; Kum, D. Optimal adaptation of equivalent factor of equivalent consumption minimization strategy for fuel cell hybrid electric vehicles under active state inequality constraints. J. Power Sources 2014, 267, 491–502. [Google Scholar] [CrossRef]
- Zhang, W.; Li, J.; Xu, L.; Ouyang, M. Optimization for a fuel cell/battery/capacity tram with equivalent consumption minimization strategy. Energy Convers. Manag. 2017, 134, 59–69. [Google Scholar] [CrossRef]
- Torreglosa, J.P.; Jurado, F.; Garcıa, P.; Fernandez, L.M. Hybrid fuel cell and battery tramway control based on an equivalent consumption minimization strategy. Control Eng. Pract. 2011, 19, 1182–1194. [Google Scholar] [CrossRef]
- Fleuren, M.; Romijn, T.; Donkers, M. An equivalent consumption minimisation strategy based on 1-step look-ahead stochastic dynamic programming. In Proceedings of the 4th IFAC Workshop on Engine and Powertrain Control, Simulation and Modeling (E-COSM 2015), Columbus, OH, USA, 23–26 August 2015; pp. 72–77. [Google Scholar]
- Zhang, G.; Chen, W.; Yu, J.; Li, Q. Study on equivalent consumption minimization strategy for fuel cell hybrid tramway. In Proceedings of the IEEE Transportation and Electrification Conference and Expo, Asia-Pacific, Harbin, China, 7–10 August 2017. [Google Scholar]
- Hofman, T.; Steinbuch, M.; van Druten, R.; Serrarens, A. Rule-based equivalent fuel consumption minimization strategies for hybrid vehicles. In Proceedings of the 17th World Congress International Federation of Automatic Control, Seoul, Korea, 6–11 July 2008; pp. 5652–5657. [Google Scholar]
- Zheng, C.; Oh, C.; Park, Y.; Cha, S. Fuel economy evaluation of fuel cell hybrid vehicles based on equivalent fuel consumption. Int. J. Hydrogen Energy 2012, 37, 1790–1796. [Google Scholar] [CrossRef]
- Fernandez, L.M.; Garcia, P.; Garcia, C.A.; Jurado, F. Comparison of control schemes for a fuel cell hybrid tramway integrating two dc/dc converters. Int. J. Hydrogen Energy 2010, 3, 5731–5744. [Google Scholar] [CrossRef]
- Attaianese, C.; di Monaco, M.; Tomasso, G. Power Control for Fuel-Cell–Supercapacitor Traction Drive. IEEE Trans. Veh. Technol. 2012, 61, 1961–1971. [Google Scholar] [CrossRef]
- Li, Q.; Yang, H.; Han, Y.; Li, M.; Chen, W. A state machine strategy based on droop control for an energy management system of PEMFC-battery-supercapacitor hybrid tramway. Int. J. Hydrogen Energy 2016, 41, 16148–16159. [Google Scholar] [CrossRef]
- Lee, J.H.; Lalk, T.R.; Appleby, A.J. Modeling electrochemical performance in large scale proton exchange membrane fuel cell stacks. J. Power Sources 1998, 70, 258–268. [Google Scholar] [CrossRef]
- Ramos-Paja, C.A.; Giral, R.; Martinez-Salamero, L.; Romano, J.; Romero, A.; Spagnuolo, G. A PEM Fuel-Cell Model Featuring Oxygen-Excess-Ratio Estimation and Power-Electronics Interaction. IEEE Trans. Ind. Electron. 2010, 57, 1914–1924. [Google Scholar] [CrossRef]
- García, P.; Torreglosa, J.P.; Fernandez, L.M.; Jurado, F. Viability study of a FC-battery-SC tramway controlled by equivalent consumption minimization strategy. Int. J. Hydrogen Energy 2012, 37, 9368–9382. [Google Scholar] [CrossRef]
- Tremblay, O.; Dessaint, L.-A. Experimental Validation of a Battery Dynamic Model for EV Applications. World Electr. Veh. J. 2009, 3, 289–298. [Google Scholar] [CrossRef]
- Oldham, K. A Gouy–Chapman–Stern model of the double layer at a (metal)/(ionic liquid) interface. J. Electroanal. Chem. 2008, 613, 131–138. [Google Scholar] [CrossRef]
- Amokrane, S. Microscopic Description of the Electrode Surface and Double Layer Capacity at the Electrode/solution Interface. Electrochim. Acta 1996, 41, 2097–2105. [Google Scholar] [CrossRef]
- Nassef, A.M.; Sayed, E.T.; Rezk, H.; Abdelkareem, M.A.; Rodriguez, C.; Olabi, A.G. Fuzzy-modeling with Particle Swarm Optimization for enhancing the production of biodiesel from Microalga. Energy Sour. Part A Recovery Utiliz. Environ. Eff. 2019, 41, 2094–2103. [Google Scholar] [CrossRef]
- Mamdani, E.H.; Assilian, S. An Experiment in Linguistic Synthesis with a Fuzzy Logic Controller. Int. J. Man Mach. Stud. 1975, 7, 1–15. [Google Scholar] [CrossRef]
- Takagi, T.; Sugeno, M. Fuzzy identification of systems and its applications to modelling and control. IEEE Trans. Syst. 1985, 15, 116–132. [Google Scholar]
- Njoya, M.; Louis, A.D.; Kamal, A.H. A comparative study of energy management schemes for a fuel-cell hybrid emergency power system of more-electric aircraft. IEEE Trans. Ind. Electron. 2004, 61, 1320–1334. [Google Scholar] [CrossRef]
- Sadollah, A.; Bahreininejad, A.; Eskandar, H.; Hamdi, M. Mine blast algorithm: A new population based algorithm for solving constrained engineering optimization proble. Appl. Soft Comput. 2013, 13, 2592–2612. [Google Scholar] [CrossRef]














| SOC | ||||
|---|---|---|---|---|
| High | Medium | Low | ||
| Pload | Very Low | Very Low | Very Low | Low |
| Low | Low | Low | Medium | |
| Medium | Medium | Medium | High | |
| High | High | High | High | |
© 2019 by the authors. Licensee MDPI, Basel, Switzerland. This article is an open access article distributed under the terms and conditions of the Creative Commons Attribution (CC BY) license (http://creativecommons.org/licenses/by/4.0/).
Share and Cite
Nassef, A.M.; Fathy, A.; Rezk, H. An Effective Energy Management Strategy Based on Mine-Blast Optimization Technique Applied to Hybrid PEMFC/Supercapacitor/Batteries System. Energies 2019, 12, 3796. https://doi.org/10.3390/en12193796
Nassef AM, Fathy A, Rezk H. An Effective Energy Management Strategy Based on Mine-Blast Optimization Technique Applied to Hybrid PEMFC/Supercapacitor/Batteries System. Energies. 2019; 12(19):3796. https://doi.org/10.3390/en12193796
Chicago/Turabian StyleNassef, Ahmed M., Ahmed Fathy, and Hegazy Rezk. 2019. "An Effective Energy Management Strategy Based on Mine-Blast Optimization Technique Applied to Hybrid PEMFC/Supercapacitor/Batteries System" Energies 12, no. 19: 3796. https://doi.org/10.3390/en12193796
APA StyleNassef, A. M., Fathy, A., & Rezk, H. (2019). An Effective Energy Management Strategy Based on Mine-Blast Optimization Technique Applied to Hybrid PEMFC/Supercapacitor/Batteries System. Energies, 12(19), 3796. https://doi.org/10.3390/en12193796
