Next Article in Journal
Towards the Development of Syngas/Biomethane Electrolytic Production, Using Liquefied Biomass and Heterogeneous Catalyst
Previous Article in Journal
Enhancement of Mist Flow Cooling by Using V-Shaped Broken Ribs
 
 
Font Type:
Arial Georgia Verdana
Font Size:
Aa Aa Aa
Line Spacing:
Column Width:
Background:
Article

High-efficiency Bidirectional Buck–Boost Converter for Residential Energy Storage System

1
Department of Electrical Engineering, Pohang University of Science and Technology, Pohang, Kyungpook 37673, Korea
2
LG Electronics Co., Ltd., Energy Business Center, 168 Suchul-daero, Gumi, Kyungpook 39368, Korea
*
Author to whom correspondence should be addressed.
Energies 2019, 12(19), 3786; https://doi.org/10.3390/en12193786
Submission received: 9 September 2019 / Revised: 27 September 2019 / Accepted: 2 October 2019 / Published: 6 October 2019
(This article belongs to the Section A1: Smart Grids and Microgrids)

Abstract

:
This paper proposes a bidirectional dc–dc converter for residential micro-grid applications. The proposed converter can operate over an input voltage range that overlaps the output voltage range. This converter uses two snubber capacitors to reduce the switch turn-off losses, a dc-blocking capacitor to reduce the input/output filter size, and a 1:1 transformer to reduce core loss. The windings of the transformer are connected in parallel and in reverse-coupled configuration to suppress magnetic flux swing in the core. Zero-voltage turn-on of the switch is achieved by operating the converter in discontinuous conduction mode. The experimental converter was designed to operate at a switching frequency of 40–210 kHz, an input voltage of 48 V, an output voltage of 36–60 V, and an output power of 50–500 W. The power conversion efficiency for boost conversion to 60 V was ≥98.3% in the entire power range. The efficiency for buck conversion to 36 V was ≥98.4% in the entire power range. The output voltage ripple at full load was <3.59 Vp.p for boost conversion (60 V) and 1.35 Vp.p for buck conversion (36 V) with the reduced input/output filter. The experimental results indicate that the proposed converter is well-suited to smart-grid energy storage systems that require high efficiency, small size, and overlapping input and output voltage ranges.

Graphical Abstract

1. Introduction

Distributed generation (DG) is the future of energy systems that provide system reliability and flexibility within local electric loads instead of centralized generation. DG mainly uses renewable energy sources, which provide irregular power depending on weather conditions. Therefore, to stabilize the power, DG (Figure 1) requires an energy storage system (ESS) consisting of a battery and a bidirectional converter (BDC) [1,2,3,4,5]. BDC is essential for the ESS because it needs to be able to charge the battery with the power supplied from DG and to transfer energy from the battery to the grid when the DG runs out of power.
The basic BDCs mainly use the combined half-bridge (CHB) and the cascade buck–boost (CBB) structures (Figure 2). The CHB converter (Figure 2a) has two power stages consisting of two half-bridge converters and a dc link capacitor Clink that operates as an energy-transfer unit [6,7,8]. One power stage performs the buck operation and the other stage performs the boost operation. An additional half-bridge converter can be connected to the Clink in order to use the converter as multiple inputs or outputs. The CBB converter [9,10,11,12,13,14] (Figure 2b) consists of one inductor and four switches.
In a similar way to CHB, the switches on the left leg are used for the buck operation and the switches on the right leg are used for the boost operation. The CBB converter can be implemented in a smaller size to the CHB converter because it uses only one inductor. These converters have simple structure and control method, but they have some drawbacks because the converter must be operated in discontinuous conduction mode (DCM) at full load for zero voltage turn-on. Further, (1) if the converter is operated at a fixed frequency, the inductor reverse current increases under light load conditions, increasing conduction losses; (2) the current ripple in the inductor causes core loss and increases output voltage ripple; and (3) the high-frequency operation of the converter is undesirable because the turn-off switching loss is significantly increased when the converter is not operating in DCM.
The converter of [15] used an inverse coupled 1:1 transformer and pulse-frequency modulation to solve the above problems. The converter consists of a 1:1 transformer, a dc-blocking capacitor Cb, a snubber capacitor Cs, and two switches SW1 and SW2 (Figure 3). The windings of the transformer are connected in a series-aiding configuration to minimize ripple of the magnetizing current iLm, which causes major core losses. Cs reduces the switching loss by lowering the turn-on and turn-off slopes of the switch voltages. The converter of [15] can improve the efficiency and operate at high switching frequency because the 1:1 transformer and Cs reduce the core loss and switching loss.
However, despite these advantages, the converter of [15] is difficult to use in ESSs. The circuit of [15] assumes VH > VL—that is, that the direction of the buck conversion is from left to right and the direction of the boost conversion is from right to left. Therefore, this converter cannot be used when the input voltage range overlaps with the output voltage range. A typical PV–ESS system for home applications has been built using PV panels with an operating voltage range of 25–50 V [16,17,18] and batteries with an operating voltage range of 42–58.8 V [19,20,21]. For a given solar irradiation dose, the converter of the PV–ESS system adjusts the switching duty D to convert the PV voltage VPV = VIN to the battery charge voltage Vbat = VO. For the buck conversion, VPV decreases as D increases because the converter draws more current from the input filter capacitor CIN. The photovoltaic power PPV increases as VPV decreases until VPV reaches the maximum power point (MPP) voltage VMPP (Figure 4); further reduction of VPV reduces PPV. MPP moves when the solar irradiation on the PV panel changes. For VMPP < Vbat < VOC, the range of the maximum power point tracking (MPPT) operation for the circuit of [15] is limited to Vbat < VPV < VOC (Figure 4a). When 25 V < VPV < 50 V and 42 V < Vbat < 58.8 V (i.e., the general operation range of PV–ESS), the circuit of [15] has to use three series-connected PV panels and one battery for buck mode operation, or one PV panel and two-series connected batteries for boost mode operation. Serially connected batteries have a balancing problem. Separate MPPT control is not possible for serially connected PV panels, which means that optimum MPPT efficiency cannot be achieved.
To improve the aforementioned drawbacks of the existing converters, this paper proposes a CBB BDC circuit structure that is suitable for use in ESS for distributed generation. The proposed CBB BDC (Figure 5) uses the CBB BDC circuit in [10] as a basic structure, reduces the core loss by using a 1:1 transformer, decreases switching losses by using two small snubber capacitors Cs1 and Cs2, and reduces filter size by using a dc-blocking capacitor CB. Unlike the converter of [15], the proposed converter can have a MPPT range of 0 < VPV < VOC, regardless of Vbat (Figure 4b), because the proposed CBB BDC works well for both VIN > VO and VINVO. Therefore, the proposed circuit is suitable for PV–ESS, which requires high efficiency in the condition of overlapping input and output range. The circuit is controlled using pulse-frequency modulation (PFM) combined with pulse-width modulation (PWM), the load variation is accommodated using PFM, and the voltage gain is adjusted using PWM. The circuit structure, principle of operation, and design considerations of the proposed circuit are described in Section 2. A digital controller is given in Section 3. Experimental results are given in Section 4. Conclusions are given in Section 5.

2. Proposed Cascade Buck–Boost Bidirectional DC–DC Converter

2.1. Circuit Structure

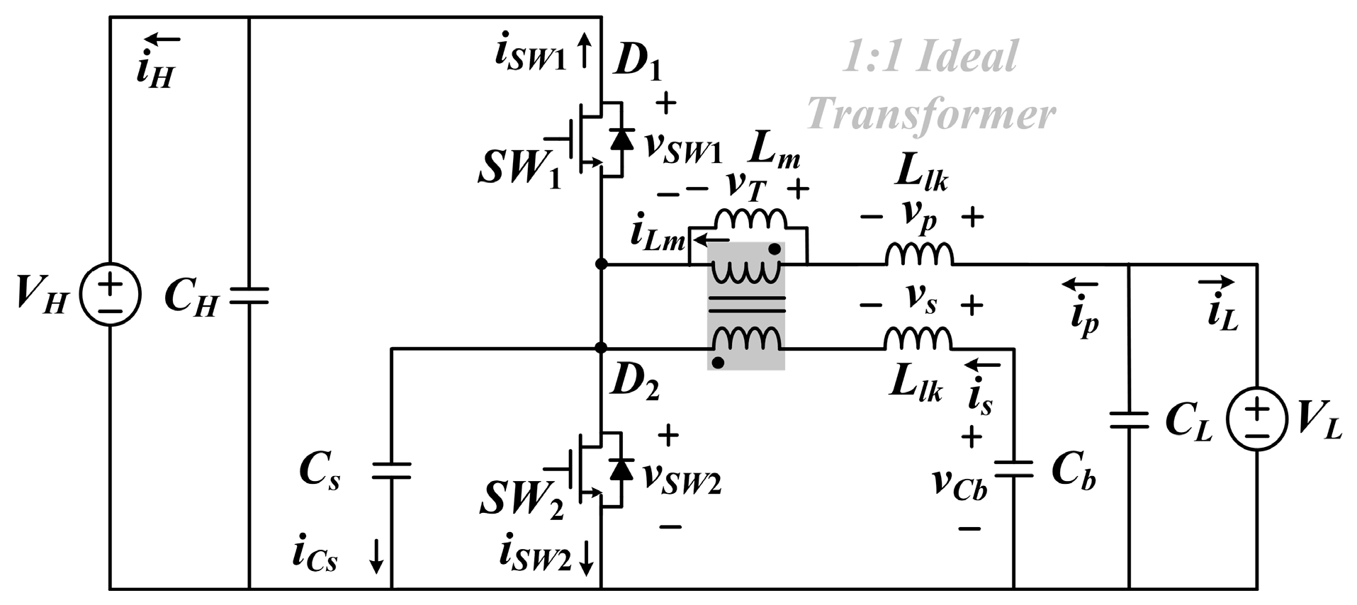
The proposed CBB BDC (Figure 5) is composed of a 1:1 transformer; three capacitors Cs1, Cs2, and CB; and four switches SW1SW4. The transformer replaces the boost/buck inductor L in the conventional CBB BDC (Figure 2b), and it is modeled with a 1:1 ideal transformer, a magnetizing inductance Lm, and two leakage inductances Lik that have the same value. To minimize ripple in the magnetizing current iLm, which causes major core losses, the windings of transformer are connected in parallel and in reverse-coupling configuration. In this configuration, iLm = 0 because the primary current ip of the 1:1 transformer equals the secondary current is. Cs1 and Cs2 reduce the switching loss; they charge/discharge during the switch dead-time periods that enable the switches to have zero voltage switching (ZVS) turn-on and turn-off. The switching loss is reduced significantly, so the switching frequency fs can be increased to reduce the conduction loss when load is light. CB reduces the filter size by providing a bypass path for the transformer current.

2.2. Reduction of Core Loss

When the windings of the 1:1 transformer are connected in parallel and in reverse coupling configuration [15], the transformer satisfies the following equations:
L l k d i p d t v T = L l k d i s d t + v T ,
v T = L m d i L m d t ,
i L m = i p i s .
These equations yield v T = 0 . Thus, the transformer can be represented with an equivalent inductance Le = Llk/2 (Figure 5).
The Steinmetz equation [22]
P c = a f s c B a c d V e
is used to estimate the core loss Pc, where a, c, and d are Steinmetz’s constants, Bac is the ac ripple field in the core, and Ve is the effective core volume. The inductor of the conventional CBB has
B a c = μ 0 μ e N ( I p e a k I a v r ) / l e ,
where μ 0 is the vacuum permeability, μ e = ( μ r l e ) / ( S a μ r + l e ) is the effective relative permeability, le is the mean magnetic path length, Sa is the air-gap length, Ipeak is the peak current, and Iavr is the average current.
In the 1:1 transformer of the proposed circuit, the windings are connected in parallel and in reverse-coupling configuration, so there is no magnetic flux that passes only through the core. Each winding produces flux lines that pass through the window area of the core. Since the flux passes through a much longer air path, the 1:1 transformer has a much lower μe than the inductor of the conventional CBB BDC. As discussed in Section 2.5, the experimental converter uses an inductor (or 1:1 transformer) of Le = 5.25 μH to operate at Va = 48 V, Vb = 60 V, Pb = 500 W and fS = 64 kHz. The inductor (or 1:1 transformer) was fabricated using the ETD 34 core from Magnetics Co., which has Ve = 7.64 cm3, μr = 3000, and a core-window length lw ≈ 7.5 mm. The core parameters resulted in le ≈ 3.9 cm and μe = 5 for the 1:1 transformer and le ≈ 7.8 cm and μe = 345 for the inductor, with an air gap Sa = 0.2 mm. To obtain Le = 5.25 μH, the 1:1 transformer and inductor required N = 15 and 3, respectively. These core and winding parameters resulted in Bac = 0.002 T for the 1:1 transformer and Bac = 0.25 T for the inductor, and the Steinmetz equation yielded Pc = 1 mW for the 1:1 transformer and Pc = 5.2 W for the inductor. This result shows that even with a slight increase in the winding loss, the proposed converter can significantly reduce the core loss by storing most of the magnetic energy in the window area.

2.3. Principle of Operation

The proposed converter has four switching states (Table 1) depending on directions and modes of energy conversion. For given Va and Vb, the switching state is the same for forward (VaVb) and backward (VbVa) conversions, so here the converter is analyzed for forward conversion only. To simplify analysis, fs = 1/Ts is assumed to be constant, although the converter uses PFM to accommodate for load variation.

2.3.1. Boost Forward-Conversion (Va < Vb)

For boost forward-conversion, SW1 remains ON and SW2 remains OFF. All switching cycles consist of four sequential modes, each with theoretical waveforms (Figure 6) and equivalent circuits (Figure 7).
Initially, v S W 4 = 0 V, i S W 4 < 0, and the body diode D4 of SW4 is turned on. The first mode (Mode 1, Figure 7) begins at t = t0 by turning on SW4, and ends at t = t1 by turning off SW4. The inductor current is given by
i L e ( t ) = i L e ( t 0 ) + V a L e ( t t 0 ) ,
because v L e = V a , where i L e ( t 0 ) is the initial inductor current. The filtered output current Ib = ibiCb, the unfiltered output current ib = iCB = –CBdVb/dt, and the current of the output filter capacitor iCb = Cb(dVb/dt), so
i C B ( t ) = i b ( t ) = C B C B + C b I b ,
where iCB is the current of dc-blocking capacitor CB.
The second mode (Mode 2, Figure 7) begins at t = t1 by turning off SW4. During this mode, Cs2 charges quickly from 0 V to Vb through Le. Since
i C s 2 ( t ) i L e ( t 1 ) = i L e ( t 0 ) + V a L e ( t 1 t 0 ) ,
the time required to charge Cs2 fully is
t 2 t 1 = C s 2 V b i L e ( t 0 ) + V a ( t 1 t 0 ) / L e ;
t 2 t 1 < < 2 π ( C s 2 L e ) 1 / 2 is required to prevent oscillation between Le and Cs2. Mode 2 ends at t = t2 where the body diode D3 of SW3 turns on, so ZVS of SW3 is possible.
The third mode (Mode 3, Figure 7) begins at t = t2 where D3 turns on, and SW3 turns on subsequently. Here, i L e ( t 1 ) i L e ( t 2 ) , v S W 4 = V b , and v L e = V a V b , so i L e ( t ) is given by
i L e ( t ) = i L e ( t 1 ) + ( V a V b ) L e ( t t 2 ) .
i C B and i b are calculated using i b = i L e + i C B = i C b + I b and i C b = C b i C B / C B as:
i C B ( t ) = C B C B + C b [ I b i L e ( t ) ] ,
i b ( t ) = C b C B + C b i L e ( t ) + C B C B + C b I b .
Mode 3 ends at t = t3 by turning off SW3.
The last mode (Mode 4, Figure 7) begins at t = t3. During this mode, Cs2 discharges quickly from Vb to 0 V by i L e . Since
i C s 2 ( t ) i L e ( t 3 ) = i L e ( t 1 ) + ( V a V b ) L e ( t 3 t 2 ) ,
the time required to charge Cs2 fully is
t 4 t 3 = C s 2 V b i L e ( t 1 ) + ( V a V b ) ( t 3 t 2 ) / L e ;
t 4 t 3 < < 2 π ( C s 2 L e ) 1 / 2 is required to prevent oscillation between Le and Cs2. Mode 4 ends at t = t4 where D4 turns on, so ZVS of SW4 is possible.
After setting t2t0t1t0 = DTs and t4t2t3t2 = (1 – D)Ts, the voltage conversion ratio Vb/Va is obtained using (1) and (3) as
V b V a 1 1 D ,
which is the same as the voltage conversion ratio of the conventional boost converter.

2.3.2. Buck Forward-Conversion (Va > Vb)

For buck forward-conversion, SW3 remains ON and SW4 remains OFF. Like the boost forward-conversion, all switching cycles consist of four sequential modes, each with theoretical waveforms (Figure 8) and equivalent circuits (Figure 9). For each mode of operation, SW1 and SW2 for buck forward-conversion operate like SW4 and SW3 for boost forward-conversion, respectively.
Initially, v S W 1 = 0 V, v S W 2 = V a , i S W 1 > 0 A, and the body-diode D1 of SW1 is turned on. The first mode (Mode 1, Figure 9) begins at t = t0 by turning on SW1, and ends at t = t1 by turning off SW1. v L e = V a V b in this mode, so
i L e ( t ) = i L e ( t 0 ) + ( V a V b ) L e ( t t 0 ) .
Since i b = i C b + I b , i C b = C b i C B / C B and i b = i L e + i C B ,
i C B ( t ) = C B C B + C b [ I b i L e ( t ) ]
and
i b ( t ) = C b C B + C b i L e ( t ) + C B C B + C b I b .
The second mode (Mode 2, Figure 9) begins at t = t1 by turning off SW1. During this mode, Cs1 discharges quickly from the input voltage Va to 0 V through Le. Since
i C s 1 ( t ) i L e ( t 1 ) = i L e ( t 0 ) + ( V a V b ) L e ( t 1 t 0 ) ,
the time required to charge Cs1 fully is
t 2 t 1 = C s 1 V a i L e ( t 0 ) + ( V a V b ) ( t 1 t 0 ) / L e .
Mode 2 ends at t = t2 where v S W 2 = 0 V and the body diode D2 of SW2 turns on, so ZVS of SW2 is possible.
The third mode (Mode 3, Figure 9) begins at t = t2 by turning on SW2. During this mode i L e ( t 1 ) i L e ( t 2 ) and v S W 2 = 0 V, so
i L e ( t ) = i L e ( t 1 ) V b L e ( t t 2 ) .
i C B and i b are obtained using i C b = C b i C B / C B and i b = i L e + i C B = i C b + I b as
i C B ( t ) = C B C B + C b [ I b i L e ( t ) ] ,
i b ( t ) = C b C B + C b i L e ( t ) + C B C B + C b I b .
Mode 3 ends at t = t3 by turning off SW2.
The last mode (Mode 4, Figure 9) begins at t = t3. During this mode, v S W 2 = 0 V at t = t3 and i L e < 0 A. Cs1 charges quickly from 0 V to Va by iLe. Since
i C s 1 ( t ) i L e ( t 3 ) = i L e ( t 1 ) V b L e ( t 3 t 2 ) ,
the time required to charge Cs1 fully is
t 4 t 3 = C s 1 V a i L e ( t 1 ) V b ( t 3 t 2 ) / L e .
Mode 4 ends at t = t4 where D1 turns on, so ZVS of SW1 is possible.
After setting t2t0t1t0 = DTs and t4t2t3t2 = (1 – D)Ts, the voltage conversion ratio Vb/Va is obtained using (9) and (12) as:
V b V a D .

2.4. Output Voltage Ripple

The output voltage ripple ΔVb for the boost forward-conversion is given by
Δ V b = 1 C b t 2 t a i C b ( t ) d t ,
where ta is the time at which i b = I b . Using (1), (3), (5) and i C b = i b I b , i C b during Mode 3 is calculated as:
i C b ( t ) = C b C B + C b [ I a + V a 2 L e D T S + V a V b L e ( t t 2 ) I b ] ,
so
t a = t 2 + ( I a I b ) L e + V a D T S / 2 V b V a .
ΔVb is obtained using (16)–(18) as
Δ V b = [ ( I a I b ) L e + V a D T S / 2 ] 2 2 L e ( C B + C b ) ( V b V a ) .
For the buck forward-conversion, iCb for t0tt2 is obtained using (9), (11), and iCb = ibIb as:
i C b ( t ) = C b ( V a V b ) L e ( C B + C b ) [ ( t t 0 ) D T S 2 ] ,
and iCb for t2t < t4 is obtained using (12), (14), and iCb = ibIb, iCb as
i C b ( t ) = C b C B + C b [ V b L e ( t t 2 ) + V a V b 2 L e D T S ] .
In Figure 9, iCb(t) = 0 at t = tb and tc. tb is calculated using (20) as:
t b = t 0 + D T S 2 ,
and tc is calculated using (15) and (21) as
t c = t 2 + ( 1 D ) T S 2 .
Thus, Equations (20)–(23) yield
Δ V b = 1 C b t b t c i C b ( t ) d t = ( V a V b ) D T S 2 8 L e ( C B + C b ) .
The proposed converter has Cb = Ca so that it has the same output voltage ripple for both the forward and backward conversions. The ΔVb vs. Cb (Figure 10) for forward conversion are calculated using a circuit simulator at Va = 48 V, Vb = 60 V, D = 0.2, fs = 64 kHz, Le = L = 5.25 μH, 10 μF ≤ CB ≤ 30 μF, and Pb = 500 W. The proposed converter has ΔVb = 2.44% at CB = 30 μF, Ca = Cb = 10 μF, but the conventional CBB (Figure 2b) has the same ΔVb at Ca = Cb = 40 μF. Capacitors Ca, Cb, and CB act as input/output filters, so the proposed converter can have a smaller filter than the conventional CBB.

2.5. Design Considerations

For boost forward-conversion, the condition i L e ( t 0 ) < 0 is required to turn on D4 (i.e., to turn on SW4 under a ZVS condition). i L e ( t 0 ) is calculated using (1) and (3) as
i L e ( t 0 ) I a V a 2 L e D T s = I a + ( V a V b ) 2 L e ( 1 D ) T s ,
which yields
L e < V a 2 I a D T s
For buck forward-conversion, the condition i L e ( t 0 ) < 0 and Equations (9) and (12) yields
L e < ( V a V b ) 2 I b D T s .
When the converter operates at Va = 48 V, 0.15 ≤ D ≤ 0.85, 36 V ≤ Vb ≤ 60 V, 40 kHz ≤ fs ≤ 210 kHz, 1.04 A ≤ Ia ≤ 10.4 A and 0.83 A ≤ Ib ≤ 13.9 A, the conditions (25) and (26) are satisfied when Le < 7.2 μH.
The 1:1 transformer was fabricated using an ETD 34 ferrite core from Magnetics Co. (Table 2), which has a window width Ww = 2.6 cm, an air-gap length Sa = 0.1 mm, a mean-length-per-turn MLT = 5.8 cm, and a space S = 1.7 cm between adjacent windings. Le for a turns-number N = 15 is calculated as [15]:
L e = μ 0 μ a N 2 ( M L T ) ( S + S a ) 2 W w = 5.39   μ H ,
where μ0 is the vacuum permeability and μa = 1 is the relative permeability of the air gap; the actual transformer for experiments had Le = 5.25 μH.
The CB conditions for the allowed output voltage ripple ΔVb are calculated using (19) and (24) as:
C B > [ ( I a I b ) L e + V a D T S / 2 ] 2 2 L e Δ V b ( V b V a ) C b
for boost forward-conversion, and
C B > ( V a V b ) D T S 2 8 L e Δ V b C b
for buck forward-conversion. Allowing ΔVb < 0.1Vb, these conditions yield CB + Cb ≥ 37.2 μF for Le = 5.25 μH under the aforementioned operating conditions. The experimental converter had CB = Cb = 20 μF.
Cs2 discharges by i L e during Mode 4 of boost forward-conversion. The time required to discharge Cs2 from Vb to 0 V is | C s 2 V b / i L e | , so the allowed dead-time of switches is | C s 2 V b / i L e | + t d , o f f < T s / 10 , where td,off is the turn-off delay of SW3. The turn-off transient tf of SW3 should be << | C s 2 V b / i L e | to reduce the turn-off switching loss. Using (1), (3), (8), and i L e ( t 3 ) I a V a D T s / 2 L e , these requirements are represented as a design constraint for Cs2:
| I a V b ( 1 D ) D T s 2 L e | t f < < C s 2 < | I a V b ( 1 D ) D T s 2 L e | ( T s 10 t d , o f f ) .
During Mode 4 of buck forward-conversion, Cs1 charges by i L e and the time tc required to charge Cs1 from 0 V to Va is t c = | C s 1 V a / i L e | . Using (9), (12), (15), and i L e ( t 3 ) I b V b ( 1 D ) T s / 2 L e , the requirement t f < < t c < T s / 10 t d , o f f for SW1 is represented as a design constraint for Cs1:
| I b V a ( 1 D ) D T s 2 L e | t f < < C s 1 < | I b V a ( 1 D ) D T s 2 L e | ( T s 10 t d , o f f ) .
The switches for the experiment (IPP200N15N3 nMOSFET, Infineon) had tf = 6 ns and td,off = 23 ns. The design constraints (27) and (28) yielded 0.2 nF << Cs1 < 8.2 nF and 0.4 nF << Cs2 < 11 nF for Va = 48 V, 36 V ≤ Vb ≤ 60 V, 0.15 ≤ D ≤ 0.85, 40 kHz ≤ fs ≤ 210 kHz, 1.04 A ≤ Ia ≤ 10.4 A, and 0.83 A ≤ Ib ≤ 13.9 A; the converter had Cs1 = Cs2 = 2.2 nF.

3. Digital Controller

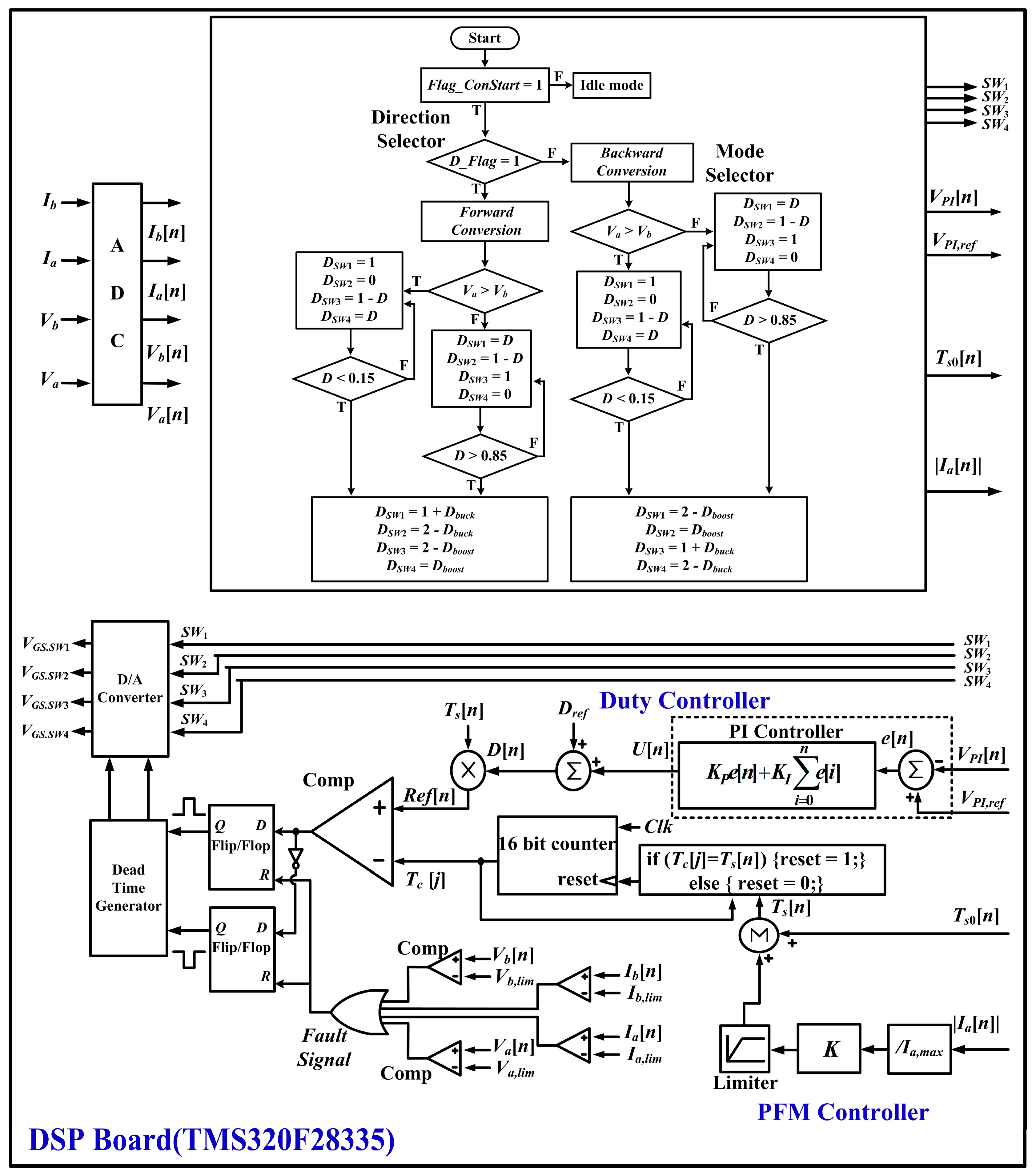
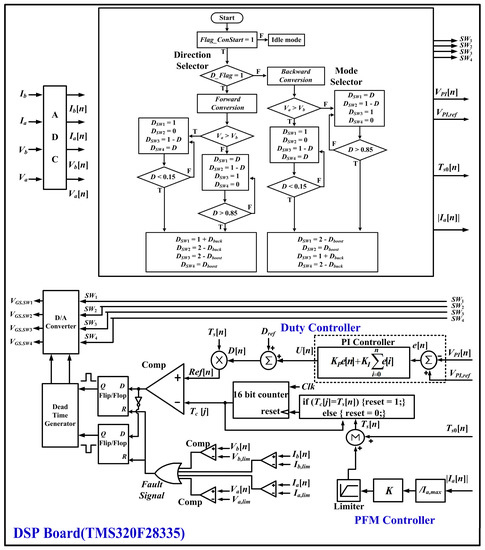
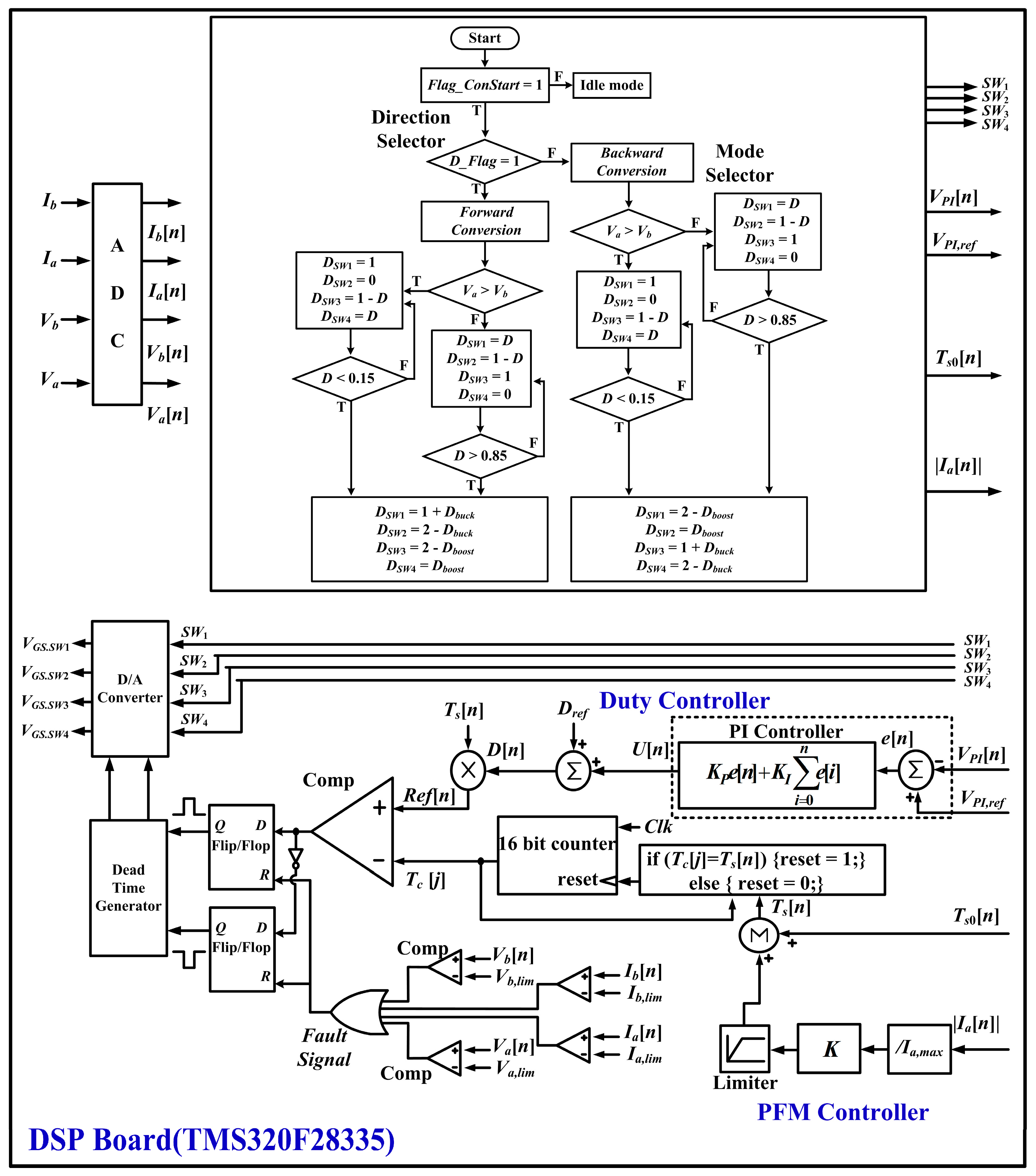
The control circuit (Figure 11) was implemented on a digital signal processor (DSP, TMS320F28335, Texas Instruments). The circuit controls the direction of energy transfer: Forward (Flag_ConStart = 1, D_mode = 1, VaVb) and backward (Flag_ConStart = 1, D_mode = 0, VbVa) directions. The circuit also determines switching duties DSW1DSW4 for SW1SW4 such that DSW1 = 1, DSW2 = 0, DSW3 = 1 – D, and DSW4 = D for Va < Vb; and DSW1 = D, DSW2 = 1 – D, DSW3 = 1, and DSW4 = 0 for Va > Vb. The inputs to the circuit are Va, Ia, Vb, Ib, two reference voltages Va,ref and Vb,ref, two limit voltages Va,lim and Vb,lim, two limit currents Ia,lim and Ib,lim, and a reference duty Dref. The proportional-integral (PI) controller set VPI,ref = Vb,ref and VPI = Vb for forward-conversion, or VPI,ref = Va,ref and VPI = Va for backward-conversion. The PI controller calculates the error VPI,ref - VPI and produces the PI output U[n]. Then, after D[n] = U[n]+Dref is calculated, D[n] is multiplied by the switching period Ts[n] to produce a PWM reference duty Ref[n]; Ref[n] is the non-inverting input to the comparator that adjusts D to keep the voltage gain constant.
The PFM controller calculates the switching period Ts[n] = Ts,min + K|Ia|/Ia,max (where K is a constant, Ts,min is the lowest switching period, and Ia,max is the highest value of Ia), then resets the 16-bit counter when the counter output Tc(j) = Ts[n]. The converter must operate at 110 kHz ≤ fs ≤ 330 kHz, so the range of Ts[n] was determined as 454 ≤ Ts[n] ≤ 1363 for the clock frequency of the counter fclk = 150 MHz. As the ratio Vb/Va increases, fs that ensures ZVS under full load decreases for the buck conversion but increases for the boost conversion. Therefore,
K = D β D max T s . max T s . min
for buck conversion and
K = 1 D β ( 1 D min ) T s . max T s . min
for boost conversion, where β is a constant to adjust the slope of the frequency change (Dmin = 0.15, Dmax = 0.85, and β = 1 for buck- or boost-mode control).
When Vb/Va is close to 1, the dead time prevents the converter from regulating the output voltage properly by using only buck-mode or boost-mode control. This problem was solved using a buck- and boost-mode alternating control either when D for buck mode conversion (Dbuck) becomes >0.85, or when D for boost mode conversion (Dboost) becomes <0.15; the converter assumes Va = 48 V, so it uses this buck–boost mode control for 40.8 V ≤ Vb ≤ 56.5 V. Under the buck–boost mode control, the volt-second balance for two switching periods yields
V b V a = 1 + D b u c k 2 D b o o s t .
The ripple current of i L e for the buck–boost control increases as Dboost increases or as Dbuck decreases. To have high ηe, Dboost should be minimized and Dbuck should be maximized. The converter sets Dboost = 0 but adjusts Dbuck from 0.7 to 0.85 for 40.8 V ≤ Vb ≤ 44.4 V, sets Dbuck = 1, but adjusts Dboost from 0.15 to 0.31 for 51.89 V ≤ Vb ≤ 56.47 V, and sets Dbuck = 0.75 but adjusts Dboost from 0.1 to 0.39 for 44.4 V < Vb < 51.89 V. The values of β were chosen as 1.1 for 40.8 V ≤ Vb ≤ 44.4 V, as 1.9 for 44.4 V < Vb < 51.89 V, and as 1.4 for 51.89 V ≤ Vb ≤ 56.47 V.
The comparator output becomes “high” whenever Tc(j) = Ts[n]; this produces the switching time-period Ts = Ts(n)/fclk. The comparator output becomes “low” when Ref[n] < Tc(j). The Flip/Flops and dead-time generator emit inverting and non-inverting gate signals for the switches.

4. Experimental Results

The proposed CBB BDC (Figure 12a) was fabricated using the chosen parameters (Table 3). It was designed to operate at Va = 48 V, 0.15 ≤ D ≤ 0.85, 36 V ≤ Vb ≤ 60 V, 40 kHz ≤ fs ≤ 210 kHz, 1.04 A ≤ Ia ≤ 10.4 A and 0.83 A ≤ Ib ≤ 13.9 A. The PI coefficients of the controller were optimized to kp = 0.02 and ki = 0.2. The sampling frequency for analog signals was 20 kHz, and the analog-to-digital converter had 12-bit resolution. When Pb increased from 50 to 500 W, fs decreased from 210 to 40 kHz during buck conversion and from 201 to 64 kHz during boost conversion. The dead time for switch control was 110 ns. The switching devices were the IPP200N15N3 power MOSFETs (Infineon).
The 1:1 transformer was fabricated using an ETD 34 ferrite core with N = 15, as discussed in Section 2.5. For comparison, the conventional CBB BDC in [10] (Figure 12b) was also fabricated using the IPP200N15N3 power MOSFETs and three different inductors with L = Llk/2 = 5.25 μH (Table 4). Inductor 1 used an ETD 34 ferrite core and had an air-gap length Sa = 0.1 mm, which resulted in L = 5.25 μH when N = 3. This inductor had core saturation at high power operation. Inductor 2 used the same core, but increased Sa to 8 mm to prevent core saturation, which resulted in L = 5.25 μH when N = 15. Inductor 3 had N = 3 and Sa = 0.1 mm but prevented core saturation by increasing the core size. The filter capacitors for the conventional CBB BDC were Ca = Cb = 40 μF.
The waveforms of i L , i L m , i p , and i s for forward boost conversion (Figure 13) were measured at Va = 48 V, Vb = 60 V, Pb = 50 W or Pb = 500 W. The proposed converter operated in PFM and had Δ i p Δ i s 4.1 Ap-p for Pb = 50 W (Figure 13a) and ≤16.3 Ap-p for Pb = 500 W (Figure 13b). Δ i L m was 0.25 Ap-p at Pb = 50 W and 0.73 Ap-p at Pb = 500 W, when i L m = i p i s was calculated using the is and ip measurements. The conventional CBB BDC operated at fs = 64 kHz and had an inductor current ripple Δ i L = 30.3 Ap-p at Pb = 500 W.
The waveforms of i C b and ΔVb (Figure 14) were measured at Va = 48 V and Pb = 500 W, while the converters were operated at Vb = 60 V (boost conversion, Figure 14a) or Vb = 36 V (buck conversion, Figure 14b). ΔVb for boost conversion to Vb = 60 V was 3.59 Vp.p for the proposed and 6.29 Vp.p for the conventional CBB BDCs. ΔVb for buck conversion to Vb = 36 V was 1.35 Vp.p for the proposed and 1.62 Vp.p for the conventional CBB BDCs. Considering that Ca = Cb = CB = 20 μF in the proposed converter and Ca = Cb = 40 μF in the conventional CBB BDC, the proposed converter reduced the total capacitance by 20 μF for the given ΔVb, by providing a bypass to iLe through CB.
The current and voltage waveforms of switches in the proposed converter for Va = 48 V (Figure 15) were measured at Pb = 50 W and 500 W, while the converter was operated in either boost (Vb = 60 V, Figure 15a) or buck (Vb = 36 V, Figure 15b) mode. These waveforms show: 1) i S W 4 > 0 when SW4 was turned off; 2) v S W 4 increased only up to Vb; 3) 1) and 2) indicate that the body diode of SW3 was turned on when SW4 was turned off, so SW3 had ZVS turn-on; 4) i S W 4 < 0 when SW3 was turned off; 5) v S W 3 increased only up to Vb; 6) 4) and 5) indicate that the body diode of SW4 was turned on when SW3 was turned off, so SW4 had ZVS turn-on. The waveforms in Figure 15b show: 7) i S W 2 < 0 when SW1 was turned off; 8) v S W 2 increased only up to Va; 9) points 7) and 8) indicate that the body diode of SW2 was turned on when SW1 was turned off, so SW2 had ZVS turn-on; 10) i S W 1 > 0 when SW2 was turned off; 11) v S W 1 increased only up to Va; 12) points 10) and 11) indicate that the body diode of SW1 was turned on when SW2 was turned off, so SW1 had ZVS turn-on; 13) fs increased as Pb decreased; this result shows that PFM worked properly and the currents of switches were decreased by the reduced i p and i s at the light load; and 14) PWM adjusted D of the main switch so that Vb followed the reference voltage.
The temperatures of cores and windings (Figure 16) were measured at Va = 48 V, Vb = 60 V, and Pb = 500 W. The proposed converter had small core loss because iLm was reduced significantly by connecting the windings of the transformer in parallel and in inverse-coupling configuration. As a result, the core temperature Tcore = 28.1 °C and the winding temperature Twinding = 46.6 °C of the proposed converter (Figure 16a) were lower than the other conventional CBB BDCs: Tcore = 58.6 °C and Twinding = 72.6 °C for inductor 1 at Pb = 350 W (Figure 16b), Tcore = 28.9 °C and Twinding = 48.9 °C for inductor 2 at Pb = 500 W (Figure 16c), and Tcore = 42.0 °C and Twinding = 54.4 °C for inductor 3 at Pb = 500 W (Figure 16d). Note that the conventional converter could not operate for Pb > 350 W due to core saturation, so the temperature was measured at 350 W.
ηe vs. Pb (Figure 17) for boost conversion were measured at Va = 48 V and Vb = 60 V, while the converters were operated in PFM mode (64 kHz ≤ fs ≤ 210 kHz). ηe of the proposed converter was ≥98.3% for Pb > 50 W. The conventional CBB BDC using inductor 1 could not operate at Pb > 350 W due to core saturation; this converter had ηe = 96.1% at Pb = 50 W and ηe = 97.5% at Pb = 350 W when operated in PFM mode. After replacing inductor 1 with inductor 2, the converter had ηe = 98.3% at Pb = 50 W and ηe = 98.1% at Pb = 500 W, which are very close to that for the proposed converter. However, inductor 2 has a large air gap and is difficult to fabricate. Fabrication of the converter using inductor 3 yielded ηe = 97.2% at Pb = 50 W and ηe = 97.6% at Pb = 500 W. The core and switching losses were reduced in the proposed converter, so it had higher ηe than the conventional CBB BDCs. The behaviors of ηe vs. Pb for buck conversion at Va = 48 V, Vb = 36 V, and 64 kHz ≤ fs ≤ 201 kHz (Figure 18) were quite similar to those for boost conversion.
ηe vs. Vb (Figure 19) was measured at Va = 48 V and Pb = 500 W. The proposed converter had ηe ≥ 98.3% for 36 V ≤ Vb ≤ 60 V, whereas the conventional CBB BDC had ~0.76% lower ηe than the proposed converter. The results of loss analyses at Va = 48 V, Vb = 60 V, and Pb = 500 W show that the total losses were 7.41 W in the proposed circuit and 12.6 W in the conventional CBB BDC (Figure 20). The major losses in the proposed converter were the switching (1.75 W) and winding (5.52 W) losses, and those in the conventional CBB BDC were the core (7.8 W), switching (2.0 W), and winding (2.8 W) losses. In the proposed converter, the switching loss was reduced by using the snubber capacitors Cs1 and Cs2, and the core loss was reduced significantly by connecting the windings of the 1:1 transformer in parallel and in inverse-coupling configuration, but the winding loss was increased because N was increased.
The costs of the conventional and proposed CBB BDCs were calculated using the prices on the websites of [23] and [24] (Table 5), assuming that both BDCs use the same switches and ferrite core and have the same input/output voltage ripples. Compared to the conventional converter, the proposed CBB BDC costs $1.93 more because CB, Cs1, Cs2 and transformer windings are additionally required. However, the proposed CBB BDC can save $14.44 in cost by using small filter capacitors. Therefore, the proposed CBB BDC is $5.29 cheaper than the conventional one.

5. Conclusions

The circuit structure of a bidirectional converter for a residential energy storage system is proposed. The proposed converter could operate at maximum power point regardless of VPV and Vbat because it works well for both VIN > VO and VINVO. In addition, this converter increased the power conversion efficiency ηe by using two snubber capacitors to reduce switching loss, and by using a 1:1 transformer with windings connected in parallel and in inverse-coupling configuration to reduce core loss. Ripples of output current and voltage were reduced by modulating the switching frequency, and by placing a blocking capacitor between input and output to reduce the filter size. The conventional CBB BDC could not operate at Pb > 350 W due to core saturation, but the proposed converter operated normally up to Pb = 500 W. The efficiency was ≥98.3% for 50 W ≤ Pb ≤ 500 W, which is up to 2.5% higher than that of the conventional CBB BDC. These results show that the proposed converter is suitable for residential energy storage systems that require high ηe in the condition of overlapping input and output range.

Author Contributions

S.-H.H. presented the main idea for the bidirectional dc–dc converter and analyzed the system data and performed experiments. Y.-G.C., S.-W.L., and H.-S.L. performed the experiments. B.K. provided technical advice for the industrial application and contributed to the overall composition and writing of the manuscript. S.-C.L. contributed to circuit construction.

Funding

This research received no external funding.

Acknowledgments

This research was supported by the MSIT (Ministry of Science and ICT), Korea, under the ICT Consilience Creative program (IITP-2019-2011-1-00783) supervised by the IITP (Institute for Information and Communications Technology Planning and Evaluation).

Conflicts of Interest

The authors have no conflicts of interest.

References

  1. Wu, H.; Zhang, J.; Qin, X.; Mu, T.; Xing, Y. Secondary-side-regulated soft-switching full-bridge three-port converter based on bridgeless boost rectifier and bidirectional converter for multiple energy interface. IEEE Trans. Power Electron. 2016, 31, 4847–4860. [Google Scholar] [CrossRef]
  2. Saxena, N.; Hussain, I.; Singh, B.; Vyas, A.L. Implementation of Grid Integrated PV-Battery System for Residential and Electrical Vehicle Applications. IEEE Trans. Ind. Electron. 2018, 65, 6592–6601. [Google Scholar] [CrossRef]
  3. Jin, K.; Ruan, X.B.; Yang, M.X. A Hybrid Fuel Cell Power System. IEEE Trans. Ind. Electron. 2009, 56, 1212–1222. [Google Scholar] [CrossRef]
  4. Kim, S.J.; Kwon, M.H.; Choi, S.W. Operation and Control Strategy of a New Hybrid ESS-UPS System. IEEE Trans. Power Electron. 2018, 33, 4746–4755. [Google Scholar] [CrossRef]
  5. Kwon, M.H.; Choi, S.W. Control Scheme for Autonomous and Smooth Mode Switching of Bidirectional DC–DC Converters in a DC Microgrid. IEEE Trans. Power Electron. 2018, 33, 7094–7104. [Google Scholar] [CrossRef]
  6. Badawy, M.; Arafat, N.; Ahmed, A.; Anwar, S.; Sozer, Y.; Ping, Y.; Alexis, J. Design and implementation of a 75 KW mobile charging system for electric vehicles. IEEE Trans. Ind. Appl. 2016, 52, 369–377. [Google Scholar] [CrossRef]
  7. Khan, M.A.; Ahmed, A.; Husain, I.; Sozer, Y.; Badawy, M. Performance analysis of bidirectional DC-DC converters for electric vehicles. IEEE Trans. Ind. Appl. 2015, 51, 3442–3452. [Google Scholar] [CrossRef]
  8. Khan, M.A.; Husain, I.; Sozer, Y. A bidirectional dc–dc converter with overlapping input and output voltage ranges and vehicle to grid energy transfer capability. IEEE J. Emerg. Sel. Top. Power Electron. 2014, 2, 507–516. [Google Scholar] [CrossRef]
  9. Hsieh, Y.P.; Chen, J.F.; Yang, L.S.; Wu, C.Y.; Liu, W.S. High Conversion-Ratio Bidirectional DC–DC Converter With Coupled Inductor. IEEE Trans. Ind. Electron. 2014, 61, 210–221. [Google Scholar] [CrossRef]
  10. Stahl, G.; Rodriguez, M.; Maksimovic, D. A high-efficiency bidirectional buck-boost dc-dc converter. In Proceedings of the 27th Annual IEEE Applied Power Electronics Conference and Exposition, Orlando, FL, USA, 5–9 February 2012; pp. 1362–1367. [Google Scholar]
  11. Waffler, S.; Kolar, J.W. A novel low-loss modulation strategy for high-power bidirectional buck+ boost converters. IEEE Trans. Power Electron. 2009, 24, 1589–1599. [Google Scholar] [CrossRef]
  12. Aharon, I.; Kuperman, A.; Shmilovitz, D. Analysis of dual-carrier modulator for bidirectional noninverting buck–boost converter. IEEE Trans. Power Electron. 2015, 30, 840–848. [Google Scholar] [CrossRef]
  13. Lee, Y.; Khaligh, A.; Chakraborty, A.; Emadi, A. Digital combination of buck and boost converters to control a positive buck-boost converter and improve the output transients. IEEE Trans. Power Electron. 2009, 24, 1267–1279. [Google Scholar] [CrossRef]
  14. Jones, D.C.; Erickson, R.W. A nonlinear state machine for dead zone avoidance and mitigation in a synchronous noninverting buck-boost converter. IEEE Trans. Power Electron. 2013, 28, 467–480. [Google Scholar] [CrossRef]
  15. Choi, Y.G.; Lee, S.W.; Lee, H.S.; Lee, S.C.; Kang, B.K. Increase in power conversion efficiency of bidirectional DC-DC converter using 1:1 transformer and pulse frequency modulation control. IEEE Trans. Power Electron. 2018, 33, 10539–10549. [Google Scholar] [CrossRef]
  16. Datasheet: Solar Panel Modules. Available online: https://www.lge.co.kr/kr/business/product/energy/solar-list.do?cateId1=CT00000707 (accessed on 15 August 2019).
  17. Datasheet: PV Panels for Residential Energy Storage System. Available online: https://www.q-cells.com/kr/main/service/download/datasheets~datasheets~.html (accessed on 1 September 2019).
  18. Datasheet: Solar Cell Module. Available online: https://kr.enfsolar.com/pv/panel (accessed on 4 September 2019).
  19. Datasheet: Battery Solution for Energy Storage System. Available online: http://www.samsungsdi.co.kr/upload/ess_brochure/201902_Samsung%20SDI%20ESS_KR.pdf (accessed on 3 September 2019).
  20. Datasheet: Lithium Ion Battery Modules. Available online: http://kokam.com/modulepack-ess (accessed on 4 September 2019).
  21. Datasheet: Advanced Batteries for Energy Storage System. Available online: https://www.lgchem.com/upload/file/product/LGChem_Catalog_Korea_2018.pdf (accessed on 4 September 2019).
  22. Steinmetz, C.P. On the Law of Hysteresis. IEEE Trans. Am. Inst. Electr. Eng. 1892, 9, 1–64. [Google Scholar] [CrossRef]
  23. Available online: www.mouser.com (accessed on 15 September 2019).
  24. Available online: www.alibaba.com (accessed on 15 September 2019).
Figure 1. Photovoltaic (PV) generation using an energy storage system.
Figure 1. Photovoltaic (PV) generation using an energy storage system.
Energies 12 03786 g001
Figure 2. Circuit structures of (a) combined half-bridge (CHB) and (b) cascade buck–boost (CBB) bidirectional converters (BDCs). Figure 2a is reproduced with permission from Khan, M. A [8]; Figure 2b is reproduced with permission from Waffler, S [11].
Figure 2. Circuit structures of (a) combined half-bridge (CHB) and (b) cascade buck–boost (CBB) bidirectional converters (BDCs). Figure 2a is reproduced with permission from Khan, M. A [8]; Figure 2b is reproduced with permission from Waffler, S [11].
Energies 12 03786 g002
Figure 3. Circuit structure of the converter of [15]. Adapted from Choi, Y.G [15].
Figure 3. Circuit structure of the converter of [15]. Adapted from Choi, Y.G [15].
Energies 12 03786 g003
Figure 4. Maximum power point tracking (MPPT) range of (a) the converter of [15] and (b) the proposed CBB BDC for VMPP < Vbat < VPV.
Figure 4. Maximum power point tracking (MPPT) range of (a) the converter of [15] and (b) the proposed CBB BDC for VMPP < Vbat < VPV.
Energies 12 03786 g004
Figure 5. Circuit structure of the proposed CBB BDC.
Figure 5. Circuit structure of the proposed CBB BDC.
Energies 12 03786 g005
Figure 6. Voltage and current waveforms of the proposed converter for boost forward-conversion.
Figure 6. Voltage and current waveforms of the proposed converter for boost forward-conversion.
Energies 12 03786 g006
Figure 7. Circuit diagrams for the modes of operation for boost forward-conversion.
Figure 7. Circuit diagrams for the modes of operation for boost forward-conversion.
Energies 12 03786 g007
Figure 8. Voltage and current waveforms of the proposed converter for buck forward-conversion.
Figure 8. Voltage and current waveforms of the proposed converter for buck forward-conversion.
Energies 12 03786 g008
Figure 9. Circuit diagrams for the modes of operation for buck forward-conversion.
Figure 9. Circuit diagrams for the modes of operation for buck forward-conversion.
Energies 12 03786 g009
Figure 10. ΔVb vs. Cb calculated using a circuit simulator at Va = 48 V, Vb = 60 V, and Pb = 500 W.
Figure 10. ΔVb vs. Cb calculated using a circuit simulator at Va = 48 V, Vb = 60 V, and Pb = 500 W.
Energies 12 03786 g010
Figure 11. Block diagram of the digital controller. DSP: digital signal processor; PFM: pulse-frequency modulation.
Figure 11. Block diagram of the digital controller. DSP: digital signal processor; PFM: pulse-frequency modulation.
Energies 12 03786 g011
Figure 12. Photographs of (a) the proposed and (b) conventional CBB BDCs.
Figure 12. Photographs of (a) the proposed and (b) conventional CBB BDCs.
Energies 12 03786 g012
Figure 13. Waveforms for i L , i L m , i p , and i s at Va = 48 V, Vb = 60 V, (a) Pb = 50 W, and (b) Pb = 500 W.
Figure 13. Waveforms for i L , i L m , i p , and i s at Va = 48 V, Vb = 60 V, (a) Pb = 50 W, and (b) Pb = 500 W.
Energies 12 03786 g013
Figure 14. Waveforms of i C b and ΔVb at Va = 48 V, Pb = 500 W, and (a) Vb = 60 V or (b) Vb = 36 V.
Figure 14. Waveforms of i C b and ΔVb at Va = 48 V, Pb = 500 W, and (a) Vb = 60 V or (b) Vb = 36 V.
Energies 12 03786 g014
Figure 15. Voltage and current waveforms of switches measured at Va = 48 V and Pb = 50 W and 500 W: (a) Vb = 60 V and (b) Vb = 36 V.
Figure 15. Voltage and current waveforms of switches measured at Va = 48 V and Pb = 50 W and 500 W: (a) Vb = 60 V and (b) Vb = 36 V.
Energies 12 03786 g015
Figure 16. Thermal camera images of inductors: (a) 1:1 transformer at Pb = 500 W, (b) inductor 1 at Pb = 350 W, (c) inductor 2 at Pb = 500 W, and (d) inductor 3 at Pb = 500 W.
Figure 16. Thermal camera images of inductors: (a) 1:1 transformer at Pb = 500 W, (b) inductor 1 at Pb = 350 W, (c) inductor 2 at Pb = 500 W, and (d) inductor 3 at Pb = 500 W.
Energies 12 03786 g016
Figure 17. ηe vs. Pb at Va = 48 V and Vb = 60 V.
Figure 17. ηe vs. Pb at Va = 48 V and Vb = 60 V.
Energies 12 03786 g017
Figure 18. ηe vs. Pb at Va = 48 V and Vb = 36 V.
Figure 18. ηe vs. Pb at Va = 48 V and Vb = 36 V.
Energies 12 03786 g018
Figure 19. ηe vs. Vb at Va = 48 V and Pb = 500 W.
Figure 19. ηe vs. Vb at Va = 48 V and Pb = 500 W.
Energies 12 03786 g019
Figure 20. Results of loss analysis for the conventional and proposed CBB BDCs operating at Va = 48 V, Vb = 60 V, and Pb = 500 W.
Figure 20. Results of loss analysis for the conventional and proposed CBB BDCs operating at Va = 48 V, Vb = 60 V, and Pb = 500 W.
Energies 12 03786 g020
Table 1. Switching states of the proposed converter.
Table 1. Switching states of the proposed converter.
Conversion DirectionOperating ModeSW1SW2SW3SW4
VaVbBoost101 – DD
BuckD1 – D10
VbVaBoostD1 – D10
Buck101 – DD
Table 2. Magnetic data for transformer design.
Table 2. Magnetic data for transformer design.
Magnetic DataSymbolValue
Ferrite core type-ETD 34 (F material)
Relative permeabilityµr3000
Usable frequencyf<1.5 MHz
Curie temperatureTCurie>210 °C
Power loss (in sine wave)PL70 mW/cm3
Window widthWw2.6 cm
Effective cross-sectional areaAc0.97 cm2
Mean magnetic path lengthle7.8 cm
Effective volumeVe7.65 cm3
Steinmetz constantsa/c/d0.0573/1.66/2.68
Table 3. Circuit parameters of the proposed converter.
Table 3. Circuit parameters of the proposed converter.
ParameterSymbolValue
N-MOSFETSW1, SW2, SW3, SW4IPP200N15N3
Magnetizing inductanceLm110 µH
Leakage inductanceLlk10.5 µH
DC-blocking capacitorCB20 µF
Snubber capacitorCs1, Cs22.2 nF
Filter capacitorCa, Cb20 µF
Table 4. Transformer and inductors for the experimental converters.
Table 4. Transformer and inductors for the experimental converters.
1:1 TransformerInductor 1Inductor 2Inductor 3
Core size34 × 35 × 10.5 mm334 × 35 × 10.5 mm334 × 35 × 10.5 mm340 × 42 × 15 mm3
N153153
Sa0.1 mm0.1 mm8 mm0.1 mm
Inductance5.25 μH5.25 μH5.25 μH5.25 μH
Photographs Energies 12 03786 i001 Energies 12 03786 i002 Energies 12 03786 i003 Energies 12 03786 i004
Table 5. Prices of components for the proposed and conventional CBB BDC.
Table 5. Prices of components for the proposed and conventional CBB BDC.
ComponentsPart NumberQuantity of PartsCost
ProposedConventionalProposedConventional
TransformerCore: ETD 341 pc.1 pc.$1.17$1.17
Winding: USTC litz wire1.74 m0.18 m$1.04$0.11
DC-blocking capacitor (CB)ECQ-E2106JF2 pc.0 pc.$7.22$0
Snubber capacitors (Cs1, Cs2)ECQ-E6222JF2 pc.0 pc.$1.00$0
Filter capacitor (Ca)ECQ-E2106JF2 pc.4 pc.$7.22$14.44
Filter capacitor (Cb)ECQ-E2106JF2 pc.4 pc.$7.22$14.44
Switches (SW1SW4)IPP200N15N34 pc.4 pc.$10.96$10.96
Total$35.83$41.12

Share and Cite

MDPI and ACS Style

Ham, S.-H.; Choi, Y.-G.; Lee, H.-S.; Lee, S.-W.; Lee, S.-C.; Kang, B. High-efficiency Bidirectional Buck–Boost Converter for Residential Energy Storage System. Energies 2019, 12, 3786. https://doi.org/10.3390/en12193786

AMA Style

Ham S-H, Choi Y-G, Lee H-S, Lee S-W, Lee S-C, Kang B. High-efficiency Bidirectional Buck–Boost Converter for Residential Energy Storage System. Energies. 2019; 12(19):3786. https://doi.org/10.3390/en12193786

Chicago/Turabian Style

Ham, Seok-Hyeong, Yoon-Geol Choi, Hyeon-Seok Lee, Sang-Won Lee, Su-Chang Lee, and Bongkoo Kang. 2019. "High-efficiency Bidirectional Buck–Boost Converter for Residential Energy Storage System" Energies 12, no. 19: 3786. https://doi.org/10.3390/en12193786

APA Style

Ham, S.-H., Choi, Y.-G., Lee, H.-S., Lee, S.-W., Lee, S.-C., & Kang, B. (2019). High-efficiency Bidirectional Buck–Boost Converter for Residential Energy Storage System. Energies, 12(19), 3786. https://doi.org/10.3390/en12193786

Note that from the first issue of 2016, this journal uses article numbers instead of page numbers. See further details here.

Article Metrics

Back to TopTop