Design for the Interior Permanent Magnet Synchronous Motor Drive System Based on the Z-Source Inverter
Abstract
:1. Introduction
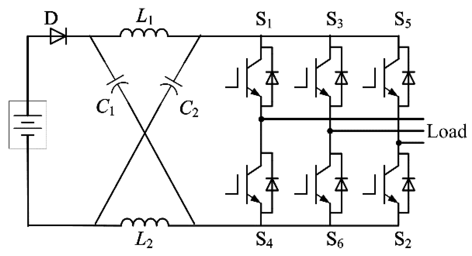
2. Power Circuit Parameter Design
2.1. Inductor Design
2.2. Capacitor Selection
2.3. Power Circuit Devices Selection
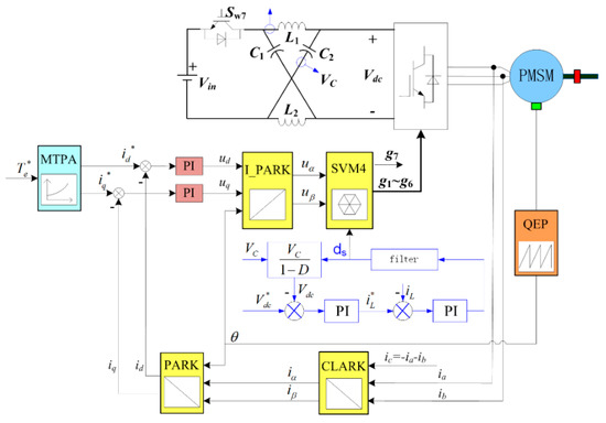
3. Control System Design
3.1. DC Side Voltage Closed Loop Design
3.2. AC Side Controller Design
3.3. Compensation Network Design
4. Loss Analysis
4.1. ZSI Converter Loss
4.2. Motor Loss
5. Experimental Results
6. Discussion
7. Conclusions
Author Contributions
Funding
Acknowledgments
Conflicts of Interest
References
- Pan, Z.; Shieh, S.; Li, B. Battery State-of-Charge Pulse-and-Glide Strategy Development of Hybrid Electric Vehicles for VTS Motor Vehicle Challenge. In Proceedings of the 2018 IEEE Vehicle Power and Propulsion Conference (VPPC), Chicago, IL, USA, 27–30 August 2018; pp. 1–7. [Google Scholar]
- Mercorelli, P. An adaptive and optimized switching observer for sensorless control of an electromagnetic valve actuator in camless internal combustion engines. Asian J. Control 2014, 16, 959–973. [Google Scholar] [CrossRef]
- Braune, S.; Liu, S.; Mercorelli, P. Design and control of an electromagnetic valve actuator. In Proceedings of the 2006 IEEE Conference on Computer Aided Control System Design, 2006 IEEE International Conference on Control Applications, 2006 IEEE International Symposium on Intelligent Control, Munich, Germany, 4–6 October 2006; pp. 1657–1662. [Google Scholar]
- Mercorelli, P.; Lehmann, K.; Liu, S. Robust flatness based control of an electromagnetic linear actuator using adaptive PID controller. In Proceedings of the 42nd IEEE International Conference on Decision and Control, Maui, HI, USA, 9–12 December 2003; pp. 3790–3795. [Google Scholar]
- Xu, Y.; Morito, C.; Lorenz, R.D. Extending High-Speed Operating Range of Induction Machine Drives using Deadbeat-Direct Torque and Flux Control with Precise Flux Weakening. IEEE Trans. Ind. Appl. 2019, 55, 3770–3780. [Google Scholar] [CrossRef]
- Zhao, H.; Liu, C.; Song, Z.; Liu, S. A Consequent-Pole PM Magnetic-Geared Double-Rotor Machine With Flux-Weakening Ability for Hybrid Electric Vehicle Application. IEEE Trans. Magn. 2019, 55, 1–7. [Google Scholar] [CrossRef]
- Peng, F.Z. Z-source inverter. IEEE Trans. Ind. Appl. 2003, 39, 504–510. [Google Scholar] [CrossRef]
- Babaei, E.; Asl, E.S. Steady-state analysis of high-voltage gain multiple series Z-source inverter. IET Power Electron. 2017, 10, 1518–1528. [Google Scholar] [CrossRef]
- Bussa, V.K.; Ahmad, A.; Singh, R.K.; Mahanty, R. Single-phase high-voltage gain switched LC Z-source inverters. IET Power Electron. 2018, 11, 796–807. [Google Scholar] [CrossRef]
- Zhu, X.; Zhang, B.; Qiu, D. Enhanced boost quasi-Z-source inverters with active switched-inductor boost network. IET Power Electron. 2018, 11, 1774–1787. [Google Scholar] [CrossRef]
- Serpi, A.; Fois, G.; Porru, M.; Damiano, A. Flux-Weakening Space Vector Control Algorithm for Permanent Magnet Brushless DC Machines. In Proceedings of the 2018 IEEE Vehicle Power and Propulsion Conference (VPPC), Chicago, IL, USA, 27–30 August 2018; pp. 1–6. [Google Scholar]
- Zhang, Z.; Wang, C.; Zhou, M.; You, X. Flux-Weakening in PMSM Drives: Analysis of Voltage Angle Control and the Single Current Controller Design. IEEE J. Emerg. Sel. Top. Power Electron. 2019, 7, 437–445. [Google Scholar] [CrossRef]
- Chen, X.; Pise, A.A.; Elmes, J.; Batarseh, I. Ultra-Highly Efficient Low Power Bi-directional Cascaded-Buck-Boost Converter for Portable PV-Battery-Devices Applications. IEEE Trans. Ind. Appl. 2019, 55, 3989–4000. [Google Scholar] [CrossRef]
- Guha, A.; Narayanan, G. Impact of Undercompensation and Overcompensation of Dead-Time Effect on Small-Signal Stability of Induction Motor Drive. IEEE Trans. Ind. Appl. 2018, 54, 6027–6041. [Google Scholar] [CrossRef]
- Guha, A.; Narayanan, G. Impact of Dead Time on Inverter Input Current, DC-Link Dynamics, and Light-Load Instability in Rectifier-Inverter-Fed Induction Motor Drives. IEEE Trans. Ind. Appl. 2018, 54, 1414–1424. [Google Scholar] [CrossRef]
- Panfilov, D.; Husev, O.; Blaabjerg, F.; Zakis, J.; Khandakji, K. Comparison of three-phase three-level voltage source inverter with intermediate dc–dc boost converter and quasi-Z-source inverter. IET Power Electron. 2016, 9, 1238–1248. [Google Scholar] [CrossRef]
- Li, J.; Liu, J.; Liu, Z. Comparison of Z-source inverter and traditional two-stage boost-buck inverter in grid-tied renewable energy generation. In Proceedings of the 2009 IEEE 6th International Power Electronics and Motion Control Conference, Wuhan, China, 17–20 May 2009; pp. 1493–1497. [Google Scholar]
- Wang, R.; Jia, X.; Dong, S.; Zhang, Q. PMSM driving system design for electric vehicle applications based on bi-directional quasi-Z-source inverter. In Proceedings of the 2018 13th IEEE Conference on Industrial Electronics and Applications (ICIEA), Wuhan, China, 31 May–2 June 2018; pp. 1733–1738. [Google Scholar]
- Dong, S.; Zhang, Q.; Cheng, S. Inductor Current Ripple Comparison Between ZSVM4 and ZSVM2 for Z-Source Inverters. IEEE Trans. Power Electron. 2016, 31, 7592–7597. [Google Scholar] [CrossRef]
- Dong, S.; Zhang, Q.; Cheng, S. Analysis of Critical Inductance and Capacitor Voltage Ripple for a Bidirectional Z-Source Inverter. IEEE Trans. Power Electron. 2015, 30, 4009–4015. [Google Scholar] [CrossRef]
- Li, K.; Wang, Y. Maximum Torque per Ampere (MTPA) Control for IPMSM Drives Using Signal Injection and an MTPA Control Law. IEEE Trans. Ind. Inform. 2019. [Google Scholar] [CrossRef]
- Lin, F.; Huang, M.; Chen, S.; Hsu, C. Intelligent Maximum Torque per Ampere Tracking Control of Synchronous Reluctance Motor Using Recurrent Legendre Fuzzy Neural Network. IEEE Trans. Power Electron. 2019. [Google Scholar] [CrossRef]
- Mosaddegh, H.; Zarchi, H.A.; Markadeh, G.A. Stator Flux Oriented Control of Brushless Doubly Fed Induction Motor Drives Based on Maximum Torque per Total Ampere Strategy. In Proceedings of the 2019 10th International Power Electronics, Drive Systems and Technologies Conference (PEDSTC), Shiraz, Iran, 12–14 February 2019; pp. 84–89. [Google Scholar]
- Li, Y.; Jiang, S.; Cintron-Rivera, J.G.; Peng, F.Z. Modeling and Control of Quasi-Z-Source Inverter for Distributed Generation Applications. IEEE Trans. Ind. Electron. 2013, 60, 1532–1541. [Google Scholar] [CrossRef]
- Liu, Y.; Ge, B.; Abu-Rub, H.; Peng, F.Z. Modelling and controller design of quasi-Z-source inverter with battery-based photovoltaic power system. IET Power Electron. 2014, 7, 1665–1674. [Google Scholar] [CrossRef]
- Yamamoto, K.; Shinohara, K.; Nagahama, T. Characteristics of permanent-magnet synchronous motor driven by PWM inverter with voltage booster. IEEE Trans. Ind. Appl. 2004, 40, 1145–1152. [Google Scholar] [CrossRef]
- Yamamoto, K.; Shinohara, K.; Makishima, H. Comparison between flux weakening and PWM inverter with voltage booster for permanent magnet synchronous motor drive. In Proceedings of the Power Conversion Conference-Osaka 2002 (Cat. No.02TH8579), Osaka, Japan, 2–5 April 2002; Volume 1, pp. 161–166. [Google Scholar]
- Lai, G.; Liu, Z.; Zhang, Y.; Chen, C.L.P.; Xie, S.; Liu, Y. Fuzzy Adaptive Inverse Compensation Method to Tracking Control of Uncertain Nonlinear Systems With Generalized Actuator Dead Zone. IEEE Trans. Fuzzy Syst. 2017, 25, 191–204. [Google Scholar] [CrossRef]
- Meng, D.; Li, A.; Lu, B.; Tang, C.; Li, Q. Adaptive Dynamic Surface Control of Pneumatic Servo Systems With Valve Dead-Zone Compensation. IEEE Access 2018, 6, 71378–71388. [Google Scholar] [CrossRef]
- Shi, W.; Zhao, H.; Ma, J.; Yao, Y. Dead-Zone Compensation of an Ultrasonic Motor Using an Adaptive Dither. IEEE Trans. Ind. Electron. 2018, 65, 3730–3739. [Google Scholar] [CrossRef]
- Iuga, B.; Tirnovan, R.A. Variable High Frequency Power Inverter used in Wireless Power Transfer. In Proceedings of the 2019 8th International Conference on Modern Power Systems (MPS), Cluj Napoca, Romania, 21–23 May 2019; pp. 1–3. [Google Scholar]
- Kim, D.; Ahn, D. Self-Tuning LCC Inverter Using PWM-Controlled Switched Capacitor for Inductive Wireless Power Transfer. IEEE Trans. Ind. Electron. 2019, 66, 3983–3992. [Google Scholar] [CrossRef]
- Lee, A.T.L.; Jin, W.; Tan, S.; Hui, S.Y. Buck-Boost Single-Inductor Multiple-Output High-Frequency Inverters for Medium-Power Wireless Power Transfer. IEEE Trans. Power Electron. 2019, 34, 3457–3473. [Google Scholar] [CrossRef]
- Samadian, A.; Hosseini, S.H.; Sabahi, M.; Maalandish, M. A New Coupled Inductor Non-isolated High step up Quasi Z-Source DC-DC Converter. IEEE Trans. Ind. Electron. 2019. [Google Scholar] [CrossRef]












| Parameter | Value | Parameter | Value |
|---|---|---|---|
| normal power (kW) | 2.45 | nominal torque (N·m) | 33.5 |
| nominal voltage (V) | 220 | d-axis inductance (mH) | 5.3 |
| rated speed (r/min) | 700 | q-axis inductance (mH) | 10.5 |
| magnet flux (Wb) | 0.425 | poles | 4 |
| Inductor | Capacitor | IGBT | |||
|---|---|---|---|---|---|
| Inductance (mH) | Rated Current (A) | Capacitance (µF) | Rated Voltage (V) | Rated Voltage (V) | Rated Current (A) |
| 1.2 | 35 | 550 | 450 | 600 | 50 |
© 2019 by the authors. Licensee MDPI, Basel, Switzerland. This article is an open access article distributed under the terms and conditions of the Creative Commons Attribution (CC BY) license (http://creativecommons.org/licenses/by/4.0/).
Share and Cite
Dong, S.; Zhang, Q.; Ma, H.; Wang, R. Design for the Interior Permanent Magnet Synchronous Motor Drive System Based on the Z-Source Inverter. Energies 2019, 12, 3350. https://doi.org/10.3390/en12173350
Dong S, Zhang Q, Ma H, Wang R. Design for the Interior Permanent Magnet Synchronous Motor Drive System Based on the Z-Source Inverter. Energies. 2019; 12(17):3350. https://doi.org/10.3390/en12173350
Chicago/Turabian StyleDong, Shuai, Qianfan Zhang, Hongwei Ma, and Rui Wang. 2019. "Design for the Interior Permanent Magnet Synchronous Motor Drive System Based on the Z-Source Inverter" Energies 12, no. 17: 3350. https://doi.org/10.3390/en12173350
APA StyleDong, S., Zhang, Q., Ma, H., & Wang, R. (2019). Design for the Interior Permanent Magnet Synchronous Motor Drive System Based on the Z-Source Inverter. Energies, 12(17), 3350. https://doi.org/10.3390/en12173350
