Research on an Asymmetric Fault Control Strategy for an AC/AC System Based on a Modular Multilevel Matrix Converter
Abstract
:1. Introduction
2. System Configuration and Operating Principle
2.1. Double αβ0 Coordinate Transformation
2.2. Simulation Results
3. AC Asymmetric Fault Control Strategy
3.1. Extraction of Positive and Negative Sequence Components
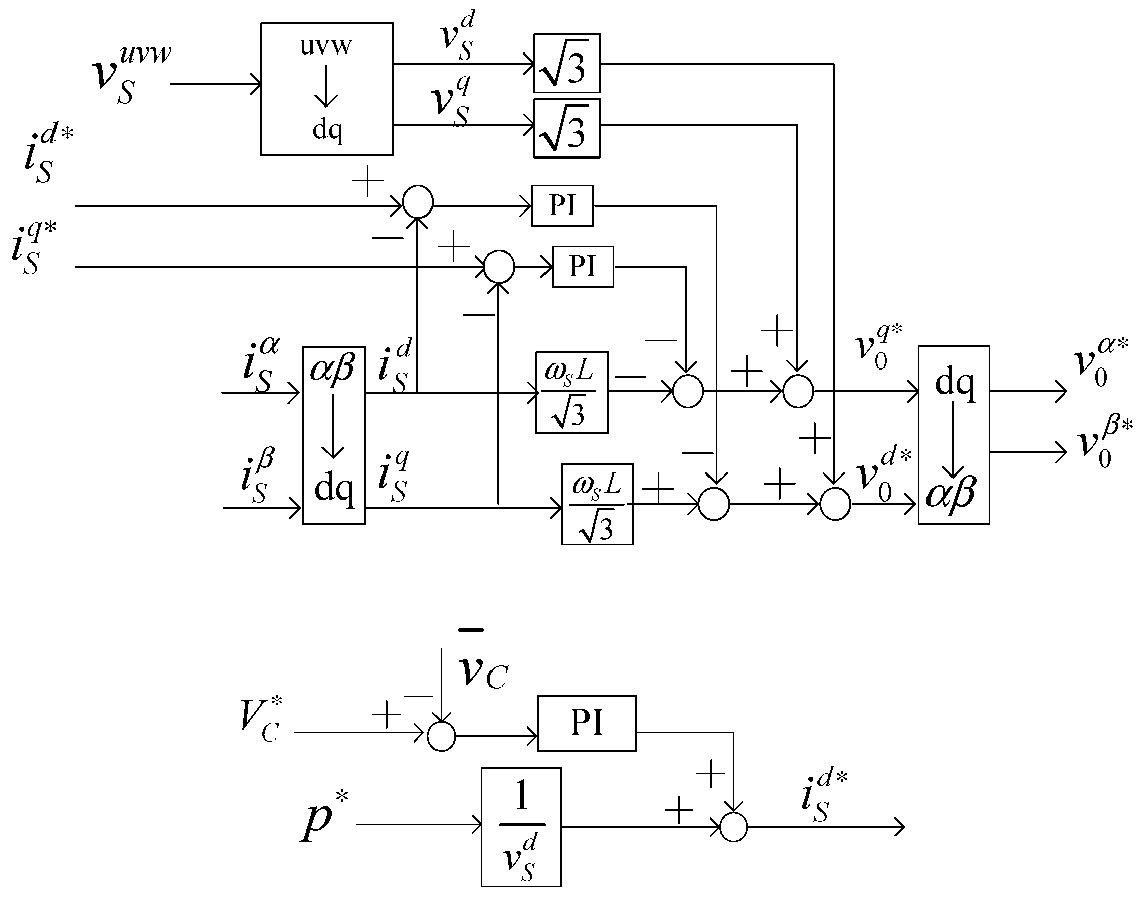
3.2. Control Strategy of the Primary Side System
3.3. Control Strategy of the Secondary Side System
3.4. Power Control
3.5. Capacitor Voltage Control
3.6. Circulating Current Control
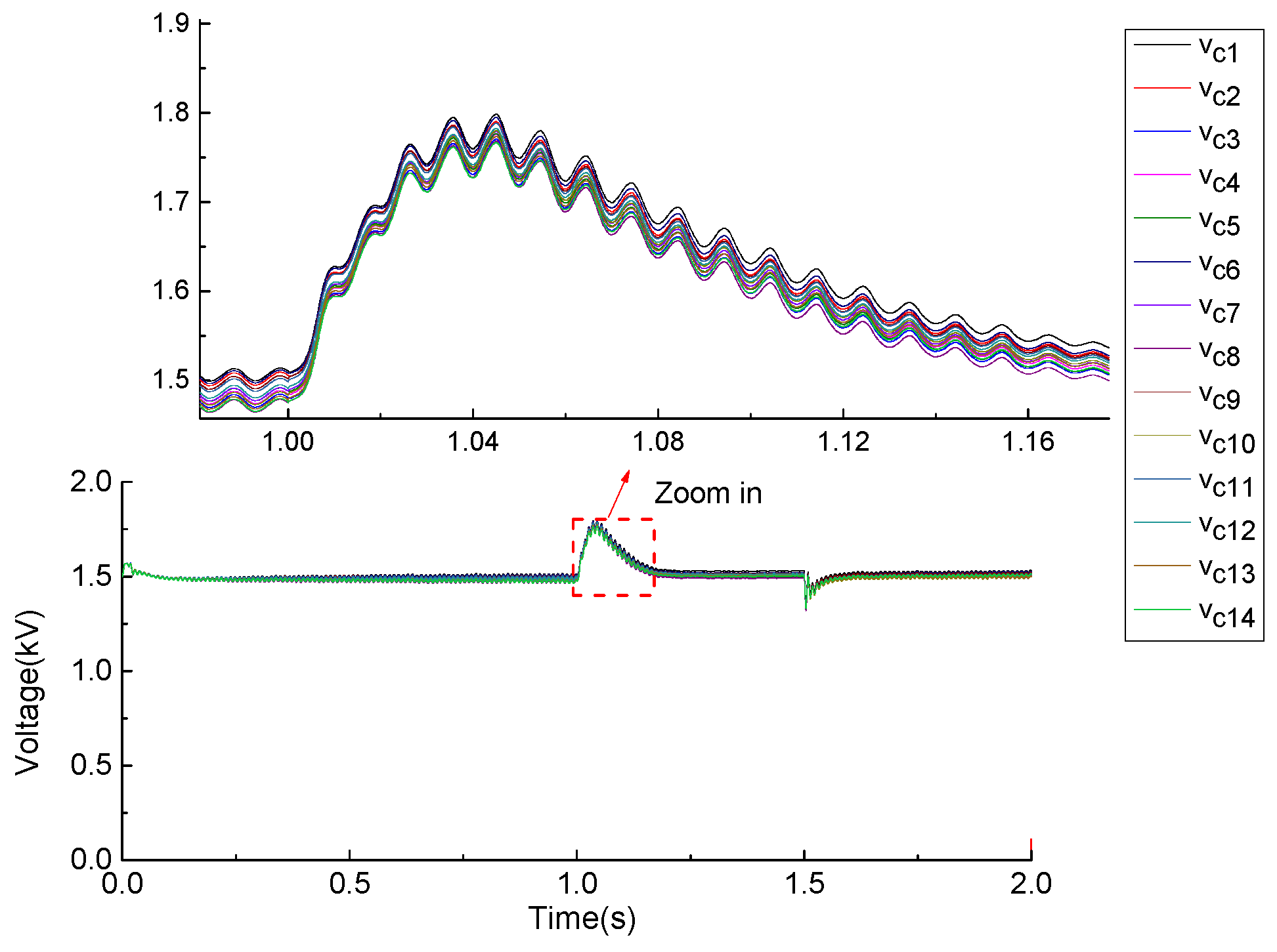
4. Assessment in Simulated Experiments
5. Conclusions
Author Contributions
Conflicts of Interest
Nomenclature
| Three-phase line-to-neutral voltages of primary side system. | |
| vMabc | Three-phase line-to-neutral voltages of secondary side system. |
| L | Inductance of each ac inductor. |
| vN | Neutral point potential. |
| Nine branch ac voltages. | |
| Nine branch currents. | |
| , vMαβ | Three-phase voltages of both side systems on the αβ reference frame respectively. |
| Branch voltages on the αβ reference frame. | |
| Branch currents on the αβ reference frame. | |
| Four circulating currents. | |
| , , | Three-phase voltage and current on the dq reference frame. |
| Zero component of branch voltage on the dq reference frame. | |
| ωS, ωM | Angular frequencies of both side systems |
Appendix A
| Parameter Description | Symbol | Value |
|---|---|---|
| Primary side system voltage | V1(L-L) | 6 kV |
| Secondary side system voltage | V2(L-L) | 6 kV |
| Rated voltage of capacitor | Vc* | 1.5 kV |
| Capacitance value | C | 8400 μF |
| System frequency | f1 | 50 Hz |
| System frequency | f2 | 50/3 Hz |
| Branch inductor | L | 2.4 mH |
| Parameter Description | Symbol | Value |
|---|---|---|
| Primary side system voltage | V1(L-L) | 10 kV |
| Secondary side system voltage | V2(L-L) | 10 kV |
| Rated voltage of capacitor | Vc * | 1.5 kV |
| Number of submodules within each branch | n | 20 |
| Capacitance value | C | 8400 μF |
| System frequency | f1 | 50 Hz |
| System frequency | f2 | 50 Hz |
| Switching frequency | fsw | 2 kHz |
| Branch inductor | L | 2.4 mH |
| Constant | Kp | 20 |
| Constant | Ki | 1000 |
| Constant | Ks | 10 |
| Constant | Ts | 0.001 |
| Constant | KA | 10 |
| Constant | TA | 0.1 |
| Constant | k1 | 0.1 |
| Constant | k2 | 1.5 |
References
- Marqurdt, R. Stromrichterschaltungen Mit Verteilten Energies-Peichern. German Patent DE10103031A1, 24 January 2001. [Google Scholar]
- Oates, C. A methodology for developing ‘Chainlink’ converters. In Proceedings of the 13th Europe Conference on Power Electronics and Applications, Barcelona, Spain, 8–10 September 2009. [Google Scholar]
- Karwatzki, D.; Von-Hofen, M.; Baruschka, L.; Mertens, A. Operation of modular multilevel matrix converters with failed branches. In Proceedings of the 40th Annual Conference of the IEEE Industrial Electronics Society, Dallas, TX, USA, 29 October–1 November 2014. [Google Scholar]
- Meng, Y.; Wang, J.; Li, L. Mathematical mod-el and control strategy of M3C converter based on double dq coordinate transformation. J. Electr. Eng. China 2016, 36, 4702–4712. [Google Scholar]
- Angkititrakul, S.; Erickson, R.W. Control and implementation of a new modular matrix converter. In Proceedings of the Nineteenth Annual IEEE Applied Power Electronics Conference and Exposition, Anaheim, CA, USA, 22–26 February 2004. [Google Scholar]
- Angkititrakul, S.; Erickson, R.W. Capacitor voltage balancing control for a modular matrix converter. In Proceedings of the Twenty-First Annual IEEE Applied Power Electronics Conference and Exposition, Dallas, TX, USA, 19–23 March 2006. [Google Scholar]
- Mora, A.; Espinoza, M.; Díaz, M.; Cárdenas, R. Model Predictive Control of Modular Multilevel Matrix Converter. In Proceedings of the 24th IEEE International Symposium on Industrial Electronics (ISIE), Buzios, Brazil, 3–5 June 2015. [Google Scholar]
- Fan, B.; Wang, K.; Wheeler, P. An Optimal Full Frequency Control Strategy for the Modular Multilevel Matrix Converter Based on Predictive Control. IEEE Trans. Power Electron. 2018, 33, 6608–6621. [Google Scholar] [CrossRef]
- Kammerer, F.; Kolb, J.; Braun, M. A novel cascaded vector control scheme for the Modular Multilevel Matrix Converter. In Proceedings of the 37th Annual Conference of the IEEE Industrial Electronics Society, Melbourne, Australia, 7–10 November 2011. [Google Scholar]
- Kammerer, F.; Kolb, J.; Braun, M. Fully decoupled current control and energy balancing of the Modular Multilevel Matrix Converter. In Proceedings of the 15th International Power Electronics and Motion Control Conference (EPE/PEMC), Novi Sad, Serbia, 4–6 September 2012. [Google Scholar]
- Kammerer, F.; Gommeringer, M.; Kolb, J.; Braun, M. Energy balancing of the Modular Multilevel Matrix Converter based on a new transformed arm power analysis. In Proceedings of the 16th European Conference on Power Electronics and Applications, Lappeenranta, Finland, 26–28 August 2014. [Google Scholar]
- Li, F.; Wang, G. Steady-state analysis of capacitor voltage ripple in modular multilevel matrix converter. Chin. J. Electr. Eng. 2013, 33, 52–58. [Google Scholar]
- Li, F.; Wang, G.; Liu, R. Control method for expanding low frequency operation range of modular multilevel matrix converter. Power Syst. Autom. 2016, 40, 132–138. [Google Scholar]
- Li, F.; Wang, G. Control strategy for low-frequency operation of modular multilevel matrix converters with similar input and output frequencies. J. Electr. Technol. 2016, 31, 107–114. [Google Scholar]
- Miura, Y.; Mizutani, T.; Ito, M.; Ise, T. Modular multilevel matrix converter for low frequency AC transmission. In Proceedings of the 10th IEEE International Conference on Power Electronics and Drive Systems (PEDS), Kitakyushu, Japan, 22–25 April 2013. [Google Scholar]
- Huang, L.; Yang, X.; Zhang, B.; Qiao, L. Hierarchical model predictive control of modular multilevel matrix converter for low frequency AC transmission. In Proceedings of the 9th International Conference on Power Electronics and ECCE Asia (ICPE-ECCE Asia), Seoul, Korea, 1–5 June 2015. [Google Scholar]
- Ma, J.; Dahidah, M.; Pickert, V. Modular multilevel matrix converter for offshore low frequency AC transmission system. In Proceedings of the 26th IEEE International Symposium on Industrial Electronics (ISIE), Edinburgh, UK, 19–21 June 2017. [Google Scholar]
- Liu, S.; Wang, X.; Meng, Y.; Sun, P. A Decoupled Control Strategy of Modular Multilevel Matrix Converter for Fractional Frequency Transmission System. IEEE Trans. Power Deliv. 2017, 32, 2111–2121. [Google Scholar] [CrossRef]
- Kawamura, W.; Hagiwara, M.; Akagi, H. Control and experiment of a 380-V, 15-kW motor drive using modular multilevel cascade converter based on triple-star bridge cells (MMCC-TSBC). In Proceedings of the International Power Electronics Conference (IPEC-Hiroshima 2014—ECCE ASIA), Hiroshima, Japan, 18–21 May 2014. [Google Scholar]
- Kawamura, W.; Akagi, H. Control of the modular multilevel cascade converter based on triple-star bridge-cells (MMCC-TSBC) for motor drives. In Proceedings of the 2012 IEEE Energy Conversion Congress and Exposition (ECCE), Raleigh, NC, USA, 15–20 September 2012. [Google Scholar]
- Kawamura, W.; Hagiwara, M.; Akagi, H. Control and Experiment of a Modular Multilevel Cascade Converter Based on Triple-Star Bridge Cells. IEEE Trans. Ind. Appl. 2014, 50, 3536–3548. [Google Scholar] [CrossRef]
- Hong-Seok, S.; Kwanghee, N. Dual current control scheme for PWM converter under unbalanced input voltage conditions. IEEE Trans. Ind. Electron. 1999, 46, 953–959. [Google Scholar] [CrossRef]
- Cárdenas, R.; Díaz, M.; Rojas, F.; Clare, J. Resonant control system for low-voltage ride-through in wind energy conversion systems. IET Power Electron. 2016, 9, 1297–1305. [Google Scholar] [CrossRef]
- Díaz, M.; Cárdenas, R. Analysis of synchronous and stationary reference frame control strategies to fulfill LVRT requirements in Wind Energy Conversion Systems. In Proceedings of the Ninth International Conference on Ecological Vehicles and Renewable Energies (EVER), Monte-Carlo, Monaco, 25–27 March 2014. [Google Scholar]
- Kawamura, W.; Hagiwara, M.; Akagi, H. A broad range of frequency control for the modular multilevel cascade converter based on triple-star bridge-cells (MMCC-TSBC). In Proceedings of the IEEE Energy Conversion Congress and Exposition, Denver, CO, USA, 15–19 September 2013. [Google Scholar]
- Kawamura, W.; Hagiwara, M.; Akagi, H. Experimental verification of a modular multilevel cascade converter based on triple-star bridge-cells (MMCC-TSBC) for motor drives. In Proceedings of the 1st International Future Energy Electronics Conference (IFEEC), Tainan, Taiwan, 3–6 November 2013. [Google Scholar]
- Kawamura, W.; Chiba, Y.; Hagiwara, M.; Akagi, H. Experimental verification of TSBC-based electrical drives when the motor frequency is passing through, or equal to, the supply frequency. In Proceedings of the IEEE Energy Conversion Congress and Exposition (ECCE), Montreal, QC, Canada, 20–24 September 2015. [Google Scholar]
- Kawamura, Y.; Chiba, M.; Akagi, H. Experimental Verification of an Electrical Drive Fed by a Modular Multilevel TSBC Converter When the Motor Frequency Gets Closer or Equal to the Supply Frequency. IEEE Trans. Ind. Appl. 2017, 53, 2297–2306. [Google Scholar] [CrossRef]























| Time (s) | P1 (MW) | P2 (MW) |
|---|---|---|
| 0~1 s | 7.5 | −7.5 |
| 1 s~1.5 s | 3.5 | −3.5 |
| 1.5 s~2 s | 7.5 | −7.5 |
© 2019 by the authors. Licensee MDPI, Basel, Switzerland. This article is an open access article distributed under the terms and conditions of the Creative Commons Attribution (CC BY) license (http://creativecommons.org/licenses/by/4.0/).
Share and Cite
Zhang, C.; Jiang, D.; Zhang, X.; Liang, Y. Research on an Asymmetric Fault Control Strategy for an AC/AC System Based on a Modular Multilevel Matrix Converter. Energies 2019, 12, 3137. https://doi.org/10.3390/en12163137
Zhang C, Jiang D, Zhang X, Liang Y. Research on an Asymmetric Fault Control Strategy for an AC/AC System Based on a Modular Multilevel Matrix Converter. Energies. 2019; 12(16):3137. https://doi.org/10.3390/en12163137
Chicago/Turabian StyleZhang, Chong, Daozhuo Jiang, Xuan Zhang, and Yiqiao Liang. 2019. "Research on an Asymmetric Fault Control Strategy for an AC/AC System Based on a Modular Multilevel Matrix Converter" Energies 12, no. 16: 3137. https://doi.org/10.3390/en12163137
APA StyleZhang, C., Jiang, D., Zhang, X., & Liang, Y. (2019). Research on an Asymmetric Fault Control Strategy for an AC/AC System Based on a Modular Multilevel Matrix Converter. Energies, 12(16), 3137. https://doi.org/10.3390/en12163137

