Enhancement of DUBAL Network Operational Performance Using Resistive High Temperature Superconducting Fault Current Limiter †
Abstract
:1. Introduction
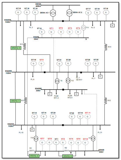
2. Network Description and Study Methodology
3. Fault Current and Harmonic Analysis with Reactor FCL
3.1. Fault Current Analysis
3.2. Harmonic Analysis
3.3. Voltage Profiles
4. Network Modeling and Analysis with Resistive HT-SFCL
4.1. Resistive HT-SFCL Model
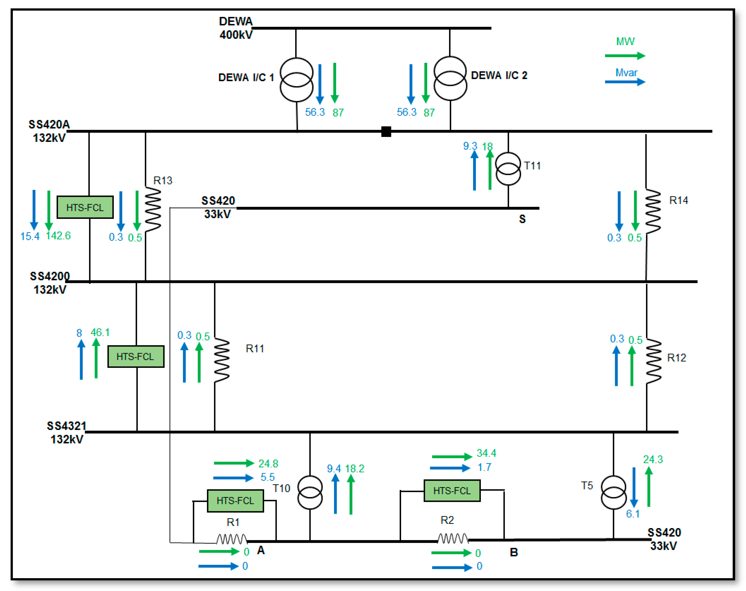
4.2. Network Model with HT-SFCL
- Configuration 1: 132 kV resistor HTS-FCL between SS4200 and SS4321 only in operation.
- Configuration 2: 33 kV resistor HTS-FCL in SS420 between section A and section B is only in operation.
- Configuration 3: 132 kV resistor HTS-FCL between SS4200 and SS420A is only in operation.
- Configuration 4: 33 kV resistor HTS-FCL in SS420 between section S and section A is only in operation.
- Configuration 5: Both 132 and 33 kV resistor HTS-FCLs are in operation (R-HTS-FCL1 and R-HTS-FCL2).
- Configuration 6: All 132 and 33 kV resistor HTS-FCLs are in operation.
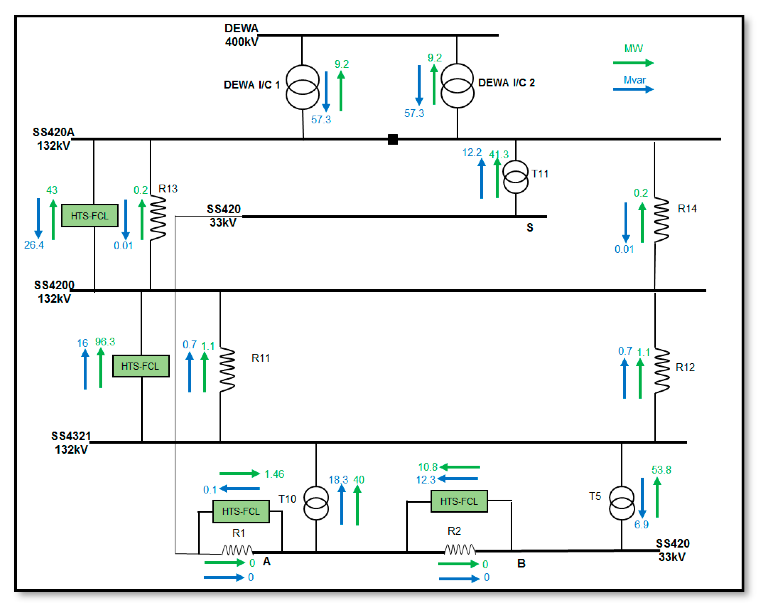
4.3. Network with HT-SFCL—Configuration 6
5. Contingency Studies
5.1. Generator Trip
5.2. Series Reactor Trip
6. Conclusions
Author Contributions
Funding
Conflicts of Interest
References
- Morandi, A. State of the art of superconducting fault current limiters and their application to the electric power system. Phys. C Supercond. 2013, 484, 242–247. [Google Scholar] [CrossRef]
- Kalsi, S.S. Applications of High Temperature Superconductors to Electric Power Equipment; John Wiley and Sons: Hoboken, NJ, USA, 2011; Volume 26. [Google Scholar]
- Noe, M.; Steurer, M. High-temperature superconductor fault current limiters: concepts, applications, and development status. Supercond. Sci. Technol. 2007, 20, R15–R29. [Google Scholar] [CrossRef]
- Kovalsky, L.; Yuan, X.; Tekletsadik, K.; Keri, A.; Bock, J.; Breuer, F. Applications of superconducting fault current limiters in electric power transmission systems. IEEE Trans. Appl. Supercond. 2005, 15, 2130–2133. [Google Scholar] [CrossRef]
- Xie, Y.-Y.; Marchevsky, M.; Zhang, X.; Lenseth, K.; Chen, Y.; Xiong, X.; Qiao, Y.; Rar, A.; Gogia, B.; Schmidt, R.; et al. Second-Generation HTS Conductor Design and Engineering for Electrical Power Applications. IEEE Trans. Appl. Supercond. 2009, 19, 3009–3013. [Google Scholar]
- Lee, B.W.; Rhee, S.B. Test Requirements and Performance Evaluation for Both Resistive and Inductive Superconducting Fault Current Limiters for 22.9 kV Electric Distribution Network in Korea. IEEE Trans. Appl. Supercond. 2010, 20, 1114–1117. [Google Scholar] [CrossRef]
- Elschner, S.; Breuer, F.; Noe, M.; Rettelbach, T.; Walter, H.; Böck, J. Manufacturing and testing of MCP 2212 bifilar coils for a 10 MVA fault current limiter. IEEE Trans. Appl. Supercond. 2003, 13, 1980–1983. [Google Scholar] [CrossRef]
- Abbott, S.B.; Robinson, D.A.; Perera, S.; Darmann, F.A.; Hawley, C.J.; Beales, T.P. Simulation of HTS saturable core-type FCLs for MV distribution syste+ms. IEEE Trans. Power Del. 2006, 21, 1013–1018. [Google Scholar] [CrossRef]
- Ruiz, H.S.; Zhang, X.; Coombs, T.A.; Rondan, H.S.R.; Zhong, Z. Resistive-Type Superconducting Fault Current Limiters: Concepts, Materials, and Numerical Modeling. IEEE Trans. Appl. Supercond. 2015, 25, 1–5. [Google Scholar] [CrossRef]
- Lee, H.; Kang, H. Conceptual Design of a Resistive 154 kV/2 kA Superconducting Fault Current Limiter. IEEE Trans. Appl. Supercond. 2016, 26, 1–5. [Google Scholar] [CrossRef]
- Noe, M.; Hobl, A.; Tixador, P.; Martini, L.; Dutoit, B. Conceptual Design of a 24 kV, 1 kA Resistive Superconducting Fault Current Limiter. IEEE Trans. Appl. Supercond. 2012, 22, 5600304. [Google Scholar] [CrossRef]
- Dommerque, R.; Krämer, S.; Hobl, A.; Böhm, R.; Bludau, M.; Bock, J.; Klaus, D.; Piereder, H.; Wilson, A.; Krüger, T.; et al. First commercial medium voltage superconducting fault-current limiters: Production, test and installation. Supercond. Sci. Technol. 2010, 23, 34020. [Google Scholar] [CrossRef]
- Bock, J.; Bludau, M.; Dommerque, R.; Hobl, A.; Kraemer, S.; Rikel, M.O.; Elschner, S. HTS Fault Current Limiters—First Commercial Devices for Distribution Level Grids in Europe. IEEE Trans. Appl. Supercond. 2011, 21, 1202–1205. [Google Scholar] [CrossRef]
- Martini, L.; Bocchi, M.; Ascade, M.; Valzasina, A.; Rossi, V.; Ravetta, C.; Angeli, G. The first Italian Superconducting Fault Current Limiter: Results of the field testing experience after one year operation. J. Phys. Conf. Ser. 2014, 507, 032003. [Google Scholar] [CrossRef]
- El Moursi, M.S.; Hegazy, R. Novel Technique for Reducing the High Fault Currents and Enhancing the Security of ADWEA Power System. IEEE Trans. Power Syst. 2013, 28, 140–148. [Google Scholar] [CrossRef]
- Fotuhi-Firuzabad, M.; Aminifar, F.; Rahmati, I. Reliability Study of HV Substations Equipped With the Fault Current Limiter. IEEE Trans. Power Deliv. 2012, 27, 610–617. [Google Scholar] [CrossRef]
- Alaraifi, S.; El Moursi, M.S.; Zeineldin, H.H. Optimal Allocation of HTS-FCL for Power System Security and Stability Enhancement. IEEE Trans. Power Syst. 2013, 28, 4701–4711. [Google Scholar] [CrossRef]
- IEC. Limitation of Emission of Harmonic Currents for Equipment Connected to Medium and High Voltage Supply Systems; IEC 61000-3-6; IEC: Geneva, Switzerland, 1996. [Google Scholar]
- IEEE. IEEE Recommended Practices and Requirements for Harmonic Control in Electrical Power Systems; IEEE Std 519-1992; IEEE: Piscatway, NJ, USA, 1993; pp. 1–112. [Google Scholar]
- Stavrev, S.; Vinot, F.; Klutsch, I.; Meunier, G.; Tixador, P.; Yang, Y.; Martinez, E. Comparison of Numerical Methods for Modeling of Superconductors. IEEE Trans. Magn. 2002, 38, 849–852. [Google Scholar] [CrossRef]
- Duron, J.; Grilli, F.; Dutoit, B.; Stavrev, S. Modelling the E–J relation of high-Tc superconductors in an arbitrary current range. Phys. C Supercond. 2004, 401, 231–235. [Google Scholar] [CrossRef]
- Morandi, A. 2D electromagnetic modelling of superconductors. Supercond. Sci. Technol. 2012, 25, 104003. [Google Scholar] [CrossRef]
- Langston, J.; Steurer, M.; Woodruff, S.; Baldwin, T.; Tang, J. A Generic Real-Time Computer Simulation Model for Superconducting Fault Current Limiters and its Application in System Protection Studies. IEEE Trans. Appl. Supercond. 2005, 15, 2090–2093. [Google Scholar] [CrossRef]
- Dutta, S.; Babu, B.C. Modelling and analysis of resistive Superconducting Fault Current Limiter. In Proceedings of the 2014 IEEE Students’ Technology Symposium, (TechSym), Kharagpur, India, 28 February–2 March 2014; pp. 362–366. [Google Scholar]
- Gomory, F.; Mosat, M.; Souc, J. Superconducting fault current limiter operating in liquid nitrogen. In Proceedings of the 2014 ELEKTRO, Rajecke Teplice, Slovakia, 19–20 May 2014; pp. 650–653. [Google Scholar]
- Lee, G.H.; Park, K.B.; Sim, J.; Kim, Y.G.; Oh, I.S.; Hyun, O.B.; Lee, B.W. Hybrid Superconducting Fault Current Limiter of the First Half Cycle Non-Limiting Type. IEEE Trans. Appl. Supercond. 2009, 19, 1888–1891. [Google Scholar]
- Noe, M.; Kudymow, A.; Fink, S.; Elschner, S.; Breuer, F.; Bock, J.; Walter, H.; Kleimaier, M.; Weck, K.-H.; Neumann, C.; et al. Conceptual Design of a 110 kV Resistive Superconducting Fault Current Limiter Using MCP-BSCCO 2212 Bulk Material. IEEE Trans. Appl. Supercond. 2007, 17, 1784–1787. [Google Scholar] [CrossRef]
- Llambes, J.-C.; Hazelton, D.; Weber, C. Recovery Under Load Performance of 2nd Generation HTS Superconducting Fault Current Limiter for Electric Power Transmission Lines. IEEE Trans. Appl. Supercond. 2009, 19, 1968–1971. [Google Scholar] [CrossRef]
- Ye, L.; Juengst, K.-P. Modeling and Simulation of High Temperature Resistive Superconducting Fault Current Limiters. IEEE Trans. Appl. Supercond. 2004, 14, 839–842. [Google Scholar] [CrossRef]
- Choi, H.S.; Lim, S.H.; Chung, D.C.; Han, B.S.; Hyun, O.B.; Sung, T.H.; Hwang, J.S. Responses of resistive superconducting-fault-current-limiters to unbalanced faults. IEEE Trans. Appl. Supercond. 2005, 15, 2035–2038. [Google Scholar] [CrossRef]










| Voltage Level | Substation Name | Symmetrical Breaking Current, kA | Asymmetrical Breaking Current, kA | Peak Current, kA |
|---|---|---|---|---|
| 132 kV | 420A | 40 | 48.9 | 100 |
| 132 kV | 4200 | 40 | 49.6 | 100 |
| 132 kV | 4321 | 40 | 46.8 | 104 |
| 33 kV | 420 | 40 | 43.5 | 100 |
| Symmetrical Short-Circuit Breaking Current | |||||
|---|---|---|---|---|---|
| Three-Phase | One-Phase | ||||
| Busbar | Rating [kA] | Current [kA] | Margin [%] | Current [kA] | Margin [%] |
| 132 kV_420A | 40 | 27.715 | 30.7 | 34.344 | 14.1 |
| 132 kV_4200 | 40 | 22.520 | 43.7 | 31.778 | 20.6 |
| 132 kV_4321 | 40 | 19.481 | 51.3 | 26.698 | 33.3 |
| 33 kV_420_S | 40 | 12.121 | 69.7 | 15.371 | 61.6 |
| 33 kV_420_A | 40 | 13.572 | 66.1 | 15.301 | 61.7 |
| 33 kV_420_B | 40 | 13.732 | 65.7 | 17.016 | 57.5 |
| Asymmetrical Short-Circuit Breaking Current | |||||
|---|---|---|---|---|---|
| Three-Phase | One-Phase | ||||
| Busbars | Rating [kA] | Current [kA] | Margin [%] | Current [kA] | Margin [%] |
| 132 kV_420A | 48.9 | 38.309 | 21.7 | 36.608 | 25.1 |
| 132 kV_4200 | 49.6 | 33.923 | 31.6 | 32.662 | 34.1 |
| 132 kV_4321 | 46.8 | 29.186 | 37.6 | 27.498 | 41.2 |
| 33 kV_420_S | 43.5 | 18.966 | 56.4 | 22.165 | 49.0 |
| 33 kV_420_A | 43.5 | 19.378 | 55.5 | 17.792 | 59.1 |
| 33 kV_420_B | 43.5 | 19.043 | 56.2 | 20.585 | 52.7 |
| Busbars | Max. THD [%] | Measured THD [%] | Computed THD [%] |
|---|---|---|---|
| 132 kV_420A | 2.5 | 1.46 | 1.162 |
| 132 kV_4200 | 2.5 | 1.52 | 1.737 |
| 132 kV_4321 | 2.5 | 1.37 | 1.592 |
| Parameter | 132 kV | 33 kV |
|---|---|---|
| Rated power (MVA) | 250 | 60 |
| Rated voltage (kV) | 132 | 33 |
| Rated current (A) | 1093 | 1575 |
| SC resistance (RSC, p.u. *) | 0.000142 | 0.000241 |
| Max. resistance (Rmax, p.u.) | 0.040174 | 0.36497 |
| Network with HT-SFCL (Config. 6) | Symmetrical Short-Circuit Breaking Current | ||||
|---|---|---|---|---|---|
| Three-Phase | One-Phase | ||||
| Busbars | Rating [kA] | Current [kA] | Margin [%] | Current [kA] | Margin [%] |
| 132 kV_420A | 40 | 28.299 | 29.3 | 34.926 | 12.7 |
| 132 kV_4200 | 40 | 23.500 | 41.3 | 33.001 | 17.5 |
| 132 kV_4321 | 40 | 20.650 | 48.4 | 28.112 | 29.7 |
| 33 kV_420_S | 40 | 16.264 | 59.3 | 19.935 | 50.2 |
| 33 kV_420_A | 40 | 18.527 | 53.7 | 20.711 | 48.2 |
| 33 kV_420_B | 40 | 14.860 | 62.9 | 18.200 | 54.5 |
| Network with HT-SFCL (Config. 6) | Asymmetrical Breaking Current | ||||
|---|---|---|---|---|---|
| Three-Phase | One-Phase | ||||
| Busbars | Rating [kA] | Current [kA] | Margin [%] | Current [kA] | Margin [%] |
| 132 kV_420A | 48.9 | 34.928 | 28.6 | 36.708 | 24.9 |
| 132 kV_4200 | 49.6 | 27.085 | 45.4 | 33.306 | 32.9 |
| 132 kV_4321 | 46.8 | 23.821 | 49.1 | 28.454 | 39.2 |
| 33 kV_420_S | 43.5 | 23.649 | 45.6 | 30.351 | 30.2 |
| 33 kV_420_A | 43.5 | 18.902 | 56.5 | 20.794 | 52.2 |
| 33 kV_420_B | 43.5 | 19.437 | 55.3 | 25.722 | 40.9 |
| Busbars | Max. THD [%] | THD [%] Reactor FCL | THD [%] HT-SFCL |
|---|---|---|---|
| 132 kV_420A | 2.5 | 1.162 | 1.131 |
| 132 kV_4200 | 2.5 | 1.737 | 1.147 |
| 132 kV_4321 | 2.5 | 1.592 | 1.156 |
| Busbars | Max. THD [%] | THD [%], Reactor FCL | THD [%], HT-SFCL |
|---|---|---|---|
| 33 kV_4200 | 5 | 1.586 | 1.219 |
| 33 kV_420_S | 5 | 0.990 | 0.934 |
| 33 kV_420_A | 5 | 1.321 | 0.934 |
| 33 kV_420_B | 5 | 1.418 | 0.935 |
| Busbars | IPSA Voltage Level Without HT-SFCL [kV] | IPSA Voltage Level With HT-SFCL [kV] |
|---|---|---|
| 132 kV_420A | 128.886 | 129.530 |
| 132 kV_4200 | 127.380 | 129.455 |
| 132 kV_4321 | 127.917 | 129.473 |
| 33 kV_420_S | 33.068 | 32.969 |
| 33 kV_420_A | 32.848 | 32.967 |
| 33 kV_420_B | 32.885 | 32.964 |
| Busbars | IPSA Voltage Level without HT-SFCL [kV] | IPSA Voltage Level with HT-SFCL [kV] |
|---|---|---|
| 132 kV_420A | 130.938 | 130.202 |
| 132 kV_4200 | 129.629 | 130.199 |
| 132 kV_4321 | 130.095 | 130.237 |
| 33 kV_420_S | 33.177 | 33.007 |
| 33 kV_420_A | 32.969 | 33.006 |
| 33 kV_420_B | 32.782 | 33.007 |
© 2019 by the authors. Licensee MDPI, Basel, Switzerland. This article is an open access article distributed under the terms and conditions of the Creative Commons Attribution (CC BY) license (http://creativecommons.org/licenses/by/4.0/).
Share and Cite
Naji, H.; Harid, N.; Griffiths, H. Enhancement of DUBAL Network Operational Performance Using Resistive High Temperature Superconducting Fault Current Limiter. Energies 2019, 12, 3007. https://doi.org/10.3390/en12153007
Naji H, Harid N, Griffiths H. Enhancement of DUBAL Network Operational Performance Using Resistive High Temperature Superconducting Fault Current Limiter. Energies. 2019; 12(15):3007. https://doi.org/10.3390/en12153007
Chicago/Turabian StyleNaji, Hamood, Noureddine Harid, and Huw Griffiths. 2019. "Enhancement of DUBAL Network Operational Performance Using Resistive High Temperature Superconducting Fault Current Limiter" Energies 12, no. 15: 3007. https://doi.org/10.3390/en12153007
APA StyleNaji, H., Harid, N., & Griffiths, H. (2019). Enhancement of DUBAL Network Operational Performance Using Resistive High Temperature Superconducting Fault Current Limiter. Energies, 12(15), 3007. https://doi.org/10.3390/en12153007

