CO2 Refrigeration and Heat Pump Systems—A Comprehensive Review
Abstract
1. Introduction
2. CO2 Thermodynamic Basic Cycles Overview
3. Exergy Analysis of CO2 Systems
3.1. Exergy Balance of Compression
3.2. Exergy Balance of Condensation (Subcritical Operation) and Gas Cooler (Supercritical Operation)
3.3. Exergy Balance of Expansion (Throttling)
3.4. Exergy Balance of Evaporation
4. Basic Cycle Modifications
4.1. Internal Heat Exchanger
4.2. Mechanical Expander
4.3. Compression Staging
4.4. Parallel Compression
4.5. Summary of Cycle Modification Improvement Outcomes
5. Several Configurations of CO2-based Refrigeration System
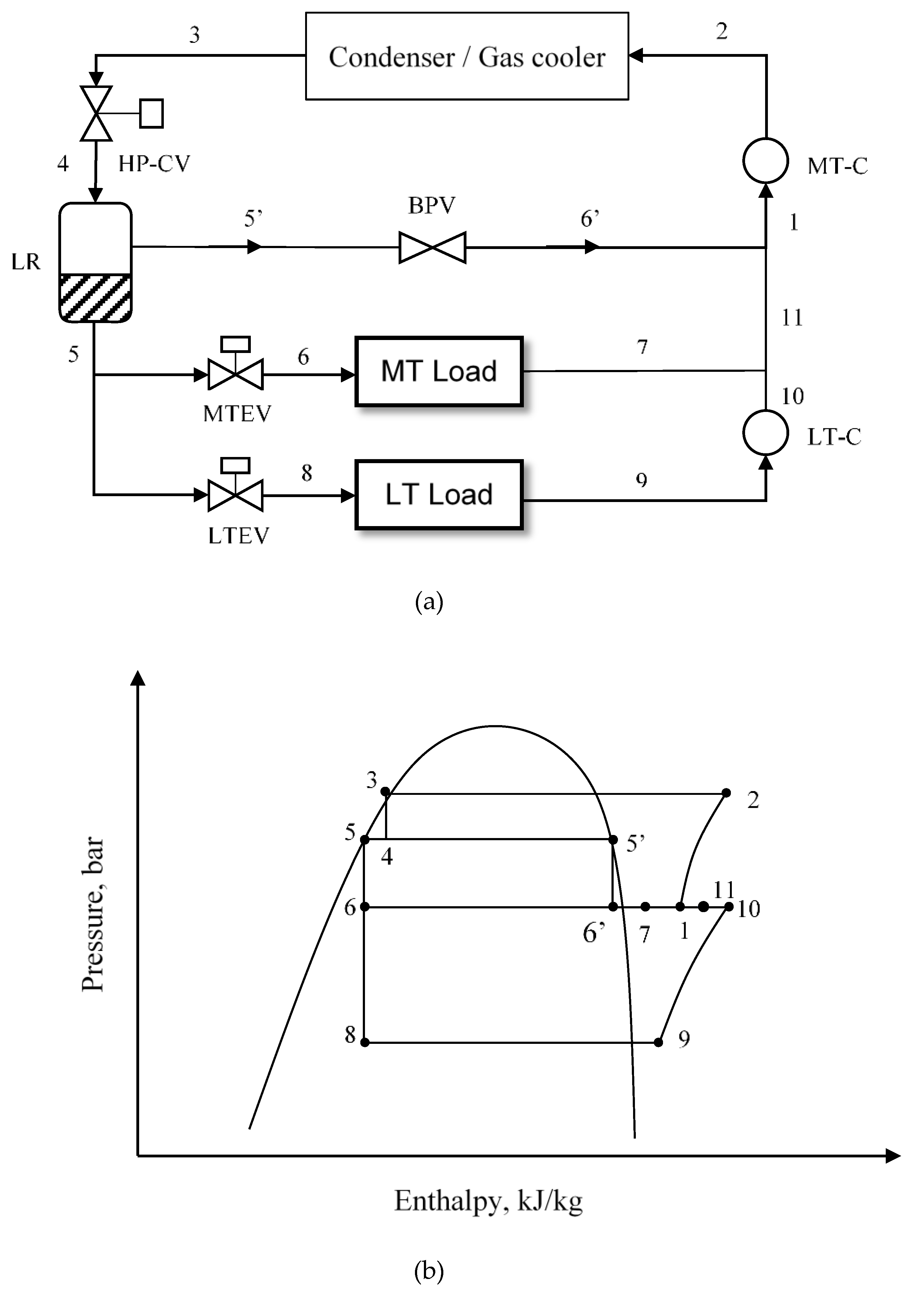
5.1. CO2 Booster System
5.2. Cascade System
5.3. Secondary System
6. System Modelling Tools
7. Transcritical Operation, Cooling System and Control
8. Applications
8.1. Supermarket: Refrigeration and Air Conditioning
8.2. Heat Pump Systems: Heat Utilisation During Transcritical Operation
8.3. Market Acceptance and Penetration
9. Future Research Directions
- Supercritical operation exhibits large exergy losses which affect the system performance in terms of COP and cooling capacity degradation.
- While gas cooling was found to have the exergy losses in the same order of magnitude as the exergy losses of the compressor, it was also found that throttling losses during supercritical operation can be significantly much higher than that of the system running in subcritical state. The very high exergy losses during the throttling process is obviously because of allowing the refrigerant from very high pressure to expand without performing any work. In other words, the supercritical operation spreads the exergy degradation to the whole components, not only the gas cooling unit.
- It was found that cycle modification through the introduction of more than one component—for instance, simultaneous introduction of a mechanical expander and IHX—can result in no performance improvement. All the cycle modifications discussed in Section 4 entail the introduction of additional internal components to the system, which will certainly affect the overall system balance which, unfortunately, not always in a beneficial way. This is one of the reasons why the expected improvement can never reach an optimum.
- On the other hand, the external manipulation/modification of cooling medium conditions—in this case bringing down the gas cooler air inlet temperature to enable the system running in subcritical state—does not interfere in the internal interaction between the components, it simply brings the system into its natural condition of operation, where the heat rejection occurs through condensation. Furthermore, such external modification minimises or eliminates the need for system internal modification.
- The technology for this climate manipulation already exists in the form of dew point evaporative cooling [26,93] which works effectively in warm to hot climates. The recent experimental results on a full-scale CO2 refrigeration system coupled with a dew point cooler [26] as reported in Section 7 can be considered a breakthrough, in that the solution is directed at attacking one of the main sources of system exergy destruction.
- Performance improvement of such technology can be done externally, separate from the entire system. In addition, internal modification such as adding new components (IHX, ejector, etc.) to the system will not be negatively impacted by the precooling system. Or, more appropriately, the precooling may deem such components unnecessary, unless it is essential to the operation of the system.
10. Conclusions
Author Contributions
Funding
Conflicts of Interest
List of Symbols
| h | specific enthalpy, kJ/kg |
| H | enthalpy, kJ |
| IR | irreversibility |
| m | mass flow rate, kg/hr |
| s | entropy, kJ/kg-K |
| x | specific exergy, kJ/kg |
| X | exergy, kJ |
| X | exergy transfer rate |
| XL | exergy losses, kJ |
| Subscripts | |
| ev | evaporator |
| th | thermal energy |
| x | exergetic |
| Abbreviations | |
| ATD | approach temperature difference |
| COP | coefficient of performance |
| DPC | dew point cooler |
| EV | expansion valve |
| FG | flash gas |
| HP | high pressure |
| HTF | heat transfer fluid |
| IHX | internal heat exchanger |
| KE | kinetic energy |
| LT | low temperature |
| MT | medium temperature |
| PE | potential energy |
| ROI | return on investment |
| SST | saturation suction temperature |
| WB | wet bulb |
References
- Brodribb, P.; McCann, M. Cold Hard Facts 3. Prepared by Expert Group & Thinkwell Australia Pty Ltd. Canberra for the Australian Government, Department of the Environment and Energy, (DoEE) Energy Innovation and Ozone Protection Branch, International Climate Change and Energy Innovation Division. 2018. Available online: http://www.environment.gov.au/protection/ozone/publications/cold-hard-facts-3 (accessed on 5 February 2019).
- Kim, M.-H.; Pettersen, J.; Bullard, C.W. Fundamental process and system design issues in CO2 vapour compression system. Prog. Energy Combust. Sci. 2004, 30, 119–174. [Google Scholar] [CrossRef]
- Pearson, A. Carbon dioxide—New uses for an old refrigerant. Int. J. Refrig. 2005, 28, 1140–1148. [Google Scholar] [CrossRef]
- Nekså, P.; Walnum, H.T.; Hafner, A. CO2—A refrigerant from the past with prospects of being one of the main refrigerants in the future. In Proceedings of the 2010 9th IIR Gustav Lorentzen Conference 2010—Natural refrigerants—Real alternatives, Sydney, Australia, 12–14 April 2010. [Google Scholar]
- Maina, P.; Huan, Z. A review of carbon dioxide as a refrigerant in refrigeration technology. S. Afr. J. Sci. 2015, 111, 1–10. [Google Scholar] [CrossRef]
- NCI (Navigant Consulting, Inc.). Case Study: Transcritical Carbon Dioxide Supermarket Refrigeration Systems—Prepared for Better Buildings Alliance Building Technologies Office, Office of Energy Efficiency and Renewable Energy—U.S. Department of Energy. 2015. Available online: https://betterbuildingssolutioncenter.energy.gov/sites/default/files/attachments/Transcritical_CO2_Supermarket_Refrigeration_Systems.pdf (accessed on 4 May 2018).
- Emerson Climate Technologies—Commercial CO2 Refrigeration Systems Guide for Subcritical and Transcritical CO2 Applications. Available online: http://www.r744.com/files/675_commercial_co2_guide.pdf (accessed on 30 August 2018).
- Fourie, M. A Subcritical and Transcritical Carbon Dioxide Refrigeration System Utilizing Multiple Expansion Devices. Master of Science in Engineering Thesis, Faculty of Engineering at Stellenbosch University, Stellenbosch, South Africa, 2014. [Google Scholar]
- Ranson, J.; Dusek, J. Coles Putting CO2 on the Map, Accelerate Australia & NZ. 2016. Available online: https://www.arneg.com.au/sites/default/files/communication-review/accelerate-05-2016/attachments/rassegnastampaaccelerateweb.pdf (accessed on 9 July 2018).
- Danfoss—Transcritical CO2 System in a Small Supermarket. 2008. Available online: http://www.r744.com/files/pdf_559.pdf (accessed on 13 July 2018).
- Sarkar, J. Review and future trends of supercritical CO2 Rankine cycle for low-grade heat conversion. Renew. Sustain. Energy Rev. 2015, 48, 434–451. [Google Scholar] [CrossRef]
- Ahn, Y.; Bae, S.J.; Kim, M.; Cho, S.K.; Baik, S.; Lee, J.I.; Cha, J.E. Review of Supercritical CO2 Power Cycle Technology and Current Status of Research and development. Nucl. Eng. Technol. 2015, 47, 647–661. [Google Scholar] [CrossRef]
- Li, M.-J.; Zhu, H.-H.; Guo, J.-Q.; Wang, K.; Tao, W.-Q. The development technology and applications of supercritical CO2 power cycle in nuclear energy, solar energy and other energy industries. Appl. Therm. Eng. 2017, 126, 255–275. [Google Scholar] [CrossRef]
- Llopis, R.; Nebot-Andrés, L.; Sánchez, D.; Catalán-Gil, J.; Cabello, R. Subcooling methods for CO2 refrigeration cycles: A review. Int. J. Refrig. 2018, 93, 85–107. [Google Scholar] [CrossRef]
- Sarkar, J. Review of cycle modifications of transcritical CO2 refrigeration and heat pump systems. J. Adv. Res. Mech. Eng. 2010, 1, 22–29. [Google Scholar]
- Zhang, Z.; Tong, L.; Wang, X. Thermodynamic Analysis of Double-Stage Compression Transcritical CO2 Refrigeration Cycles with an Expande. Entropy 2015, 17, 2544–2555. [Google Scholar] [CrossRef]
- Sawalha, S. Carbon Dioxide in Supermarket Refrigeration. Doctoral Thesis, Royal Institute of Technology (KTH), Stockholm, Sweden, 2008. [Google Scholar]
- Agrawal, N.; Bhattacharyya, S.; Sarkar, J. Optimization of two-stage transcritical carbon dioxide heat pump cycles. Int. J. Therm. Sci. 2007, 46, 180–187. [Google Scholar] [CrossRef]
- Kotas, T.J. The Exergy Method of Thermal Plant Analysis, Reprint ed.; Krieger Publishing Co.: Malabar, FL, USA, 1995; pp. 37–51. [Google Scholar]
- Çengel, Y.A.; Boles, M.A. Thermodynamics—An Engineering Approach, 7th ed.; McGraw Hill: Singapore, 2008. [Google Scholar]
- Ahamed, J.U.; Saidur, R.; Masjuki, H.H. A review on exergy analysis of vapor compression refrigeration system. Renew. Sustain. Energy Rev. 2011, 15, 1593–1600. [Google Scholar] [CrossRef]
- Moran, M.J.; Shapiro, H.N.; Boettner, D.D.; Bailey, M.B. Principles of Engineering Thermodynamics, 7th ed.; John Wiley & Sons, Inc.: Hoboken, NJ, USA, 2012; pp. 329–369. [Google Scholar]
- Bejan, A. Advanced Engineering Thermodynamics, 3rd ed.; John Wiley & Sons, Inc.: Hoboken, NJ, USA, 2006; pp. 204–221. [Google Scholar]
- Adriansyah, W. Combined Air-conditioning and Tap Water Heating Plant, Using CO2 as Refrigerant for Indonesian Climate Condition. Ph.D. Thesis, Norwegian University of Science and Technology, Trondheim, Norway, 2001. [Google Scholar]
- Cavallini, A.; Zilio, C. Carbon dioxide as a natural refrigerant. Int. J. Low Carbon Technol. 2007, 2, 226–249. [Google Scholar] [CrossRef]
- Belusko, M.; Bruno, F.; Liddle, R.; Alemu, A.; Halawa, E. Performance evaluation of a CO2 refrigeration system enhanced with a dew point cooler. Energies 2019, 12, 1079. [Google Scholar] [CrossRef]
- Yumrutaş, R.; Kunduz, M.; Kanoğlu, M. Exergy analysis of vapor compression refrigeration systems. Exergy Int. J. 2002, 2, 266–272. [Google Scholar] [CrossRef]
- Yang, J.L.; Ma, Y.T.; Li, M.X.; Guan, H.Q. Exergy analysis of transcritical carbon dioxide refrigeration cycle with an expander. Energy 2005, 30, 162–1175. [Google Scholar] [CrossRef]
- Shilliday, J.A.; Tassou, S.A.; Shilliday, N. Comparative energy and exergy analysis of R744, R404A and R290 refrigeration cycles. Int. J. Low-Carbon Technol. 2009, 4, 104–111. [Google Scholar] [CrossRef]
- Boewe, D.E.; Bullard, C.W.; Yin, J.M.; Hrnjak, P.S. Contribution of internal heat to transcritical R744 cycle performance. HVAC R Res. 2001, 7, 155–168. [Google Scholar]
- Singh, S.; Purohit, N.; Dasgupta, M.S. Comparative study of cycle modifications strategies for trans-critical CO2 refrigeration cycle for warm climatic conditions. Case Stud. Therm. Eng. 2016, 7, 78–91. [Google Scholar] [CrossRef]
- Sarkar, J.; Bhattacharyya, S.; Gopal, M.R. Optimization of a transcritical CO2 heat pump cycle for simultaneous cooling and heating applications. Int. J. Refrig. 2004, 27, 830–838. [Google Scholar] [CrossRef]
- Ituna-Yudonago, J.F.; Belman-Flores, J.M.; Elizalde-Blancas, F.; García-Valladares, O. Numerical investigation of CO2 behavior in the internal heat exchanger under variable boundary conditions of the transcritical refrigeration system. Appl. Therm. Eng. 2017, 115, 1063–1078. [Google Scholar] [CrossRef]
- Rigola, J.R.; Ablanque, N.; Pérez-Segarra; Oliva, A. Numerical simulation and experimental validation of internal heat exchanger influence on CO2 trans-critical cycle performance. Int. J. Refrig. 2010, 33, 664–674. [Google Scholar] [CrossRef]
- Domanski, P.A.; Didion, D.A.; Doyle, J.P. Evaluation of Suction Line-Liquid Line Heat Exchange in the Refrigeration Cycle. International Refrigeration and Air Conditioning Conference—Paper 149. 1992. Available online: http://docs.lib.purdue.edu/iracc/149 (accessed on 30 August 2018).
- Robinson, D.M.; Groll, E.A. Efficiencies of transcritical CO2 cycles with and without an expansion turbine. Int. J. Refrig. 1998, 21, 577–589. [Google Scholar] [CrossRef]
- Sarkar, J.; Bhattacharyya, S.; Ramgopal, M. Transcritical CO2 Heat Pump systems: Exergy analysis including heat transfer and fluid flow effects. Energy Convers. Manag. 2005, 46, 2053–2067. [Google Scholar] [CrossRef]
- Fukuta, M.; Yanagisawa, T.; Kosuda, O.; Ogi, Y. Performance of Scroll Expander for CO2 Refrigeration Cycle. International Compressor Engineering Conference. Paper 1768. 2006. Available online: http://docs.lib.purdue.edu/icec/1768 (accessed on 15 August 2017).
- Elbel, S.; Lawrence, N. Review of recent developments in advanced ejector technology. Int. J. Refrig. 2016, 62, 1–18. [Google Scholar] [CrossRef]
- Huff, H.-J.; Radermacher, R. CO2 Compressor-Expander Analysis—Final Report, Prepared for the Air-Conditioning and Refrigeration Technology Institute 4100 N. Fairfax Drive, Suite 200, Arlington, Virginia 22203—CEEE Department of Mechanical Engineering University of Maryland. 2003. Available online: http://organicrankine.com/orc_documents/theory/10060-final.pdf (accessed on 16 August 2018).
- Bo, Z.; Xueyuan, P.; Bei, G.; Ziwen, X.; Pengcheng, S. Design and Experimental Validation of the Slider-Based Free Piston Expander for Transcritical CO2 Refrigeration Cycle. In Proceedings of the 7th IIR Gustav Lorentzen Conference on Natural Working Fluids, Trondheim, Norway, 28–31 May 2006. [Google Scholar]
- Zhang, Z.; Ma, Y.; Li, M.; Zhao, L. Recent advances of energy recovery expanders in the transcritical CO2 refrigeration cycle. HvacR Res. 2013, 19, 376–384. [Google Scholar]
- Kornhauser, A.A. The Use of an Ejector as a Refrigerant Expander. International Refrigeration and Air Conditioning—Conference. Paper 82. 1990. Available online: http://docs.lib.purdue.edu/iracc/82 (accessed on 23 August 2018).
- Liu, F.; Groll, E.A. Study of ejector efficiencies in refrigeration cycles. Appl. Therm. Eng. 2013, 52, 360–370. [Google Scholar] [CrossRef]
- Vereda, C.; Ventas, R.; Lecuona, A.; Venegas, M. Study of an ejector-absorption refrigeration cycle with an adaptable ejector nozzle for different working conditions. Appl. Energy 2012, 97, 305–312. [Google Scholar] [CrossRef]
- Li, D.; Groll, E.A. Transcritical CO2 refrigeration cycle with ejector-expansion device. Int. J. Refrig. 2005, 28, 766–773. [Google Scholar] [CrossRef]
- Ksayer, E.B.; Clodic, D. Enhancement of CO2 refrigeration cycle using an ejector: 1D analysis. In Proceedings of the International Refrigeration and Air Conditioning Conference at Purdue; Purdue University: West Lafayette, IN, USA, 2006. [Google Scholar]
- Hafner, A.; Forsterling, S.; Banasiak, K. Multi-ejector concept for R-744 supermarket Refrigeration. Int. J. Refrig. 2014, 43, 1–13. [Google Scholar] [CrossRef]
- Banasiak, K.; Hafner, A.; Kriezi, E.E.; Madsen, K.B.; Birkelund, M.; Fredslund, K.; Olsson, R. Development and performance mapping of a multiejector expansion work recovery pack for R744 vapour compression units. Int. J. Refrig. 2015, 57, 265–278. [Google Scholar] [CrossRef]
- Haida, M.; Banasiak, K.; Smolka, J.; Hafner, A.; Eikevik, T.M. Experimental analysis of the R744 vapour compression rack equipped with the multi-ejector expansion work recovery module. Int. J. Refrig. 2016, 64, 93–107. [Google Scholar] [CrossRef]
- Bodys, J.; Palacz, M.; Haida, M.; Smolka, J.; Nowak, A.J.; Banasiak, K.; Hafner, A. Full-scale multi-ejector module for a carbon dioxide supermarket refrigeration system: Numerical study of performance evaluation. Energy Convers. Manag. 2017, 138, 312–326. [Google Scholar] [CrossRef]
- How to Choose the Right Multi Ejector Solution™—3 Main Factors to Consider When Designing Your Transcritical CO2 System with a Multi Ejector SolutionTM. Available online: https://danfoss.ipapercms.dk/refrigerationandairconditioning/RA/Infographic/how-to-choose-the-right-multi-ejector-solution-infographics/?page=1 (accessed on 11 March 2019).
- Sarkar, J.; Agrawal, N. Performance optimization of transcritical CO2 cycle with parallel compression economization. Int. J. Therm. Sci. 2010, 49, 838–843. [Google Scholar] [CrossRef]
- Tsamos, K.M.; Ge, Y.T.; Santosa, I.D.; Tassou, S.A.; Bianchi, G.; Mylona, Z. Energy analysis of alternative CO2 refrigeration system configurations for retail food applications in moderate and warm climates. Energy Conv. Mgmt. 2017, 150, 822–829. [Google Scholar] [CrossRef]
- Gullo, P.; Elmegaard, B.; Cortella, G. Advanced exergy analysis of a R744 booster refrigeration system with parallel compression. Energy 2016, 107, 562–571. [Google Scholar] [CrossRef]
- Shafiei, E.S.; Rasmussen, H.; Stoustrup, J. Modeling Supermarket Refrigeration Systems for Demand-Side Management. Energies 2013, 6, 900–920. [Google Scholar] [CrossRef]
- Ge, Y.T.; Tassou, S.A. Thermodynamic analysis of transcritical CO2 booster refrigeration systems in supermarket. Energy Convers. Manag. 2011, 52, 1868–1875. [Google Scholar] [CrossRef]
- Messineo, A. R744-R717 Cascade Refrigeration System: Performance Evaluation compared with a HFC Two-Stage System. Energy Procedia 2012, 14, 56–65. [Google Scholar] [CrossRef]
- Pattingale, A. An Integrated CO2 Production and CO2-NH3 Cascade Refrigeration System; Prepared by Cold Logic Pty Ltd.—Commissioned by Australian Meat Processor Corporation Ltd. (AMPC); Australian Meat Processor Corporation: Port Adelaide SA, Australia, 2016; Available online: https://www.ampc.com.au/uploads/cgblog/id390/2016.1038_Final_Report.pdf (accessed on 30 August 2019).
- Dopazo, J.A.A.; Fernández-Seara, J.; Sieres, J.; Uhía, F.J. Theoretical analysis of a CO2–NH3 cascade refrigeration system for cooling applications at low temperatures. Appl. Therm. Eng. 2009, 29, 1577–1583. [Google Scholar] [CrossRef]
- Span, R.; Wagner, W. A New Equation of State for Carbon Dioxide Covering the Fluid Region from the Triple-Point Temperature to 1100 K at Pressures up to 800 MPa. J. Phys. Chern. Ref. Data 1996, 25, 1509–1596. [Google Scholar] [CrossRef]
- Fang, Y.; De Lorenzo, M.; Lafon, P.; Poncet, S.; Bartosiewicz, Y. An Accurate and Efficient Look-up Table Equation of State for Two-Phase Compressible Flow Simulations of Carbon Dioxide. Ind. Eng. Chem. Res. 2018, 57, 7676–7691. [Google Scholar] [CrossRef]
- NIST. Available online: https://www.nist.gov/srd/refprop (accessed on 26 April 2019).
- McLinden, M.O.; Lemmon, E.W.; Huber, M.L. The REFPROP Database For the Thermophysical Properties of Refrigerants, International Congress of Refrigeration 2003. Washington, DC, USA. Available online: https://ws680.nist.gov/publication/get_pdf.cfm?pub_id=831869 (accessed on 14 August 2018).
- CoolProp. Available online: http://www.coolprop.org/ (accessed on 26 April 2019).
- Bell, I.H.; Wronski, J.; Quoilin, S.; Lemort, V. Pure and Pseudo-pure Fluid Thermophysical Property Evaluation and the Open-Source Thermophysical Property Library CoolProp. IEc Res. 2014, 53, 2498–2508. [Google Scholar] [CrossRef] [PubMed]
- McDowell, T.P.; Bradley, D.E.; Hiller, M.; Lam, J.; Merk, J.; Keilholz, W. TRNSYS 18: The Continued Evolution of the Software. In Proceedings of the IBPSA Building Simulation 2017, San Francisco, CA, USA, 7–9 August 2017. [Google Scholar]
- Bitzer Software. Available online: https://www.bitzer.de/websoftware/ (accessed on 24 August 2018).
- Danfoss Software. Available online: https://www.danfoss.com/en/service-and-support/downloads/?sort=title_asc&filter=segments%3Ddcs (accessed on 24 August 2018).
- CoolPack Software. Available online: http://www.en.ipu.dk/Indhold/refrigeration-and-energy-technology/coolpack.aspx (accessed on 20 August 2018).
- Modelica. Modelica®—Unified Object—Oriented Language for Systems Modeling Language Specification Version 3.4. 2017. Available online: https://www.modelica.org/documents/ModelicaSpec34.pdf (accessed on 20 August 2018).
- Tiller, M.; Modelica Thermal Library. TillerDevelopment of a Modelica Library for Thermal Systems The Modelica Association—Modelica 2000 Workshop. 23–24 October. Available online: https://www.modelica.org/events/workshop2000/proceedings/old/Tiller2.pdf (accessed on 27 April 2019).
- Hu, B.; Li, Y.; Wang, R.Z.; Cao, F.; Xing, Z. Real-time minimization of power consumption for air-source transcritical CO2 heat pump water heater system. Int. J. Refrig. 2018, 85, 395–408. [Google Scholar] [CrossRef]
- Pfafferott, T.; Schmitz, G. Modelling and transient simulation of CO2-refrigerationsystems with Modelica. Int. J. Refrig. 2004, 27, 42–52. [Google Scholar] [CrossRef]
- TLK-Thermo GMBH—TIL Suite—Simulates Thermal Systems. Available online: https://www.tlk-thermo.com/index.php/en/software-products/til-suite (accessed on 20 August 2018).
- F-Chart Software: EES Overview. Available online: http://www.fchart.com/ees/ (accessed on 20 August 2018).
- Suamir, I.; Tassou, S.A. Performance evaluation of integrated trigeneration and CO2 refrigeration systems. Appl. Ther. Eng. 2013, 50, 1487–1495. [Google Scholar] [CrossRef]
- Tsamos, G. Performance investigation of the CO2 gas cooler designs and its integration with the refrigeration system. In Proceedings of the 1st International Conference on Sustainable Energy and Resource Use in Food Chains, ICSEF 2017, Berkshire, UK, 19–20 April 2017. [Google Scholar]
- TRNSYS. TRNSYS Website. Available online: http://www.trnsys.com/ (accessed on 26 April 2019).
- Polzot, A.; D’Agaro, P.; Cortella, G. Energy analysis of a transcritical CO2 supermarket refrigeration with heat recovery. Energy Procedia 2017, 111, 648–657. [Google Scholar] [CrossRef]
- Ge, Y.T.; Cropper, R.T. Simulation and performance evaluation of finned-tube CO2 gas coolers for refrigeration systems. Appl. Therm. Eng. 2009, 29, 957–965. [Google Scholar] [CrossRef]
- Pettersen, J.; Hafner, A.; Skaugen, G. Development of compact heat exchangers for CO2 air-conditioning systems. Int. J. Refrig. 1998, 21, 180–193. [Google Scholar] [CrossRef]
- Li, J.; Jia, J.; Huang, L.; Wang, S. Experimental and numerical study of an integrated fin and micro-channel gas cooler for a CO2 automotive air-conditioning. Appl. Therm. Eng. 2017, 116, 636–647. [Google Scholar] [CrossRef]
- Pitla, S.S.; Robinson, D.M.; Groll, E.A.; Ramadhyani, S. Heat transfer from supercritical carbon dioxide in tube Flow: A Critical Review. Int. J. HVAC R Res. 1998, 4, 281–301. [Google Scholar] [CrossRef]
- Pitla, S.S.; Groll, E.A.; Ramadhyani, S. New correlation to predict the heat transfer coefficient during in-tube cooling of turbulent supercritical CO2. Int. J. Refrig. 2002, 25, 887–895. [Google Scholar] [CrossRef]
- Santosa, I.M.; Gowreesunker, B.L.; Tassou, S.A.; Tsamos, K.M.; Ge, Y. Investigations into air and refrigerant side heat transfer coefficients of finned-tube CO2 gas coolers. Int. J. Heat Mass Transf. 2017, 107, 168–180. [Google Scholar] [CrossRef]
- Lozza, G.; Filippini, S.; Zoggia, F. Using “Water-Spray” Techniques For CO2 Gas Coolers. In Proceedings of the XII European Conference on Technological Innovations in Air Conditioning and Refrigeration Industry, Milano, Italy, 8–9 June 2007. [Google Scholar]
- Güntner—Gas Cooler/Comdenser for CO2. Available online: http://www.r744.com/files/589_2010_09_23_guentner_co2_gas_coolers_info_en.pdf (accessed on 24 August 2018).
- Kim, M.S.; Kang, D.H.; Kim, M.S.; Kim, M. Investigation on the optimal control of gas cooler pressure for a CO2 refrigeration system with an internal heat exchanger. Int. J. Refrig. 2017, 77, 48–59. [Google Scholar] [CrossRef]
- Hu, B.; Li, Y.; Cao, F.; Xing, Z. Extremum seeking control of COP optimization for air-source transcritical CO2 heat pump water heater system. Appl. Energy 2015, 147, 361–372. [Google Scholar] [CrossRef]
- Koeln, J.P.; Alleyne, A.G. Optimal subcooling in vapour compression systems via extremum seeking control: Theory and experiments. Int. J. Refrig. 2014, 43, 14–25. [Google Scholar] [CrossRef]
- Wobst, E.; Flacke, N.; Grohmann, S. Kohlendioxid: Besonderheiten und Einsatzchancen als Ka¨ltemittel; German Refrigeration and Air Conditioning Association: Würzburg, Germany, 1998; pp. 64–74. [Google Scholar]
- Bruno, F. On-site experimental testing of a novel dew point evaporative cooler. Energy Build. 2011, 43, 3475–3483. [Google Scholar] [CrossRef]
- Fricke, B.; Zha, S.; Sharma, V.; Newel, J. Laboratory Evaluation of a Commercial CO2 Booster Refrigeration System. In Proceedings of the 16th International Refrigeration and Air Conditioning Conference, West Lafayette, IN, USA, 11–14 July 2016. [Google Scholar]
- Kallesøe, J. Transcritical CO2 Challenges Traditional NH3/CO2 Cascade Systems. ATMOsphere Europe: Berlin, Germany, 25–27 September 2017. Available online: http://www.atmo.org/presentations/files/59ca7d42163451506442562Qj7YO.pdf (accessed on 28 August 2018).
- Sharma, V.; Fricke, B.; Bansal, P. Comparative analysis of various CO2 configurations in supermarket refrigeration systems. Int. J. Refrig. 2014, 46, 86–99. [Google Scholar] [CrossRef]
- Mylona, Z.; Kolokotroni, M.; Tsamos, K.M.; Tassou, S.A. Comparative analysis on the energy use and environmental impact of different refrigeration systems for frozen food supermarket application. Energy Procedia 2017, 123, 121–130. [Google Scholar] [CrossRef]
- Girotto, S.; Minetto, S.; Neksa, P. Commercial refrigeration system using CO2 as the refrigerant. Int. J. Refrig. 2004, 27, 717–723. [Google Scholar] [CrossRef]
- Braun, M.R.; Beck, S.B.M.; Altan, H. Comparing COP Optimization with Maximizing the Coefficient of System Performance for Refrigeration Systems in Supermarkets. In Proceedings of the 15th International Refrigeration and Air Conditioning Conference, West Lafayette, IN, USA, 14–17 July 2014. [Google Scholar]
- Karampour, M.; Sawalha, S. State-of-the-art integrated CO2 refrigeration system for supermarkets: A comparative analysis. Int. J. Refrig. 2018, 86, 239–257. [Google Scholar] [CrossRef]
- Gullo, P.; Hafner, A.; Banasiak, K. Transcritical R744 refrigeration systems for supermarket applications: Current status and future perspectives. Int. J. Refrig. 2018, 93, 269–310. [Google Scholar] [CrossRef]
- Pitarch, M.; Navarro-Peris, E.; Gonzálvez-Maciá, J.; Corberán, J.M. Evaluation of different heat pump systems for sanitary hot water production using natural refrigerants. Appl. Energy 2017, 190, 911–919. [Google Scholar] [CrossRef]
- Baheta, A.; Hassan, S.; Reduan, A.R.B.; Woldeyohannes, A.D. Performance investigation of transcritical caorbon dioxide refrigeration cycle. Procedia Cirp 2015, 26, 482–485. [Google Scholar] [CrossRef]
- Yang, D.; Song, Y.; Cao, F.; Jin, L.; Wang, X. Theoretical and experimental investigation of a combined R134a and transcritical CO2 heat pump for space heating. Int. J. Refrig. 2016, 72, 156–170. [Google Scholar] [CrossRef]
- Rony, R.U.; Yang, H.; Krishnan, S.; Song, J. Recent Advances in Transcritical CO2 (R744) Heat Pump System: A Review. Energies 2019, 12, 457. [Google Scholar] [CrossRef]
- Hillphoenix—DeCO2ded: Understanding ROI on CO2 Refrigeration Systems. Available online: http://www.r744.com/files/Hillphoenix_CO2_ROI_WhitePaper_v10_Oct24_2014.pdf (accessed on 30 August 2018).
- R744.com. Available online: http://www.r744.com/articles/8469/dongqi_reports_more_than_700_co2_heat_pumps_in_china (accessed on 31 August 2018).
- Carbon Trust Website. Refrigeration Road Map. Available online: https://www.carbontrust.com/media/147175/j7924_ctg021_refrigeration_road_map_aw.pdf (accessed on 30 April 2019).
- Goetzler, W.; Sutherland, T.; Rassi, M.; Burgos, J. Research and Development Roadmap for Next-Generation Low-Global Warming Potential Refrigerants—Navigant Consulting, Inc. Prepared for: U.S. Department of Energy Office of Energy Efficiency and Renewable Energy Building Technologies Office. 2014. Available online: https://www.energy.gov/sites/prod/files/2014/12/f19/Refrigerants%20Roadmap%20Final%20Report%202014.pdf (accessed on 17 April 2019).























| Component/Process | Exergy Loss |
|---|---|
| Compression | |
| Condensation/Gas Cooling | |
| Expansion | |
| Evaporation |
| Supercritical Operation | Subcritical Operation (Through Dew Point Evaporative Cooling) | ||||
|---|---|---|---|---|---|
| Ambient Temperature | Condenser Air Inlet Temperature | ||||
| 35 °C | 28 °C | 20 °C | 19 °C | 18 °C | |
| [kJ/kg] | Gas Cooler Outlet Temp. (°C) | Condensing temperature (°C) | |||
| 38 °C | 31 °C | 28 | 27 | 26 | |
| QEV | 130.2 | 141.2 | 145 | 150.9 | 156 |
| Wcomp | 71.1 | 56 | 49.8 | 47.8 | 47 |
| XL-COMP | 11.9 | 7.7 | 9.2 | 8.4 | 8.5 |
| XL-C/GC | 14.5 | 11.1 | 4.4 | 3.7 | 2.8 |
| XL-EXP | 22.5 | 15.7 | 15.1 | 14.5 | 13.1 |
| XL-EV | 3.3 | 2.6 | 3.3 | 2.6 | 3.2 |
| COP[–] | 1.83 | 2.5 | 2.91 | 3.16 | 3.32 |
| % XL Reduction 1 | 11.2 | 14.7 | 16.1 | ||
| % XL Reduction 2 | 30 | 32.7 | 33.9 | ||
| Modification | Main Features, Advantages, Drawbacks, General Notes |
|---|---|
| Internal Heat Exchanger |
|
| |
| Mechanical expander |
|
| Ejector |
|
| Compressor Staging |
|
| Parallel compression |
|
| Configuration | Main Features, Advantages, Drawbacks, General Notes |
|---|---|
| Booster system |
|
| Cascade system |
|
| Secondary |
|
| Tool (Developer) | Ref | Main Features, Advantages, Drawbacks, General Notes |
|---|---|---|
| CoolProp | [62,65,66] |
|
| REFPROP (NIST) | [62,64] |
|
| Bitzer Software (Bitzer) | [68] |
|
| CoolSelector (Danfoss) | [69] |
|
| CoolPack (Technical University of Denmark (DTU)) | [70] |
|
| Modelica | [71,72] |
|
| EES (F-Chart Software) | [28,76,77,78] |
|
| TRNSYS | [67,79] |
|
© 2019 by the authors. Licensee MDPI, Basel, Switzerland. This article is an open access article distributed under the terms and conditions of the Creative Commons Attribution (CC BY) license (http://creativecommons.org/licenses/by/4.0/).
Share and Cite
Bruno, F.; Belusko, M.; Halawa, E. CO2 Refrigeration and Heat Pump Systems—A Comprehensive Review. Energies 2019, 12, 2959. https://doi.org/10.3390/en12152959
Bruno F, Belusko M, Halawa E. CO2 Refrigeration and Heat Pump Systems—A Comprehensive Review. Energies. 2019; 12(15):2959. https://doi.org/10.3390/en12152959
Chicago/Turabian StyleBruno, Frank, Martin Belusko, and Edward Halawa. 2019. "CO2 Refrigeration and Heat Pump Systems—A Comprehensive Review" Energies 12, no. 15: 2959. https://doi.org/10.3390/en12152959
APA StyleBruno, F., Belusko, M., & Halawa, E. (2019). CO2 Refrigeration and Heat Pump Systems—A Comprehensive Review. Energies, 12(15), 2959. https://doi.org/10.3390/en12152959

