Optimal Current Balance Control of Three-Level Inverter under Grid Voltage Unbalance: An Adaptive Dynamic Programming Approach
Abstract
1. Introduction
1.1. Motivation and Incitement
1.2. Contribution and Paper Structure
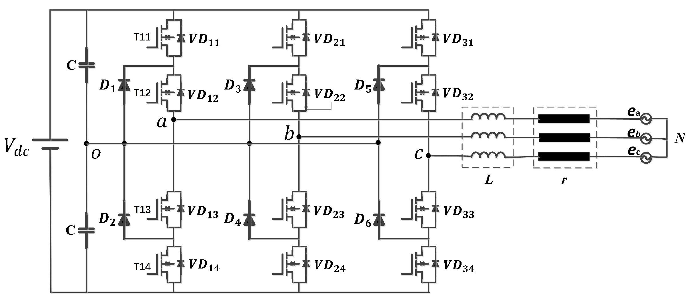
2. Three-Level Inverter
2.1. Mathematical Modeling in the Coordinate System
2.2. Mathematical Modeling under Grid Voltage Unbalance
3. Linear Optimal Output Adjustment Problem
3.1. Problem Description
3.2. Linear Quadratic Regulator
- (1)
- satisfies ;
- (2)
- , , and .
| Algorithm 1 VI algorithm [23]. |
|
3.3. Solve ADP by the VI Method
- (1)
- ,,
- (2)
- ,,
- (3)
- ,.
| Algorithm 2ADP algorithm by the VI method. |
| 1. Select an error and . 2. Calculate : 3. Until |
4. Simulations
4.1. Grid Voltage Balance
4.2. Grid Voltage Unbalance
4.3. Grid Current Balance Control
4.4. Grid Current Balance Control of Command Power
4.5. Discussions
5. Conclusions
Author Contributions
Funding
Conflicts of Interest
Abbreviations
| Variables | |
| Switching variable | |
| Inverter output voltage | |
| Grid current | |
| Grid current dq-axis component | |
| Grid current positive sequence dq-axis component | |
| Grid current negative sequence dq-axis component | |
| Grid voltage | |
| Grid voltage dq-axis component | |
| Grid voltage positive sequence dq-axis component | |
| Grid voltage negative sequence dq-axis component | |
| Angle between the d-axis and the -axis | |
| w | Angular frequency |
| Performance | |
| P | Solution of ARE |
| K | Error system feedback control gain |
| Current error | |
| Error system optimal controller | |
| Reference control track | |
| Original system controller | |
| Error system optimal feedback control gain | |
| Original system optimal feedback control gain | |
| Acronyms | |
| PI | Proportional integral |
| Adaptive dynamic programming | |
| Policy iteration | |
| Value iteration | |
| Linear quadratic regulator | |
| Algebra Riccati equation | |
| Discrete-time | |
| Constants | |
| r | Filter resistor |
| L | Filter inductor |
| DC side voltage | |
| Sampling period | |
| Q | State error weighting matrix |
| R | Control error weighting matrix |
| q | Number of online datasets |
| Command current dq-axis component | |
| Command current positive sequence dq-axis component | |
| Command current negative sequence dq-axis component | |
| Proportional parameter | |
| Integral parameter | |
Appendix A
Appendix B
Appendix C
Appendix D
References
- Fei, L.; Yan, Z.; Duan, S.; Yin, J.; Liu, B.; Liu, F. Parameter Design of a Two-Current-Loop Controller Used in a Grid-Connected Inverter System With LCL Filter. IEEE Trans. Ind. Electron. 2009, 56, 4483–4491. [Google Scholar]
- Choi, U.M.; Lee, J.S.; Lee, K.B. New Modulation Strategy to Balance the Neutral-Point Voltage for Three-Level Neutral-Clamped Inverter Systems. IEEE Trans. Energy Convers. 2014, 29, 91–100. [Google Scholar] [CrossRef]
- Bayhan, S.; Kukrer, O.; Komurcugil, H. Model-Based Current Control Strategy with Virtual Time Constant for Improved Dynamic Response of Three-Phase Grid-Connected VSI. IEEE Trans. Ind. Electron. 2018, 66, 4156–4165. [Google Scholar]
- Gao, Y.G.; Jiang, F.Y.; Song, J.C.; Zheng, L.J.; Tian, F.Y.; Geng, P.L. A novel dual closed-loop control scheme based on repetitive control for grid-connected inverters with an LCL filter. ISA Trans. 2018, 74, 194–208. [Google Scholar] [CrossRef] [PubMed]
- Ikehara, Y.; Arai, K.; Furukawa, N. Improved control strategy with grid-voltage feedforward for LCL-filter-based inverter connected to weak grid. IET Power Electron. 2014, 7, 2660–2671. [Google Scholar]
- Tan, G.; Jie, C.; Sun, X. Tan-Sun Coordinate Transformation System Theory and Applications for Three-Phase Unbalanced Power Systems. IEEE Trans. Power Electron. 2017, 32, 7352–7380. [Google Scholar] [CrossRef]
- Mirabbasi, S.; Martin, K. Design of loop filter in phase-locked loops. Electron. Lett. 2002, 35, 1801–1802. [Google Scholar] [CrossRef]
- Robles, E.; Ceballos, S.; Pou, J.; Martín, J.L.; Zaragoza, J.; Ibañez, P. Variable-Frequency Grid-Sequence Detector Based on a Quasi-Ideal Low-Pass Filter Stage and a Phase-Locked Loop. IEEE Trans. Power Electron. 2010, 25, 2552–2563. [Google Scholar] [CrossRef]
- Baghaee, H.R.; Mirsalim, M.; Gharehpetian, G.B.; Talebi, H.A. Three-phase AC/DC power-flow for balanced/unbalanced microgrids including wind/solar, droop-controlled and electronically-coupled distributed energy resources using radial basis function neural networks. IET Power Electron. 2018, 10, 313–328. [Google Scholar] [CrossRef]
- Baghaee, H.R.; Mirsalim, M.; Gharehpetian, G.B.; Talebi, H.A. A generalized descriptor-system robust H∞ control of autonomous microgrids to improve small and large signal stability considering communication delays and load nonlinearities. Int. J. Electr. Power Energy Syst. 2018, 92, 63–82. [Google Scholar] [CrossRef]
- Kamihigashi, T. Elementary Results on Solutions to the Bellman Equation of Dynamic Programming: Existence, Uniqueness, and Convergence. Econ. Theory 2014, 56, 251–273. [Google Scholar] [CrossRef]
- Zhao, H.B.; Wang, B.Y.; Liao, J.X.; Wang, H.K.; Tan, G. Adaptive Dynamic Programming for Control: Algorithms and Stability. Commun. Control Eng. 2013, 54, 6019–6022. [Google Scholar]
- Gao, W.; Jiang, Z.P. Adaptive dynamic programming and adaptive optimal output regulation of linear systems. IEEE Trans. Autom. Control 2016, 62, 4164–4169. [Google Scholar] [CrossRef]
- Jiang, Y.; Jiang, Z.P. Robust Adaptive Dynamic Programming With an Application to Power Systems. IEEE Trans. Neural Networks Learn. Syst. 2013, 24, 1150–1156. [Google Scholar] [CrossRef] [PubMed]
- Liu, D.R.; Wang, D.; Zhao, D.B.; Wei, Q.L.; Jin, N. Neural-Network-Based Optimal Control for a Class of Unknown Discrete-Time Nonlinear Systems Using Globalized Dual Heuristic Programming. IEEE Trans. Autom. Sci. Eng. 2012, 9, 628–634. [Google Scholar] [CrossRef]
- Jiang, Y.; Jiang, Z.P. Computational adaptive optimal control for continuous-time linear systems with completely unknown dynamics. Automatic 2012, 48, 2699–2704. [Google Scholar] [CrossRef]
- Jiang, Y.; Jiang, Z.P. Adaptive dynamic programming as a theory of sensorimotor control. Biol. Cybern. 2014, 108, 459–473. [Google Scholar] [CrossRef]
- Jiang, Y.; Jiang, Z.P. Global Adaptive Dynamic Programming for Continuous-Time Nonlinear Systems. IEEE Trans. Autom. Control 2015, 60, 2917–2929. [Google Scholar] [CrossRef]
- Vrabie, D.; Pastravanu, O.; Abu-Khalaf, M.; Lewis, F.L. Brief paper: Adaptive optimal control for continuous-time linear systems based on policy iteration. Automatic 2009, 45, 477–484. [Google Scholar] [CrossRef]
- Wang, F.Y.; Jin, N.; Liu, D.R.; Wei, Q.L. Adaptive dynamic programming for finite-horizon optimal control of discrete-time nonlinear systems with ε-error bound. IEEE Trans. Neural Netw. 2011, 22, 24–36. [Google Scholar] [CrossRef]
- Wei, Q.L.; Liu, D.R.; Lin, H. Value Iteration Adaptive Dynamic Programming for Optimal Control of Discrete-Time Nonlinear Systems. IEEE Trans. Cybern. 2016, 46, 840–853. [Google Scholar] [CrossRef] [PubMed]
- Bian, T.; Jiang, Z.P. Value iteration and adaptive dynamic programming for data-driven adaptive optimal control design. Automatic 2016, 71, 348–360. [Google Scholar] [CrossRef]
- Huang, M.Z.; Gao, W.N.; Jiang, Z.P. Connected cruise control with delayed feedback and disturbance: An adaptive dynamic programming approach. Int. J. Adapt. Control Signal Process. 2017, 6, 356–370. [Google Scholar] [CrossRef]
- Johnson, C. Accomodation of external disturbances in linear regulator and servomechanism problems. IEEE Trans. Autom. Control 1971, 16, 635–644. [Google Scholar] [CrossRef]
- Saberi, A.; Stoorvogel, A.; Sannuti, P. On output regulation for linear systems. Int. J. Control 2001, 74, 783–810. [Google Scholar] [CrossRef]
- De Santis, R.; Isidori, A. On the output regulation for linear systems in the presence of input saturation. IEEE Trans. Autom. Control 2001, 46, 156–160. [Google Scholar] [CrossRef]
- Zhang, H.G.; Wei, Q.L.; Luo, Y.H. A novel infinite-time optimal tracking control scheme for a class of discrete-time nonlinear systems via the greedy HDP iteration algorithm. IEee Trans. Syst. Man Cybern. Part B 2008, 38, 937–942. [Google Scholar] [CrossRef] [PubMed]
- Park, Y.M.; Choi, M.S.; Lee, K.Y. An optimal tracking neuro-controller for nonlinear dynamic systems. IEEE Trans. Neural Netw. 1996, 7, 1009–1110. [Google Scholar]
- Athans, M. On the design of PID controllers using optimal linear regulator theory. Automatic 1971, 7, 643–647. [Google Scholar] [CrossRef]
- Kleinman, D. On an iterative technique for Riccati equation computations. IEEE Trans. Autom. Control 1968, 13, 114–115. [Google Scholar] [CrossRef]
- Bian, T.; Jiang, Y.; Jiang, Z.P. Decentralized Adaptive Optimal Control of Large-Scale Systems With Application to Power Systems. IEEE Trans. Ind. Electron. 2015, 62, 2439–2477. [Google Scholar] [CrossRef]
- Choeung, C.; Kry, M.L.; Lee, Y.I. Robust Tracking Control of a Three-Phase Charger under Unbalanced Grid Conditions. Energies 2018, 11, 3389. [Google Scholar] [CrossRef]
- Gao, W.N.; Jiang, Z.P. Adaptive Optimal Output Regulation of Discrete-time Linear Systems subject to Input Time-delay. In Proceedings of the Annual American Control Conference, Milwaukee, WI, USA, 27–29 June 2018; pp. 4484–4489. [Google Scholar]
- Valouch, V.; Bejvl, M.; Simek, P.; Skramlik, J. Power Control of Grid-Connected Converters Under Unbalanced Voltage Conditions. IEEE Trans. Ind. Electron. 2015, 62, 4241–4248. [Google Scholar] [CrossRef]
- Guerrero, J.M.; Vasquez, J.C.; Matas, J.; De Vicuña, L.G.; Castilla, M. Hierarchical Control of Droop-Controlled AC and DC Microgrids—A General Approach Toward Standardization. IEEE Trans. Ind. Electron. 2011, 58, 158–172. [Google Scholar] [CrossRef]
- Baghaee, H.R.; Mirsalim, M.; Gharehpetian, G.B. Gharehpetian. Performance improvement of Multi-DER microgrid for small and large-signal disturbances and nonlinear loads: novel complementary control loop and fuzzy controller in a hierarchical droop-based control scheme. IEEE Syst. J. 2018, 12, 444–451. [Google Scholar] [CrossRef]








| Control Method | Phase A Current | Phase B Current | Phase C Current |
|---|---|---|---|
| PI closed loop control | <300% | 300% | −300% |
| ADP closed loop control | No overshoot | No overshoot | No overshoot |
| Control Method | Phase A Current | Phase B Current | Phase C Current |
|---|---|---|---|
| PI closed-loop control | 2.04% | 1.87% | 1.97% |
| ADP closed-loop control | 1.30% | 1.29% | 1.29% |
© 2019 by the authors. Licensee MDPI, Basel, Switzerland. This article is an open access article distributed under the terms and conditions of the Creative Commons Attribution (CC BY) license (http://creativecommons.org/licenses/by/4.0/).
Share and Cite
Yu, Y.; Wang, Z.; Wan, X. Optimal Current Balance Control of Three-Level Inverter under Grid Voltage Unbalance: An Adaptive Dynamic Programming Approach. Energies 2019, 12, 2864. https://doi.org/10.3390/en12152864
Yu Y, Wang Z, Wan X. Optimal Current Balance Control of Three-Level Inverter under Grid Voltage Unbalance: An Adaptive Dynamic Programming Approach. Energies. 2019; 12(15):2864. https://doi.org/10.3390/en12152864
Chicago/Turabian StyleYu, Yunjun, Zhongyang Wang, and Xiaofeng Wan. 2019. "Optimal Current Balance Control of Three-Level Inverter under Grid Voltage Unbalance: An Adaptive Dynamic Programming Approach" Energies 12, no. 15: 2864. https://doi.org/10.3390/en12152864
APA StyleYu, Y., Wang, Z., & Wan, X. (2019). Optimal Current Balance Control of Three-Level Inverter under Grid Voltage Unbalance: An Adaptive Dynamic Programming Approach. Energies, 12(15), 2864. https://doi.org/10.3390/en12152864

