Effect of Mixing Regimes on Cow Manure Digestion in Impeller Mixed, Unmixed and Chinese Dome Digesters
Abstract
1. Introduction
2. Materials and Methods
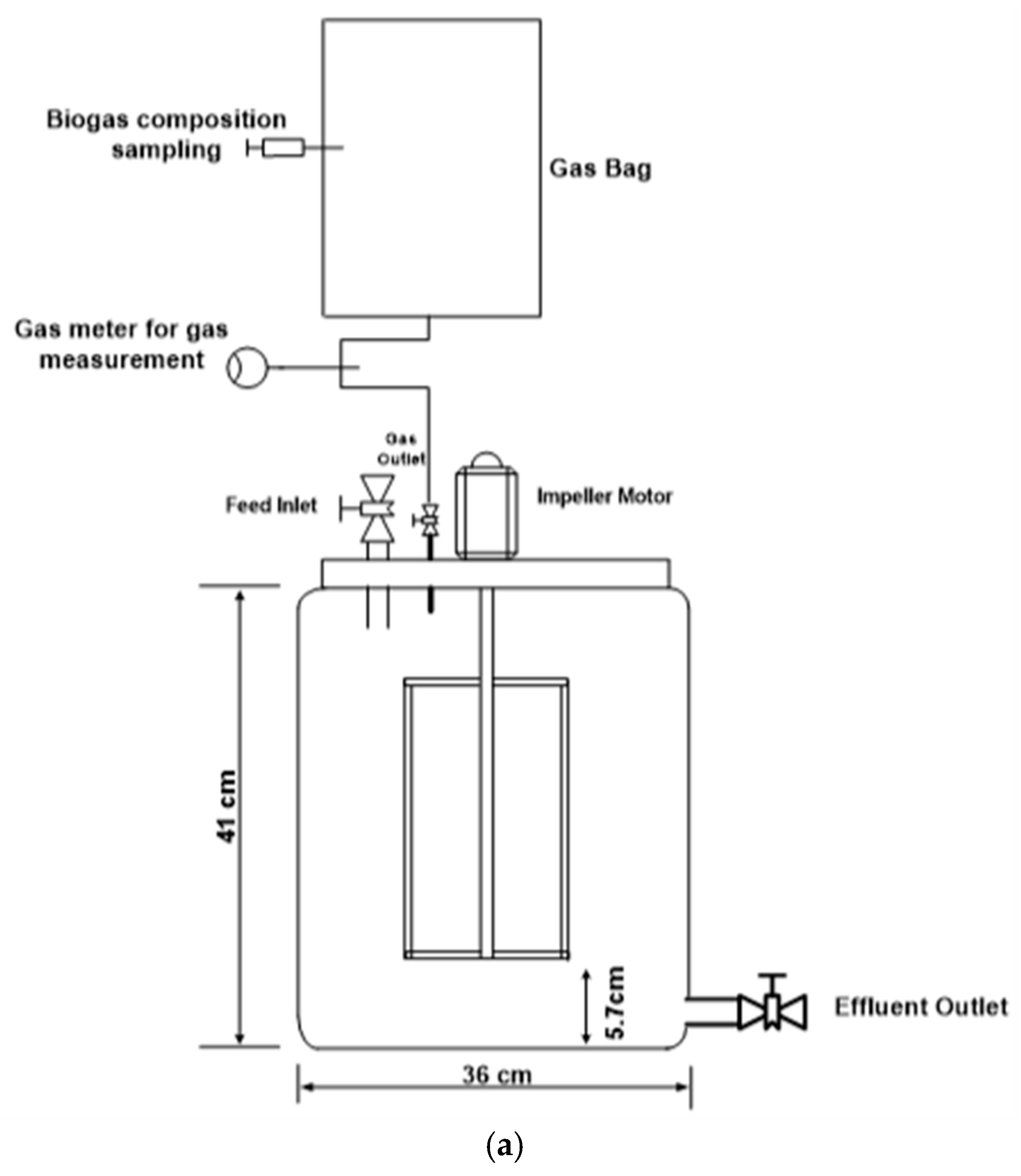
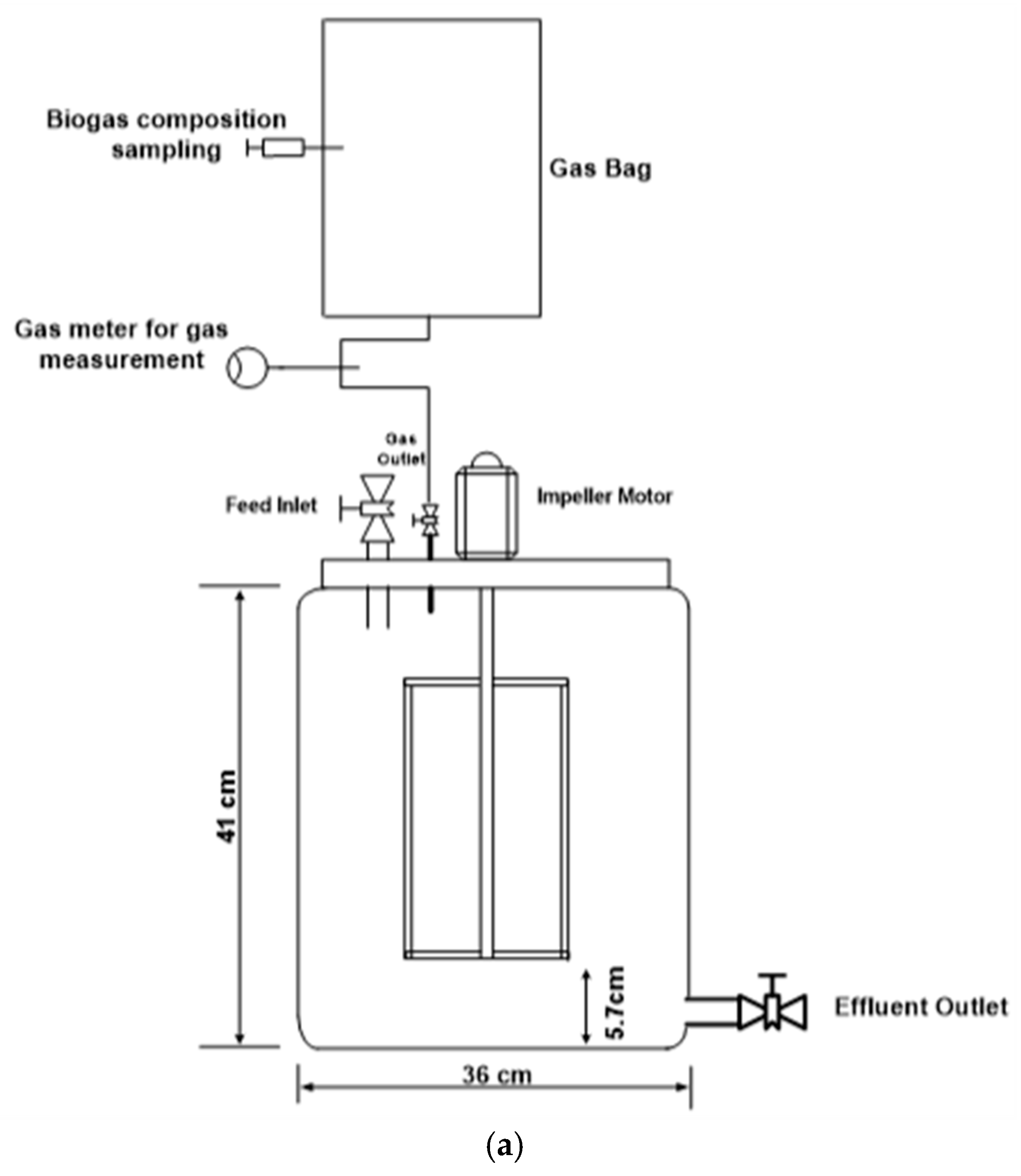
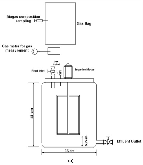
2.1. Reactor Design and Setup
2.2. Manure Collection and Preparation
2.3. Operation
2.4. Monitoring and Analytical Methods
2.5. Statistical Analysis
3. Results
4. Discussion
4.1. Effect of Loading Rate, Volumetric Biogas Production, VFA Concentration and Treatment Efficiency
4.2. Digesters Performance and Energy Consumption
5. Conclusions
Author Contributions
Funding
Acknowledgments
Conflicts of Interest
References
- Yumkella, K.; Bazilian, M.; Gielen, D. Energy for all. Mak. It: Ind. Dev. 2010, 2, 22–29. Available online: http://89.206.150.89/documents/congresspapers/325.pdf. (accessed on 1 November 2016).
- Gautam, R.; Baral, S.; Herat, S. Biogas as a sustainable energy source in Nepal: Present status and future challenges. Renew. Sustain. Energy Rev. 2009, 13, 248–252. [Google Scholar] [CrossRef]
- Tumwesige, V.; Fulford, D.; Davidson, G.C. Biogas appliances in Sub-Sahara Africa. Biomass Bioenergy 2014, 70, 40–50. [Google Scholar] [CrossRef]
- Modi, V.; McDade, S.; Lallement, D.; Saghir, J. Energy Services for Millennium Development Goals, Achieving MGDs. Millennium Project, UNDP; World Bank and ESMAP: Washington, DC, USA, 2005. [Google Scholar]
- Bajgain, S.; Shakya, I.; Mendis, M.S. The Nepal Biogas Support. Program: A Successful Model. of Public Private Partnership for Rural Household Energy Supply. Report Prepared by Biogas Support. Program. Nepal; Vision Press P. Ltd.: Kathmandu, Nepal, 2005. [Google Scholar]
- Sun, Q.; Li, H.; Yan Ji Liu, L.; Yu, Z.; Yu, X. Selection of appropriate biogas upgrading technology—A review of biogas cleaning upgrading and utilisation. Renew. Sus Energy Rev. 2015, 51, 521–532. [Google Scholar] [CrossRef]
- Chanakya, H.N.; Bhogle, S.; Arun, R.S. Field experience with leaf litter-based biogas plants. Energy Sustain. Dev. 2005, 9, 49–62. [Google Scholar] [CrossRef]
- Lansing, S.; Martin, J.F.; Botero, R.B.; da Silva, T.N.; da Silva, E.D. Methane production in low-cost, unheated, plug-flow digesters treating swine manure and used cooking grease. Bioresour. Technol. 2010, 10, 4362–4370. [Google Scholar] [CrossRef] [PubMed]
- Chen, L.; Zhao, L.; Ren, C.; Wang, F. The progress and prospects of rural biogas production in China. Energy Policy 2012, 51, 58–66. [Google Scholar] [CrossRef]
- China, National Development and Reform Commission (NDRC). China’s Medium to Long-Term Renewable Energy Development Plan 2007. Available online: http://www.chinaenvironmentallaw.com/wp-content/uploads/2008/04/mediumand-long-term-development-plan-for-renewable-energy.pdf (accessed on 14 March 2016).
- Fulford, D. Running a Biogas Programme. A Handbook; Intermediate Technology Publication: London, UK, 1988. [Google Scholar]
- Chen, Y.; Yang, G.; Sweeney, S.; Feng, Y. Household biogas use in rural China: A study of opportunities and constraints. Renew. Sustain. Energy 2010, 14, 545–549. [Google Scholar] [CrossRef]
- Ghimire, P.C. SNV Supported domestic biogas programmes in Asia and Africa. Renew. Energy 2013, 49, 90–94. [Google Scholar] [CrossRef]
- Pérez, I.; Garfí, M.; Cadena, E.; Ferrer, I. Technical, economic and environmental assessment of household biogas digesters for rural communities. Renew. Energy 2014, 62, 313–318. [Google Scholar] [CrossRef]
- Arthur, R.; Baidoo, M.F.; Antwi, E. Biogas as a potential renewable energy source. A Ghanaian case study. Renew. Energ. 2011, 36, 1510–1516. [Google Scholar]
- Kanwar, S.S.; Guleri, R.L. Performance evaluation of a family-size, rubber-balloon biogas plant under hilly conditions. Bioresour. Technol. 1994, 50, 119–121. [Google Scholar] [CrossRef]
- Singh, S.P.; Vatsa, D.K.; Verma, H.N. Problems with biogas plants in Himachal Pradesh. Bioresour. Technol. 1997, 59, 69–71. [Google Scholar] [CrossRef]
- Deublein, D.; Steinhauser, A. Biogas from Waste and Renewable Resources; Wiley-VCH Verlag GmbH& Co. KGaA: Weinheim, Germany, 2008. [Google Scholar]
- Jegede, A.O.; Bruning, H.; Zeeman, G. Location of inlets and outlets of Chinese dome digesters to mitigate biogas emission. Biosyst. Eng. 2018, 174, 153–158. [Google Scholar] [CrossRef]
- Bridgeman, J. Computational fluid dynamics modeling of sewage sludge mixing in an anaerobic digester. Adv. Eng. Softw. 2012, 44, 54–62. [Google Scholar] [CrossRef]
- Gerardi, M. The Microbiology of Anaerobic Digesters; John Wiley and Sons, Inc.: Hoboken, NJ, USA, 2003. [Google Scholar]
- Karim, K.; Hoffmann, R.; Klasson, K.T.; Al-Dahhan, M.H. Anaerobic digestion of animal waste: Effect of mode of mixing. Water Res. 2005, 39, 3597–3606. [Google Scholar] [CrossRef]
- Conklin, A.S.; Chapman, T.; Zahller, J.D.; Stensel, H.D.; Ferguson, J.F. Monitoring the role of aceticlasts in anaerobic digestion: Activity and capacity. Water Res. 2008, 42, 4895–4904. [Google Scholar] [CrossRef]
- Halalsheh, M.; Kassab, G.; Yazajeen, H.; Qumsieh, S.; Field, J. Effect of increasing the surface area of primary sludge on anaerobic digestion at low temperature. Bioresour. Technol. 2011, 102, 748–752. [Google Scholar] [CrossRef]
- Gomez, X.; Cuetos, M.J.; Cara, J.; Moran, A.; Garcia, A. Anaerobic co-digestion of primary sludge and the fruit and vegetable fraction of the municipal solid wastes-conditions for mixing and evaluation of the organic loading rate. Renew. Energ. 2006, 31, 2017–2024. [Google Scholar] [CrossRef]
- Kim, M.; Ahn, Y.H.; Speece, R.E. Comparative process stability and efficiency of anaerobic digestion: Mesophilic vs. thermophilic. Water Res. 2002, 36, 4369–4385. [Google Scholar] [CrossRef]
- Ward, A.J.; Hobbs, P.J.; Holliman, P.J.; Jones, D.L. Optimisation of the anaerobic digestion of agricultural resources. Bioresour. Technol. 2008, 99, 7928–7940. [Google Scholar] [CrossRef] [PubMed]
- Kaparaju, P.; Buendia, I.; Ellegaard, L.; Angelidakia, I. Effects of mixing on methane production during thermophilic anaerobic digestion of manure: Lab-scale and pilot-scale studies. Bioresour. Technol. 2008, 99, 4919–4928. [Google Scholar] [CrossRef] [PubMed]
- Ike, M.; Inoue, D.; Miyano, T.; Liu, T.T.; Sei, K.; Soda, S.; Kadoshin, S. Microbial population dynamics during startup of a full-scale anaerobic digester treating industrial food waste in Kyoto eco-energy project. Bioresour. Technol. 2010, 101, 3952–3957. [Google Scholar] [CrossRef] [PubMed]
- Hamad, M.A.; Abdel Dayem AM El Halwagi, M.M. Evaluation of the performance of two rural biogas units of Indian and Chinese design. Energy Agric. 1983, 1, 235–250. [Google Scholar] [CrossRef]
- Polprasert, C.; Edwards, P.; Rajput, V.S.; Pacharaprakiti, C. Integrated biogas technology in the tropics 1. Performance of small-scale digesters. Waste Manag. Res. 1986, 4, 197–213. [Google Scholar] [CrossRef]
- Anjan, K.K. Development and evaluation of a fixed dome plug flow anaerobic digester. Biomass 1988, 16, 225–235. [Google Scholar]
- Xavier, S.; Nand, K. A preliminary study on biogas production from cow dung using fixed-bed digesters. Biol. Wastes. 1990, 34, 161–165. [Google Scholar] [CrossRef]
- Singh, R.; Anand, R.C. Comparative performances of Indian small solid-state and conventional anaerobic digesters. Bioresour. Technol. 1994, 47, 235–238. [Google Scholar] [CrossRef]
- Singh, L.; Maurya, M.S.; Ramana, K.V.; Alam, S.I. Production of biogas from night soil at psychrophilic temperature. Bioresour. Technol. 1995, 53, 147–149. [Google Scholar] [CrossRef]
- Kalia, A.K.; Singh, S.P. Horse dung as a partial substitute for cattle dung for operating family-size biogas plants in a hilly region. Bioresour. Technol. 1998, 64, 63–66. [Google Scholar] [CrossRef]
- An, B.X.; Preston, T.R. Gas production from pig manure fed at different loading rates to polyethylene tubular biodigesters. Livest. Res. Rural Dev. 1999, 11, 11. [Google Scholar]
- Ferrer, I.; Garfí, M.; Uggetti, E.; Ferrer-Martí, L.; Calderon, A.; Velo, E. Biogas production in low-cost household digesters at the Peruvian Andes. Biomass Bioenergy 2011, 35, 1668–1674. [Google Scholar] [CrossRef]
- Tamkin, A.; Martin, J.; Castano, J.; Ciotola, R.; Rosenblum, J.; Bisesi, M. Impact of organic loading rates on the performance of variable temperature biodigesters. Ecol. Eng. 2014, 78, 87–94. [Google Scholar] [CrossRef]
- Hashimoto, S.; Fujita, M.; Teral, K. Stabilization of wasteactivated sludge through the anoxic–aerobic digestion process. Biotechnol. Bioeng. 1982, 24, 1335–1344. [Google Scholar] [CrossRef] [PubMed]
- Stroot, P.G.; McMahon, K.D.; Mackie, R.I.; Raskin, L. Anaerobic codigestion of municipal solid waste and biosolids under various mixing conditions I: Digester performance. Water Res. 2001, 35, 1804–1816. [Google Scholar] [CrossRef]
- Bouallagui, H.; Ben Cheikh, R.; Marouani, L.; Hamdi, M. Mesophilic biogas production from fruit and vegetable waste in a tubular digester. Bioresour. Technol. 2003, 86, 85–89. [Google Scholar] [CrossRef]
- Ong, H.K.; Greenfield, P.F.; Pullammanappallil, P.C. Effect of mixing on biometha-nation of cattle-manure slurry. Env. Technol 2002, 23, 1081–1090. [Google Scholar] [CrossRef]
- Vesvikar, M. Understanding the Hydrodynamics and performance of Anaerobic Digesters. Ph.D Thesis, Washington University, St. Louis, MO, USA, 2006. [Google Scholar]
- Sulaiman, A.; Hassan, M.A.; Shirai, Y.; Abd-Aziz, S.; Tabatabaei, M.; Busu, Z. The effect of mixing on methane production in a semi-commercial closed digester tank treating palm oil mill effluent. Aust. J. Basic Appl. 2009, 3, 1577–1583. [Google Scholar]
- Rico, C.; Rico, J.L.; Muñoz, N.; Gómez, B.; Tejero, I. Effect of mixing on biogas production during mesophilic anaerobic digestion of screened dairy manure in a pilot plant. Eng Life Sci. 2011, 11, 476–481. [Google Scholar] [CrossRef]
- Chen, J.; Li, X.; Liu, Y.; Zhu, B.; Yuan, H.; Pang, Y. Effect of mixing rates on anaerobic digestion performance of rice straw. Trans. Chin. Soc. Agric. Eng. 2011, 27, 144–148. [Google Scholar]
- Hoffmann, R.A.; Garcia, M.L.; Veskivar, M.; Karim, K.; Al-Dahhan, M.; Angenent, L.T. Effect of shear on performance and microbial ecology of continuously stirred anaerobic digesters treating animal manure. Biotechnol. Bioenergy 2008, 100, 38–48. [Google Scholar] [CrossRef] [PubMed]
- DTU. Anaerobic Biodegradation, Activity and Inhibition (ABAI). Task Group Meeting 9–10 October 2006, Prague; Institute of Environment & Resources, Technical University of Denmark: Lyngby, Denmark, 2007. [Google Scholar]
- Wu, B. CFD simulation of mixing for high-solids anaerobic digestion. Biotechnol. Bioenergy 2012, 109, 2116–2126. [Google Scholar] [CrossRef] [PubMed]
- Liu, B.; Zhag, Y.; Chen, M.; Li, P.; Jin, Z. Power consumption and flow field characteristics of a coaxial mixer with a double inner impeller. Chin. J. Chem. Eng. 2015, 23, 1–6. [Google Scholar] [CrossRef]
- APHA. Standard Methods for the Examination of Water and Waste Water, 22nd ed.; American Public Health Association: Washington, DC, USA, 2006. [Google Scholar]
- APHA. Standard Methods for the Examination of Water and Waste Water, 21st ed.; American Public Health Association: Washington, DC, USA, 2005. [Google Scholar]
- Hill, D.T.; Cobb, S.A.; Bolte, J.P. Using volatile fatty acid relationships to predict anaerobic digester failure. Trans. Asabe 1987, 30, 496–501. [Google Scholar] [CrossRef]
- Mills, P.J. Minimisation of energy input requirements of an anaerobic digester. Agric. Wastes 1979, 1, 57–79. [Google Scholar] [CrossRef]
- Sung, S.; Dague, R.R. Laboratory studies on the anaerobic sequencing batch reactor. Water Env. Res. 1995, 67, 294–301. [Google Scholar] [CrossRef]
- Lin, K.C.; Pearce, M.E.J. Effect of mixing on anaerobic treatment of potato-processing wastewater. Can. J. Civ. Eng. 1991, 18, 504–514. [Google Scholar] [CrossRef]
- Stafford, D.A. The effects of mixing and volatile fatty acid concentrations on anaerobic digester performance. Biomass 1982, 2, 43–55. [Google Scholar] [CrossRef]
- Vavilin, V.A.; Angelidaki, I. Anaerobic degradation of solid material: Importance of initiation centers for methanogenesis, mixing intensity, and 2D distributed model. Biotechnol. Bioenergy 2005, 89, 113–122. [Google Scholar] [CrossRef]
- Linke, B. A model for anaerobic digestion of animal waste slurries. Environ. Technol. 1997, 18, 849–854. [Google Scholar] [CrossRef]
- El-Mashad, H.M.; van Loon, W.K.-P.; Zeeman, G.; Bot, G.P.A.; Lettinga, G. Design of a solar thermophilic anaerobic reactor for small farms. Biosyst. Eng. 2004, 87, 345–353. [Google Scholar] [CrossRef]
- Zeeman, G. Mesophilic and Psychrophilic Digestion of Liquid Cow Manure. Ph.D. Thesis, Sub-Department of Environmental Technology, Wageningen University, Wageningen, The Netherlands, 1991. [Google Scholar]
- Lindmark, J.; Thorin, E.; Fdhila, R.B.; Dahlquist, E. Effect of mixing on the result of anaerobic digestion: Review. Renew. Sust. Energy Rev. 2014, 40, 1030–1047. [Google Scholar] [CrossRef]
- Banks, C.J.; Chesshire, M.; Stringfellow, A.A. pilot-scale comparison of mesophilic and thermophilic digestion of source segregated domestic food waste. Water Sci. Technol. 2008, 58, 1475–1481. [Google Scholar] [CrossRef] [PubMed]
- Angelidaki, I.; Chen, X.; Cui, J.; Kaparaju, P.; Ellegaard, L. Thermophilic anaerobic digestion of source-sorted organic fraction of household municipal solid waste: Start-up procedure for continuously stirred tank reactor. Water Res. 2006, 40, 2621–2628. [Google Scholar] [CrossRef] [PubMed]
- Ghanimeh, S.; Fadel, M.E.; Saikaly, P. Mixing effect on thermophilic anaerobic digestion of source-sorted organic fraction of municipal solid waste. Bioresour. Technol. 2012, 117, 63–67. [Google Scholar] [CrossRef] [PubMed]
- Elnekave, M.; Tufekcj, N.; Kimchie, S.; Shelef, G. Tracing the mixing efficiency of a primary meshophilic anaerobic digester in a municipal wastewater treatment plant. Fresenius Environ. Bull. 2006, 15, 1098–1105. [Google Scholar]
- Zabranska, J.; Dohanyos, M.; Jenicek, P.; Zalpatilkova, P.; Kutil, J. The contribution of thermophilic anaerobic digestion to the stable operation of wastewater sludge treatment. Water Sci. Technol. 2002, 46, 447–453. [Google Scholar] [CrossRef]


| Reactor Name | Reactor Design | % TS |
|---|---|---|
| STR 1 | Impeller mixed, 55 rpm for 10 min/hour | 3–7.3 |
| STR 2 | Impeller mixed, 55 rpm for 10 min/hour | 6–15 |
| UMD 1 | Unmixed | 3–7.3 |
| UMD 2 | Unmixed | 6–15 |
| CDD 1 | Chinese dome, hydraulically mixed | 3–7.3 |
| CDD 2 | Chinese dome, hydraulically mixed | 6–15 |
| Feed Manure | Initial TS (g/L) | Initial vs. (g/L) | BMP (Biogas) L/g vs. | BMP (CH4) L/g VS | NH4+–N (g/L) |
|---|---|---|---|---|---|
| 1 | 284 ± 16 | 229 ± 14 | 0.25 | 0.17 | 2.2 |
| 2 | 262 ± 12 | 152 ± 2 | 0.23 | 0.15 | 2.1 |
| 3 | 316 ± 5 | 250 ± 1 | 0.22 | 0.15 | 2.3 |
| 4 | 339 ± 4 | 287 ± 7 | 0.24 | 0.16 | 1.9 |
| 5 | 200 ± 14 | 137 ± 2 | 0.23 | 0.15 | 2 |
| 6 | 257 ± 1 | 167 ± 2 | 0.25 | 0.16 | 1.8 |
| 7 | 296 ± 13 | 168 ± 3 | 0.25 | 0.16 | 2.2 |
| 8 | 383 ± 13 | 195 ± 13 | 0.28 | 0.18 | 2.1 |
| Feed Manure | Day | TS (g/L) | vs. (g/L) | OLR g VS/L/Day | |||
|---|---|---|---|---|---|---|---|
| 1, 3, 5 | 2, 4, 6 | 1, 3, 5 | 2, 4, 6 | 1, 3, 5 | 2, 4, 6 | ||
| 1 | 1–35 | 43 | 86 | 35 | 70 | 1.16 | 2.33 |
| 2 | 36–59 | 40 | 80 | 23 | 46 | 0.77 | 1.54 |
| 3 | 60–78 | 47 | 94 | 37 | 74 | 1.22 | 2.44 |
| 4 | 79–93 | 52 | 105 | 44 | 88 | 1.47 | 2.94 |
| 94–125 | Recirculation | ||||||
| 4 | 126–133 | 52 | 105 | 44 | 88 | 1.47 | 2.94 |
| 5 | 134–169 | 30 | 60 | 20 | 41 | 0.68 | 1.36 |
| 6 | 170–198 | 40 | 80 | 26 | 52 | 0.86 | 1.72 |
| 7 | 199–259 | 44 | 88 | 25 | 50 | 0.83 | 1.67 |
| 8 | 260–319 | 73 | 147 | 42 | 84 | 1.39 | 2.79 |
| Digester | K (Pa Sn) | n | ρ (kg·m−3) | Reference | |
|---|---|---|---|---|---|
| 1 | 0.525 | 0.533 | 11 | 1000 | [50] |
| 2 | 31.3 | 0.3 | 11 | ~1000 | [50] |
| Day | OLR g VS/L Day | CH4 L/L/Day | CH4 L/g VS | CH4 % | VFAs (g/L) | VS red. (%) |
|---|---|---|---|---|---|---|
| (STR 1) | ||||||
| 149–169 | 0.68 | 0.09 ± 0.002 | 0.13 ± 0.002 (a) | 67 | 0.83 ± 0.14 | 57.17 ± 0.8 |
| 170–198 | 0.86 | 0.12 ± 0.002 | 0.14 ± 0.002 (b) | 68 | 0.97 ± 0.13 | 63.98 ± 1 |
| 199–259 | 0.83 | 0.12 ± 0.01 | 0.14 ± 0.01 (c) | 68 | 0.80 ± 0.18 | 64.24 ± 1.7 |
| 260–319 | 1.39 | 0.23 ± 0.005 | 0.16 ± 0.003 (d) | 68 | 0.86 ± 0.20 | 70.87 ± 1.5 |
| (STR 2) | ||||||
| 149–169 | 1.36 | 0.17 ± 0.007 | 0.12 ± 0.004 (a2) | 66 | 1.0 ± 0.03 | 55.47 ± 1.6 |
| 170–198 | 1.72 | 0.22 ± 0.005 | 0.13 ± 0.006 (b2) | 66 | 1.2 ± 0.24 | 58.76 ± 48 |
| 199–259 | 1.67 | 0.22 ± 0.02 | 0.13 ± 0.01 (c2) | 66 | 0.95 ± 0.10 | 62.07 ± 1.6 |
| 260–319 | 2.79 | 0.43 ± 0.01 | 0.15 ± 0.003 (d2) | 66 | 1.03 ± 0.17 | 68.76 ± 1.6 |
| (UMD 1) | ||||||
| 149–169 | 0.68 | 0.06 ± 0.001 | 0.08 ± 0.02 (e) | 63 | 2.4 ± 0.24 | 38.35 ± 0.5 |
| 170–198 | 0.86 | 0.08 ± 0.003 | 0.09 ± 0.003 (f) | 63 | 2.7 ± 0.25 | 40.59 ± 1.5 |
| 199–259 | 0.83 | 0.09 ± 0.004 | 0.09 ± 0.002 (f) | 63 | 2.2 ± 0.15 | 41.74 ± 2 |
| 260–319 | 1.39 | 0.13 ± 0.007 | 0.10 ± 0.003 (g) | 63 | 2.3 ± 0.28 | 46.80 ± 3.8 |
| (UMD 2) | ||||||
| 149–169 | 1.36 | 0.12 ± 0.002 | 0.09 ± 0.001 (e2 *) | 61 | 2.5 ± 0.19 | 41.40 ± 0.4 |
| 170–198 | 1.72 | 0.14 ± 0.001 | 0.08 ± 0.004 (f2) | 61 | 3.0 ± 0.04 | 40.51 ± 4.3 |
| 199–259 | 1.67 | 0.13 ± 0.004 | 0.08 ± 0.002 (f2) | 61 | 2.8 ± 0.18 | 39.34 ± 1.7 |
| 260–319 | 2.79 | 0.25 ± 0.008 | 0.09 ± 0.002 (g2) | 61 | 2.81 ± 0.19 | 43.48 ± 1.3 |
| (CDD 1) | ||||||
| 149–169 | 0.68 | 0.07 ± 0.003 | 0.09 ± 0.003 (h) | 65 | 1.6 ± 0.18 | 43.97 ± 1.1 |
| 170–198 | 0.86 | 0.09 ± 0.004 | 0.10 ± 0.003 (i) | 65 | 1.5 ± 0.12 | 47.58 ± 1.5 |
| 199–259 | 0.83 | 0.10 ± 0.003 | 0.11 ± 0.003 (j) | 65 | 1.4 ± 0.13 | 52.70 ± 1.9 |
| 260–319 | 1.39 | 0.18 ± 0.005 | 0.13 ± 0.003 (k) | 65 | 1.44 ± 0.10 | 58.76 ± 1 |
| (CDD 2) | ||||||
| 149–169 | 1.36 | 0.13 ± 0.003 | 0.10 ± 0.002 (h2 *) | 64 | 1.58 ± 0.05 | 44.23 ± 2.8 |
| 170–198 | 1.72 | 0.17 ± 0.002 | 0.10 ± 0.006 (i) | 64 | 1.7± 0.11 | 44.82 ± 1.9 |
| 199–259 | 1.67 | 0.18 ± 0.004 | 0.12 ± 0.003 (j2 *) | 64 | 1.65 ± 0.01 | 50.49 ± 1.7 |
| 260–319 | 2.79 | 0.33 ± 0.008 | 0.12 ± 0.003 (K2) | 64 | 1.7± 0.13 | 54.84 ± 1.2 |
| % TS | Impeller and Unmixed | STR and CDD | UMD and CDD | All Reactors |
|---|---|---|---|---|
| Single | p < 0.01 | p < 0.01 | p < 0.01 | p < 0.0001 |
| Doubled | p < 0.01 | p < 0.01 | p < 0.01 | p < 0.0001 |
© 2019 by the authors. Licensee MDPI, Basel, Switzerland. This article is an open access article distributed under the terms and conditions of the Creative Commons Attribution (CC BY) license (http://creativecommons.org/licenses/by/4.0/).
Share and Cite
Jegede, A.O.; Zeeman, G.; Bruning, H. Effect of Mixing Regimes on Cow Manure Digestion in Impeller Mixed, Unmixed and Chinese Dome Digesters. Energies 2019, 12, 2540. https://doi.org/10.3390/en12132540
Jegede AO, Zeeman G, Bruning H. Effect of Mixing Regimes on Cow Manure Digestion in Impeller Mixed, Unmixed and Chinese Dome Digesters. Energies. 2019; 12(13):2540. https://doi.org/10.3390/en12132540
Chicago/Turabian StyleJegede, Abiodun O., Grietje Zeeman, and Harry Bruning. 2019. "Effect of Mixing Regimes on Cow Manure Digestion in Impeller Mixed, Unmixed and Chinese Dome Digesters" Energies 12, no. 13: 2540. https://doi.org/10.3390/en12132540
APA StyleJegede, A. O., Zeeman, G., & Bruning, H. (2019). Effect of Mixing Regimes on Cow Manure Digestion in Impeller Mixed, Unmixed and Chinese Dome Digesters. Energies, 12(13), 2540. https://doi.org/10.3390/en12132540
