Next Article in Journal
Analyzing the Impact of Renewable Energy Incentives and Parameter Uncertainties on Financial Feasibility of a Campus Microgrid
Previous Article in Journal
Demand-Side Management with a State Space Consideration
 
 
Font Type:
Arial Georgia Verdana
Font Size:
Aa Aa Aa
Line Spacing:
Column Width:
Background:
Article

Development of Economizer Control Method with Variable Mixed Air Temperature

1
Department of Architectural Engineering, Graduate School of Yeungnam University, Gyeongsan 38541, Korea
2
Division of Architecture and Urban Planning, Incheon National University, Incheon 22012, Korea
3
Division of Architecture, Inha University, Incheon 22212, Korea
4
R&D Center, POSCO E&C, Incheon 22009, Korea
5
School of Architecture, Yeungnam University, Gyeongsan 38541, Korea
*
Author to whom correspondence should be addressed.
Energies 2018, 11(9), 2445; https://doi.org/10.3390/en11092445
Submission received: 14 August 2018 / Revised: 4 September 2018 / Accepted: 4 September 2018 / Published: 14 September 2018

Abstract

Achieving energy efficiency by improving the operating method of the system used in existing buildings is attracting considerable attention. The Building Design Criteria for Energy Saving was established to induce energy saving design in the domestic construction field, and the introduction of a free-cooling system, such as an economizer system, as an item of the mechanical sector, was evaluated. The economizer is an energy saving method that reduces the building load by introducing outdoor air through damper control according to the indoor and outdoor conditions. The system consists of dry-bulb temperature control and enthalpy control and the mixed air temperature is kept constant in the conventional economizer controls. On the other hand, in dry-bulb temperature control, when the set value of the mixed air temperature is changed according to the load, additional energy savings are expected compared to the conventional control method. Therefore, this paper proposes an economizer control that makes the mixed air temperature variable according to the load in a Constant Air Volume single duct system. For this, a load prediction is needed and an Artificial Neural Network is used for the load prediction. In addition, the relationship between the mixed air temperature and energy were analyzed using the BIN method and TRNSYS 17. Based on the results of previous analysis, a control method which predicting the load using Artificial Neural Network and controlling the mixed air temperature according to the predicted load in the dry-bulb temperature control of a Constant Air Volume single duct system is proposed and the proposed control was applied to the dynamic simulation program and compared with the conventional control. The results show that the temperature of each room was 21–23 °C in summer and 22.5–26 °C in winter when the economizer was controlled using the proposed control method and the energy consumption analysis showed that 19% of the energy was reduced compared to the conventional method when the proposed method was controlled.

1. Introduction

Reducing greenhouse gas emissions and energy use is a global issue [1,2]. In Korea, various policies are being implemented to reduce greenhouse gas emissions. The demand for technology development for energy conservation is increasing and various laws and regulations have been enacted. Moreover, various studies are underway in the construction sector, which comprises a large share of domestic energy consumption [3].
Energy efficiency by improving the operation method of the system used in existing buildings is attracting considerable attention. In the domestic construction sector, the Building Design Criteria for Energy Saving was established to induce energy savings design, and it suggests an energy saving design for the passive, active, and electric sector. As one of the active items in the building design criteria, it evaluates free-cooling systems, such as the economizer, which is one of the energy efficiency methods by improving the operating method. This evaluation criterion shall be rated when the outdoor cooling system such as the economizer system is applied to reduce the cooling load by introducing outdoor air during intermediate season [4].
According to ASHRAE standard 90.1, “The economizer means that the outdoor air temperature is low or the air is introduced by adjusting the damper to reduce mechanical cooling” [5]. According to the equipment engineering manual, “The outdoor air cooling cycle can reduce the cooling cost when the outdoor air is low enough to be used as a cooling medium. The return, exhaust and outdoor side damper are adjusted for the cooling setting value when the outdoor air temperature is below the upper limit value, when the outdoor air temperature is above the set temperature value, the return and exhaust damper are opened and closed separately, and the outdoor air side damper is controlled to be opened to the minimum” [6]. In this study, reducing the Heating, Ventilating, and Air Conditioning (HVAC) load by introducing the outdoor air through damper control according to the indoor and outdoor air conditions was defined as the economizer.
Typical control methods of the economizer include dry-bulb temperature control and enthalpy control. In conventional economizer control, the mixed air temperature is constant. Dry-bulb temperature control is a method for determining the amount of outdoor air intake by comparing the indoor air and outdoor air according to the dry-bulb temperature reference. In other words, when the outdoor air temperature is lower than the return air temperature, the outdoor air side damper is opened to increase the outdoor air damper opening rate and reduce the opening rate of the return damper to increase the outdoor air intake amount. In the HVAC system, the airflow rate of the outdoor air and the return air can be expressed using Equation (1) according to the law of conservation of mass, and the relationship between temperature and airflow of outdoor air, return and mixed air can be expressed as Equation (2). In addition, the outdoor air intake amount can be expressed using Equation (3). That is, in dry-bulb temperature control, the outdoor air intake ratio can be calculated from the outdoor air temperature, airflow of outdoor air, return air temperature, and airflow of the return air. It is a simple control method considering only sensible heat. In the case of the enthalpy control, the latent heat, which is not considered in the dry-bulb temperature control, is taken into consideration, and the temperature control values are controlled in place of the enthalpy in a manner complementing the limit that cannot consider the humidity of the dry-bulb temperature control. That is, the outdoor air is introduced by considering the enthalpy of the outdoor air and return air simultaneously. When the outdoor air enthalpy is smaller than the return air enthalpy, the air is introduced for cooling. In the case of enthalpy control, however, it is difficult to calibrate the humidity sensor, and it is difficult to install and operate it economically. Figure 1 shows the intake ratio of the outdoor air temperature to the outdoor air temperature during operation of the economizer system.
m o a + m r = m m i x
m o a T o a + m r T r = m m i x T m i x
α = min ( T r T m i x T r T o a , 1 )
To analyze the operation status of the domestic economizer, a high-rise building with economizer control was selected as the target building. The selected building is a business building and hotel located in Songdo, Incheon. The building has three floors underground and 68 floors aboveground. Floors 1–35 are used as a business building and the Floors 36–65 are used as a hotel. In addition, Floors 66–68 are composed of a machine room and electric room. Table 1 provides an overview of target building and Figure 2 is the picture related to the target building. Air Handling Unit (AHU), Fan Coil Unit (FCU), Variable Airflow Volume (VAV) system, and Constant Airflow Volume (CAV) system units are installed in the target building for air conditioning, and a medium temperature water absorption type refrigerator, an air cooling type inverter refrigerator, a cooling tower, and a heat exchanger are used as the heat source. Two HVAC systems are installed in each of floors that are used for business, and the two units are in charge of one floor. Six outboards are responsible for introducing the outdoor air of the entire building to supply outdoor air to each floor air conditioner.
The Building Automation System (BAS) is monitored to determine the status of the economizer system operation of the target building. The target building is controlled by a dry-bulb temperature economizer and the minimum air volume is 50% of the maximum air volume. On the other hand, the outdoor air damper, return air damper, and mixed air damper are not controlled by the economizer control algorithm. The outdoor air damper is closed when the mixed air damper is opened 100%. The mixed air damper and the outdoor air damper are opened at 100%. Figure 3 shows the rate of damper opening per hour of the target building. Therefore, the current building is equipped with an economizer that is not operated by a control algorithm but operated by the experience of the system operator. In addition, the current mixed air temperature is operating at a fixed value. That is, the use of an economizer is low in Korea, and it is not used properly when it is applied at present.
Khalaj developed a set of nine dry-bulb temperature control cycles to use the economizer dry-bulb temperature control to control the cooling system’s energy requirements in the design and operation of a data center. Prior to this, Australia was divided into 23 regions according to climatic conditions and the data center load was measured. The proposed control method was applied to evaluate the energy performance based on the annual and monthly energy savings with the existing method [7]. Nassif proposed a new economizer control called a split signal damper control strategy that reduces the static pressure of the damper and minimizes the energy use of the ventilation and supply fans, while the control signal controls only the damper of the outdoor air and the remaining two dampers are opened at the 100%. This control method can save energy in the supply and ventilation damper when compared with the conventional method, which controls all three dampers [8]. Wang developed a steady-state energy consumption model to determine the optimal supply air to minimize the energy cost of an air conditioner with the economizer system. The optimal supply air according to the outdoor and indoor conditions was presented, and the energy savings were estimated through simulation [9]. To compare the energy performance according to the economizer control method, Son selected the case of dry-bulb temperature control, enthalpy control, and the case where the economizer did not operate as a simulation case, and evaluated it using Energy Plus. According to the control method, the temperature of the mixed air and the introduction ratio of the outdoor air were analyzed further. As a result, enthalpy control during the cooling period has the greatest energy savings [10]. Kim compared the dry-bulb temperature control and enthalpy control using the TRNSYS simulation program to evaluate the performance according to the economizer control system. According to the economizer control method, the indoor air quality, heat environment, outdoor air introduction rate, and energy consumption according to the outdoor temperature were analyzed. As a result, both control methods satisfied the indoor thermal environment and air quality, but enthalpy control saved more energy than dry-bulb temperature control [11]. Choi evaluated the simulation cases based on the economizer control methods applicable to the Energy Plus for office buildings. The results were compared and analyzed in terms of the indoor air quality, indoor heat environment, and energy consumption. As a result, the differential enthalpy control method was optimal to apply to the target building in terms of energy [12]. Lee evaluated the energy conservation measures used for cooling by directly introducing outdoor air, which is one of the energy management methods by improving the driving method. In other words, various variables applied to outdoor air cooling control for office buildings were analyzed using the dynamic energy analysis program, and the energy efficiency of each control method was compared and analyzed based on this analysis [13]. Kim proposed an outdoor air-cooling method that uses outdoor air information and cooling load information that were predicted beforehand and introduced outdoor air to maintain the room temperature within a comfortable range at the same time as removing the load. Unlike previous studies, the effect of outdoor air-cooling was compared and analyzed in various regions [14]. As such, active research is being conducted to apply the economizer to the system at home and abroad. On the other hand, previous studies focused mainly on economizer control, and there has been little research on controlling the mixed air temperature in an economizer system.
Therefore, the purpose for checking the novelty of this paper is to propose an economizer control method that makes the mixed air temperature variable according to the load in a CAV single duct system with a constant flow rate. For this, a load prediction is required and an Artificial Neural Network (ANN) is used to predict the load. The business building was selected as the target building and the load prediction model was developed through the simulation data of the target building. Through the BIN method and TRNSYS simulation, the relationship between the mixed air temperature and energy was analyzed. Based on these results, an economizer control was proposed to predict the load using an ANN and to make the mixed air temperature variable by the economizer dry-bulb temperature control method of a single duct system with a constant airflow according to the predicted load. The results were compared with the conventional dry-bulb temperature control in terms of the room temperature and energy.

2. Development of Economizer Control Method with Variable Mixed Air Temperature

2.1. Load Prediction Model

2.1.1. Necessity of Load Prediction

Setting the appropriate mixed air temperature according to the load is expected to save energy and a load prediction in the building is needed to set the mixed air temperature. The load prediction can be classified into four types of a long-term prediction, medium-term prediction, short-term prediction, and ultrashort-term prediction considering the temporal period. Long-term forecasting predicts the load from 5 to 10 years, and the medium-term forecasting predicts the monthly load over the year. Short-term predictions are the load from one day to one week, and the ultrashort-term prediction forecasts the load according to the time of day. The four types of load predictions are affected by different factors. For example, long-term predictions have a significant impact on economics, but short-term and ultrashort-term predictions have little effect [15].
The variables affecting the building load vary widely, and the factors affecting the design stage vary. In the initial planning stage, the variables affecting the load are the floor area, number of floors, shape, and orientation of the building. In the basic planning stage, the elements considered in the initial planning stage and factors, such as the floor height, wall and window area, natural light and shade, affect the load. In the basic design stage, some factors considered in the basic planning stage, wall configuration, window type and shape influence, and wall configuration, window type, and shape affect the load in the execution design stage [16]. The pattern of change is very difficult to predict because the load of the building is affected by many variables.
Shin analyzed the data collected from the power industry using Hadoop and Web GIS, a big data solution, and proposed a GIS-based regional load prediction system that forecasts the regional load [17]. Jung proposed Nonlinear Autoregressive neural network with Exogenous input (NARX), which is one of the circulating neural networks to predict the power load and compare the results obtained using the proposed method with the existing linear regression method and moving average method [18]. As a result of previous research on load prediction, the load predicted the results based on the accumulated existing data.

2.1.2. Artificial Neural Network (ANN)

An ANN is a mathematical model proposed for the neural network in the mid-1940s. The model has been used actively in various fields since the mid-1980s. An ANN is a learning neural network based on an algorithm of biology. Machine learning using ANN can analyze the data regardless of the variables because of the characteristics of analyzing large data, finding a certain rule, and classifying and predicting the results according to the data. In addition, empirical reasoning is possible based on the learned data without a theoretical explanation. Therefore, when the size of the related data is large and the relationship between independent variables and dependent variables is unclear theoretically, the accuracy of prediction can be improved through the application of machine learning.
Figure 4 shows the structure of an ANN. In the case of a multi-layer ANN, which is a general ANN algorithm, the layers are classified as an input layer, hidden layer, and output layer; each layer consists of nodes. In the input layer, the values of the input variables are input to derive the output variables, where n input values have n nodes. Each input node and hidden nodes are connected to a weighted network, and both the hidden and output nodes are connected. The weights are given at random at the beginning and are adjusted gradually to a value that best matches the predicted value. The hidden layer receives input from all input nodes and computes the sum of the weights. The calculated information is then converted to an output signal through an active function. In this case, because the existing data is used as the learning data, accurate prediction values cannot be obtained when the learning data are not correct. Therefore, it is important to construct accurate learning data. Activation functions are used mainly for neurons making decisions in classification and pattern recognition tasks. Typical activation functions include the stair functions, sign functions, linear functions, and sigmoid functions. The output of a neuron using the activation function is calculated as follows. First, the neuron computes the weighted sum of the input signals, as shown in Equation (4). The output of the neuron is then calculated using Equation (5) by comparing the calculated value and threshold value. If the sum of the weights is greater than or equal to the threshold value, 1 is the output; otherwise, the output is −1.
X = n = 1 i x n w n
Y = { + 1 ( X θ 1 ( X < θ = sin [ n = 1 i x n w n θ ]
Moon developed a control model for the thermal environment of residential buildings using MATLAB (14, MathWorks, Natick, MA, USA) to produce a pleasant indoor environment. This model was developed in consideration of Predicted Mean Vote (PMV) as well as the air temperature and humidity, and produced a much more pleasant environment than a typical thermal environmental system [19]. To propose a variable heating system and logic that can control the opening of the double skin, Moon developed the optimal control logic with two types of rule-based control method and ANN-based control method. In addition, the developed logic was evaluated through a simulation. As a result, the ANN-based control method was excellent for indoor thermal comfort and system operation [20]. Baik developed an ANN that predicts the time to change from the current room temperature to the setback temperature for the purpose of deriving the setback start time of the heating system. For this, an ANN, initial model optimization, and performance test were developed. As a result, it is expected that the ANN model will be applied to the algorithm for controlling the heating system in the future [21]. Yang developed an ANN model to determine the optimal operation time of the air conditioning system applicable to various buildings by applying the concept of learning based on the existing building operation data, and patterning the experience to reach the optimal point for the similar pattern [22]. To develop an ANN model for the optimal control of the ondol system, Yang compared the performance of the unit generation through position control and predictive control, and evaluated the performance through the input-parameter optimization rules [23]. Energy consumption based on usage plans is required for efficient energy use but technology that can predict the energy allowance required for this is needed. On the other hand, energy is very difficult to predict because buildings are affected by many variables. Many studies have suggested a method to predict the results based on a database and a reasonable procedure; ANNs are one of them. Seong developed an ANN model that optimizes the model of the building using the information obtained from Building Energy Management System (BEMS). The model was learned and trained through the data of the target building and the algorithm was verified through a formula [24]. Using the ANN, Jeon proposed a short-term load prediction method assuming of insufficient historical data and using easily obtainable data, such as the minimum measurement data and weather forecast. In the proposed method, the load prediction is predicted to be reliable [25]. In this way, various studies have been carried out using an ANN in the construction sector, and a prediction of the load using ANN is expected to show a high prediction rate. Therefore, an ANN was used for load prediction in this study.

2.1.3. TRNSYS Modeling

In this study, the 15th floor of the building selected in Section 1 was selected as the target building for developing a load prediction model and evaluating the proposed economizer control, and Google SketchUp (8.0, Trimble, Sunnyvale, CA, USA), TRNBuild (2.0, Thermal Energy System Specialists, Madison, WI, USA), and TRNSYS (17, Thermal Energy System Specialists, Madison, WI, USA) were used to model the building. Google SketchUp is a simple 3D modeling program developed by Trimble. The model was developed around 2000 and is now used widely in architectural and interior design. TRNBuild is a multi-zone building modeling program that describes the thermal properties of each room and links them to TRNSYS. TRNSYS is a complete and flexible dynamic simulation program that can express multi-zone buildings and is used worldwide for design. TRNSYS is linked typically through a simulation studio, where each component is represented mathematically with a simulation engine.
The target building was modeled using TRNSYS 3D in Google SketchUp, and the detailed property of the building was input by TRNBuild. The detailed system of the building was modeled using the TRNSYS Simulation Studio. Figure 5 presents a model of the target building as Google SketchUp and the 15th floor of the target building is composed of five zones, including four outer zones and one inner zone. Figure 6 shows the modeling of the target building system using the simulation studio and Table 2 lists the scale of the space. The inner zone is called Zone_C. Zone_E, Zone_W, Zone_S, and Zone_W are defined according to the location of each room based on the inner zone. The exterior of the target building is composed of a curtain wall structure, and the physical properties of the building material are listed in Table 3.
Table 4 lists the modeling conditions for the simulation. The weather data were obtained from the weather data of Incheon provided by TRNSYS. The internal heating elements consisted of occupants, lighting, and equipment, and were modeled based on ASHRAE standard 90.1 and actual work environment. The schedule of the building was set as 08:00–18:00 on weekdays considering the normal working hours and the room temperature was set to 24 °C. The occupants were sitting in the office space, and the amount of heat in the state of light work and typing was made. In addition, the heat generated by the equipment was a 230 W computer, and was calculated to be equal to the number of people using one computer per worker. The heat generated by the lighting was calculated as the calorific value per floor area.

2.1.4. Development of the Load Prediction Model

In this study, the initial input variables required for the load prediction were calculated based on the load prediction formula. The load of the building can be divided into a cooling load and heating load. In the case of the cooling load, it was calculated by a wall, glass, gap wind, and heating value of a human body and machines. The heating load was calculated in the same way as the cooling load, but heat acquisition by solar radiation was not considered. In this study, both the physical factors and factors affecting the calorific value of the equipment were selected as the initial input parameters of the ANN. The selected input variables were the outdoor air temperature, outdoor air humidity, wind speed, solar radiation, mixed air temperature, and supply air temperature.
Unstable coefficients and Analysis of Variance (ANOVA) were used to analyze the selected initial input variables. The significance of all values was less than 0.001, indicating statistical stability. The R2 value between the input variable and output variable was 0.9367, 0.3413, 0.5543, 0.4379, and 0.3347, which corresponded to the outdoor air temperature, solar radiation, airflow rate, mixed air temperature, and supply air temperature, respectively. Therefore, the correlation was high. The solar radiation data used in the study were assumed to be the first floor of the target building and were excluded from the input variables to improve the prediction performance. Therefore, the variables except for the humidity, wind speed, and solar radiation were selected as the input parameters of the ANN model.
A load prediction model was developed using the input variables derived from the relationship analysis between the input variables and the load. The algorithm used in the development is a neural network model applied for multiple purposes and the sigmoid function used as the activation function. The hidden layer of the prediction model consists of one layer and five nodes. Using 8760 existing data, 6570 data were used as training data and 2190 data were used as test data. Table 5 lists the development of the load prediction model.
To evaluate the performance of the developed load prediction model, the ANN model was evaluated using the Coefficient of Variation of the Root Mean Square Error (CVRMSE) and R2 values presented in ASHRAE Guideline 14 [26]. The correlation coefficient was 0.906 and the CVRMSE was 22%, which satisfies the criteria set by ASHRAE. Figure 7 and Figure 8 show the relationship between the indoor load and predicted load, and the values of the existing learning data and the predicted load in some sections, respectively.

2.2. Proposal of the Economizer Control Method

2.2.1. Analysis of Mixed Air Temperature and Energy

To analyze the relationship between the mixed air temperature and energy, related fluid theories were analyzed and evaluated using the BIN method and TRNSYS simulation. The related theories are shown as Equations (6)–(8). Using Equations (6) the energy requirements for cooling coils can be calculated and heating energy can be calculated by Equation (7). Equation (8) represents the energy of the supply fan, which can be calculated as the fan power, blowing rate of supply air, and fan efficiency. The analysis case is shown in Table 6. In the economizer dry-bulb temperature control, each case was selected as the case where the mixed air temperature was increased from 10 °C to 16 °C in 1 °C increments.
E c = ρ Q ( h m i x h s )
E h = ρ C p Q ( T s T m i x )
E = E f α 3 / n
Figure 9 and Figure 10 show the results of analyzing the relationship between the mixed air temperature and energy by the BIN method and TRNSYS. The mixed air temperature was not constant when the energy was a minimum according to the load, and the trend was the same in both results. The results of the analysis were applied and evaluated. Energy was saved compared to conventional economizer dry-bulb temperature control, which set a mixed air temperature constantly. Based on this, the economizer control is proposed.

2.2.2. Development of Economizer Control Method

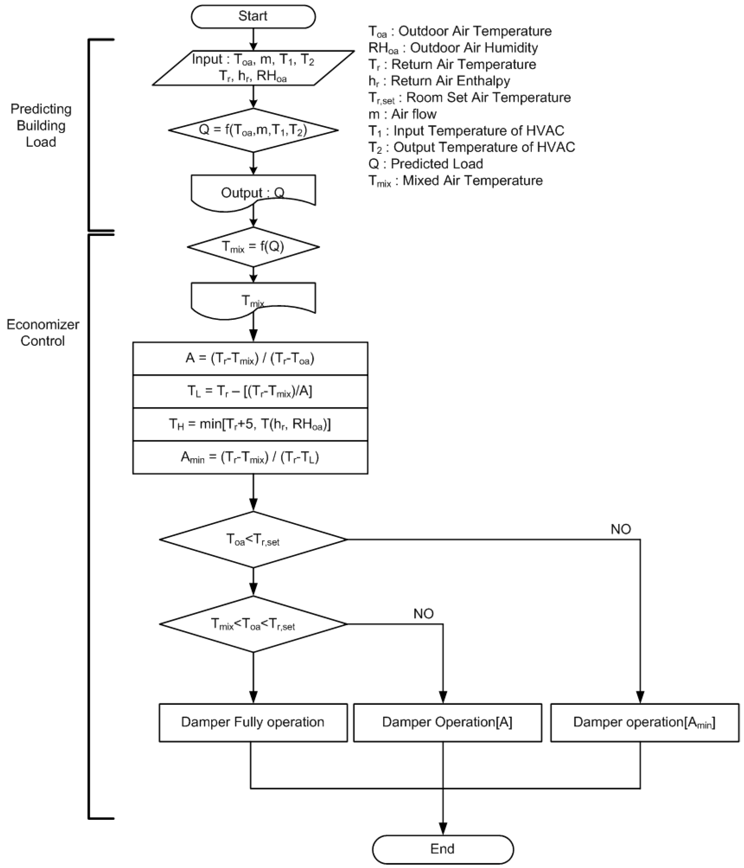
According to the BIN method and TRNSYS simulation, it was confirmed that the energy is reduced when the mixed air temperature of the economizer is changed according to the load. This paper proposes a method to control the mixed air temperature according to the building load during the economizer dry-bulb temperature control in a CAV single duct system. In conventional economizer dry-bulb temperature control, the outdoor air intake ratio, economizer operating range, and outdoor air intake ratio were determined according to the state of the outdoor air and return air, and, accordingly, the damper was opened. The mixed air temperature of the system was not controlled specifically and was generally constant at 13 °C. The control method proposed in this study aims to control the mixed air temperature variable according to the load, unlike conventional dry-bulb temperature control.
(1) Prediction of Building Load
The load of the building varies from hour to hour, making it difficult to predict. Therefore, the load was predicted through an ANN, which learns the existing data and predicts the result. For economizer control, the building load was predicted by the ANN load prediction model developed in Section 2.1.4. The load was predicted according to the state of the building which is changing instantaneously, using the outdoor air temperature and outdoor air volume, mixed air temperature, and supply air temperature as inputs.
(2) Economizer Control
Based on the predicted load, the mixed air temperature of the economizer is controlled according to the load. In the case of the load condition, when the outdoor air temperature condition is not appropriate to operate the economizer control, the mixed air temperature is fixed to the same value as the existing control. In the section where the economizer is used, the mixed air temperature is controlled by applying the relationship between the load and the mixed air temperature derived from the preceding analysis.
Figure 11 shows the algorithm for the proposed control method.

3. Evaluation of Economizer Control Method

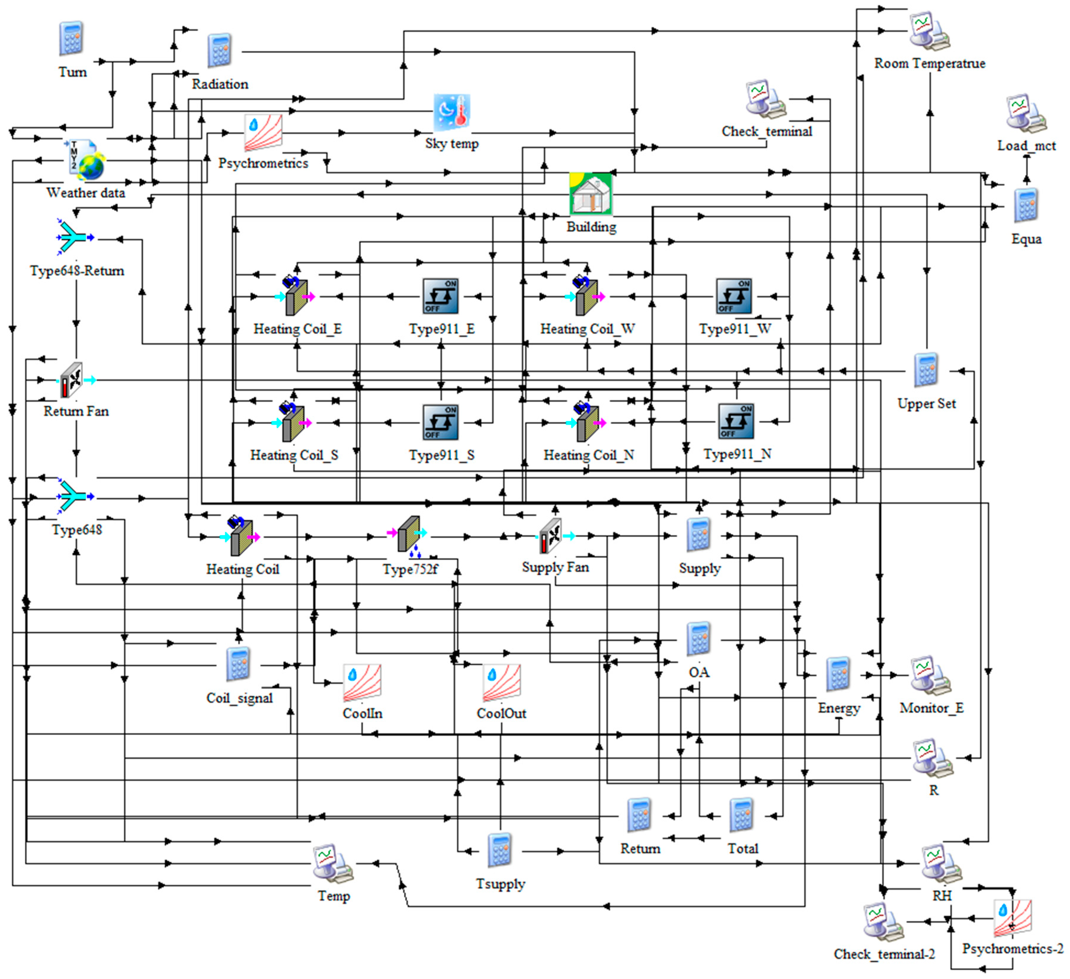
The TRNSYS program was modeled in the flow of Figure 12 to evaluate and apply the proposed economizer control. To predict the load through the ANN, Type 16 was applied to transfer the state of the input variable to the HVAC system. The predicted load was applied to the HVAC system through Type 16. When the fluid moves from the HVAC to each zone of the building, the terminal is controlled by the on/off controller to operate according to the indoor environment when necessary.
Room temperature and energy were analyzed for the evaluation, and the energy was evaluated by comparing the energy consumption of the proposed control with that of the conventional control. Figure 13a,b shows the room temperature at peak load in summer and winter. According to the proposed control method, the indoor environment of the target building is 22.5–26 °C in summer and 22–23.5 °C in winter, which is 24 ± 2 °C.
To analyze the energy savings of the conventional dry-bulb temperature control and proposed control, each was selected as a simulation case, as listed in Table 7, and evaluated. The result are shown in Figure 14 and Figure 15. The energy from the cooling coil was reduced by 28% in Case 2 compared to Case 1, and the energy saving rate through reheat coil was 20%. The total energy was 626,499MJ in Case 1, the energy requirement of Case 2 was 509,585 MJ, and 116,914 MJ of energy was reduced, giving a saving rate of 19%. All HVAC energy was saved in Case 2 compared to Case 1 over all cooling periods. The HVAC energy showed the largest energy saving rate of 37.67% in May and the lowest energy saving rate of 17.09% in August.

4. Conclusions

The economizer system is one of the energy efficiency measures through the operation and management of buildings. In the Building Design Criteria for Energy Savings of domestic buildings, it has proposed to introduce the economizer system, which is one of the free-cooling systems. On the other hand, in Korea, there are few places where the economizer system is installed, and, when it is installed, it is not operating properly. The existing economizer dry-bulb temperature control is controlled by maintaining a mixed air temperature constantly. However, energy saving is expected if the mixed air temperature is made variable according to the load. Variables affecting buildings vary widely and it is very difficult to predict the loads on buildings. The ANN makes a prediction based on existing data, and a load prediction through an ANN is a very effective method. Therefore, this paper proposes economizer control, which estimated the load using ANN and made the mixed air temperature variable according to the predicted load, and evaluated the proposed control on the room temperature and energy side.
The results of this study are as follows.
(1)
The factors affecting the building load vary widely, and the load varies according to the prediction method. The factors affecting the prediction of the building design are different. Most studies on load prediction use existing data to predict the load. The ANN learns and predicts the existing data, and it can analyze all the variables. Therefore, the ANN model was used for the load prediction in this study.
(2)
In the case of a CAV system, the relationship between the mixed air temperature and energy was evaluated using the BIN method and TRNSYS simulation while the mixed air temperature was increased from 10 to 16 °C in 1 °C increments. As a result, the mixed air temperature was not constant when the energy demand was smallest depending on the load. Therefore, economizer control was proposed based on the analysis results and developed ANN model.
(3)
The proposed control method was applied through TRNSYS and evaluated in terms of room temperature and energy. The results show that the temperature of each room was 21–23 °C in summer and 22.5–26 °C in winter when the economizer was controlled using the proposed control method. A comparison of the energy requirement with the conventional control system showed 19% of the energy was reduced.
In this study, we propose a control method to control the mixed air temperature according to the load during economizer dry-bulb temperature control in a CAV system for the purpose of energy saving. The proposed control satisfies the room temperature and it is confirmed that it is possible to save energy compared to the existing control. However, in selecting the system, the study was limited to the CAV system, and it was limited to the dry-bulb temperature control of the economizer. Therefore, in the future, it is necessary to study various HVAC systems other than a CAV system and to apply and demonstrate the proposed control in real building.

Author Contributions

All authors contributed to this work. J.-H.L. Proposed economizer control and wrote the major part of this article. Y.-S.K., J.-H.J. and H.C. Performed the result discussion and gave technical support. Y.-H.C. was responsible for this article and gave conceptual advice.

Funding

This work was supported by the 2017 Yeungnam University Research Grant (217A380131).

Conflicts of Interest

The authors declare no conflicts of interest.

Nomenclature

m o a Mass of Outdoor Air (kg/h)
T o a Outdoor Air Temperature (°C)
m r Mass of Return Air (kg/h)
T r Return Air Temperature (°C)
m m i x Mass of Mixed Air (kg/h)
T m i x Mixed Air Temperature (°C)
α Outdoor Air Intake Ratio (-)
X Sum of net weights of inputs
x n Input Value
w n Weight
Y Output of Neuron
Θ Threshold value
ρ Density of Air (kg/m3)
Q ˙ Design Volumetric flow rate (m3/h)
h m i x Enthalpy of Mixed Air (kJ/kg)
h s Enthalpy of Supply Air (kJ/kg)
C p Specific heat of Air (kcal/kg °C)
T m i x Mixed Air Temperature (°C)
T s Supply Air Temperature (°C)
E f Fan Power (kW)
α Blowing rate of Supply Air (-)
n Fan Efficiency (-)

References

  1. Wang, T.; Ysai, S. Solar panel Supplier Selection for the Photovoltaic System Design by Using Fuzzy Multi-Criteria Decision Making (MCDM) Approaches. Energies 2018, 11, 1989. [Google Scholar] [CrossRef]
  2. Sesana, M.; Salvalai, G. Overview on life cycle methodologies and economic feasibility for nZEBs. Build. Environ. 2013, 67, 211–216. [Google Scholar] [CrossRef]
  3. Choi, B.-E.; Shin, J.-H.; Lee, J.-H.; Kim, S.-S.; Cho, Y.-H. Establishment of Passive Energy Conservation Measure and Economic Evaluation of Fenestration System in Nonresidential Building of Korea. Int. J. Polym. Sci. 2017. [Google Scholar] [CrossRef]
  4. Ministry of Land. Infrastructure and Transport, The Building Design Criteria for Energy Saving; Ministry of Land: Sejong, Korea, 2016.
  5. ASHRAE. ASHRAE Standard 90.1, Energy Standard for Building Except Low-Rise Residential Buildings. Available online: https://www.ashrae.org/technical-resources/bookstore/standard-90-1 (accessed on 29 March 2017).
  6. The Society of Air-Conditioning ad Refrigerating Engineers of Korea, Engineering Equipment Manual, The Society of Air-conditioning ad Refrigerating Engineers of Korea. Available online: http://www.sarek.or.kr/eng/html/sub01_1.jsp (accessed on 4 April 2017).
  7. Khalaj, A.; Scherer, T.; Halgamuge, S. Energy, environmental and economical saving potential of data centers with various economizers across Australia. Appl. Energy 2016, 183, 158–159. [Google Scholar]
  8. Nassif, N.; Moujaes, S. A new operating strategy for economizer dampers of VAV system. Energy Build. 2008, 40, 289–299. [Google Scholar] [CrossRef]
  9. Wang, G.; Song, L. Air handling unit supply air temperature optimal control during economizer cycles. Energy Build. 2012, 49, 310–316. [Google Scholar] [CrossRef]
  10. Son, J.-E.; Hyun, I.-T.; Lee, J.-H.; Lee, K.-H. Comparison of Cooling-Energy Performance Depending on the Economizer-Control Methods in an Office Building. Korean J. Air-Cond. Refrig. Eng. 2015, 27, 432–439. [Google Scholar]
  11. Kim, H.-J.; Cho, Y.-H. A Study on the Analysis of Energy Consumption According to Economizer Control Method. J. Korean Soc. Living Environ. Syst. 2016, 23, 251–256. [Google Scholar] [CrossRef]
  12. Choi, B.-E.; Kim, H.-J.; Cho, Y.-H. A study on Performance Evaluation of Economizer Type through Simulation in Office. J. Korean Inst. Archit. Sustain. Environ. Build. Syst. 2015, 9, 229–234. [Google Scholar]
  13. Lee, H.-W.; Leigh, S.-B. A study on the energy efficient operation of economizer cycle control. Korean J. Air-Cond. Refrig. Eng. 1997, 9, 545–551. [Google Scholar]
  14. Kim, T.-H.; Yoo, S.-Y.; Kim, M.-H. A Study on Building Energy Saving using Outdoor Air Cooling by Load Prediction. Korean J. Air-Cond. Refrig. Eng. 2017, 29, 43–50. [Google Scholar]
  15. Kunsan National University. A Study of Short-Term Demand Forecasting System Using Data Mining Method; Kunsan National University: Gunsan, Korea, 2004. [Google Scholar]
  16. Seok, H.-T.; Park, C.-S.; Kim, K.-W. A Study on the Coil Load Prediction at each Design Stage in Office Building. Archit. Inst. Korea 1995, 15, 299–304. [Google Scholar]
  17. Shin, H.-M.; Bang, G.-H.; Cho, H.-S.; Park, J.-H. GIS-Based Regional Load Forecasting System Using Grid Bigdata; The Korean Society for Geospatial Information Science: Jeollabuk-do, Korea, 2017; pp. 139–140. [Google Scholar]
  18. Jeong, M.-H.; Park, J.-H. Short-term Electric Load Forecasting in Winter and Summer Seasons using a NARX Neural Network. Trans. Korean Inst. Electr. Eng. 2017, 66, 1001–1006. [Google Scholar]
  19. Moon, J.-W.; Kim, J.-J. ANN-based thermal control models for residential buildings. Build. Environ. 2010, 45, 1612–1625. [Google Scholar] [CrossRef]
  20. Moon, J.-W. Development of Integrated Control Methods for the Heating Device and Surface Openings based on the Performance Tests of the Rule-Based and Artificial-Neural-Network-Based Control Logics. Int. J. Korea Inst. Ecol. Archit. Environ. 2014, 14, 97–103. [Google Scholar]
  21. Baik, Y.-K.; Yoon, Y.-J.; Moon, J.-W. Development of Artificial Neural Network Model for Predicting the Optimal Setback Application of the Heating Systems. Int. J. Korea Inst. Ecol. Archit. Environ. 2016, 16, 89–94. [Google Scholar]
  22. Yang, I.-H.; Kim, K.-W. A Study on the Application of Artificial Neural Network for Optimal Operation of HVAC Systems. J. Archit. Inst. Korea 1997, 13, 97–107. [Google Scholar]
  23. Yang, I.-H.; Lee, J.-Y.; Kim, K.-W. A Study on the Optimal Control of Ondol System Using Artificial Neural Network. Korean J. Air-Cond. Refrig. Eng. 2000, 12, 680–687. [Google Scholar]
  24. Seong, N.-C.; Kim, J.-H.; Choi, W.-C.; Yoong, S.-C.; Nassif, N. Development of Optimization Algorithms for Building Energy Model Using Artificial Neural Networks. J. Korean Soc. Living Environ. Syst. 2017, 24, 29–36. [Google Scholar] [CrossRef]
  25. Jeon, B.-K.; Kim, E.-J. Short-Term Load Prediction Using Artificial Neural Network Models. Korean J. Air-Cond. Refrig. Eng. 2017, 29, 497–503. [Google Scholar]
  26. ASHRAE. ASHRAE’s Guideline 14, Measurement of Energy, Demand, and Water Savings. 2014. Available online: https://www.techstreet.com/standards/guideline-14-2014-measurement-of-energy-demand-and-water-savings?product_id=1888937 (accessed on 29 March 2017).
Figure 1. Outdoor air intake ratio according to the outdoor air temperature.
Figure 1. Outdoor air intake ratio according to the outdoor air temperature.
Energies 11 02445 g001
Figure 2. View of Target Building and HVAC system: (a) Whole View of the Target Building; (b) Building Automation System (BAS) Monitoring of the Target Building; (c) Target Building’s Air Handling Unit (AHU); (d) Field Measurements of Mixed Temperature.
Figure 2. View of Target Building and HVAC system: (a) Whole View of the Target Building; (b) Building Automation System (BAS) Monitoring of the Target Building; (c) Target Building’s Air Handling Unit (AHU); (d) Field Measurements of Mixed Temperature.
Energies 11 02445 g002
Figure 3. Rate of damper opening per hour of the target building.
Figure 3. Rate of damper opening per hour of the target building.
Energies 11 02445 g003
Figure 4. Structure of an Artificial Neural Network.
Figure 4. Structure of an Artificial Neural Network.
Energies 11 02445 g004
Figure 5. Google SketchUp modeling.
Figure 5. Google SketchUp modeling.
Energies 11 02445 g005
Figure 6. Modeling of the target building system using simulation studio.
Figure 6. Modeling of the target building system using simulation studio.
Energies 11 02445 g006
Figure 7. Relationship between the indoor load and predicted load.
Figure 7. Relationship between the indoor load and predicted load.
Energies 11 02445 g007
Figure 8. Indoor Load and Prediction Load trend over time.
Figure 8. Indoor Load and Prediction Load trend over time.
Energies 11 02445 g008
Figure 9. Energy Consumption for indoor load based on the supply air temperature.
Figure 9. Energy Consumption for indoor load based on the supply air temperature.
Energies 11 02445 g009
Figure 10. Cooling energy consumption for the indoor load.
Figure 10. Cooling energy consumption for the indoor load.
Energies 11 02445 g010
Figure 11. Proposed economizer algorithm.
Figure 11. Proposed economizer algorithm.
Energies 11 02445 g011
Figure 12. Analysis of room temperature according to the proposed control method.
Figure 12. Analysis of room temperature according to the proposed control method.
Energies 11 02445 g012
Figure 13. Analysis of Room Temperature According to the Proposed Control Method: (a) Indoor air temperature in summer; (b) Indoor air temperature in winter.
Figure 13. Analysis of Room Temperature According to the Proposed Control Method: (a) Indoor air temperature in summer; (b) Indoor air temperature in winter.
Energies 11 02445 g013
Figure 14. Comparison of the energy requirement according to the energy source.
Figure 14. Comparison of the energy requirement according to the energy source.
Energies 11 02445 g014
Figure 15. Monthly energy consumption of HVAC.
Figure 15. Monthly energy consumption of HVAC.
Energies 11 02445 g015
Table 1. Overview of target building.
Table 1. Overview of target building.
CategoryContents
LocationIncheon
Size3 Floors underground, 68 Floors aboveground
Use1–35 FloorsOffice
36–65 FloorsHotel
ConstructionSteel Frame Construction
Gross Area238,435 m2
Table 2. Scale of the space.
Table 2. Scale of the space.
ZoneOrientationFloor Area (m2)Volume (m3)
Zone_EEast4451913
Zone_WWest4581971
Zone_SSouth3241395
Zone_NNorth6692880
Zone_C-6372955
Table 3. Material property of the target building.
Table 3. Material property of the target building.
CategoryThermal TransmittanceSHGC
External WallWall0.37-
Window1.260.212
Interior Wall4.15-
Roof0.31-
Floor0.04-
Table 4. Modeling condition.
Table 4. Modeling condition.
CategoryValue
Weather ConditionIncheon
Operating ConditionOperating Hour08:00–18:00
Room Set Temperature24 °C
Load ConditionOccupantsZone_E40 people
Zone_W40 people
Zone_S5 people
Zone_N5 people
Equipment230 W Computer
Lighting13 W/m2
Table 5. Overview of prediction model development.
Table 5. Overview of prediction model development.
CategoryContent
Input layerNumber of Nodes4
Input ValeOutdoor Air Temperature
Mixed Air Temperature
Supply Air Temperature
Air Flow
Hidden LayerNumber of Nodes5
Number of Hidden Layer1
Output LayerNumber of Nodes1
Output valueBuilding Load
Activation FunctionSigmoid Function
Table 6. Energy evaluation.
Table 6. Energy evaluation.
CategorySimulation Case
Mixed Air Temperature10 °C11 °C12 °C13 °C14 °C15 °C16 °C
Table 7. Simulation case.
Table 7. Simulation case.
CaseCategoryNote
Case 1Existing Economizer Dry-bulb ControlFixed Supply Air Temperature
Case 2Proposal Economizer ControlVariable Mixed Air Temperature for load

Share and Cite

MDPI and ACS Style

Lee, J.-H.; Kim, Y.-S.; Jo, J.-H.; Cho, H.; Cho, Y.-H. Development of Economizer Control Method with Variable Mixed Air Temperature. Energies 2018, 11, 2445. https://doi.org/10.3390/en11092445

AMA Style

Lee J-H, Kim Y-S, Jo J-H, Cho H, Cho Y-H. Development of Economizer Control Method with Variable Mixed Air Temperature. Energies. 2018; 11(9):2445. https://doi.org/10.3390/en11092445

Chicago/Turabian Style

Lee, Jin-Hyun, Yong-Shik Kim, Jae-Hun Jo, Hyun Cho, and Young-Hum Cho. 2018. "Development of Economizer Control Method with Variable Mixed Air Temperature" Energies 11, no. 9: 2445. https://doi.org/10.3390/en11092445

APA Style

Lee, J.-H., Kim, Y.-S., Jo, J.-H., Cho, H., & Cho, Y.-H. (2018). Development of Economizer Control Method with Variable Mixed Air Temperature. Energies, 11(9), 2445. https://doi.org/10.3390/en11092445

Note that from the first issue of 2016, this journal uses article numbers instead of page numbers. See further details here.

Article Metrics

Back to TopTop