Optimal Multidimensional Droop Control for Wind Resources in DC Microgrids
Abstract
1. Introduction
2. Microgrid Modeling and Control
Optimization of Droop Control
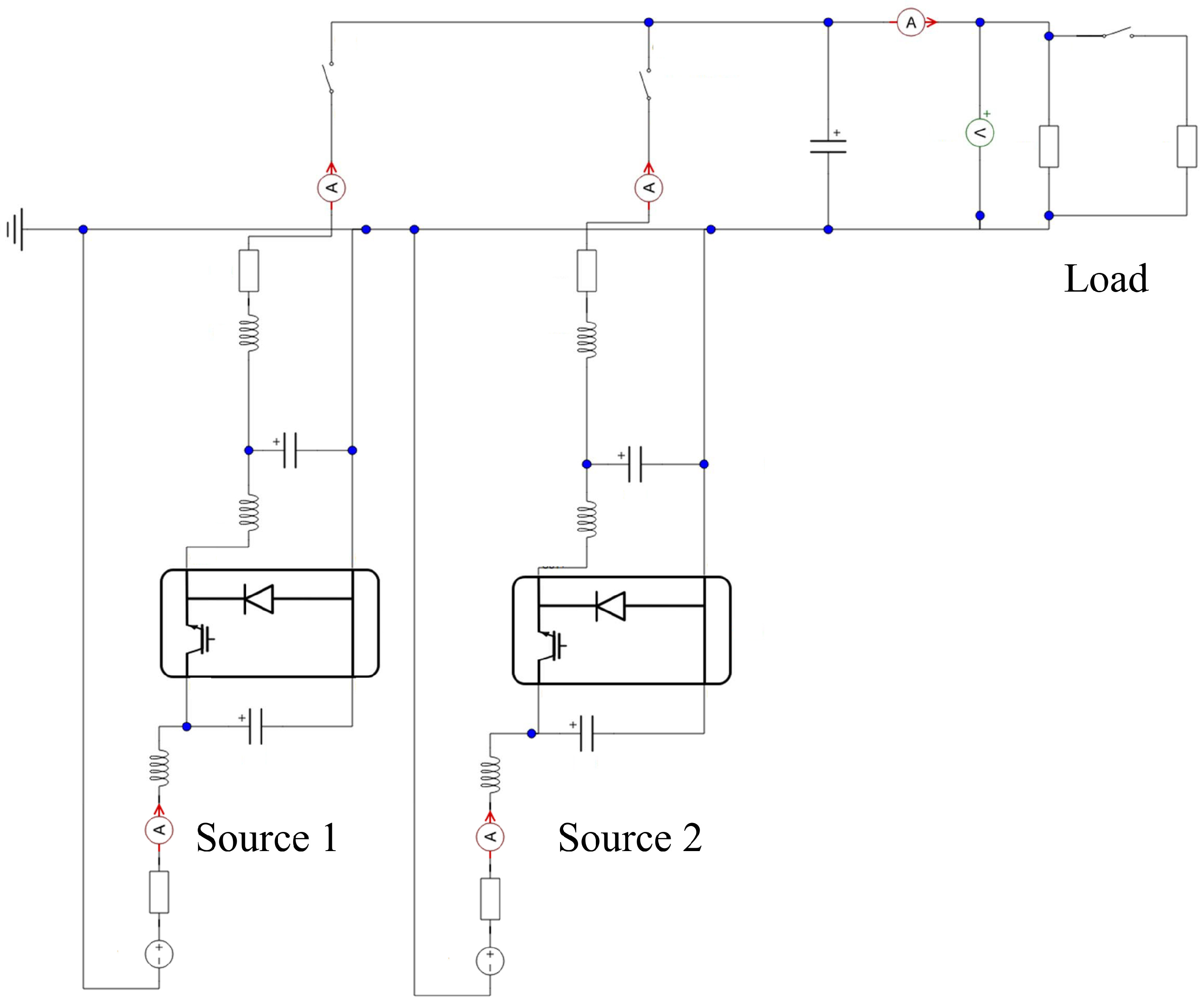
3. Small Microgrid
3.1. Simulation Results
3.2. Hardware-In-The-Loop Results
3.3. Comparison of Results
4. Residential Microgrid
4.1. Traditional Droop Control
4.2. Multidimensional Droop Control
4.3. Optimal Multidimensional Droop Control
4.4. Comparison of Simulation Results
5. Conclusions
5.1. Sensitivity in
5.2. Sensitivity in
Author Contributions
Funding
Conflicts of Interest
References
- Lasseter, R.; Paigi, P. Microgrid: A conceptual solution. In Proceedings of the 2004 IEEE 35th Annual Power Electronics Specialists Conference, Aachen, Germany, 20–25 June 2004; pp. 4285–4290. [Google Scholar]
- Wang, Y.; Wu, Z.; Li, Z. Research on wind energy distributed generation in microgrid. In Proceedings of the 2010 International Conference on Power System Technology (POWERCON), ZheJiang, China, 24–28 October 2010; pp. 1–6. [Google Scholar]
- Xiang, J.; Wang, Y.; Li, Y.; Wei, W. Stability and steady-state analysis of distributed cooperative droop controlled DC microgrids. IET Control Theory Appl. 2016, 10, 2490–2496. [Google Scholar] [CrossRef]
- Wang, X.; Zhang, H.; Li, C. Distributed finite-time cooperative control of droop-controlled microgrids under switching topology. IET Renew. Power Gener. 2017, 11, 707–714. [Google Scholar] [CrossRef]
- Johnson, B.K.; Lasseter, R.H.; Alvarado, F.L.; Adapa, R. Expandable multiterminal DC systems based on voltage droop. IEEE Trans. Power Deliv. 1993, 6, 1926–1932. [Google Scholar] [CrossRef]
- Luo, F.; Lai, Y.M.; Tse, C.K.; Loo, K.H. A triple-droop control scheme for inverter-based microgrids. In Proceedings of the 38th Annual Conference on IEEE Industrial Electronics Society, Montreal, QC, Canada, 25–28 October 2012; pp. 3368–3375. [Google Scholar]
- Khorsandi, A.; Ashourloo, M.; Mokhtari, H.; Iravani, R. Automatic droop control for a low voltage DC microgrid. IET Gener. Transm. Distrib. 2016, 10, 41–47. [Google Scholar] [CrossRef]
- Nagliero, A.; Mastromauro, R.A.; Ricchiuto, D.; Liserre, M.; Nitti, N. Gain-scheduling-based droop control for universal operation of small wind turbine systems. In Proceedings of the 2011 IEEE International Symposium on Industrial Electronics (ISIE), Gdansk, Poland, 27–30 June 2011; pp. 1459–1464. [Google Scholar]
- Vidyanandan, K.V.; Senroy, N. Primary frequency regulation by deloaded wind turbines using variable droop. IEEE Trans. Power Syst. 2013, 28, 837–846. [Google Scholar] [CrossRef]
- Fazeli, M.; Asher, G.M.; Klumpner, C.; Liangzhong, Y.; Bazargan, M. Novel integration of wind generator-energy storage systems within microgrids. IEEE Trans. Smart Grid 2012, 3, 728–737. [Google Scholar] [CrossRef]
- Chen, J.; Chen, J.; Chen, R.; Zhang, X.; Gong, C. Decoupling control of the non-grid-connected wind power system with the droop strategy based on a DC microgrid. In Proceedings of the 2009 World Non-Grid-Connected Wind Power and Energy Conference, Nanjing, China, 24–26 September 2009; pp. 1–6. [Google Scholar]
- Goya, T.; Omina, E.; Kinjyo, Y.; Senjyu, T.; Yona, A.; Urasaki, N.; Funabashi, T. Frequency control in isolated island by using parallel operated battery systems applying h-infinity control theory based on droop characteristics. IET Renew. Power Gener. 2011, 5, 160–166. [Google Scholar] [CrossRef]
- Wu, L.; Infield, D. Investigation on the interaction between inertial response and droop control from variable speed wind turbines under changing wind conditions. In Proceedings of the 2012 47th International Universities Power Engineering Conference (UPEC), London, UK, 4–7 September 2012; pp. 1–6. [Google Scholar]
- Ghanbari, N.; Mokhtari, H.; Bhattacharya, S. Optimizing operation indices considering different types of distributed generation in microgrid applications. Energies 2018, 11, 894. [Google Scholar] [CrossRef]
- Markvart, T. Microgrids: Power systems for the 21st century? Refocus 2006, 7, 44–48. [Google Scholar] [CrossRef]
- Mizani, S.; Yazdani, A. Design and operation of a remote microgrid. In Proceedings of the 35th Annual Conference of IEEE Industrial Electronics (IECON), Porto, Portugal, 3–5 November 2009; pp. 4299–4304. [Google Scholar]
- Asmus, P. Microgrids, virtual power plants and our distributed energy future. Electr. J. 2010, 23, 72–82. [Google Scholar] [CrossRef]
- Majumder, R. Some aspects of stability in microgrids. IEEE Trans. Power Syst. 2013, 28, 3243–3252. [Google Scholar] [CrossRef]
- Bunker, K.J.; Weaver, W.W. Multidimensional droop control for wind resources in DC microgrids. IET Gener. Transm. Distrib. 2017, 11, 657–664. [Google Scholar] [CrossRef]
- Bunker, K.J.; Weaver, W.W. Optimal geometric control of DC microgrids. In Proceedings of the 2014 IEEE 15th Workshop on Control and Modeling for Power Electronics (COMPEL), Santander, Spain, 22–25 June 2014; pp. 1–6. [Google Scholar]
- Krein, P.T.; Bentsman, J.; Bass, R.M.; Lesieutre, B.L. On the use of averaging for the analysis of power electronic systems. IEEE Trans. Power Electron. 1990, 5, 182–190. [Google Scholar] [CrossRef]
- Ivanovic, Z.R.; Adzic, E.M.; Vekic, M.S.; Grabic, S.U.; Celanovic, N.L.; Katic, V.A. HIL evaluation of power flow control strategies for energy storage connected to smart grid under unbalanced conditions. IEEE Trans. Power Electron. 2012, 27, 4699–4710. [Google Scholar] [CrossRef]
- Yousefpoor, N.; Azidehak, A.; Bhattacharya, S.; Parkhideh, B.; Celanovic, I.; Genic, A. Real-time hardware-in-the-loop simulation of convertible static transmission controller for transmission grid management. In Proceedings of the 2013 IEEE 14th Workshop on Control and Modeling for Power Electronics (COMPEL), Salt Lake, UT, USA, 23–26 June 2013; pp. 1–8. [Google Scholar]
- Texas Instruments. TMS320F28335 Controlcard. 2014. Available online: http://www.ti.com/tool/tmdscncd28335 (accessed on 1 June 2014).
- Krishnan, R.; Bharadwaj, A.S. A review of parameter sensitivity and adaptation in indirect vector controlled induction motor drive systems. IEEE Trans. Power Electron. 1991, 6, 695–703. [Google Scholar] [CrossRef]

























| Component | Value | Unit |
|---|---|---|
| 0.1 | ||
| 1 | mH | |
| 0.2 | ||
| 2 | mH | |
| 1 | mF | |
| 100 | V | |
| 1 | ||
| 1 | ||
| 10 |
| AO Channel | Model Parameter | Scaling |
|---|---|---|
| 1 | 100 V per 1 | |
| 2 | 10 A per 1 | |
| 3 | 10 A per 1 | |
| 4 | 100 V per 1 | |
| 5 | 100 V per 1 |
| Source 1 | Source 2 | ||||
|---|---|---|---|---|---|
| Component | Value | Unit | Component | Value | Unit |
| 400 | V | 380 | V | ||
| 0.2 | 0.2 | ||||
| 0.2 | mF | 0.2 | mF | ||
| 1.5 | mH | 1.5 | mH | ||
| 0.08 | F | 0.08 | F | ||
| 5 | mH | 5 | mH | ||
| 0.1 | 0.23 | ||||
| 1.2 | mH | 0.8 | mH | ||
| 300 | V | 300 | V | ||
| 0.9 | 0.8 | ||||
| 1 | 1 | ||||
| 10 | 10 | ||||
| 1 | 1 | ||||
| 10 | 10 |
| Droop Control Strategy | Reference Current Equation | Unused Energy (W-h) |
|---|---|---|
| Linear | 149,770 | |
| Planar | 39,792 | |
| Optimal Surface | 2651 |
© 2018 by the authors. Licensee MDPI, Basel, Switzerland. This article is an open access article distributed under the terms and conditions of the Creative Commons Attribution (CC BY) license (http://creativecommons.org/licenses/by/4.0/).
Share and Cite
Bunker, K.J.; Weaver, W.W. Optimal Multidimensional Droop Control for Wind Resources in DC Microgrids. Energies 2018, 11, 1818. https://doi.org/10.3390/en11071818
Bunker KJ, Weaver WW. Optimal Multidimensional Droop Control for Wind Resources in DC Microgrids. Energies. 2018; 11(7):1818. https://doi.org/10.3390/en11071818
Chicago/Turabian StyleBunker, Kaitlyn J., and Wayne W. Weaver. 2018. "Optimal Multidimensional Droop Control for Wind Resources in DC Microgrids" Energies 11, no. 7: 1818. https://doi.org/10.3390/en11071818
APA StyleBunker, K. J., & Weaver, W. W. (2018). Optimal Multidimensional Droop Control for Wind Resources in DC Microgrids. Energies, 11(7), 1818. https://doi.org/10.3390/en11071818
