A New Single-Phase Transformerless Current Source Inverter for Leakage Current Reduction
Abstract
:1. Introduction
2. Conventional Current Source Inverter
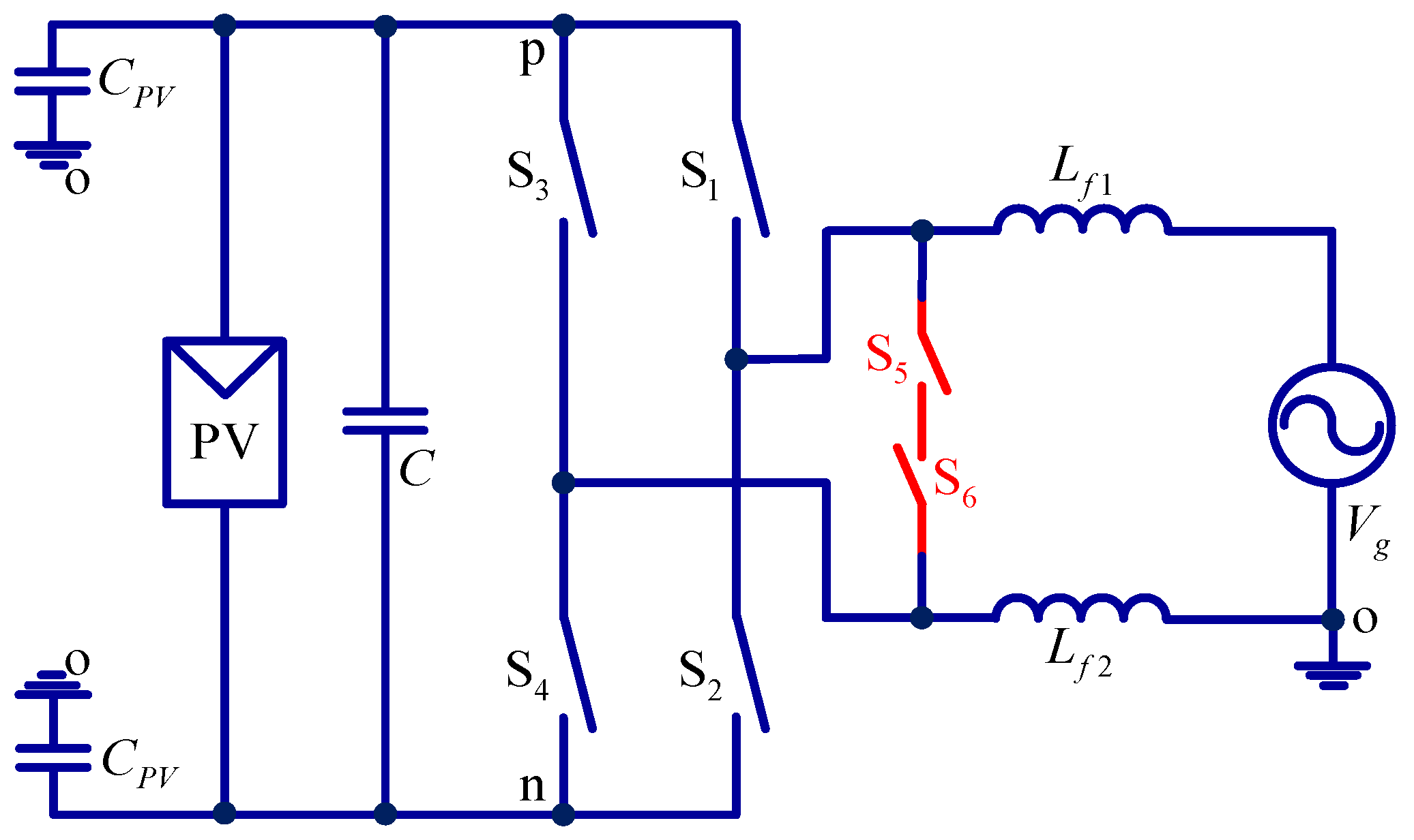
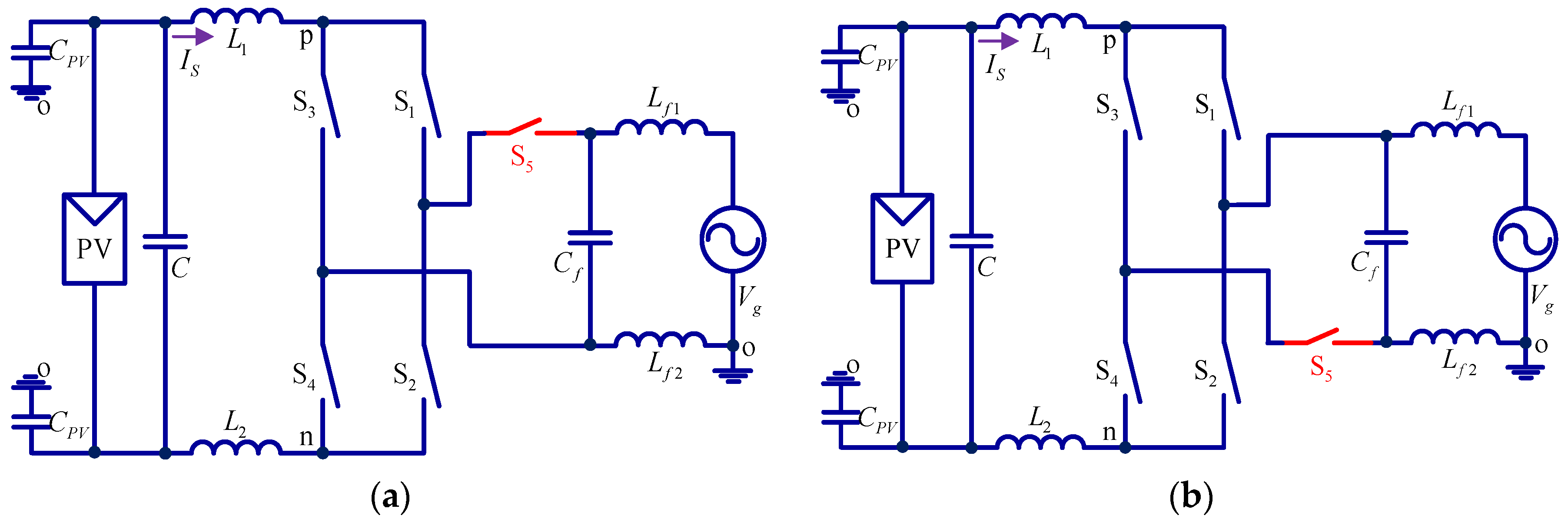
3. New Current Source Inverter
4. Simulation and Experimental Results
5. Conclusions
Author Contributions
Funding
Acknowledgments
Conflicts of Interest
References
- Su, M.; Luo, C.; Hou, X.; Yuan, W.; Liu, Z.; Han, H.; Guerrero, J.M. A Communication-Free Decentralized Control for Grid-Connected Cascaded PV Inverters. Energies 2018, 11, 1375. [Google Scholar] [CrossRef]
- Xiao, H.; Zhang, L.; Li, Y. An improved zero-current-switching single-phase transformerless PV H6 inverter with switching loss-free. IEEE Trans. Ind. Electron. 2017, 64, 7896–7905. [Google Scholar] [CrossRef]
- Li, W.; Gu, Y.; Luo, H.; Cui, W.; He, X.; Xia, C. Topology review and derivation methodology of single-phase transformerless photovoltaic inverters for leakage current suppression. IEEE Trans. Ind. Electron. 2015, 62, 4537–4551. [Google Scholar] [CrossRef]
- Guo, X.Q.; Yang, Y.; Zhu, T.Y. ESI: A novel three-phase inverter with leakage current attenuation for transformerless PV systems. IEEE Trans. Ind. Electron. 2018, 65, 2967–2974. [Google Scholar] [CrossRef]
- Liu, C.; Wang, Y.; Cui, J.; Zhi, Y.; Liu, M.; Cai, G. Transformerless photovoltaic inverter based on interleaving high-frequency legs having bidirectional capability. IEEE Trans. Power Electron. 2016, 31, 1131–1142. [Google Scholar] [CrossRef]
- Guo, X.Q.; Jia, X. Hardware-based cascaded topology and modulation strategy with leakage current reduction for transformerless PV systems. IEEE Trans. Ind. Electron. 2016, 62, 7823–7832. [Google Scholar] [CrossRef]
- Sonti, V.; Jain, S.; Bhattacharya, S. Analysis of the modulation strategy for the minimization of the leakage current in the PV grid-connected cascaded multilevel inverter. IEEE Trans. Power Electron. 2017, 32, 1156–1169. [Google Scholar] [CrossRef]
- Lee, J.S.; Lee, K.B. New modulation techniques for a leakage current reduction and a neutral-point voltage balance in transformerless photovoltaic systems using a three-level inverter. IEEE Trans. Power Electron. 2014, 29, 1720–1732. [Google Scholar] [CrossRef]
- Guo, X.Q.; Wei, B.; Zhu, T.Y.; Lu, Z.; Tan, L.; Sun, X.; Zhang, C. Leakage current suppression of three-phase flying capacitor PV inverter with new carrier modulation and logic function. IEEE Trans. Power Electron. 2018, 33, 2127–2135. [Google Scholar] [CrossRef]
- Lian, Y.; Li, Y.W.; Quan, Z.; Zargari, N.R.; Cheng, Z. SVM strategies for common-mode current reduction in transformerless current-source drives at low modulation index. IEEE Trans. Power Electron. 2017, 32, 1312–1323. [Google Scholar] [CrossRef]
- Lian, Y.; Zhang, Y.; Li, Y.W.; Zargari, N.R.; Cheng, Z. Common-mode resonance suppression in transformerless PWM current-source drive. IEEE Trans. Power Electron. 2016, 31, 5721–5731. [Google Scholar] [CrossRef]
- Siwakoti, Y.P.; Town, G.E. Three-phase transformerless grid connected Quasi Z-Source Inverter for solar photovoltaic systems with minimal leakage current. In Proceedings of the 2012 3rd IEEE International Symposium on Power Electronics for Distributed Generation Systems (PEDG), Aalborg, Denmark, 25–28 June 2012; pp. 368–373. [Google Scholar]
- Bradaschia, F.; Cavalcanti, M.C.; Ferraz, P.E.P.; Dos Santos, E.C., Jr.; Neves, F.A.S. Eliminating leakage currents in transformerless Z-source inverters for photovoltaic systems. In Proceedings of the 20th IEEE International Symposium on Industrial Electronics (ISIE), Gdansk, Poland, 27–30 June 2011. [Google Scholar]
- Bradaschia, F.; Cavalcanti, M.C.; Ferraz, P.E.P.; Azevedo, G.M.S.; Neves, F.A.S.; Dos Santos, E.C., Jr. Stability analysis of reduced leakage current modulation techniques for Z-source inverters in transformerless photovoltaic applications. In Proceedings of the IEEE Energy Conversion Congress and Exposition (ECCE), Phoenix, AZ, USA, 17–22 September 2011. [Google Scholar]
- Bradaschia, F.; Cavalcanti, M.C.; Ferraz, P.E.P.; Neves, F.A.S.; Dos Santos, E.C., Jr.; Da Silva, J.H.G.M. Modulation for three-phase transformerless z-source inverter to reduce leakage currents in photovoltaic systems. IEEE Trans. Power Electron. 2011, 58, 5385–5395. [Google Scholar] [CrossRef]
- Ferraz, P.E.P.; Bradaschia, F.; Cavalcanti, M.C.; Neves, F.A.S.; Azevedo, G.M.S. A modified Z-source inverter topology for stable operation of transformerless photovoltaic systems with reduced leakage currents. In Proceedings of the 11th Brazilian Power Electronics Conference (COBEP), Natal, Brazil, 11–25 September 2011. [Google Scholar]
- Zhou, Y.; Li, H. Analysis and suppression of leakage current in cascaded-multilevel-inverter-based PV systems. IEEE Trans. Power Electron. 2014, 29, 5265–5277. [Google Scholar] [CrossRef]
- Zhang, L.; Sun, K.; Xing, Y.; Xing, M. H6 transformerless full-bridge PV grid-tied inverters. IEEE Trans. Power Electron. 2014, 29, 1229–1238. [Google Scholar] [CrossRef]
- Xiao, H.F.; Liu, X.P.; Lan, K. Zero-voltage-transition full bridge topologies for transformerless photovoltaic grid-connected inverter. IEEE Trans. Ind. Electron. 2014, 61, 5393–5401. [Google Scholar] [CrossRef]
- Guo, X.Q. A novel CH5 inverter for single-phase transformerless photovoltaic system applications. IEEE Trans. Circuits Syst. 2017, 64, 1197–1201. [Google Scholar] [CrossRef]
- Concari, L.; Barater, D.; Buticchi, G.; Concari, C.; Liserre, M. H8 inverter for common-mode voltage reduction in electric drives. IEEE Trans. Ind. Appl. 2016, 52, 4010–4019. [Google Scholar] [CrossRef]
- Guo, X.Q.; Zhou, J.L.; He, R.; Jia, X.Y.; Rojas, C.A. Leakage current attenuation of a three-phase cascaded inverter for transformerless grid-connected PV systems. IEEE Trans. Ind. Electron. 2018, 65, 676–686. [Google Scholar] [CrossRef]
- Li, K.; Shen, Y.; Yang, Y.; Qin, Z.; Blaabjerg, F. A transformerless single-phase symmetrical Z-source HERIC inverter with reduced leakage currents for PV systems. In Proceedings of the 2018 IEEE Applied Power Electronics Conference and Exposition (APEC), San Antonio, TX, USA, 4–8 March 2018; pp. 356–361. [Google Scholar]
- Guo, X. Three phase CH7 inverter with a new space vector modulation to reduce leakage current for transformerless photovoltaic systems. IEEE Emerg. Sel. Top. Power Electron. 2017, 5, 708–712. [Google Scholar] [CrossRef]
- Miveh, M.R.; Rahmat, M.F.; Ghadimi, A.A.; Mustafa, M.W. Control techniques for three-phase four-leg voltage source inverters in autonomous microgrids: A review. Renew. Sustain. Energy Rev. 2016, 54, 1592–1610. [Google Scholar] [CrossRef]
- Lo, Y.K.; Chen, C.L. Three-phase four wire voltage controlled AC line conditioner with unity input power factor and minimized output voltage harmonics. Proc. Inst. Electr. Eng. 1995, 142, 43–49. [Google Scholar]
- Sun, Y.; Liu, Y.L.; Su, M.; Han, H.; Li, X. Topology and control of a split-capacitor four-wire current source inverter with leakage current suppression capability. IEEE Trans. Power Electron. 2018. [CrossRef]
- Kadam, A.; Shukla, A. A multilevel transformerless inverter employing ground connection between PV negative terminal and grid neutral point. IEEE Trans. Ind. Electron. 2017, 64, 8897–8907. [Google Scholar] [CrossRef]
- Siwakoti, Y.; Blaabjerg, F. Common-ground-type transformerless inverters for single-phase solar photovoltaic systems. IEEE Trans. Ind. Electron. 2018, 65, 2100–2111. [Google Scholar] [CrossRef]
- Xia, Y.; Roy, J.; Ayyanar, R. A capacitance-minimized, doubly grounded transformer less photovoltaic inverter with inherent active-power decoupling. IEEE Trans. Power Electron. 2017, 32, 5188–5201. [Google Scholar] [CrossRef]
- Rajeev, M.; Agarwal, V. Single phase current source inverter with multiloop control for transformerless grid-PV interface. IEEE Trans. Ind. Appl. 2018, 54, 2416–2424. [Google Scholar] [CrossRef]
- Saeidabadi, S.; Ashraf Gandomi, A.; Hosseini, S.H. A novel transformerless photovoltaic grid-connected current source inverter with ground leakage current elimination. In Proceedings of the 2017 8th Power Electronics, Drive Systems & Technologies Conference (PEDSTC), Mashhad, Iran, 14–16 February 2017; pp. 61–66. [Google Scholar]
- Guo, X.; Yang, Y.; Zhang, X. Advanced control of grid-connected current source converter under unbalanced grid voltage conditions. IEEE Trans. Ind. Electron. 2018. [Google Scholar] [CrossRef]
- Guo, X.; Yang, Y.; Wang, X. Optimal space vector modulation of current source converter for dc-link current ripple reduction. IEEE Trans. Ind. Electron. 2018. [Google Scholar] [CrossRef]
- Guo, X.; Xu, D.; Guerrero, J.M.; Wu, B. Space vector modulation for dc-link current ripple reduction in back-to-back current-source converters for microgrid applications. IEEE Trans. Ind. Electron. 2015, 62, 6008–6013. [Google Scholar] [CrossRef]
- Lebre, J.R.; Portugal, P.M.M.; Watanabe, E.H. Hybrid HVDC (H2VDC) System Using Current and Voltage Source Converters. Energies 2018, 11, 1323. [Google Scholar] [CrossRef]
- Guo, X.Q.; Liu, W.; Lu, Z. Flexible power regulation and current-limited control of grid-connected inverter under unbalanced grid voltage faults. IEEE Trans. Ind. Electron. 2017, 64, 7425–7432. [Google Scholar] [CrossRef]












| S1 | S2 | S3 | S4 | Vpo | Vno | Vcm |
|---|---|---|---|---|---|---|
| 1 | 0 | 0 | 1 | Vg | 0 | Vg/2 |
| 1 | 1 | 0 | 0 | Vg | Vg | Vg |
| 0 | 1 | 1 | 0 | 0 | Vg | Vg/2 |
| 0 | 0 | 1 | 1 | 0 | 0 | 0 |
| Vector | S1 | S2 | S3 | S4 | S5 | Vpo | Vno | Vcm |
|---|---|---|---|---|---|---|---|---|
| I1 | 1 | 0 | 0 | 1 | 1 | Vg | 0 | Vg/2 |
| I2 | 0 | 1 | 1 | 0 | 1 | 0 | Vg | Vg/2 |
| I3 | 1 | 1 | 0 | 0 | 1 | Vg | Vg | Vg |
| I4 | 0 | 0 | 1 | 1 | 1 | 0 | 0 | 0 |
| I5 | 1 | 1 | 0 | 0 | 0 | Vg/2 | Vg/2 | Vg/2 |
© 2018 by the authors. Licensee MDPI, Basel, Switzerland. This article is an open access article distributed under the terms and conditions of the Creative Commons Attribution (CC BY) license (http://creativecommons.org/licenses/by/4.0/).
Share and Cite
Guo, X.; Zhang, J.; Zhou, J.; Wang, B. A New Single-Phase Transformerless Current Source Inverter for Leakage Current Reduction. Energies 2018, 11, 1633. https://doi.org/10.3390/en11071633
Guo X, Zhang J, Zhou J, Wang B. A New Single-Phase Transformerless Current Source Inverter for Leakage Current Reduction. Energies. 2018; 11(7):1633. https://doi.org/10.3390/en11071633
Chicago/Turabian StyleGuo, Xiaoqiang, Jianhua Zhang, Jiale Zhou, and Baocheng Wang. 2018. "A New Single-Phase Transformerless Current Source Inverter for Leakage Current Reduction" Energies 11, no. 7: 1633. https://doi.org/10.3390/en11071633
APA StyleGuo, X., Zhang, J., Zhou, J., & Wang, B. (2018). A New Single-Phase Transformerless Current Source Inverter for Leakage Current Reduction. Energies, 11(7), 1633. https://doi.org/10.3390/en11071633
