Next Article in Journal
Locating Optimization of an Integrated Energy Supply Centre in a Typical New District Based on the Load Density
Previous Article in Journal
A Distributed Secondary Control Algorithm for Automatic Generation Control Considering EDP and Automatic Voltage Control in an AC Microgrid
 
 
Font Type:
Arial Georgia Verdana
Font Size:
Aa Aa Aa
Line Spacing:
Column Width:
Background:
Article

A Simplified Control Method for Tie-Line Power of DC Micro-Grid

1
Key Laboratory of Smart Grid of Ministry of Education, Tianjin University, Tianjin 300072, China
2
College of Energy and Electrical Engineering, Hohai University, Nanjing 210098, China
*
Author to whom correspondence should be addressed.
Energies 2018, 11(4), 933; https://doi.org/10.3390/en11040933
Submission received: 28 February 2018 / Revised: 6 April 2018 / Accepted: 11 April 2018 / Published: 14 April 2018
(This article belongs to the Section F: Electrical Engineering)

Abstract

:
Compared with the AC micro-grid, the DC micro-grid has low energy loss and no issues of frequency stability, which makes it more accessible for distributed energy. Thus, the DC micro-grid has good potential for development. A variety of renewable energy is included in the DC micro-grid, which is easily affected by the environment, causing fluctuation of the DC voltage. For grid-connected DC micro-grid with droop control strategy, the tie-line power is affected by fluctuations in the DC voltage, which sets higher requirements for coordinated control of the DC micro-grid. This paper presents a simplified control method to maintain a constant tie-line power that is suitable for the DC micro-grid with the droop control strategy. By coordinating the designs of the droop control characteristics of generators, energy storage units and grid-connected inverter, a dead band is introduced to the droop control to improve the system performance. The tie-line power in the steady state is constant. When a large disturbance occurs, the AC power grid can provide power support to the micro-grid in time. The simulation example verifies the effectiveness of the proposed control strategy.

1. Introduction

Significantly increasing the proportion of renewable energy in energy production and consumption is an important measure to solve the problems of energy crisis and environmental pollution. At present, there are two main methods for the development and utilization of renewable energy, which are namely “large-scale centralized installation with medium/high voltage integration over long transmission distance for remote consumption” and “scale decentralized installation with low voltage integration for local consumption” [1].
Using micro-grids is an effective way to consume renewable energy locally [2]. A micro-grid can be classified as an AC micro-grid or DC micro-grid, depending on the properties of the common bus to which the devices are connected to for the exchange of power. In the DC micro-grid, it is easy to coordinate the operation of devices, because the voltage of DC bus is the only measurement for control, with no frequency or reactive power problems found to exist as in the AC system. Furthermore, the voltage disturbance from the AC side can be effectively isolated to ensure high reliability of the DC system power supply. With an increase in the DC equipment in the micro-grid, the development of the DC micro-grid has attracted more interest [3,4,5,6].
Figure 1 shows a typical grid-connected DC micro-grid, including the photovoltaic generation unit, DC load, AC load, energy storage unit, grid-connected inverter unit and transmission line.
In order to achieve DC bus voltage stability and power balance in the system of the DC micro-grid, a reliable control strategy is needed for the coordinated operation of multiple devices. Similar to the hierarchical control structure in the AC micro-grid, the control structure in the DC micro-grid can also be divided into three layers from top to bottom, including the distribution network operator (DNO), micro-grid central controller (MCC) and local controller (LC) [7]. The power grid interacts with the micro-grid through MCC, whose main function is to maximize the benefit of the micro-grid and coordinate the control of LCs.
Master-slave control and peer-to-peer control are two typical control methods in MCC [8,9]. In the DC micro-grid, DC bus voltage is an important signal that indicates the stability of the DC system. In master-slave control mode, one power source or energy storage device is selected as the master control unit to control the DC bus voltage and the other devices are slave control units in constant output power mode. As it is responsible for supplementing a power shortage in a system and balancing the power fluctuation generated by renewable energy, the master control unit is required to have large reserve capacity and fast power regulation capability. Master-slave control is one type of centralized control. In this centralized control, a communication system is necessary to designate and switch the master control unit and slave-control units in the micro-grid. However, delay of the communication system usually has an adverse effect on the system.
In peer-to-peer control mode, the equipment with power regulation ability (such as power supply, energy storage device, etc.) adopts droop control, whose output power is related to the DC voltage in the micro-grid. When the DC voltage falls (rises), the device with droop control will increase (decrease) its output power or reduce (increase) its absorption power in order to prevent the DC voltage from falling (raising). The peer-to-peer control has high reliability because all the droop-controlled devices are equipotent and are involved in DC bus voltage control and power regulation. When one converter station in the system is out of operation, the power shortage will be shared by all the droop-controlled devices in order to ensure the stability of the DC voltage without overloading any units. However, one shortcoming of droop control is that the variation in DC voltage will cause fluctuations in the device output power, especially in the micro-grid integrated with renewable energies. The output power of renewable energy is greatly influenced by the natural environment. If there is a power fluctuation in the environment, this will cause fluctuation of the DC voltage, thus affecting the output power of other droop-controlled devices. The droop control is not suitable when the output power of device is required to be constant.
A grid-connected DC micro-grid is linked with the AC power grid through a DC/AC inverter. Obviously, if a constant tie-line power is required, the grid-connected inverter must be under the constant power control mode. Without the help of a communication system, the grid-connected inverter cannot participate in power regulation and distribution automatically when the power imbalance is caused by the outage of equipment in the micro-grid. The grid-connected inverter can adopt droop control to have the ability to provide power support to the micro-grid. However, the tie-line power will be influenced by voltage fluctuation in the DC bus.
At present, there are many ideas for tie-line power control from the perspective of the renewable energy power generation unit, demand of side management and energy storage system. Previous studies [10,11,12,13] have proposed some methods to suppress the power fluctuation of renewable energy with energy storage devices. From the perspective of the demand of side response, the tie-line power of micro-grid becomes smooth once combined with the energy storage system as shown in a previous study [14]. Taking reduction in the tie-line power fluctuation as the optimization goal, a previous study [15] also proposed a micro-grid energy management control strategy. However, most of these methods depend on the communication system to coordinate the operation of devices in a micro-grid, resulting in a high cost and complex control.
In order to solve this problem, an improved droop control strategy is proposed in this paper, which can simplify tie-line power control of a DC micro-grid. With this control strategy, the grid-connected inverter can not only keep the advantages of droop control, such as on the lack of reliance on the communication system and high reliability, but also maintain the advantage of maintaining a constant tie-line power in the steady state that will not be affected by renewable energy fluctuation. Based on the simulation model of the DC micro-grid built in MATLAB/Simulink, the effectiveness of the control strategy is verified. The results show that the control strategy has a good transient and steady performance.

2. Traditional Droop Control Strategy for DC Micro-Grid

2.1. Local Level Control

For a droop-controlled equipment, the characteristics of DC voltage-active power (Udc-P) are shown in Figure 2, where Udc* is the reference voltage and P* is the reference power of the converter station. The positive direction of power is defined as flowing into DC micro-grid. When the DC voltage in micro-grid falls, devices will increase their output power or reduce the absorption power. A smaller slope of the voltage-power droop characteristic represents a smaller voltage deviation caused by the power change.
In general, the output power of the equipment in droop control has a linear relationship with the DC bus voltage:
e = K U dc ( U dc * U dc ) + K P ( P * P )
where each variable is in p.u. values. By setting KUdc and KP, the converter station can work in different modes: KUdc = 0 for constant power mode; KP = 0 for constant voltage mode; and KUdc > 0 and KP > 0 for the droop-control mode, with a slope of −KP/KUdc.
By defining the voltage error and the power error as eUdc = Udc* − Udc and eP = P* − P respectively, the equation can be rewritten as:
e = K U dc e U dc + K P e P
The slope of droop control, −KP/KUdc, is determined by the equipment capacity. For equipment with rated capacity Pmax_i and Pmax_j, their droop slopes satisfy:
K U dc _ i / K P _ i K U dc _ j / K P _ j = P max _ i P max _ j
The converters in DC micro-grid mainly include two types, which are namely the DC/DC converter and DC/AC converter. The former is used to connect the DC load, photovoltaic power generation unit and energy storage unit; and the latter is used to connect AC load, generator and AC power grid. A simple bidirectional DC/DC converter and a two-level DC/AC converter are taken as examples to illustrate the implementation of droop control.
The topology of the bidirectional DC/DC converter and its droop controller are shown in Figure 3. The port where C1 is located is the low voltage side, while the port where C2 is located is the high voltage side. When power flows from the low voltage side to the high voltage side, T1 is blocked and the circuit is in Boost mode. When power flows from the high voltage side to the low voltage side, T2 is blocked and the circuit is in Buck mode. The droop control is the combination of DC voltage and active power, while the inner loop current reference IL* is generated by the outer loop controller. The duty cycle D is generated by the inner loop current controller and the pulses of power electronics are generated with pulse-width modulation (PWM).
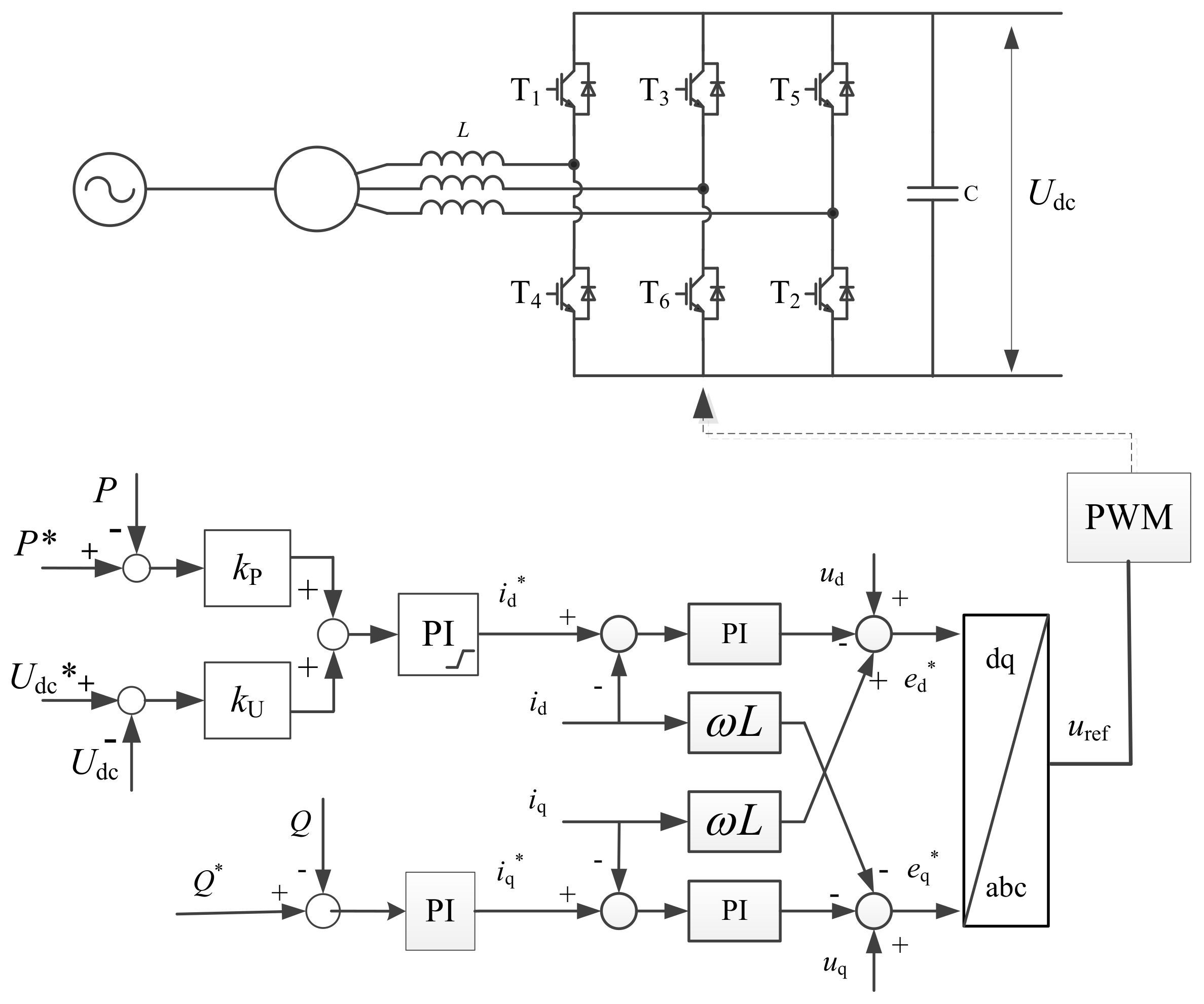
The topology of the two-level DC/AC converter and its droop controller are shown in Figure 4. Each phase unit can output the two voltage levels of +Udc/2 and −Udc/2, with the trigger pulses for the upper and lower bridge arms being complementary to each other. The outer loop of the two-level DC/AC converter is divided into two parts: the droop control to produce d axis reference current and the reactive power control to produce q axis reference current. Based on the variables in the dq-rotating coordinates, the current inner loop controller adopts the methods of current decoupling and voltage feed-forward to generate the reference voltage of the converter, which is converted into pulses with PWM to drive the switches.

2.2. Micro-Grid Level Control

Coordinated control of devices is required to stabilize the operation of the DC micro-grid. Devices in DC micro-grid fall into two categories: devices with the ability to regulate power, such as grid-connected inverter, micro gas turbine and energy storage system; and devices with random characteristics of output power, such as load and renewable energy unit. To improve the utilization rate of renewable energy, such as photovoltaic (PV), the controller of renewable energy usually works in the maximum power tracking mode. To obtain safe and reliable power supply, the load control unit usually works in the constant voltage mode. The other equipment with the ability to regulate power, such as the micro gas turbine, energy storage system and grid-connected inverter, generally work in the droop control mode.
For a DC micro-grid adopting droop control, the micro-grid level control layer determines the reference operation points of devices, which is shown in Figure 5. Droop control in the DC micro-grid is simpler, as only DC voltage Udc and active power P are required for control.

3. Improved Droop Control Strategy for DC Micro-Grid

3.1. Local Level Control

In a system with traditional droop control, the “plug & play” functions of devices can be easily achieved as these devices have equal positions and no master or slave device exists. The bus voltage in the DC micro-grid is co-controlled by multiple power regulating devices, which improves the reliability of the system. The linear relationship between the voltage error and power error in droop control allows the devices to quickly participate in power regulation of micro-grid, but their output power is easily affected by DC bus voltage fluctuations. The stochastic fluctuation of the load and renewable energy in the micro-grid will cause variation in the DC bus voltage, thus affecting the power output of all droop-controlled devices and decreasing their steady-state performance.
In order to solve the above problems and fully utilize the high reliability of droop control, an improved droop control strategy is proposed here, in which devices are divided into master device and slave devices. On the basis of the traditional droop control, a piecewise droop control is formed by adding a segment of constant voltage to the master device and a segment of constant power to the slave devices, respectively.

3.1.1. Master Device Control

The droop controller design for the master device and its droop characteristics with a constant voltage region are shown in Figure 6. By adding a dead band to the active power error, the constant voltage control can be achieved.
Considering the influence of the power dead band, the operation range of DC bus voltage and the equipment capacity, droop control can be divided into two sections in terms of droop characteristics with different droop slopes, as shown in Equation (4).
{ K P 1 K U 1 = U dc _ max U dc * ( P * Δ P ) P min K P 2 K U 2 = U dc * U dc _ min P max ( P * + Δ P ) ,
where Pmax and Pmin are the maximum and minimum output power of the equipment; Udc_max and Udc_min are the maximum and minimum DC voltage of DC micro-grid; and ∆P is the power dead band value, respectively.
The characteristic of the droop control with the additional power dead band is shown in Figure 6b. When the output power of renewable energy fluctuates within a certain dead band, the master device can adjust its output power to maintain a constant DC bus voltage. When the power fluctuation range exceeds the dead band, the master device will switch to the droop control section and the DC bus voltage will change. To avoid the jumping between different control mode, a hysteresis is added in the output of the power error. In Figure 6a, VP is the absolute value of output of dead band, while dP1 and dP2 are the hysteresis values. The hysteresis block the outputs of 1 when VP increases to be larger than dP2. The hysteresis block outputs 0 when VP decreases to be smaller than dP1.

3.1.2. Slave Device Control

The droop controller design for the slave devices and its droop characteristics with a constant power section are shown in Figure 7. By adding a dead band to the DC voltage error, the constant power control can be achieved. A hysteresis is added to avoid the jumping between different control modes. In Figure 6a, VUdc is the absolute value of output of the dead band, while dUdc1 and dUdc2 are the hysteresis values.
Considering the influence of the voltage dead band, droop control characteristics can be divided into two sections with different droop slopes as:
{ K P 1 K U 1 = U dc _ max ( U dc * + Δ U ) P * P min K P 2 K U 2 = ( U dc * Δ U ) U dc _ min P max P * ,
where ∆U is the saturation value of the voltage dead band.
The droop control with the additional voltage dead band is shown in Figure 7b. When the DC bus voltage fluctuates within a certain dead band, the slave devices output constant power. When the DC bus voltage fluctuation range exceeds the dead band, the slave devices switch to the droop control section to stabilize the DC voltage by adjusting their output power.

3.2. Micro-Grid Level Control

The output characteristics of the equipment in the DC micro-grid with improved coordinated control are shown in Figure 8. The droop controller can be designed with the following steps. The master control unit should be chosen from the equipment with the ability to regulate power, such as generators and energy storage system. As there is only one master control unit, the other equipment will be slave control units. The power output of each device (i.e., the reference operating point) could also be determined with an optimization calculation in the MCC layer. The slope of droop curve can be calculated according to the capacity of equipment and operation range of DC voltage.
Taking the renewable energy fluctuation into account, the droop slope needs some modification. The power dead band of the master equipment ∆P is determined by the fluctuation range of renewable energy. The determination of the voltage dead band of slave equipment ∆Udc is based on the DC voltage variation range, which could be aided by power flow calculation. After this, the hysteresis value should be determined to avoid jumping of control modes.
In the DC micro-grid, the micro gas turbine usually operates as the master control unit because its output power can be adjusted flexibly and easily as shown in Figure 1. To maintain constant tie-line power, the grid-connected inverter operates in the slave control mode. Since only one master device with constant DC voltage control is allowed in the DC micro-grid, the other devices with power regulation capability work in slave control mode.
In steady state, the master device is responsible for stabilizing and complementing the power output of renewable energy, and the slave devices output constant power, which is similar to the traditional master-slave control. In the transient state, all the master and slave devices switch to droop control sections to dominate the DC voltage and balance system power in a coordinated manner, which is similar to the traditional droop control.

4. Simulation Verification

To verify the effectiveness of the proposed control strategy, a simulation model for the DC micro-grid is built in MATLAB/Simulink as shown in Figure 1, while the system parameters are shown in Table 1. The control strategy is simulated and verified under different working conditions.

4.1. Normal Operation of the System

Assuming that the fluctuation range of PV output power is approximately 0−100 kW, the irradiance fluctuation law is shown in Figure 9a and the output power of PV is shown in Figure 9b.
The traditional and the improved droop control have been simulated respectively, with the DC bus voltage and output power of each device in micro-grid shown in Figure 10 and Figure 11.
The integration of renewable energy causes fluctuations in the voltage of the DC bus. Figure 10 shows that with traditional droop control, the fluctuations in DC bus voltage affect the output power of all droop control equipment in the micro-grid. The micro gas turbine, energy storage unit and grid-connected inverter change their output power simultaneously to balance the output fluctuation of renewable energy.
Figure 11 shows that with the improved droop control, the fluctuation of renewable energy is mainly balanced by the micro gas turbine. Basically, the output power of energy storage unit and grid-connected inverter can be maintained at a constant value and the fluctuation of tie-line power is small.
The comparison between Figure 10 and Figure 11 also indicates that the improved droop control causes larger fluctuations in the DC bus voltage. The reason is that the DC bus voltage is only controlled by the micro gas turbine. In general, the system stability will not be affected by small variations in DC voltage.

4.2. Equipment Cut off from Work

To verify the reliability of the improved control strategy, several situations are simulated, in which the micro gas turbine, load or grid-connected inverter is cut off from the grid. In these cases, the irradiance is supposed to remain constant and the photovoltaic output power is 80 kW.

4.2.1. Micro-Gas Turbine Outage

Figure 12 shows the system response when the gas turbine is out of operation. The micro gas turbine is the master device, the loss of which does not affect the stability of the system operation. When the micro gas turbine is removed from the grid, the DC bus voltage falls quickly. When it exceeds the value of the voltage dead band, the storage unit and grid-connected inverter will switch to droop control section and increase their power output to maintain the power supply to the load. Finally, the DC bus voltage is stable at a lower level.

4.2.2. Load Lost

Figure 13 shows the system response when the DC micro-grid loses its load. When the load is cut off, the DC bus voltage will rise. The output power of micro gas turbine and energy storage will decrease and the absorbed power of grid-connected inverter will increase correspondingly in order to maintain a stable DC bus voltage.

4.2.3. Off-Grid Operation

The system response when the grid-connected inverter is cut off from the grid is shown in Figure 14 and the system will switch into another stable state.

5. Conclusions

The DC micro-grid requires a coordinated control method to maintain stable operation of distributed energy, energy storage device, energy conversion device and loads in the system. Droop control is usually adopted to improve system reliability. However, the active power of the device is easily affected by the fluctuations in DC voltage, which becomes more prominent when renewable energy is integrated. This paper proposes an improved droop control strategy, which forms a piecewise droop control by adding a power dead band and voltage dead band to the master device and slave devices in DC micro-grid, respectively. In the steady state, the master device stabilizes and complements the power output of renewable energy, while slave devices output constant power, which is similar to the traditional master-slave control. In the transient state, both master and slave devices switch to droop control mode, jointly controlling the DC voltage and balancing system power, which are similar to the traditional droop control. The simulation results indicate that this control strategy shows a good transient and steady performance.

Acknowledgments

This work is sponsored by National Key R&D Program of China No. 2016YFB0900200 and Basic Research Program of Qinghai Province, China (Research on Control Strategy of Long-Distance Consumption of Distributed PV Stations via HVDC)

Author Contributions

Yanbo Che contributed the central idea, designed the study; Jinhuan Zhou designed the study, performed the research, analyzed data; Tingjun Lin discussed the results and revised the manuscript; Wenxun Li analyzed the data and wrote the initial draft of the paper; Jianmei Xu carrying out additional analyses and finalizing this paper.

Conflicts of Interest

The authors declare no conflict of interest.

References

  1. Ding, M.; Xu, Z.; Wang, W. A review on China’s large-scale PV integration: Progress, challenges and recommendations. Renew. Sustain. Energy Rev. 2016, 53, 639–652. [Google Scholar] [CrossRef]
  2. Lasseter, R.H. MicroGrids. Power Eng. Soc. Winter Meet. 2002, 1, 305–308. [Google Scholar] [CrossRef]
  3. Justo, J.J.; Mwasilu, F.; Lee, J. AC-microgrids versus DC-microgrids with distributed energy resources: A review. Renew. Sustain. Energy Rev. 2013, 24, 387–405. [Google Scholar] [CrossRef]
  4. Ito, Y.; Akagi, H. DC Micro-grid Based Distribution Power Generation System. In Proceedings of the International Power Electronics and Motion Control Conference (IPEMC 2004), Xi’an, China, 14–16 August 2004; Volume 3, pp. 1740–1745. [Google Scholar]
  5. Li, X.; Guo, L.; Wang, C.; Li, Y. Key Technologies of DC Microgrids: An Overview. Proc. CSEE 2016, 36, 2–17. [Google Scholar] [CrossRef]
  6. Planas, E.; Andreu, J.; Gárate, J.; de Alegría, I.M.; Ibarra, E. AC and DC technology in microgrids: A review. Renew. Sustain. Energy Rev. 2015, 43, 726–749. [Google Scholar] [CrossRef]
  7. Katiraei, F.; Iravani, R.; Hatziargyriou, N.; Dimeas, A. Microgrids management. IEEE Power Energy Mag. 2008, 6, 54–65. [Google Scholar] [CrossRef]
  8. Wang, C. Theory of Microgrid Analysis and Simulation; Science Press: Beijing, China, 2013; ISBN 9787030391612. [Google Scholar]
  9. Papadimitriou, C.N.; Zountouridou, E.I.; Hatziargyriou, N.D. Review of hierarchical control in DC microgrids. Electr. Power Syst. Res. 2015, 22, 159–167. [Google Scholar] [CrossRef]
  10. Yu, D.; Meng, Y.; Yan, G.; Mu, G.; Li, D.; Le Blond, S. Sizing Combined Heat and Power Units and Domestic Building Energy Cost Optimisation. Energies 2017, 10, 771. [Google Scholar] [CrossRef]
  11. Xiao, Z.; Jia, S.; Zhou, J.; Fan, S. Tie-Line Power Flow Control Strategy for a Grid-Connected Microgrid Containing Wind, Photovoltaic and Battery. Trans. China Electrotech. Soc. 2017, 32, 169–179. [Google Scholar] [CrossRef]
  12. Molina, M.G.; Mercado, P.E. Stabilization and control of tie-line power flow of microgrid including wind generation by distributed energy storage. Int. J. Hydrog. Energy 2010, 35, 5827–5833. [Google Scholar] [CrossRef]
  13. Yu, D.; Liu, H.; Yan, G.; Jiang, J.; Le Blond, S. Optimization of Hybrid Energy Storage Systems at the Building Level with Combined Heat and Power Generation. Energies 2017, 10, 606. [Google Scholar] [CrossRef]
  14. Wang, J.; Ge, S.; Jia, H.; Wang, C.; Zhou, Y.; Lu, N.; Kong, X. A Demand Response and Battery Storage Coordination Algorithm for Providing Microgrid Tie-Line Smoothing Services. IEEE Trans. Sustain. Energy 2014, 5, 476–486. [Google Scholar] [CrossRef]
  15. Shen, J.; Jiang, C.; Liu, Y.; Wang, X.; Qian, J. Microgrid operation optimization with regulation of grid tie-line power fluctuations and risk management. Int. Trans. Electr. Energy Syst. 2016, 26, 2308–2321. [Google Scholar] [CrossRef]
Figure 1. Topology diagram of grid-connected DC micro-grid.
Figure 1. Topology diagram of grid-connected DC micro-grid.
Energies 11 00933 g001
Figure 2. Droop-control characteristic of the DC voltage-active power.
Figure 2. Droop-control characteristic of the DC voltage-active power.
Energies 11 00933 g002
Figure 3. Topology of bidirectional DC/DC converter and its droop controller design.
Figure 3. Topology of bidirectional DC/DC converter and its droop controller design.
Energies 11 00933 g003
Figure 4. Topology of the two-level DC/AC converter and its droop controller.
Figure 4. Topology of the two-level DC/AC converter and its droop controller.
Energies 11 00933 g004
Figure 5. Coordinated control for equipment in the DC micro-grid.
Figure 5. Coordinated control for equipment in the DC micro-grid.
Energies 11 00933 g005
Figure 6. Droop controller design with the additional power dead band.
Figure 6. Droop controller design with the additional power dead band.
Energies 11 00933 g006
Figure 7. Droop controller design with the additional voltage dead band.
Figure 7. Droop controller design with the additional voltage dead band.
Energies 11 00933 g007
Figure 8. Coordinated control design between devices in the DC micro-grid.
Figure 8. Coordinated control design between devices in the DC micro-grid.
Energies 11 00933 g008
Figure 9. (a) Fluctuation curve of irradiance; (b) Output power of PV
Figure 9. (a) Fluctuation curve of irradiance; (b) Output power of PV
Energies 11 00933 g009
Figure 10. System response with traditional droop control.
Figure 10. System response with traditional droop control.
Energies 11 00933 g010
Figure 11. System response with improved droop control.
Figure 11. System response with improved droop control.
Energies 11 00933 g011
Figure 12. System response when micro-gas turbine is lost.
Figure 12. System response when micro-gas turbine is lost.
Energies 11 00933 g012
Figure 13. System response when load is lost.
Figure 13. System response when load is lost.
Energies 11 00933 g013
Figure 14. System response in off-grid mode.
Figure 14. System response in off-grid mode.
Energies 11 00933 g014
Table 1. System parameters.
Table 1. System parameters.
ParameterValue
Bus voltage of DC micro-grid800 V
Voltage of Grid-connected inverter380 V
Capacity of grid-connected inverter500 kW
Max. power point voltage of PV array400 V
Max. output power of PV array100 kW
Output voltage of micro gas turbine380 V
Capacity of Micro gas turbine350 kW
Output voltage of energy storage system500 V
Capacity of energy storage system200 kW
AC load voltage220 V
AC load power120 kW
DC load voltage500 V
DC load power80 kW

Share and Cite

MDPI and ACS Style

Che, Y.; Zhou, J.; Lin, T.; Li, W.; Xu, J. A Simplified Control Method for Tie-Line Power of DC Micro-Grid. Energies 2018, 11, 933. https://doi.org/10.3390/en11040933

AMA Style

Che Y, Zhou J, Lin T, Li W, Xu J. A Simplified Control Method for Tie-Line Power of DC Micro-Grid. Energies. 2018; 11(4):933. https://doi.org/10.3390/en11040933

Chicago/Turabian Style

Che, Yanbo, Jinhuan Zhou, Tingjun Lin, Wenxun Li, and Jianmei Xu. 2018. "A Simplified Control Method for Tie-Line Power of DC Micro-Grid" Energies 11, no. 4: 933. https://doi.org/10.3390/en11040933

APA Style

Che, Y., Zhou, J., Lin, T., Li, W., & Xu, J. (2018). A Simplified Control Method for Tie-Line Power of DC Micro-Grid. Energies, 11(4), 933. https://doi.org/10.3390/en11040933

Note that from the first issue of 2016, this journal uses article numbers instead of page numbers. See further details here.

Article Metrics

Back to TopTop