Probabilistic Steady-State Operation and Interaction Analysis of Integrated Electricity, Gas and Heating Systems
Abstract
:1. Introduction
- (1)
- (2)
- Interactions among different energy networks in an uncertain environment have not been thoroughly investigated by the existing studies. In fact, compared with the electricity-gas IES or electricity-heat IES, electricity-gas-heat IES will have more complicated interactions due to the tri-energy interdependency, necessitating further studies on interactions and their potential influences on the operation of IES.
- (1)
- Four typical operation modes of an EGH-IES (i.e., “electricity following heat” mode, “electricity/gas following heat” mode, “gas/heat following electricity” mode and “electricity following gas” mode) are presented and discussed with a focus on the variation transmission among the three subnetworks.
- (2)
- A PEF framework for an EGH-IES is proposed to address uncertainties and correlations in wind speed, photovoltaic power and electricity/gas/heat loads. A MCS method based on Latin hypercube sampling (LHS) and Nataf transformation (MCS-LN), which is able to accurately address correlated random variables following arbitrary distributions and effectively alleviate the computational burden of MCS, is then developed to solve the PEF problem.
- (3)
- Taking the operation mode “electricity/gas following heat” as an example, probabilistic interactions among the electricity/gas/heating networks and effects of uncertainties on the operation of the EGH-IES are investigated and discussed with numerical simulations.
2. Steady-State Modeling of the Electricity-Gas-Heat IES
2.1. Electricity Network
2.2. Natural Gas Network
2.3. District Heating Network
2.4. Coupling Equipment
3. Operation Modes of the Electricity-Gas-Heat IES
4. Deterministic Analysis of the Electricity-Gas-Heat IES
5. Probabilistic Analysis of the Electricity-Gas-Heat IES
6. Case Studies
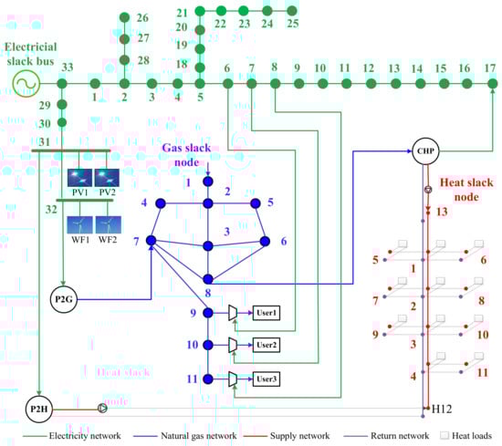
6.1. Test System Description
6.2. Computational Performance of the MCS-LN Method
6.3. Effects of Different Conversion Levels of Electrical Power to Gas/Heat
- Case 1: λP2G is set be 0, 0.2 and 0.4, while λP2H is kept at 0 (i.e., P2H is off).
- Case 2: λP2H is set be 0, 0.2 and 0.4, while λP2G is kept at 0 (i.e., P2G is off).
6.4. Effects of Different Correlation Levels among Loads
- Scenario 1: ρEG = ρEH = ρGE = 0;
- Scenario 2: ρEG = ρEH = 0.1, ρGH = 0.3;
- Scenario 3: ρEG = ρEH = 0.3, ρGH = 0.5.
7. Conclusions
- (1)
- The utilization of P2G/P2H has a double-edged effect on the operation of the EGH-IES. On the one hand, it is helpful in alleviating the overvoltage or overloading risks of the EGH-IES, but on the other hand, it may aggravate and complicate the uncertainty of the EGH-IES by transmitting uncertainties or variations in wind/solar power from the electricity network to the gas and heating networks.
- (2)
- Correlations among the electricity, gas and heat loads have non-negligible effects on the operation of the EGH-IES, and therefore they should be considered carefully in the PEF analysis of an EGH-IES.
- (3)
- Compared with existing studies on individual electricity, gas and heating systems, the electricity-gas IES, and electricity-heat IES, there are more complicated interactions and uncertainty transmissions among the subnetworks in an EGH-IES, which highlights the necessity of applying a probabilistic tool to the operation analysis of an EGH-IES.
- (4)
- The results obtained from the proposed probabilistic analysis framework for an EGS-IES can disclose the effects of uncertainties and interactions on the operation of EGH-IES, and thus provide an insight into the potential risks for the operators of EGH-IES. The results will also be a reference for the planning of EGH-IES.
Acknowledgments
Author Contributions
Conflicts of Interest
References
- Clegg, S.; Mancarella, P. Integrated electrical and gas network flexibility assessment in low-carbon multi-energy systems. IEEE Trans. Sustain. Energy 2016, 7, 718–731. [Google Scholar] [CrossRef]
- Omalley, M.; Kroposki, B. Energy comes together: The integrated of all systems. IEEE Power Energy Mag. 2013, 11, 18–23. [Google Scholar] [CrossRef]
- Geidl, M.; Andersson, G. Optimal power flow of multiple energy carriers. IEEE Trans. Power Syst. 2007, 22, 145–155. [Google Scholar] [CrossRef]
- Krause, T.; Andersson, G.; Frohlich, K.; Vaccaro, A. Multiple-energy carriers: Modeling of production, delivery, and consumption. Proc. IEEE 2010, 99, 15–17. [Google Scholar] [CrossRef]
- Mancarella, P. MES (multi-energy systems): An overview of concepts and evaluation models. Energy 2014, 65, 1–7. [Google Scholar] [CrossRef]
- Zeng, Q.; Fang, J.K.; Li, J.H.; Chen, Z. Steady-state analysis of the integrated natural gas and electric power system with bi-directional energy conversion. Appl. Energy 2016, 184, 1483–1492. [Google Scholar] [CrossRef]
- Wang, W.L.; Wang, D.; Jia, H.J.; Chen, Z.Y.; Guo, B.Q.; Zhou, H.M.; Fang, M.W. Steady state analysis of electricity-gas regional integrated energy system with consideration of NGS networks status. Proc. CSEE 2017, 37, 1293–1304. [Google Scholar]
- Martinez-Mares, A.; Fuerte-Esquivel, C.R. A unified gas and power flow analysis in natural gas and electricity coupled networks. IEEE Trans. Power Syst. 2012, 27, 2156–2166. [Google Scholar] [CrossRef]
- Liu, X.Z. Combined Analysis of Electricity and Heat Networks. Ph.D. Thesis, Cardiff University, Wales, UK, 2013. [Google Scholar]
- Liu, X.Z.; Wu, J.Z.; Jenkins, N.; Bagdanavicius, A. Combined analysis of electricity and heat networks. Appl. Energy 2016, 162, 1238–1250. [Google Scholar] [CrossRef]
- Pan, Z.G.; Guo, Q.L.; Sun, H.B. Interactions of district electricity and heating systems considering time-scale characteristics based on quasi-steady multi-energy flow. Appl. Energy 2016, 167, 230–243. [Google Scholar] [CrossRef]
- Shabanpour-Haghighi, A.; Seifi, A.R. An integrated steady-state operation assessment of electrical, natural gas and district heating networks. IEEE Trans. Power Syst. 2016, 31, 3636–3647. [Google Scholar] [CrossRef]
- Wang, Y.R.; Zeng, B.; Guo, J.; Shi, J.Q.; Zhang, J.H. Multi-energy flow calculation method for integrated energy system containing electricity, heat and gas. Power Syst. Technol. 2016, 40, 2942–2950. [Google Scholar]
- Liu, X.Z.; Mancarella, P. Modelling, assessment and Sankey diagrams of integrated electricity-heat-gas networks in multi-vector district energy systems. Appl. Energy 2016, 167, 336–352. [Google Scholar] [CrossRef]
- Clegg, S.; Mancarella, P. Integrated electricity-heat-gas modelling and assessment, with applications to the Great Britain system. Part II: Transmission network analysis and low carbon technology and resilience case studies. Energy 2018. [Google Scholar] [CrossRef]
- Cascio, E.L.; Borelli, D.; Devia, F.; Schenone, C. Future distributed generation: An operational multi-objective optimization model for integrated small-scale urban electrical, thermal and gas grids. Energy Convers. Manag. 2017, 143, 348–359. [Google Scholar] [CrossRef]
- Shabanpour-Haghighi, A.; Seifi, A.R. Simultaneous integrated optimal energy flow of electricity, gas, and heat. Energy Convers. Manag. 2015, 101, 579–591. [Google Scholar] [CrossRef]
- Chen, Y.; Wen, J.Y.; Cheng, S.J. Probabilistic load flow method based on Nataf transformation and Latin hypercube sampling. IEEE Trans. Sustain. Energy. 2013, 4, 294–301. [Google Scholar] [CrossRef]
- Aien, M.; Fotuhi-Firuzabad, M.; Aminifar, F. Probabilistic load flow in correlated uncertain environment using unscented transformation. IEEE Trans. Power Syst. 2012, 27, 2233–2241. [Google Scholar] [CrossRef]
- Chen, S.; Wei, Z.N.; Sun, G.Q.; Wang, D.; Sun, Y.H.; Zang, H.X.; Zhu, Y. Probabilistic energy flow analysis in integrated electricity and natural-gas energy systems. Proc. CSEE 2015, 35, 6331–6340. [Google Scholar]
- Chen, S.; Wei, Z.N.; Sun, G.Q.; Cheung, K.W.; Sun, Y.H. Multi-linear probabilistic energy flow analysis of integrated electrical and natural-gas systems. IEEE Trans. Power Syst. 2017, 32, 1970–1979. [Google Scholar] [CrossRef]
- Hu, Y.; Lian, H.R.; Bie, Z.H.; Zhou, B.R. Unified probabilistic gas and power flow. J. Mod. Power Syst. Clean. Energy 2017, 5, 400–411. [Google Scholar] [CrossRef]
- Yang, L.; Zhao, X.; Hu, X.Y.; Sun, G.R.; Yan, W. Probabilistic power and gas flow analysis for electricity-gas coupled networks considering uncertainties in pipeline parameters. In In Proceedings of the 2017 IEEE Conference on Energy Internet and Energy System Integration (EI2), China, Beijing, 26–28 November 2017; pp. 1–6. [Google Scholar]
- Sun, J.; Wei, Z.N.; Sun, G.Q.; Chen, S.; Zang, H.Y.; Chen, S. Analysis of probabilistic energy flow for integrated electricity-heat energy system with P2H. Electr. Power Autom. Equip. 2017, 37, 62–68. [Google Scholar]
- Li, H.S.; Lü, Z.Z.; Yuan, X.K. Nataf transformation based point estimate method. Chin. Sci. Bull. 2008, 53, 2586–2592. [Google Scholar] [CrossRef]
- Liu, H.; Tang, C.; Han, J.; Li, T.; Li, J.F.; Zhang, K. Probabilistic load flow analysis of active distribution network adopting improved sequence operation methodology. IET Gener. Trans. Distrib. 2017, 11, 2147–2153. [Google Scholar] [CrossRef]




















| Wind Farm | Cut-in Speed (m/s) | Cut-out Speed (m/s) | Rated Speed (m/s) | Shape Parameter | Scale Parameter |
|---|---|---|---|---|---|
| WF 1 | 4 | 30 | 15 | 1.4 | 6.0 |
| WF 2 | 5 | 28 | 14 | 1.8 | 6.8 |
| Indices | μloss | σloss | μF | σF | μT | σT |
|---|---|---|---|---|---|---|
| MCS-LN | 0.3383 | 0.1027 | 30.0006 | 1.1139 | 98.8400 | 0.0450 |
| MCS-SN | 0.3377 | 0.0984 | 29.9975 | 1.1220 | 98.8400 | 0.0453 |
| Relative error | 0.17% | 4.37% | 0.01% | 0.72% | 0 | 0.66% |
© 2018 by the authors. Licensee MDPI, Basel, Switzerland. This article is an open access article distributed under the terms and conditions of the Creative Commons Attribution (CC BY) license (http://creativecommons.org/licenses/by/4.0/).
Share and Cite
Yang, L.; Zhao, X.; Li, X.; Yan, W. Probabilistic Steady-State Operation and Interaction Analysis of Integrated Electricity, Gas and Heating Systems. Energies 2018, 11, 917. https://doi.org/10.3390/en11040917
Yang L, Zhao X, Li X, Yan W. Probabilistic Steady-State Operation and Interaction Analysis of Integrated Electricity, Gas and Heating Systems. Energies. 2018; 11(4):917. https://doi.org/10.3390/en11040917
Chicago/Turabian StyleYang, Lun, Xia Zhao, Xinyi Li, and Wei Yan. 2018. "Probabilistic Steady-State Operation and Interaction Analysis of Integrated Electricity, Gas and Heating Systems" Energies 11, no. 4: 917. https://doi.org/10.3390/en11040917
APA StyleYang, L., Zhao, X., Li, X., & Yan, W. (2018). Probabilistic Steady-State Operation and Interaction Analysis of Integrated Electricity, Gas and Heating Systems. Energies, 11(4), 917. https://doi.org/10.3390/en11040917
