Risk Assessment of Power System Considering Frequency Dynamics and Cascading Process
Abstract
:1. Introduction
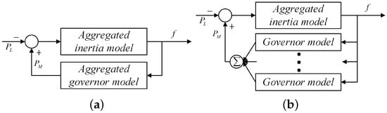
- Model building: The existing frequency-simulation models are not suitable for the security assessment considering cascading failure process. Full time-transient simulation models can provide an accurate estimation of frequency dynamics, but they are time-consuming and sometimes cannot highlight the influence of frequency security when rotor and voltage stabilities are considered. Thus, some dedicated simplified models were built to reduce the computational burden, including the system frequency response (SFR) model [6] and the average system frequency (ASF) model [7] shown in Figure 2. The SFR model averages all generators into an single equivalent generator, and the ASF model reserves the governor model of individual generators so as to reveal their regulation discrepancy. However, both of them neglect the structure of the power system. They can not simulate the dynamics when branch outages and unexpected system splitting occurs.
- Analysis paradigm: The conventional paradigm of frequency security analysis only investigates whether the frequency after N-1 or N-2 contingencies can remain within a secure range. Firstly, it does not take into account the influence of cascading events. Some potentially severe situations may be thus excluded. Secondly, the conventional paradigm is mostly based on deterministic analysis. However, there are many random factors in the dynamic process of power systems [8,9]. Thus, a statistical method should be introduced to assess the security level more comprehensively. Ref. [10] utilized the SFR model to investigate the power-law distribution of load loss considering cascading generator outages. However, the influence of power-grid structure was not taken into account as well.
2. Frequency-Simulation Model Considering Cascading Failure Process
2.1. DFR Model
2.2. Simulation Model of Protection Devices and Supervisory Control Scheme
2.2.1. Overloading Protection of Branches
2.2.2. Abnormal Frequency Protection of Generators
2.2.3. Under-Frequency Load Shedding
2.2.4. Active Over-Frequency Generator Tripping
2.2.5. Emergency Dispatch
2.3. Calculation Framework
| Algorithm 1: Pseudocode of Cascading Failure Simulator |
![]() |
2.4. Model Validation
3. Case Studies
3.1. Simulation Setup
3.2. Case Studies on IEEE 39-Bus System
3.2.1. Demonstration of Dynamic Process
- Frequency dynamics and power-flow transfer are closely coupled to affect the dynamic process. Frequency-related protections may cause serious load shedding or infrastructure failures.
- Time intervals between adjacent events become shorter as the cascading process propagates. As shown in Figure 7, the system undergoes fast state changes from Stage 8 to Stage 14. In this period, many protection devices are triggered intensively. Thus, ED is not available once the system comes into this period.
- Load loss may be induced by several factors, for example, UFLS, subgrid collapse due to generator outages, losing power supply due to branch outages, ED, and so on. Statistics show that the frequency insecurity-induced load loss, which is caused by the first two factors aforementioned, is 15.52 p.u., accounting for about 55% of total load loss. Moreover, five generators were tripped by abnormal frequency protection. It can be seen that frequency insecurity has great impacts on the safety of the power grid, especially when power mismatch emerges after unplanned system splitting.
3.2.2. Statistical Results
- shed by UFLS operation directly;
- in subgrid that collapsed due to generator tripping under abnormal frequency.
3.2.3. Influence of Spinning Reserve Capacity
- increases rapidly as the failure probability p increases; meanwhile, adequate spinning reserve capacity dramatically reduces this risk.
- In general, as the ratio of spinning reserve capacity increases, the proportion of frequency insecurity-induced load loss reduces dramatically.
- Especially when the initial disturbance is less threatening, such as when , the marginal utility of increasing reserve capacity becomes weaker as continues to increase. Thus, increasing the reserve capacity is more effective when the external disturbance tends to be more serious.
4. Conclusions and Discussion
Acknowledgments
Author Contributions
Conflicts of Interest
References
- Andersson, G.; Donalek, P.; Farmer, R.; Hatziargyriou, N.; Kamwa, I.; Kundur, P.; Martins, N.; Paserba, J.; Pourbeik, P.; Sanchez-Gasca, J.; et al. Causes of the 2003 major grid blackouts in North America and Europe, and recommended means to improve system dynamic performance. IEEE Trans. Power Syst. 2005, 20, 1922–1928. [Google Scholar] [CrossRef]
- Enquiry Committee. Report of the Enquiry Committee on Grid Disturbance in Northern Region on 30 July 2012 and in Northern, Eastern & North-Eastern Region on 31 July 2012. Available online: http://www.powermin.nic.333in\/pdf\/GRID_ENQ_REP_16_8_12.pdf (accessed on 25 January 2018).
- Maas, G.; Bial, M.; Fijalkowski, J. Final Report-System Disturbance on 4 November 2006; Technical Report; Union for the Coordination of Transmission of Electricity in Europe: Brussels, Belgium, 4 November 2007. [Google Scholar]
- Kunitomi, K.; Kurita, A.; Tada, Y.; Ihara, S.; Price, W.; Richardson, L.; Smith, G. Modeling combined-cycle power plant for simulation of frequency excursions. IEEE Trans. Power Syst. 2003, 18, 724–729. [Google Scholar] [CrossRef]
- Lin, W.; Sun, H.; Tang, Y.; Bu, G.; Yin, Y. Analysis and lessons of the blackout in Brazil power grid on November 10, 2009. Autom. Electr. Power Syst. 2010, 1676, 43–50. [Google Scholar]
- Anderson, P.M.; Mirheydar, M. A low-order system frequency response model. IEEE Trans. Power Syst. 1990, 5, 720–729. [Google Scholar] [CrossRef]
- Chan, M.L.; Dunlop, R.; Schweppe, F. Dynamic equivalents for average system frequency behavior following major distribances. IEEE Trans. Power Appar. Syst. 1972, PAS-91, 1637–1642. [Google Scholar] [CrossRef]
- Qi, J.; Mei, S.; Liu, F. Blackout model considering slow process. IEEE Trans. Power Syst. 2013, 28, 3274–3282. [Google Scholar] [CrossRef]
- Mei, S.; He, F.; Zhang, X.; Wu, S.; Wang, G. An improved OPA model and blackout risk assessment. IEEE Trans. Power Syst. 2009, 24, 814–823. [Google Scholar]
- Yu, Y.; Gan, D.; Wu, H.; Han, Z. Frequency induced risk assessment for a power system accounting uncertainties in operation of protective equipments. Int. J. Electr. Power Energy Syst. 2010, 32, 688–696. [Google Scholar] [CrossRef]
- Ren, H.; Dobson, I.; Carreras, B.A. Long-term effect of the n-1 criterion on cascading line outages in an evolving power transmission grid. IEEE Trans. Power Syst. 2008, 23, 1217–1225. [Google Scholar] [CrossRef]
- Nedic, D.P.; Dobson, I.; Kirschen, D.S.; Carreras, B.A.; Lynch, V.E. Criticality in a cascading failure blackout model. Int. J. Electr. Power Energy Syst. 2006, 28, 627–633. [Google Scholar] [CrossRef]
- Wang, Y.; Baldick, R. Interdiction Analysis of Electric Grids Combining Cascading Outage and Medium-Term Impacts. IEEE Trans. Power Syst. 2014, 29, 2160–2168. [Google Scholar] [CrossRef]
- Tu, J.; Xin, H.; Wang, Z.; Gan, D.; Huang, Z. On Self-Organized Criticality of the East China AC–DC Power System—The Role of DC Transmission. IEEE Trans. Power Syst. 2013, 28, 3204–3214. [Google Scholar] [CrossRef]
- Song, J.; Cotilla-Sanchez, E.; Ghanavati, G.; Hines, P.D. Dynamic Modeling of Cascading Failure in Power Systems. arXiv, 2014; arXiv:1411.3990. [Google Scholar]
- Li, C.; Liu, Y.; Zhang, H. Fast analysis of active power-frequency dynamics considering network influence. In Proceedings of the 2012 IEEE Power and Energy Society General Meeting, San Diego, CA, USA, 22–26 July 2012; pp. 1–6. [Google Scholar]
- Tang, Y.; Ju, P.; He, H.; Qin, C.; Wu, F. Optimized Control of DFIG-Based Wind Generation Using Sensitivity Analysis and Particle Swarm Optimization. IEEE Trans. Smart Grid 2013, 4, 509–520. [Google Scholar] [CrossRef]
- Eppstein, M.J.; Hines, P.D. A “Random Chemistry” algorithm for identifying collections of multiple contingencies that initiate cascading failure. IEEE Trans. Power Syst. 2012, 27, 1698–1705. [Google Scholar] [CrossRef]
- Yan, J.; Tang, Y.; He, H.; Sun, Y. Cascading Failure Analysis With DC Power Flow Model and Transient Stability Analysis. IEEE Trans. Power Syst. 2014, 30, 285–297. [Google Scholar] [CrossRef]
- Rudez, U.; Mihalic, R. WAMS-Based Underfrequency Load Shedding With Short-Term Frequency Prediction. IEEE Trans. Power Deliv. 2016, 31, 1912–1920. [Google Scholar] [CrossRef]
- Rudez, U.; Mihalic, R. Monitoring the First Frequency Derivative to Improve Adaptive Underfrequency Load-Shedding Schemes. IEEE Trans. Power Syst. 2011, 26, 839–846. [Google Scholar] [CrossRef]
- Milano, F.; Vanfretti, L.; Morataya, J.C. An open source power system virtual laboratory: The PSAT case and experience. IEEE Trans. Educ. 2008, 51, 17–23. [Google Scholar] [CrossRef]
- Zimmerman, R.D.; Murillo-Sánchez, C.E.; Thomas, R.J. MATPOWER: Steady-state operations, planning, and analysis tools for power systems research and education. IEEE Trans. Power Syst. 2011, 26, 12–19. [Google Scholar] [CrossRef]










| Num. | Frequency Range | Time Delay |
|---|---|---|
| 1 | <47.0 Hz | 10 s |
| 2 | 47.0 Hz–48.5 Hz | 40 s |
| 3 | 48.5 Hz–51.0 Hz | continual working |
| 4 | 51.0 Hz–52.0 Hz | 60 s |
| 5 | >52.0 Hz | 30 s |
| Round | Trigger Frequency | Ratio of Load Shedding | Time Delay |
|---|---|---|---|
| 1 | 49.00 Hz | 5% | 0.5 s |
| 2 | 48.75 Hz | 5% | 0.5 s |
| 3 | 48.50 Hz | 5% | 0.5 s |
| 4 | 48.25 Hz | 5% | 0.5 s |
| Stage | Events | Time Moment |
|---|---|---|
| 1 | IBranch 10–11 and Branch 16–21 outages | t = 0.5 s |
| 2 | Branch 23–24 outage | t = 68.3 s |
| 3 | Generator at Bus 36 outage | t = 74.2 s |
| 4 | Branch 10–13 outage | t = 93.9 s |
| 5 | UFLS at Bus 3, 4, 7, 8, 12, 15, 16, 18, 20, 24–29, 31, 39 (1st round) | t = 98.1–98.4 s |
| 6 | Generator at Bus 32 outage | t = 124.6 s |
| 7 | Branch 2–3 outage | t = 128.2 s |
| 8 | Branch 26–27 outage | t = 152.0 s |
| 9 | UFLS at Bus 3, 4, 7, 8, 12, 15, 16, 18 20,24–29, 31, 39 (2nd round) | t = 152.5 s–165.2 s |
| 10 | Branch 1–2 outage | t = 163.7 s |
| 11 | Branch 4–5 outage | t = 165.7 s |
| 12 | UFLS at Bus 3, 4, 7, 8, 12, 15, 16, 18 20, 24, 27, 31, 39 (3rd round) | t = 165.9 s–166.5 s |
| 13 | UFLS at Bus 3, 4, 7, 8, 12, 15, 16, 18 20, 24, 27, 31, 39 (4th round) | t = 166.5 s–167.3 s |
| 14 | Generator at Bus 30 outage | t = 170.2 s |
| 14 | Generator at Bus 37 outage | t = 175.3 s |
| 15 | Branch 16–19 outage | t = 175.9 s |
| 16 | Branch 6–11 outage | t = 178.4 s |
| 14 | Generator at Bus 34 outage | t = 183.0 s |
| 15 | Emergency Dispatch (ED) | t = 205.1 s–228.8 s |
© 2018 by the authors. Licensee MDPI, Basel, Switzerland. This article is an open access article distributed under the terms and conditions of the Creative Commons Attribution (CC BY) license (http://creativecommons.org/licenses/by/4.0/).
Share and Cite
Luo, C.; Yang, J.; Sun, Y. Risk Assessment of Power System Considering Frequency Dynamics and Cascading Process. Energies 2018, 11, 422. https://doi.org/10.3390/en11020422
Luo C, Yang J, Sun Y. Risk Assessment of Power System Considering Frequency Dynamics and Cascading Process. Energies. 2018; 11(2):422. https://doi.org/10.3390/en11020422
Chicago/Turabian StyleLuo, Chao, Jun Yang, and Yuanzhang Sun. 2018. "Risk Assessment of Power System Considering Frequency Dynamics and Cascading Process" Energies 11, no. 2: 422. https://doi.org/10.3390/en11020422
APA StyleLuo, C., Yang, J., & Sun, Y. (2018). Risk Assessment of Power System Considering Frequency Dynamics and Cascading Process. Energies, 11(2), 422. https://doi.org/10.3390/en11020422

