Next Article in Journal
The EU ETS and Dynamic Allocation in Phase IV—An Ex-Ante Assessment
Previous Article in Journal
Development of a Data-Driven Predictive Model of Supply Air Temperature in an Air-Handling Unit for Conserving Energy
 
 
Font Type:
Arial Georgia Verdana
Font Size:
Aa Aa Aa
Line Spacing:
Column Width:
Background:
Article

A Mixed WLS Power System State Estimation Method Integrating a Wide-Area Measurement System and SCADA Technology

Department of Electrical Engineering, Fuzhou University, Fuzhou 350116, China
*
Author to whom correspondence should be addressed.
Energies 2018, 11(2), 408; https://doi.org/10.3390/en11020408
Submission received: 27 December 2017 / Revised: 28 January 2018 / Accepted: 30 January 2018 / Published: 9 February 2018
(This article belongs to the Section F: Electrical Engineering)

Abstract

To address the issue that the phasor measurement units (PMUs) of wide area measurement system (WAMS) are not sufficient for static state estimation in most existing power systems, this paper proposes a mixed power system weighted least squares (WLS) state estimation method integrating a wide-area measurement system and supervisory control and data acquisition (SCADA) technology. The hybrid calculation model is established by incorporating phasor measurements (including the node voltage phasors and branch current phasors) and the results of the traditional state estimator in a post-processing estimator. The performance assessment is discussed through setting up mathematical models of the distribution network. Based on PMU placement optimization and bias analysis, the effectiveness of the proposed method was proved to be accurate and reliable by simulations of different cases. Furthermore, emulating calculation shows this method greatly improves the accuracy and stability of the state estimation solution, compared with the traditional WLS state estimation.

1. Introduction

Electric power is essential to modern society. Economic prosperity, national security, and standard of living depend on reliable electric power systems, and it is very important for the power systems to obtain operating condition information about the state of the electric grid [1]. In the 1970s, Schweppe firstly proposed the idea of state estimation in power systems [2]. Power system state estimation constitutes the core of the on-line system monitoring, analysis and control functions [3,4]. State estimation acts like a filter between the raw measurements received from the system and all the application functions that require the most reliable data for the current system operation state, and it typically includes bad data processing, state estimation solutions, parameter and topology error processing, and other analyses [5].
In modern power systems, the control center receives the system-wide device information and measurement mainly through a supervisory control and data acquisition (SCADA) system [6,7]. However, the information and measurement data provided by SCADA may not always be accurate and reliable. On the other hand, the collected measurements may not allow direct extraction of the corresponding real-time AC operation state of the system. These concerns drive the development of power system technology. Among all the newly-developed applications that aim at satisfying those new technological demands, the so-called wide area measurement system (WAMS) opens a new avenue for power system stability analysis and control, and it has been attracting increasing attention in recent years, since it is a powerful tool for power system monitoring, protection and control, and has been widely used in the energy management systems of power systems [8,9,10,11]. WAMS measurements have high precision and short updating cycles and can measure the node states directly, but due to the high costs of PMU devices and their placement problems, how to utilize WAMS measurements and SCADA information in state estimation effectively must be faced and solved now [12,13].
At the same time, power system state estimation uses a SCADA system to collect the real-time measurement data, which involves injection measurements, line flow measurements and voltage magnitude measurements [14,15]. However, the accuracy of SCADA system is low, and it cannot directly measure the voltage, current and phase angle. Therefore, the accuracy and state estimation effectiveness will be effected greatly [16,17,18]. The use of phasor measurements in power system state estimation is investigated in [19,20]. In [21], a post processing linear estimator incorporating the phasor measurements and the results of the traditional state estimator is studied. In [22,23], the inclusion of real and imaginary part of the complex current measurement in an existing WLS estimator is described, and their convergence and accuracy performance was presented. In [24], the effect of node voltage phasor measurement of synchronous phasor measurement unit (PMU) on state estimation algorithm is studied. Its disadvantage is that it cannot take advantage of the majority of measurements in wide area measurement systems. A linear state estimation algorithm using the node voltage phasors and branch current phasors is proposed in [25,26]. The algorithm has a fast computation speed due to the linear measurement equations and the constant Jacobian matrix [27,28]. But it requires the installation of enough PMU measuring to ensure the system is predictable. In [29], the placement of the PMUs on the buses has been presented using intelligent algorithms, and a system observability analysis method in [30] is proposed to ensure fast and reliable results. It is known that, the PMUs of WAMS are not sufficient for static state estimation in most of the existing power systems because of the high price [31,32,33]. So, the state estimation with enough PMU measurements cannot be carried out normally at present. Therefore, a mixed power system weighted least squares (WLS) state estimation method, which uses the PMU measurements to supplement SCADA measurements, has a practical significance.
This paper is organized as follows: the wide-area state estimation model and the proposed mixed WLS theory is analyzed in Section 2. The performance assessment through simulations using IEEE 14, 30, and 118 bus systems is validated in Section 3. Conclusions are drawn in Section 4.

2. A State Estimation Method Integrating WAMS and SCADA

In this section, a state estimation model with PMU and SCADA data is elaborated. The mixed measurements of the Jacobian matrix and residual vector are formed by introducing the branch current phasors. Motivated by the desire to improve precision of state estimation, an alternative solution and detailed procedures are proposed.

2.1. Model Analysis of Power System State Estimation

In power state estimation methods, the most commonly used measurements are line power flow, bus power injection and voltage magnitude measurements. In some cases, especially for state estimation of distribution buses, the line current magnitude measurements may be taken into consideration as well. Where PMUs exist, there will be two new types of measurements utilized by power system state estimation methods. One is voltage phasor measurements, which include voltage magnitudes and angles of the system bus, and the other is current phasor measurements, which include current magnitudes and angles of the transmission lines or transformers [34]. All types of measurements can be expressed in terms of the system state using Equation (1):
Z = [ z 1 z 2 z m ] = [ h 1 ( x 1 , x 2 , , x n ) h 2 ( x 1 , x 2 , , x n ) h m ( x 1 , x 2 , , x n ) ] + [ e 1 e 2 e m ] = h ( X ) + e
where Z is the measured value, h(x) is a nonlinear function, X is the system state vector, including the voltage magnitudes and phase of all the buses excluding the reference bus phase angle, and e is the measurement error of measurement i.
The sum of the squares of the measurement errors is used as objective function:
J ( X ) = [ Z h ( X ) ] T R 1 [ Z h ( X ) ]
where R is the covariance matrix of the measurement error e. The optimization problem is to minimize J(X), i.e.,
J ( X ) X = 0
Using Taylor series method, and ignoring the higher order derivative, one has:
h [ X ( k + 1 ) ] = h ( X ( k ) ) + h ( X ) X | X = X ( k ) Δ X
where k is the iteration index, X(k) is the solution vector at the k-th iteration. Here H ( X ) = h ( X ) X can be named as Jacobian matrix, and it can be expressed as:
H ( X ) = h ( X ) X = [ h 1 ( x ) x 1 h 1 ( x ) x 2 h 1 ( x ) x n h 2 ( x ) x 1 h 2 ( x ) x 2 h 2 ( x ) x n h m ( x ) x 1 h m ( x ) x 2 h m ( x ) x n ]
Using the Newton iterative method, and substituting Equation (4) into Equation (3), the linear equation can be described as:
H T R 1 [ Z h ( X ( k ) ) H Δ X ( k ) ] = 0
Defining ΔZ = Zh(X(k)), so:
H T R 1 H Δ X ( k ) = H T R 1 Δ Z
G = H T R 1 H is called the gain matrix. It is sparse positive definite and symmetric if the system is fully observable. State estimation involves the iterative solution of Equation (11), and the initial state estimation data, so the related equivalent circuit of different power system components, admittance matrix, power injection, power flow, should be researched firstly.
In a power system, transmission lines can be seen as middle-length transmission and the conductance do not need to take into account, then the equivalent circuit of transmission lines is as shown in Figure 1. In this figure, Z indicates impedance and Y/2 indicates admittance. Based on Kirchhoff’s law, we can get:
[ U k I k ] = [ 1 + Z Y 2 Z Y ( 1 + Z Y 4 ) 1 + Z Y 2 ] [ U m I m ]
According to tap changing and phase shifting transformers, Figure 2 is the typical equivalent circuit. The two transformer terminal buses are commonly designated as the impedance side and the tap side bus, respectively.
From a transformer’s features, it is easy to know U k = ( U m I m / Y ) × a ,   I k = I m / a , and the node injection current can be determined by:
[ I k I m ] = [ Y / | a | 2 Y / a Y / a Y ] [ U k U m ]
where the tap ratio a . is complex, and a represents the conjugate complex of a .
Generators are normally presented in the power system. The equivalent circuit of generators is divided into voltage and current equivalent circuits, as shown in Figure 3a,b.
The reactance of generators is expressed by Equation (10), where XG% is the reactance percent value of generators, UGN is the rated voltage of generators, SN is the nominal power of generators:
X G = X G % U G N 2 100 S N
Using Kirchhoff’s current law at each bus to build the network model for the entire power system, the following equation can be obtained:
I = [ I 1 I 2 I N ] = [ Y 11 Y 12 Y 1 N Y 11 Y 11 Y 11 Y 11 Y 11 Y 11 ] [ U 1 U 2 U N ] = Y U
where I , U are respectively the net current injection phasor and the voltage phasor at bus k. Matrix Y is the bus admittance matrix, and when considering the transformer, the following equation can be given:
Y k k n e w = Y k k + y / | a | 2 Y k m n e w = Y k m y / a Y m k n e w = Y m k y / a Y m m n e w = Y m m + y
In Figure 4, the general two-port model for the power network branch. In the figure, gij + jbij is the admittance of the series branch connecting buses i and j, gsi + jbsi is the admittance of the shunt branch connected at bus i, then we can get all kinds of measurements h(x) which are expressed by voltage, angle, and other network parameters.
The node voltage U i ,   U j can be shown as Equation (13) with voltage amplitude Ui, Uj and the phase angle is δi, δj:
U i = U i e j δ i = U i ( cos δ i + j sin δ i ) U j = U j e j δ j = U j ( cos δ j + j sin δ j )
Based on Kirchhoff’s current law, I i is the node injection current can be determined by I i = j = 1 n Y i j U j ,   i = 1 , 2 , n , where n is the number of nodes in the network. The power can be calculated with the following equation:
P i + j Q i = U i I i = U i j = 1 n Y i j U j = U i j = 1 n U j ( G i j B i j ) ( cos δ i j j sin δ i j )
where δij = δiδj, Yij = Gij + Bij, Gij, Bij is in matrix form.
With Equation (14), the Pi and Qi can be rearranged as:
P i = U i j = 1 n U j ( G i j cos δ i j + B i j sin δ i j ) Q i = U i j = 1 n U j ( G i j sin δ i j B i j cos δ i j )
From Figure 4, we can get:
I i j = ( U i U j ) ( g i j + j b i j ) + U i ( g s i + j b s i )
so, the power flow from bus i to j can be described as follows:
P i j + j Q i j = U i I i j = U i [ ( U i U j ) ( g i j + j b i j ) + U i ( g s i + j b s i ) ] = U i e j δ i { U i e j δ i [ g i j + g s i j ( b i j + b s i ) ] U j e j δ j ( g i j j b i j ) } = U i 2 ( g i j + g s i ) U i U j ( g i j cos δ i j + b i j sin δ i j )   + j [ U i 2 ( b i j + b s i ) + U i U j ( b i j cos δ i j g i j sin δ i j ) ]
Similar to Equation (15), the real and reactive power flow can be denoted as:
P i j = U i 2 ( g i j + g s i ) V i V j ( g i j cos δ i j + b i j sin δ i j ) Q i j = U i 2 ( b i j + b s i ) + V i V j ( g i j cos δ i j b i j sin δ i j )

2.2. Proposed Power System State Estimation Method

PMUs are used to measure data such as voltages, current, angle and frequency, and can provide real-time information about the state of large portions of national and transnational grids and allow one to obtain a state estimate which is a true snapshot of the power system, making the technology for real-time supervision of power systems clearly at hand [35], but because of the high relative cost and inconvenience of installation, we cannot install PMUs in each part of power grid, and we still need state estimation technology using SCADA and other technologies to get the full state of power grid, and the algorithm and application of state estimation will still need to be explored, proposed and tested in the coming years. This section analyzes a power network state estimation method which includes PMUs.
As shown in Figure 5, there is a PMU in node i and no PMU in node j, and the branch current is then determined through Equation (19):
I i j = ( U i U j ) y i j + U i y s i = U i ( cos δ i + j sin δ i ) [ ( g i j + g s i ) + j ( b i j + b s i ) ] U j ( cos δ j + j sin δ j ) ( g i j + j b i j ) = U i [ ( g i j + g s i ) cos δ i ( b i j + b s i ) sin δ i ] U j ( g i j cos δ j b i j sin δ j )   + j { U i [ ( g i j + g s i ) sin δ i + ( b i j + b s i ) cos δ i ] U j ( g i j sin δ j + b i j cos δ j ) }
so, the real and imaginary parts of the branch current I i j can be denoted as:
I i j r = U i [ ( g i j + g s i ) cos δ i ( b i j + b s i ) sin δ i ] U j ( g i j cos δ j b i j sin δ j ) I i j i m = U i [ ( g i j + g s i ) sin δ i + ( b i j + b s i ) cos δ i ] U j ( g i j sin δ j + b i j cos δ j )
The mixed measurement state estimation model, which introduces node voltage phasors and branch current phasors through PMU [36], can be denoted as:
To have the state estimation of a power network, one of the key problems is how to solve the Jacobian matrix. From Figure 6, the Jacobian matrix H(m×n) is composed of Ht(s×n), HI(p×n), HU(q×n), they are respectively the Jacobian sub-matrices of traditional measurements, PMU branch current phasor measurements and PMU node voltage phasor measurements. The Jacobian matrix H(m×n) can be described by:
H = [ H t H I H U ] = [ U t i δ P i δ P i j δ Q i δ Q i j δ I i j r δ I i j i m δ U p i δ δ P i δ U t i U P i U P i j U Q i U Q i j U I i j r U I i j i m U U p i U δ p i U ] T
where m is number of conventional and phasor measurements, n is the number of state variables; s, p, q are number of conventional, PMU current, and PMU voltage measurements, respectively.
From Equation (21), the Jacobian matrix is composed of partial derivatives, and all these partial derivatives would be calculated based on Kirchhoff’s laws and circuit theory. As a result, the state output from the classical state estimator Ht(s×n) is given in Supplementary. The elements of HI(p×n) and HU(q×n) can be determined by:
I i j r δ i = U i [ ( g i j + g s i ) sin δ i + ( b i j + b s i ) cos δ i ] I i j r δ j = U i ( g i j sin δ j + b i j cos δ j ) I i j r U i = ( g i j + g s i ) cos δ i ( b i j + b s i ) sin δ i I i j r U j = ( g i j cos δ j b i j sin δ j )
I i j i m δ i = U i [ ( g i j + g s i ) cos δ i ( b i j + b s i ) sin δ i ] I i j i m δ j = U j ( g i j cos δ j b i j sin δ j ) I i j i m U i = ( g i j + g s i ) sin δ i + ( b i j + b s i ) cos δ i I i j i m U j = ( g i j sin δ j + b i j cos δ j )
It well known that with PMU measurement, the node voltage magnitudes, node voltage phase angles, and branch currents can be obtained directly.

2.3. The Mixed WLS Power System State Estimation Algorithm and Program Flow

Based on the above analysis, the proposed mixed state estimation involves the iterative solution of the normal equations given by Equation (7). As shown in Figure 7, the iterative program flow can be described as following. In the implementation, the initial value of state variables including voltage magnitude and voltage phase angle, are respectively set to 1 and 0. Firstly, PMUs placements in the node system are optimized, and if there is not any PMUs in the network, the traditional WLS state estimation will be utilized. Otherwise, building the mixed Jacobian matrix H according to Equation (21), and then the maximal | Δ X ( k ) | max can be obtained by Equation (7). After a few calculations of iteration, the accuracy of current prediction becomes much better.

3. Case Studies and Discussion

In this section, the IEEE 14, 30, 118 bus test systems are used to verify the presented approaches. To easily calculate and intuitively display the results, usually it is better to transform the active and reactive power injection measurements, Pi, Qi, and active and reactive power flows Pij, Qij to per-unit values. In this paper, the reference value as 100 MW or 100 MVAR is selected to transform the above data to per-unit system, and the units of phase angle are degree. All other measurement units are p.u.
Measurements from PMUs have a high accuracy, and their amplitude errors are from 0.1% to 1%, and the range of phase angle is from 0.01 to 0.05 . Then the covariance matrix of traditional measurement errors Rt and PMU voltage phasor measurement errors can be calculated by d i a g ( σ 1 2 , σ 2 2 , K , σ m 2 ) .
There is the relation, i.e., I i j e j θ i j = I i j ( cos θ i j + j sin θ i j ) = I i j r + j I i j i m . According to the error propagation theory [37], the standard deviations of I i j r and I i j i m can be calculated by Equation (24):
σ I i j r = ( I i j r I i j ) 2 σ I i j 2 + ( I i j r θ i j ) 2 σ θ i j 2 = ( cos θ i j ) 2 σ I i j 2 + ( I i j sin θ i j ) 2 σ θ i j 2 σ I i j i m = ( I i j i m I i j ) 2 σ I i j 2 + ( I i j i m θ i j ) 2 σ θ i j 2 = ( sin θ i j ) 2 σ I i j 2 + ( I i j cos θ i j ) 2 σ θ i j 2
so, the covariance matrix of PMU branch current phasor measurement errors RI can be calculated as well. The mixed error covariance matrix Rm defined by Equation (24) can be obtained [36].
R m = [ R t R U R I ]
In order to check the estimation accuracy and computational efficiency of the proposed state estimation method, this paper compares it with results from three common methods. Method 1: the traditional weighted least squares (WLS) state estimation method with only SCADA measurements. Method 2: PMU installed at partial nodes of power systems, but the PMU measurements with voltage phasors without participating in state estimation. In this method, the PMU measurement results are used as the state solution of test system. Method 3: PMU equipped at partial nodes of power systems, and the PMU measurements with voltage phasors participates in state estimation.
In this paper, the tolerance to converge is set to 10−4, meaning that if there is:
max | Δ x k | ε = 0.0001
the simulation program calculation will finish its iteration and we get the state estimation results.

3.1. IEEE 14 Bus System

In the IEEE14 bus test system, the parameter configuration includes traditional measurements and PMU measurements. Figure 8 is the measurement configuration diagram of the IEEE 14 bus system [38]. The PMU is installed on buses 2, 7 and 9. In addition, traditional measurements include, the power flows in 1–2, 2–3, 4–7, 4–9, 5–6, 6–13 and 13–14, power injections in buses 2–11 and the voltage amplitude in bus 1. Four methods based on Figure 8 are designed to complete the state estimation, and simulation is carried out by MATLAB. The results are shown in Table 1 and Table 2. It should be noted that the proposed method is a fixed reference angle method, but in the calculation results, in order to intuitively reflect all the state of the entire system, the phase angles of all the buses are listed in this paper.
Table 1 presents the bus voltage amplitude estimation results of the four methods in the 14 bus system. The second column indicates the true value of the bus voltage amplitude, and the third, fourth, fifth and the sixth columns show voltage state estimated values using different methods. Table 2 is the bus voltage angle estimation results of the four methods in the 14 bus system.
The state estimation average relative error absolute value can be defined as [39]:
m a p e = i = 1 n | y i y e i y i | / n
where yi is the real value, yei is the estimation value.
Then in this report, the state estimation average accuracy can be obtained as follows:
a c c u r a c y = ( 1 m a p e ) × 100 %
Figure 9 and Figure 10 are the result of percentage bus voltage amplitude and angle estimation errors using the data from Table 1 and Table 2. As can be seen from Table 3, the maximum percentage voltage error of the proposed method is 4.8849%, which represents a great improvement when compared with the three other methods. On the whole, we can see that Method 1 has the worst state estimation effect and the proposed method has the best estimation effect. It also should be pointed out the elapsed time of the proposed method shows no lessening, but we can accept it. This shows that when adding PMU data to conventional SCADA measurement inputs, the state estimator will raise its redundancy and improve its accuracy. Especially, the proposed mixed state estimation has more marked improvement.
In the field of numerical analysis, on the one hand, the condition number of a function with respect to an argument measures the asymptotically worst case of how much the function can change in proportion to small changes in the argument. The “function” is the solution of a problem and the “arguments” are the data in the problem. Usually, the condition number is described as:
k ( A ) = A A 1
If complex square matrix A is normal, i.e., A*A = AA*, A* is the conjugate transpose of A, then the condition number can be described as:
k ( A ) = | λ max ( A ) λ min ( A ) |
where λ max ( A ) , λ min ( A ) are maximal and minimal eigenvalues of A, respectively.
A problem with a low condition number is said to be well-conditioned, while a problem with a high condition number is said to be ill-conditioned.
On the other hand, quality of an estimate is inversely related to it is variance. Estimation quality is very important to state estimator. There are many parameters which can be looked as a reference. In this report, we select the following equation to describe the quality of the estimator:
Q d = log ( 1 det ( P ) )
Here numerically computed error covariance matrix P can be defined as:
P = E [ ( X X ) ( X X ) T ] = E [ { G 1 H T ( X ) R 1 [ Z h ( X ) ] } × { G 1 H T ( X ) R 1 [ Z h ( X ) ] } T ] = E [ G 1 H T ( X ) R 1 e e T R 1 H ( X ) ( G 1 ) T ] = G 1
where X is the true state vector, X is estimation state vector and G = H T R 1 H is the gain matrix.
Sometimes, it becomes difficult to compute the determinant of error covariance matrix numerically. Hence, trace of error covariance matrix can be utilized to quantify the quality of estimation as follows:
Q t = log ( 1 t r a c e ( P ) )
The gain matrix condition number ka, quality Q t and Q d of the four methods are shown in Table 4 and these results are plotted in Figure 11.
From the above analysis, we can see the proposed method has better condition number and estimation quality than the other three methods. In order to further validate the effectiveness, the following five cases with different PMU measurement configurations will be discussed to illustrate the performance of the proposed method. The simulation results of different cases are shown in Table 5. It can be observed from Table 5 that as the number of PMU configurations increases, we can get better results, which include voltage accuracy (Va), angle accuracy (Aa), the condition number (Ka) and quality (Qt).
In statistics, bias of an estimator is the difference between estimator expected value and the true value of the parameter being estimated [40]. Based on mathematical theory, one has:
B i a s [ X ] = k N ( X k X ) P k
where Pk is the distribution probability. In this paper, Monte Carlo simulations were utilized to research the statistical characteristic, and the estimation step number N is 500 steps. The measurement inputs are randomly produced by the following equation:
z = z 0 ( μ + σ × r a n d n ( 1 , 1 ) )
where μ 0 + σ 0 × r a n d n ( 1 , 1 ) produces a normal distribution random number. The symbol μ 0 is set to “1”, and the symbol σ 0 is set to “ 10 3 ”.
Figure 12 is the bias analysis of the proposed method using the Monte Carlo method. It’s clear from the figure that the bias of proposed mixed state estimator is low.

3.2. IEEE 30 Bus System

In the IEEE 30 bus test system, the PMU is installed at buses 2, 4, 11, 14, 24, as shown in Figure 13. All the simulation conditions are same with that of IEEE 14 bus system. The percentage of voltage amplitude and angle estimate error is plotted in Figure 14 and Figure 15. It can be observed from Figure 14 and Figure 15 that the overall performance of estimator with proposed method is better when compared with traditional estimator with method 1, 2, or 3. Other results are shown in Table 6.
The viability and effectiveness of the proposed method is established by means of installing different numbers of PMUs. As can be seen from Table 7, the more number of PMU the power system has, the better estimation accuracy and stability can obtain. For bias, it can be observed in Figure 16 that the estimator with proposed mixed method has the good unbiased performance.

3.3. IEEE 118 Bus System

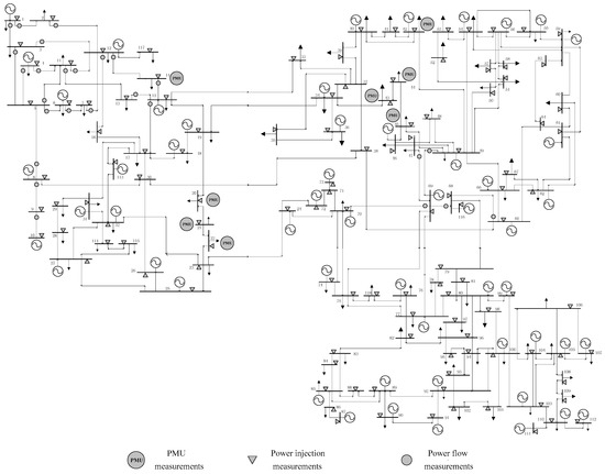
In the IEEE 118 bus test system, the PMU is installed at buses 14, 20, 21, 22, 42, 43, 44, 45, as shown in Figure 17. All the simulation conditions are the same as those of the IEEE 14 bus system. The results of state estimation of the different methods are observed from Figure 18 and Figure 19. It can be seen from Figure 18 and Figure 19 that the overall accuracy of the proposed estimator is better when compared with the others. As can be seen from the Table 8, although the percentage of angle maximum error of proposed method shows no lessening relative to Method 3, it drops a lot when compared with Methods 1 and 2. Furthermore, the accuracy and the number of iterations using the proposed method are greatly improved in a large scale system. Similarly, it can be observed from the Table 9 and Figure 20 that the proposed method the effectiveness and accuracy of the calculation model is also verified by the 118 bus system.
Note that the convergence time of the proposed method is slightly bigger than that of the other three methods in Table 10. This is because of the proposed method utilizes more PMU measurements in the calculation, but the convergence time can meet the basic assessment requirements of the State Grid, i.e., the calculation time of a single state estimate is less than 5 seconds. The computer configuration of the simulations is as follows: processor i5-4460, CPU 3.20 GHz, internal memory 4 GB. The computer system has Windows 10 64-bit operating system. With improved online computer memory capacity and processing speed, the convergence time of the proposed method could be reduced greatly.

4. Conclusions

With the growing number of PMUs planned for installation in the near future, it is anticipated that the use of PMU measurement data for the state estimation of power systems will become a standard procedure. The method proposed in this paper analyzes in details the state estimation model by mixed measurements with WAMS and SCADA and presents a “mixing” state estimation method algorithm through introducing the PMU measurement into the traditional state estimation. In addition, how to calculate the error covariance of measurements is investigated. Performance of the proposed method was tested on IEEE 14, 30 and 118 bus systems and related experiments. At the same time, the condition number, estimation quality and bias of developed estimator are also described. In addition, the proposed mixed state estimation is an unbiased estimation can be obtained. The results of simulations proved that the proposed method can improve the accuracy of power system state estimation, and it has better condition number, estimation quality and high reliability. Further work will be focused on analyzing the influences of factors such as bad data and different PMU placement to the results of the proposed method and on the staged PMU placement strategy using minimum number of PMUs to achieve full observability.

Supplementary Materials

The following are available online at https://www.mdpi.com/1996-1073/11/2/408/s1.

Author Contributions

Tao Jin coordinated the main theme of this paper and wrote the manuscript. Xueyu Shen developed the simulation models and completed the simulations. All the authors read and approved the final manuscript.

Conflicts of Interest

The authors declare no conflicts of interest.

References

  1. Phadke, A.G.; Moraes, R.M. The wide world of wide-area measurement. IEEE Power Energy Mag. 2008, 6, 52–65. [Google Scholar] [CrossRef]
  2. Schweppe, F.C.; Wildes, J.; Rom, D.B. Power system state-state estimation, parts I, II and III. IEEE Trans. Power Appar. Syst. 1970, 89, 120–135. [Google Scholar] [CrossRef]
  3. Wang, B.; He, G.Y.; Liu, K.C. A new scheme for guaranteed state estimation of power system. IEEE Trans. Power Syst. 2013, 28, 4875–4876. [Google Scholar] [CrossRef]
  4. Guo, Y.; Wu, W.C.; Zhang, B.M.; Sun, H.B. A fast solution for the lagrange multiplier-based electric power network parameter error identification model. Energies 2014, 7, 1288–1299. [Google Scholar] [CrossRef]
  5. Korres, G.N.; Contaxis, G.C. A reduced model for bad data processing in state estimation. IEEE Trans. Power Syst. 1991, 6, 550–557. [Google Scholar] [CrossRef]
  6. Luque, J.; Gomez, I. The role of medium access control protocols in SCADA systems. IEEE Trans. Power Deliv. 1996, 11, 1195–1200. [Google Scholar] [CrossRef]
  7. Thomas, M.S.; Kumar, P.; Chandna, V.K. Design, development, and commissioning of a supervisory control and data acquisition (SCADA) laboratory for research and training. IEEE Trans. Power Syst. 2004, 19, 1582–1588. [Google Scholar] [CrossRef]
  8. Ree, D.L.; Centeno, V.C.; Thorp, J.S.; Phadke, A.G. Synchronized phasor measurement applications in power systems. IEEE Trans. Smart Grid 2010, 1, 20–27. [Google Scholar]
  9. Zhong, Z.; Xu, C.; Billian, B.J.; Zhang, L.; Tsai, S.J.; Conners, R.W.; Centeno, V.C.; Phadke, A.G.; Liu, Y. Power system frequency monitoring network(FNET) implementations. IEEE Trans. Power Syst. 2005, 20, 1914–1921. [Google Scholar] [CrossRef]
  10. Yao, W.; Jiang, L.; Wu, Q.H.; Wen, J.Y.; Cheng, S.J. Delay-dependent stability analysis of the power system with a wide-area damping controller embedded. IEEE Trans. Power Syst. 2011, 26, 233–240. [Google Scholar] [CrossRef]
  11. Kamwa, I.; Samantaray, S.R.; Joos, G. Development of rule-based classifiers of rapid stability assessment of wide-area post-disturbances records. IEEE Trans. Power Syst. 2009, 24, 258–270. [Google Scholar] [CrossRef]
  12. Mousavi-Seyedi, S.S.; Aminifar, F.; Afsharnia, S. Application of WAMS and SCADA data to online modeling of series-compensated transmission lines. IEEE Trans. Smart Grid 2017, 8, 1968–1976. [Google Scholar] [CrossRef]
  13. Korres, G.N. An integer-arithmetic algorithm for observability analysis of systems with SCADA and PMU measurements. Electr. Power Syst. Res. 2011, 81, 1388–1402. [Google Scholar] [CrossRef]
  14. Zheng, W.; Wu, W.; Gomez-Exposito, A. Distributed Robust Bilinear State Estimation for Power Systems with Nonlinear Measurements. IEEE Trans. Power Syst. 2017, 32, 499–509. [Google Scholar] [CrossRef]
  15. Hu, L.; Wang, Z.; Rahman, I. A constrained optimization approach to dynamic state estimation for power systems including PMU and missing measurements. IEEE Trans. Control Syst. Technol. 2016, 24, 703–710. [Google Scholar] [CrossRef]
  16. Singh, A.K.; Singh, R.; Pal, B.C. Stability analysis of networked control in smart grids. IEEE Trans. Smart Grid 2014, 6, 381–390. [Google Scholar] [CrossRef]
  17. Jiang, T.; Mu, Y.; Jia, H. A novel dominant mode estimation method for analyzing inter-area oscillation in china southern power grid. IEEE Trans. Smart Grid 2016, 7, 2549–2560. [Google Scholar] [CrossRef]
  18. Zhao, J.; Zhang, G.; Das, K. Power system real-time monitoring by using PMU-based robust state estimation method. IEEE Trans. Smart Grid 2015, 7, 300–309. [Google Scholar] [CrossRef]
  19. Zhu, J.; Abur, A. Effect of phasor measurements on the choice of reference bus for state estimation. In Proceedings of the IEEE Power Engineering Society General Meeting, Tampa, FL, USA, 24–28 June 2007; pp. 1–5. [Google Scholar]
  20. Zhao, L.; Abur, A. Multi area state estimation using synchronized phasor measurements. IEEE Trans. Power Syst. 2005, 20, 611–617. [Google Scholar] [CrossRef]
  21. Zhou, M.; Centeno, V.A.; Thorp, J.S.; Phadke, A.G. An alternative for including phasor measurements in state estimators. IEEE Trans. Power Syst. 2006, 21, 1930–1937. [Google Scholar] [CrossRef]
  22. Sodhi, R.; Srivastava, S.C.; Singh, S.N. Phasor-assisted Hybrid State Estimator. Electr. Power Compon. Syst. 2010, 38, 533–544. [Google Scholar] [CrossRef]
  23. Chakrabarti, S.; Kyriakides, E.; Ledwich, G.; Ghosh, A. Inclusion of PMU current phasor measurements in a power system state estimator. IET Gener. Transm. Distrib. 2010, 4, 1104–1115. [Google Scholar] [CrossRef]
  24. Thorp, J.S.; Phadke, A.G.; Karimi, K.J. Real time voltage-phasor measurement for static state estimation. IEEE Trans. Power Appar. Syst. 1985, 11, 3098–3106. [Google Scholar] [CrossRef]
  25. Munoz, J.M.R.; Exposito, A.G. A line-current measurement based state estimator. IEEE Trans. Power Syst. 1992, 7, 513–519. [Google Scholar] [CrossRef]
  26. Chatterjee, P.; Thorp, J.S.; Pal, A.; Ree, J.D.L. Partitioned linear state estimation. In Proceedings of the 2015 IEEE Power & Energy Society Innovative Smart Grid Technologies Conference (ISGT 2015), Washington, DC, USA, 18–20 February 2015; pp. 1–5. [Google Scholar]
  27. Nuqui, R.F.; Phadke, A.G. Hybrid linear state estimation utilizing synchronized phasor measurements. In Proceedings of the 2007 IEEE Lausanne Power Tech, Lausanne, Switzerland, 1–5 July 2007; pp. 1665–1669. [Google Scholar]
  28. Manousakis, N.M.; Korres, G.N.; Aliprantis, J.N. A two-stage state estimator for power systems with PMU and SCADA measurements. In Proceedings of the PowerTech (POWERTECH), 2013 IEEE Grenoble, Grenoble, France, 16–20 June 2013; pp. 1–6. [Google Scholar]
  29. Korres, G.N.; Manousakis, N.M. A state estimator including conventional and synchronized phasor measurements. Comput. Electr. Eng. 2012, 38, 294–305. [Google Scholar] [CrossRef]
  30. Korres, G.N.; Manousakis, N.M. State estimation and observability analysis for phasor measurement unit measured systems. IET Gener. Trans. Distrib. 2012, 6, 902–913. [Google Scholar] [CrossRef]
  31. Baldwin, T.L.; Mili, L.; Boisen, M.B. Power system observability with minimal phasor measurement placement. IEEE Trans. Power Syst. 1993, 8, 707–715. [Google Scholar] [CrossRef]
  32. Mousavi-Seyedi, S.S.; Aminifar, F.; Afsharnia, S. Parameter estimation of multiterminal transmission lines using joint PMU and SCADA. IEEE Trans. Power Deliv. 2015, 30, 1077–1085. [Google Scholar] [CrossRef]
  33. Ghahremani, E.; Kamwa, I. Dynamic state estimation in power system by applying the extended Kalman filter with unknown inputs to phasor measurements. IEEE Trans. Power Syst. 2011, 26, 2556–2566. [Google Scholar] [CrossRef]
  34. Yu, K.C.; Watson, N.R. An approximate method for transient state estimation. IEEE Trans. Power Deliv. 2007, 22, 1680–1687. [Google Scholar] [CrossRef]
  35. Kundu, P.; Pradhan, A.K. Wide area measurement based protection support during power swing. Int. J. Electr. Power Energy Syst. 2014, 635, 546–554. [Google Scholar] [CrossRef]
  36. Bi, T.S.; Qin, X.H.; Yang, Q.X. A novel hybrid state estimator for including synchronized phasor measurements. Electr. Power Syst. Res. 2008, 78, 1343–1352. [Google Scholar] [CrossRef]
  37. Chakrabarti, S.; Kyriakides, E. PMU measurement uncertainty considerations in WLS state estimation. IEEE Trans. Power Syst. 2009, 24, 1062–1071. [Google Scholar] [CrossRef]
  38. Korres, G.N.; Manousakis, N.M. State Estimation and Bad Data Processing for Systems Including PMU and SCADA measurements. Electr. Power Syst. Res. 2011, 81, 1514–1524. [Google Scholar] [CrossRef]
  39. Yu, K.C.; Watson, N.R.; Arrillaga, J. Error analysis in static harmonic state estimation: A statistical approach. IEEE Trans. Power Deliv. 2005, 20, 1045–1050. [Google Scholar] [CrossRef]
  40. Lourenco, E.M.; Coelho, E.P.R.; Pal, B.C. Topology Error and Bad Data Processing in Generalized State Estimation. IEEE Trans. Power Syst. 2015, 30, 3190–3200. [Google Scholar] [CrossRef]
Figure 1. Equivalent circuit for transmission line.
Figure 1. Equivalent circuit for transmission line.
Energies 11 00408 g001
Figure 2. Equivalent circuit for a transformer.
Figure 2. Equivalent circuit for a transformer.
Energies 11 00408 g002
Figure 3. Equivalent circuit for a generator. (a) Voltage equivalent circuit for a generator. (b) Current equivalent circuit for a generator.
Figure 3. Equivalent circuit for a generator. (a) Voltage equivalent circuit for a generator. (b) Current equivalent circuit for a generator.
Energies 11 00408 g003
Figure 4. Two-port model of power network branch.
Figure 4. Two-port model of power network branch.
Energies 11 00408 g004
Figure 5. Power network model including PMUs.
Figure 5. Power network model including PMUs.
Energies 11 00408 g005
Figure 6. The mixed calculation model including PMUs.
Figure 6. The mixed calculation model including PMUs.
Energies 11 00408 g006
Figure 7. Flow chart of the proposed power system state estimation.
Figure 7. Flow chart of the proposed power system state estimation.
Energies 11 00408 g007
Figure 8. Simulation measurement configuration of the IEEE 14 bus system.
Figure 8. Simulation measurement configuration of the IEEE 14 bus system.
Energies 11 00408 g008
Figure 9. The percentage of bus voltage amplitude estimate error in 14 bus system.
Figure 9. The percentage of bus voltage amplitude estimate error in 14 bus system.
Energies 11 00408 g009
Figure 10. The percentage of bus voltage angle estimate error in 14 bus system.
Figure 10. The percentage of bus voltage angle estimate error in 14 bus system.
Energies 11 00408 g010
Figure 11. The condition number and quality of the four methods in 14 bus system.
Figure 11. The condition number and quality of the four methods in 14 bus system.
Energies 11 00408 g011
Figure 12. Bias analysis of proposed method in 14 bus system.
Figure 12. Bias analysis of proposed method in 14 bus system.
Energies 11 00408 g012
Figure 13. Simulation measurement configuration of the IEEE 30 bus system.
Figure 13. Simulation measurement configuration of the IEEE 30 bus system.
Energies 11 00408 g013
Figure 14. The percentage of voltage amplitude estimate error in 30 bus system.
Figure 14. The percentage of voltage amplitude estimate error in 30 bus system.
Energies 11 00408 g014
Figure 15. The percentage of bus voltage angle estimate error in 30 bus system.
Figure 15. The percentage of bus voltage angle estimate error in 30 bus system.
Energies 11 00408 g015
Figure 16. Bias analysis of proposed method in 30 bus system.
Figure 16. Bias analysis of proposed method in 30 bus system.
Energies 11 00408 g016
Figure 17. Simulation measurement configuration of the IEEE 118 bus system.
Figure 17. Simulation measurement configuration of the IEEE 118 bus system.
Energies 11 00408 g017
Figure 18. The percentage of voltage amplitude estimate error in 118 bus system.
Figure 18. The percentage of voltage amplitude estimate error in 118 bus system.
Energies 11 00408 g018
Figure 19. The percentage of bus voltage angle estimate error in 118 bus system.
Figure 19. The percentage of bus voltage angle estimate error in 118 bus system.
Energies 11 00408 g019
Figure 20. Bias analysis of proposed method in 118 bus system.
Figure 20. Bias analysis of proposed method in 118 bus system.
Energies 11 00408 g020
Table 1. Bus voltage amplitude estimation of the four methods used in the 14 bus system.
Table 1. Bus voltage amplitude estimation of the four methods used in the 14 bus system.
Bus VoltageTrue ValueBus Voltage Amplitude Estimation of Simulation Methods
Method 1Method 2Method 3Proposed Method
U 1 (p.u)1.06001.06391.06391.07171.0715
U 2 (p.u)1.04501.04181.04501.05261.0542
U 3 (p.u)1.01001.00281.00271.01621.0208
U 4 (p.u)1.01771.00251.00221.01851.0219
U 5 (p.u)1.01951.00461.00411.01941.0238
U 6 (p.u)1.07001.01311.01041.03791.0541
U 7 (p.u)1.06151.02831.06151.05541.0526
U 8 (p.u)1.09001.05971.05951.08731.0737
U 9 (p.u)1.05591.01021.05591.04181.0433
U 10 (p.u)1.05101.00381.00341.03521.0402
U 11 (p.u)1.05691.00541.00371.03401.0450
U 12 (p.u)1.05520.94460.93960.96641.0037
U 13 (p.u)1.05040.99540.99211.02311.0381
U 14 (p.u)1.03551.00220.99451.04801.0520
Table 2. Bus voltage angle estimation of four methods used in 14 bus system.
Table 2. Bus voltage angle estimation of four methods used in 14 bus system.
Angle of Bus VoltageTrue ValueBus Voltage Angle Estimation of Simulation Methods
Method 1Method 2Method 3Proposed Method
δ1 (°)0.00000.00000.00000.00000.0000
δ2 (°)−4.9826−4.7910−4.9826−4.8901−4.9031
δ3 (°)−12.7251−12.5248−12.5305−12.5569−12.5344
δ4 (°)−10.3129−9.9161−9.9247−10.1391−10.1433
δ5 (°)−8.7739−8.3690−8.3679−8.5936−8.6314
δ6 (°)−14.2209−14.0831−14.0803−14.4525−14.4183
δ7 (°)−13.3596−12.9912−13.3596−13.3109−13.3390
δ8 (°)−13.3596−12.9479−13.0011−13.3244−13.4862
δ9 (°)−14.9385−14.6890−14.9385−14.9608−14.9120
δ10 (°)−15.0973−14.8962−14.9297−15.1827−15.1385
δ11 (°)−14.7906−14.6393−14.6578−14.9714−14.9295
δ12 (°)−15.0756−13.9067−13.7922−14.8306−15.1238
δ13 (°)−15.1563−15.1183−15.1214−15.4914−15.4195
δ14 (°)−16.0336−16.0200−16.0287−16.7292−16.5855
Table 3. The results of state estimation of four methods in 14 bus system.
Table 3. The results of state estimation of four methods in 14 bus system.
Method No.Voltage Average Accuracy (%)Angle Average Accuracy (%)Voltage Maximum Error (%)Angle Maximum Error (%)Iteration NumberConvergence Time (s)
Method 196.5697.6610.48097.753540.6201
Method 296.9698.2610.95658.513450.6961
Method 398.3198.628.41634.338540.6527
Proposed method98.6798.884.88493.441940.7235
Table 4. The condition number and quality of the four methods in 14 bus system.
Table 4. The condition number and quality of the four methods in 14 bus system.
Method No.kaQuality
QtQd
Method 12.3527 × 1045.2977161.1225
Method22.2532 × 1045.3476161.5726
Method 37.5222 × 1036.1806165.3389
Proposed method6.7418 × 1036.3365166.6500
Table 5. The results of state estimation of different cases in 14 bus system.
Table 5. The results of state estimation of different cases in 14 bus system.
PMU NumbersMethod 2Method 3Proposed Method
Va/%Aa/%Ka/104QtVa/%Aa/%Ka/103QtVa/%Aa/%Ka/103Qt
096.5697.662.35275.297796.5697.66Δ2.35275.297796.5697.66Δ2.35275.2977
296.6698.202.26315.345497.8798.458.04966.031798.3498.747.59696.1123
396.9698.262.25325.347698.3198.627.52226.180698.6798.886.74186.3365
497.2698.312.23615.365898.8498.774.18226.750999.2499.252.11437.3519
597.6798.322.21915.380798.9198.964.11836.880399.2699.301.67457.6163
Comment: Δ2.3527 represents 2.3527 × 104.
Table 6. The results of state estimation of four methods in 30 bus system.
Table 6. The results of state estimation of four methods in 30 bus system.
Method No.Voltage Average Accuracy (%)Angle Average Accuracy (%)Voltage Maximum Error (%)Angle Maximum Error (%)Iteration NumberConvergence Time (s)
Method 197.8199.103.98111.719940.6862
Method 298.1099.213.98641.702460.8209
Method 399.3899.682.65121.751440.7198
Proposed method99.5599.692.20681.783940.8611
Table 7. The results of state estimation of different cases in 30 bus system.
Table 7. The results of state estimation of different cases in 30 bus system.
PMU NumbersMethod 2Method 3Proposed Method
Va/%Aa/%Ka/105QtVa/%Aa/%Ka/104QtVa/%Aa/%Ka/104Qt
097.8199.101.76464.221697.8199.10Δ1.76464.221697.8199.10Δ1.76464.2216
397.8999.141.76664.223198.7399.395.62934.776099.2399.525.15364.9021
497.9899.191.75954.227498.9799.614.90784.985999.3099.674.93725.0490
598.1099.211.75564.228799.3899.684.37025.170999.5599.693.55285.3508
698.1799.231.75504.229999.5399.701.83975.670399.7199.751.49805.9185
Comment: Δ1.7646 represents 1.7646 × 105.
Table 8. The results of state estimation of four methods in 118 bus system.
Table 8. The results of state estimation of four methods in 118 bus system.
Method No.Voltage Average Accuracy (%)Angle Average Accuracy (%)Voltage Maximum Error (%)Angle Maximum Error (%)Iteration NumberConvergence Time (s)
Method 196.7192.5011.060725.534992.7302
Method 296.7593.1611.350626.4268132.8076
Method 398.5798.847.98594.033062.7386
Proposed method98.6898.996.98006.162362.9110
Table 9. The results of state estimation of different cases in 118 bus system.
Table 9. The results of state estimation of different cases in 118 bus system.
PMU NumbersMethod 2Method 3Proposed Method
Va/%Aa/%Ka/106QtVa/%Aa/%Ka/106QtVa/%Aa/%Ka/106Qt
096.7192.502.92594.424496.7192.502.92594.424496.7192.502.92594.4244
596.7093.092.91704.424098.0598.522.23964.973198.2098.712.20515.0014
796.7593.162.91034.425198.5798.842.12085.051998.6898.992.06945.0957
996.7893.162.90594.425698.6098.671.12025.408098.7599.15Δ9.87275.5620
1196.8093.312.90414.426498.6499.07Δ5.89525.785398.8599.30Δ5.53075.8530
Comment: Δ5.8952 represents 5.8952 × 105. Similarly Δ9.8727 and Δ5.5307.
Table 10. The convergence time of proposed method in 30 and 118 bus system.
Table 10. The convergence time of proposed method in 30 and 118 bus system.
PMU NumbersConvergence Time (s)
IEEE 30 BusIEEE 118 BusIEEE 30 Bus SystemIEEE 118 Bus System
Method 2Method 3Proposed MethodMethod 2Method 3Proposed Method
350.67310.60540.72672.41552.39082.5581
470.80160.69410.84932.80762.73862.9110
590.82090.71980.86113.41373.11813.6407
6110.81980.70650.86273.10963.00133.3277

Share and Cite

MDPI and ACS Style

Jin, T.; Shen, X. A Mixed WLS Power System State Estimation Method Integrating a Wide-Area Measurement System and SCADA Technology. Energies 2018, 11, 408. https://doi.org/10.3390/en11020408

AMA Style

Jin T, Shen X. A Mixed WLS Power System State Estimation Method Integrating a Wide-Area Measurement System and SCADA Technology. Energies. 2018; 11(2):408. https://doi.org/10.3390/en11020408

Chicago/Turabian Style

Jin, Tao, and Xueyu Shen. 2018. "A Mixed WLS Power System State Estimation Method Integrating a Wide-Area Measurement System and SCADA Technology" Energies 11, no. 2: 408. https://doi.org/10.3390/en11020408

APA Style

Jin, T., & Shen, X. (2018). A Mixed WLS Power System State Estimation Method Integrating a Wide-Area Measurement System and SCADA Technology. Energies, 11(2), 408. https://doi.org/10.3390/en11020408

Note that from the first issue of 2016, this journal uses article numbers instead of page numbers. See further details here.

Article Metrics

Back to TopTop