Next Article in Journal
The Design of High Efficiency Crossflow Hydro Turbines: A Review and Extension
Next Article in Special Issue
Dynamic Wireless Power Transfer for Logistic Robots
Previous Article in Journal
Characterization of Storage Sizing for an Off-Grid House in the US and the Netherlands
 
 
Font Type:
Arial Georgia Verdana
Font Size:
Aa Aa Aa
Line Spacing:
Column Width:
Background:
Article

Series-Connected High Frequency Converters in a DC Microgrid System for DC Light Rail Transit

Department of Electrical Engineering, National Yunlin University of Science and Technology, Yunlin 640, Taiwan
Energies 2018, 11(2), 266; https://doi.org/10.3390/en11020266
Submission received: 7 January 2018 / Revised: 17 January 2018 / Accepted: 18 January 2018 / Published: 23 January 2018
(This article belongs to the Special Issue Power Electronics in DC-Microgrid Systems)

Abstract

:
This paper studies and presents a series-connected high frequency DC/DC converter connected to a DC microgrid system to provide auxiliary power for lighting, control and communication in a DC light rail vehicle. Three converters with low voltage and current stresses of power devices are series-connected with single transformers to convert a high voltage input to a low voltage output for a DC light rail vehicle. Thus, Metal-Oxide-Semiconductor Field-Effect Transistors (MOSFETs) with a low voltage rating and a turn-on resistance are adopted in the proposed circuit topology in order to decrease power losses on power switches and copper losses on transformer windings. A duty cycle control with an asymmetric pulse-width modulation is adopted to control the output voltage at the desired voltage level. It is also adopted to reduce switching losses on MOSFETs due to the resonant behavior from a leakage inductor of an isolated transformer and output capacitor of MOSFETs at the turn-on instant. The feasibility and effectiveness of the proposed circuit have been verified by a laboratory prototype with a 760 V input and a 24 V/60 A output.

1. Introduction

Direct current (DC) microgrids are studied to combine alternative current (AC) utility power, renewable energy sources, energy storage units and local DC and AC loads in order to reduce global warming and climbing temperature issues. The common DC voltage on DC microgrids can be 1500 V for traction vehicles; 760 V for light rail vehicles and industry applications; 380 V for residential and commercial buildings. For light rail transits, low frequency power transformers are used in conventional light rail vehicles to provide electrical isolation. The main drawback of line frequency transformers [1,2,3] is bulk volume. To avoid using bulky line frequency transformers, transformerless converter topologies [4,5,6,7,8] with primary-series and secondary-parallel connections have been proposed to lessen the blocking-voltage capability of active devices on the high voltage side and the current stress of power components on the low voltage side. Half-bridge (HB) or full-bridge (FB) converters have been widely adopted for medium power applications to provide a stable and low voltage output. Conventional FB converters and HB converters using high voltage rating devices such as insulated gate bipolar transistors (IGBTs) are widely adopted to convert a high voltage input to a low voltage output. However, the switching frequency of general IGBT devices is less than 50 kHz. To improve the low switching frequency problem of IGBT devices, multilevel converters [9,10,11] using Metal-Oxide-Semiconductor Field-Effect Transistor (MOSFET) devices have been developed in medium power converters to reduce converter volume. However, the high switching frequency will also increase core losses on magnetic components and switching losses on power MOSFETs. Zero-voltage switching converters [12,13,14,15] have been proposed to achieve a low switching loss. Asymmetric pulse-width modulation [16,17,18], frequency modulation [19,20,21] and a phase-shift pulse-width modulation (PWM) scheme [22,23,24] are general PWM control schemes used in DC/DC converters to regulate load voltage and also realize the mechanism of the zero-voltage turn-on switching. Therefore, the high efficiency converters can be obtained. The asymmetrical PWM scheme can reset the magnetizing flux in every switching cycle. Therefore, the voltage spike on drain-to-source of power MOSFET can decrease the safety operation region and the electromagnetic interference can be reduced.
This paper presents a series-connected soft switching converter using a single transformer for light rail vehicle applications. The adopted circuit topology includes three series-connected HB circuits on the primary side to reduce the blocking-voltage stress of power MOSFETs. Thus, low turn-on resistance and low voltage rating MOSFETs can be adopted to lessen conduction losses on power devices. The input split voltage balance is achieved by two flying capacitors. The asymmetric PWM scheme is employed to control power switches. The output capacitor of power MOSFETs and the leakage inductor of the transformer are resonant at the transition interval. Thus, the mechanism of the zero-voltage turn-on switching is realized and the electromagnetic interference can be reduced. Current doubler rectifier topology is used on the low voltage side to achieve a ripple current cancellation. Therefore, the resultant ripple current at the output capacitor is reduced. Three HB circuits share one transformer on the primary side so that the primary currents of the three HB circuits are reduced to one-third of the primary current in a conventional HB converter. Therefore, the conduction losses on active switches are reduced and the circuit efficiency is improved. The feasibility of the proposed circuit is verified with a 1.44 kW converter. This paper is organized as follows: in Section 2, the circuit configuration and operation principle of the developed converter used in the DC microgrid are presented and discussed in detail. In Section 3, the circuit characteristics of the developed circuit are presented. Experimental results based on a laboratory prototype are shown and discussed in Section 4. Finally, Section 5 presents the conclusions.

2. Proposed Converter

The basic circuit structure of a DC microgrid is given in Figure 1. The bidirectional AC/DC converters are used between the AC utility system and the DC microgrid to stabilize the DC bus voltage. Renewable energy sources from solar cell panels and wind power generators provide clear energy to the DC microgrid system through the unidirectional DC/DC converters and the AC/DC converters. Energy storage units are used to store/release energy from/to the DC microgrid through the bidirectional DC/DC converters in order to stabilize the DC bus voltage. In order to increase the voltage reliability, the bipolar voltage system (+Vdc, −Vdc and neutral line) can be adopted on the DC microgrid. When a fault condition in one of the DC poles occurs, the DC power is still suppled to the local load by the other two wires and an auxiliary converter. It is clear that the reliability of the DC mircogrid system is increased during fault condition. Therefore, three voltage levels (2Vdc, +Vdc and −Vdc) can be used to provide industry and transportation with the 2Vdc voltage level and future residential and commercial buildings with the +Vdc or −Vdc voltage level. To keep two voltage levels (+Vdc and −Vdc) balanced during unbalanced loads, a voltage balancing circuit is normally needed to realize this goal. The DC/DC converter can be used to convert a high input voltage to a low output voltage and it does not relate to the bipolar voltage system. For a DC light rail vehicle, the input voltage is normally around 760 V. Power devices such as the 1500 V IGBT can be adopted in two-level power converters to supply auxiliary low voltage power for control units, telecommunication units and lighting systems in the light rail vehicle. The MOSFETs with a 600 V rating can be adopted in the three-level power converter to achieve the same goal but with a much higher switching frequency to reduce converter size. The studied converter is concentrated on power conversion for light rail vehicle applications. Figure 2a shows the basic block diagrams of power distribution in a conventional light rail vehicle. First, 750 Vdc is converted to the three-phase AC voltage 380 Vac by the DC/AC inverter. Second, the AC/DC converter is adopted to convert 380 Vac to a low DC voltage in an auxiliary power distribution system to supply a necessary amount of DC voltage for the battery bank, lighting equipment, door equipment, control power units and communication equipment in a light rail vehicle system. The AC/DC/AC converter is also adopted to convert 380 Vac to a variable AC voltage output for the AC motor drive. If the power of the DC light rail vehicle is supplied directly from the DC microgrid, then some power conversion stages can be saved to reduce costs and increase circuit efficiency. The basic power distribution diagrams in the proposed light rail vehicle are illustrated in Figure 2b. The auxiliary power in a light rail vehicle is directly converted from 760 V through a DC/DC converter. The AC motor drive and the air compressor are controlled by the DC/AC converters. Therefore, the AC/DC conversion can be saved to reduce costs and increase circuit efficiency and reliability.
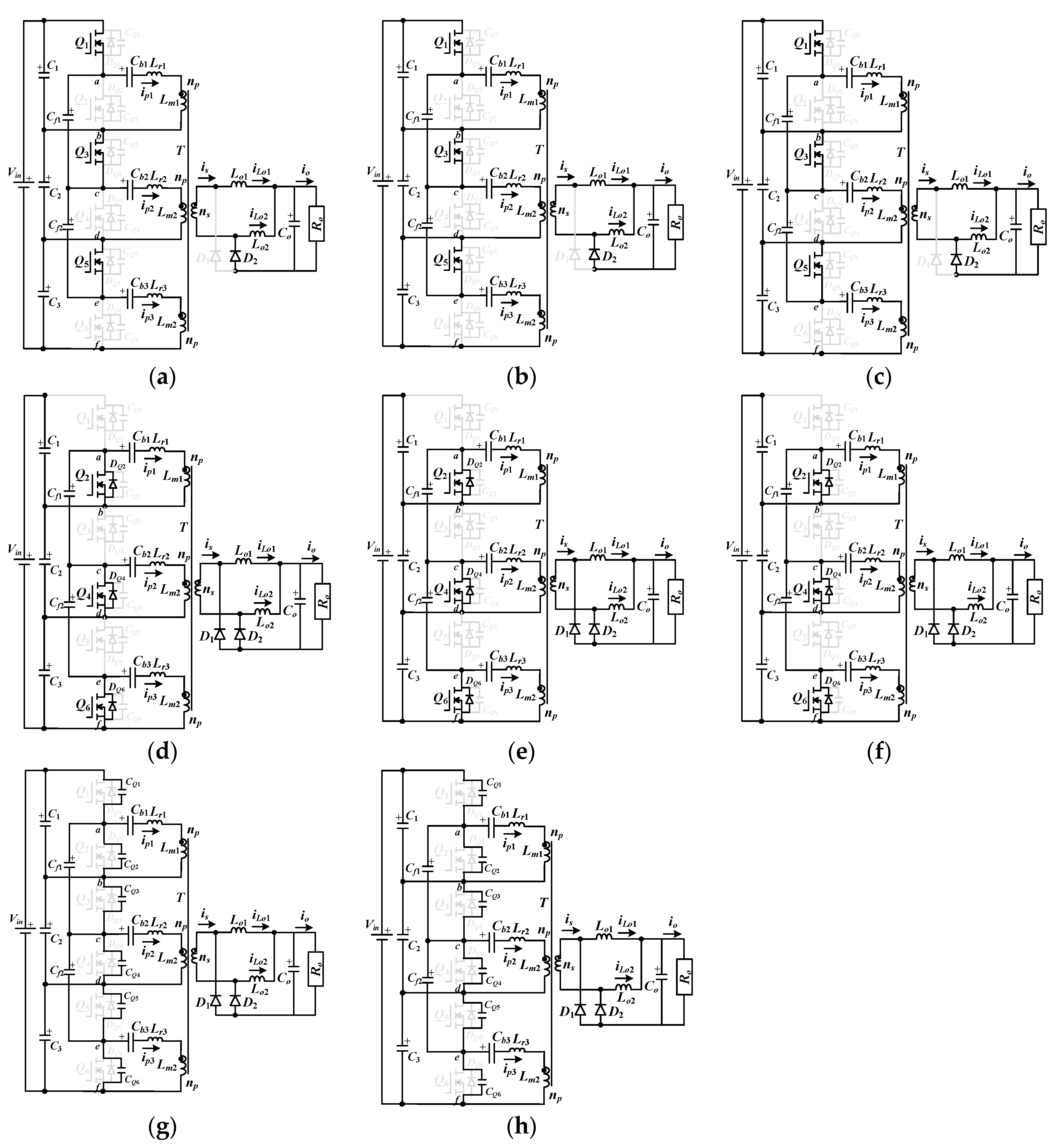
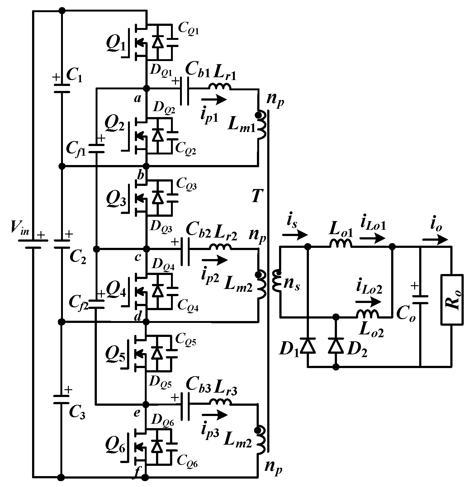
The studied DC/DC converter is given in Figure 3. It directly converts a 760 V voltage input from the DC microgrid to a low voltage output by using low voltage rating power MOSFETs to provide auxiliary power in a light rail vehicle. The studied converter includes three HB circuits connected in a primary-series secondary-parallel with a single transformer. The primary sides of the HB circuits are connected in a series so that the voltage stress of the power switches Q1~Q6 is reduced to Vin/3 and the low turn-on resistance of power MOSFETs is adopted to reduce conduction losses and increase circuit efficiency. Each HB circuit provides Po/3 to the output load. Flying capacitors are widely used in a multilevel inverter to reduce voltage stress and balance input split voltages. Thus, two flying capacitors Cf1 and Cf2 are used on the high voltage side to achieve an input voltage balance of VC1~VC3. The current doubler rectifier is used on the low voltage side to reduce the output ripple current. The driving signals of each HB circuit use asymmetric pulse-width modulation. Due to the resonant behavior between the output capacitor of the power MOSFETs and the primary leakage inductor at switch on/off instant, the power MOSFETs can be turned on at zero-voltage switching to reduce the switching loss. Figure 4 shows the timing sequence of switches Q1~Q6 and the main PWM waveforms in the proposed converter. The operation principle and circuit analysis of the studied circuit are assumed under the following conditions: (1) the output capacitor Co is large enough to be treated as a constant voltage Vo, (2) power devices Q1~Q6, D1 and D2 are ideal, (3) Cf1 = Cf2 = Cf, Cb1 = Cb2 = Cb3 = Cb, Lr1 = Lr2 = Lr3 = Lr, and Lm1 = Lm2 = Lm3 = Lm, (4) n1 = n2 = n3 = np/ns, and (5) VCb1 = VCb2 = VCb3 = VCb and VC1 = VC2 = VC3 = VCf1 = VCf2 = Vin/3. The duty cycles of Q1, Q3 and Q5 are d. Conversely, the duty cycles of Q2, Q4 and Q6 are 1 − d. The equivalent circuits of the operating steps in the proposed circuit are shown in Figure 5. There are eight operating stages for every switching period.
Step 1 [t0~t1]: Before step 1, power switches Q1, Q3 and Q5 are conducting and the output current freewheels through D1 and D2. After time t0, iD1 is decreased to zero and D1 becomes reverse biased. io flows through D2. Power is transferred from Vin to Ro in this step. In step 1, VCf1 = VC1, VCf2 = VC2, vQ2,ds = VC1, vQ4,ds = VC2, vQ6,ds = VC3, vLm1VC1vCb1, vLm2VC2vCb2, vLm3VC3vCb3, v L o 1 [ V C 1 v C b 1 ] / n 1 V o and v L o 2 = V o . Thus, ip1~ip3 and iLo1 increase and iLo2 decreases. Since all circuit components in three HB circuits are identical and n1 = n2 = n3 = np/ns, it can obtain vLm1 = vLm2 = vLm3 = nvns and ip1 = ip2 = ip3is/(3n1). Since iLo1 increases and iLo2 decreases in this step, the ripple current of iLo1 + iLo2 is reduced.
Step 2 [t1~t2]: When Q1, Q3 and Q5 are turned off at time t1; the positive primary currents ip1~ip3 rapidly discharge CQ2, CQ4 and CQ6, respectively. On the other hand, CQ1, CQ3 and CQ5 are charged by ip1~ip3 respectively. The secondary winding voltage vns is decreased in this step.
Step 3 [t2~t3]: When CQ2, CQ4 and CQ6 are discharged to vCb1, vCb2 and vCb3 respectively, then the secondary winding voltage vns = 0. Then the output current io freewheels through D1 and D2. In this operation step, vLo1 = vLo2 = −Vo and iLo1 and iLo2 decrease.
Step 4 [t3~t4]: At time t3, CQ2, CQ4 and CQ6 are discharged to zero voltage. Since ip1(t3)~ip3(t3) are all positive, the body diodes DQ2, DQ4 and DQ6 are forward biased. Therefore, Q2, Q4 and Q6 can be turned on at this moment to realize a zero-voltage turn-on. Because io is still freewheeling through D1 and D2, it can obtain vns = 0, vLo1 = vLo2 = −Vo, vLr1 = −vCb1, vLr2 = −vCb2 and vLr3 = −vCb3. ip1~ip3, iLo1 and all iLo2 decrease. This step is ended when iD2 = 0. During this freewheeling interval, the currents iLr1~iLr3 are decreased from iLo1/(3n1) to −iLo2/(3n1) and the current variation on Lr1~Lr3 is about Io/(3n1). The duty loss in step 4 is obtained as (1) shows:
d l o s s , 4 = Δ t 34 T s w = I o L r f s w 3 n 1 v C b 1
Step 5 [t4~t5]: After t4, iD2 is decreased to zero so that D2 is reverse biased. io flows through D1, Lo1 and Lo2. In step 5, power is transferred from Vin to Ro, VCf1 = VC2, VCf2 = VC3, vQ1,ds = VC1, vQ3,ds = VC2, vQ5,ds = VC3, vLm1 ≈ −vCb1, vLm2 ≈ −vCb2, vLm3 ≈ −vCb3, v L o 1 = V o and v L o 2 v C b 1 / n 1 V o . Thus, ip1~ip3 and iLo1 decrease and iLo2 increases.
Step 6 [t5~t6]: When Q2, Q4 and Q6 turn off at time t5, the negative primary currents ip1~ip3 rapidly charge CQ2, CQ4 and CQ6, respectively. On the other hand, CQ1, CQ3 and CQ5 are discharged by ip1~ip3 respectively. The secondary winding voltage vns is increased in this step.
Step 7 [t6~t7]: When CQ2, CQ4 and CQ6 are charged to vCb1, vCb2 and vCb3 respectively at t6, it can obtain vns = 0. Thus, io freewheels through D1 and D2 in this step and vLo1 = vLo2 = −Vo.
Step 8 [t7~t0 + Tsw]: When CQ1, CQ3 and CQ5 are discharged to zero voltage at t7, the body diodes DQ1, DQ3 and DQ5 are forward biased. Power switches Q1, Q3 and Q5 can be turned on at this moment to realize zero-voltage turn-on. Since io still freewheels through D1 and D2, it can obtain vns = 0, vLo1 = vLo2 = −Vo and vLr1 = vLr2 = vLr3 = Vin/3 − vCb1. Thus, ip1~ip3 increase and iLo1 and iLo2 decrease. This step is ended when iD1 = 0. During this freewheeling interval, iLr1~iLr3 increase from −iLo2/(3n1) to iLo1/(3n1). The duty loss in step 8 is obtained as (2) shows.
d l o s s , 8 = I o L r f s w 3 n 1 ( V i n / 3 v C b 1 )
At time t0 + Tsw, iD1 is decreased to zero and this switching period is completed. Since the duty cycle of all switches equals 0.5, the voltage balance of C1, C2 and C3 is well achieved with two balance capacitors Cf1 and Cf2. If Q1, Q3 and Q5 are in the on-state and Q2, Q4 and Q6 are in the off-state, it obtains vCf1 = VC1 and vCf2 = VC2. If VC1 > VC2 or VC1 < VC2, then C1 charges or discharges Cf1 through Q1 and Q3. When Q1, Q3 and Q5 are in the off-state and Q2, Q4 and Q6 are in the on-state, it obtains vCf1 = VC2 and vCf2 = VC3. If VC1 > VC2 or VC1 < VC2, Cf1 charges or discharges C2 through Q2 and Q4. In a similar way, Cf2 can be used to balance VC2 and VC3. Therefore, VC1~VC3 are all controlled at Vin/3.

3. Circuit Characteristics

The asymmetric PWM scheme is adopted to drive Q1~Q6. Based on the flux balance of primary inductors such as (Lr1 and Lm1), (Lr2 and Lm2) and (Lr3 and Lm3), the DC capacitor voltages VC1~VC3 in a steady state can be obtained as V C b 1 = V C b 2 = V C b 3 = d V i n / 3 , where d is the duty cycle of Q1, Q3 and Q5. In the same way, the output voltage can be derived from the flux balance of output inductors Lo1 and Lo2 in a steady state.
V o = V i n 3 n 1 d ( 1 d ) I o L r f s w 3 n 1 2 V f
where Vf is the voltage drop on D1 and D2.
Since the average winding currents ip1~ip3 equal zero and ILo1 + ILo2 = Io, the average inductor currents ILo1 and ILo2 are derived as ILo1 = (1 − d)Io and ILo2 = dIo. The ripple currents on Lo1 and Lo2 are given in (4) and (5).
Δ i L o 1 = V o ( 1 d + d l o s s , 8 ) T s w L o 1 = ( 1 d ) V o T s w + V o L r I o n 1 ( 1 d ) V i n L o 1
Δ i L o 2 = V o ( d + d l o s s , 4 ) T s w L o 2 = d V o T s w + V o L r I o n 1 d V i n L o 2
The asymmetric PWM is adopted to regulate load voltage. From Figure 4, the turn-on time of D1 is related to the duty cycle of Q2 and the turn-on time of D2 is related to the duty cycle of Q1. Therefore, the average diode currents ID1 and ID2 are expressed as ID1 = (1 − d)Io and ILo2 = dIo. The voltage stress of diodes D1 and D2 is related to the secondary winding voltage. The secondary winding voltage vns is dependent on the input voltage Vin and clamped voltage VCb1. Thus, the voltage stress of D1 and D2 can be given in (6) and (7).
v D 1 = ( 1 d ) V i n / ( 3 n 1 )
v D 2 = d V i n / ( 3 n 1 )
The conduction losses on rectifier diodes D1 and D2 are approximately equal to IoVf. If the transformer is constructed, then the magnetizing inductances Lm1~Lm3 are given. Thus, the ripple currents iLm1~iLm3 are obtained in (8).
Δ i L m 1 = Δ i L m 2 = Δ i L m 3 ( V i n / 3 v C b 1 ) ( d d l o s s , 8 ) T s w L m 1 = d ( 1 d ) V i n T s w 3 L m 1 I o L r 3 n 1 L m 1
Three HB circuits are connected in a series on the high voltage side to reduce the voltage stress of active switches. Therefore, it is able to obtain the voltage stress of each active switch clamped at Vin/3. If the ripple currents on magnetizing inductors and output inductors are neglected, the root-mean-square (rms) currents iQ1,rms~iQ1,rms can be derived as (9) and (10) show.
i Q 1 , r m s = i Q 3 , r m s = i Q 5 , r m s ( 1 d ) I o d 3 n 1
i Q 2 , r m s = i Q 4 , r m s = i Q 6 , r m s d I o 1 d 3 n 1
The conduction losses on Q1~Q6 are approximately equal to d ( 1 d ) I o 2 R o n / ( 3 n 1 2 ) , where Ron is turn-on resistance of Q1~Q6. The positive peak currents of ip1~ip3 at time t1 are given in (11).
i p 1 ( t 1 ) = i p 2 ( t 1 ) = i p 3 ( t 1 ) i L m 1 , max + i L o 1 , max 3 n 1 d ( 1 d ) V i n T s w 6 L m 1 I o L r 6 n 1 L m 1 + ( 1 d ) I o 3 n 1 + ( 1 d ) V o T s w + V o L r I o n 1 ( 1 d ) V i n 6 n 1 L o 1
Likewise, the negative peak currents of ip1~ip3 at time t5 are given in (12).
i p 1 ( t 5 ) = i p 2 ( t 5 ) = i p 3 ( t 5 ) i L m 1 , max + i L o 1 , max 3 n 1   d ( 1 d ) V i n T s w 6 L m 1 + I o L r 6 n 1 L m 1 d I o 3 n 1 d V o T s w + V o L r I o n 1 d V i n 6 n 1 L o 2
The minimum primary current to realize zero-voltage turn-on switching of Q1, Q3 and Q5 is given in (13).
i p 1 ( t 5 ) V i n 3 2 C Q L r 1
Similarly, the minimum primary current to realize zero-voltage turn-on switching of Q2, Q4 and Q6 is given in (14).
i p 1 ( t 1 ) V i n 3 2 C Q L r 1
where CQ = CQ1 = CQ2 = CQ3 = CQ4 = CQ5 = CQ6.

4. Experimental Results

A laboratory prototype with 1.44 kW rated power was constructed and tested in order to verify the feasibility of the studied converter to supply the auxiliary power in a light rail vehicle from the DC microgrid system. The experimental circuit diagram of the developed converter is provided in Figure 6. The TL431 voltage regulator and photocoupler PC817 are used to regulate load voltage. The PWM UCC2893 is used to achieve asymmetric pulse-width modulation (APWM) generation. Pulse transformers are adopted to achieve electrical isolation and gate drive. The specifications of the experimental prototype are given in Table 1. The power rating of the magnetic transformer is the same as the transformer in the three-level converter and the two-level full-bridge converter. The turns-ratio of the transformer in the developed converter is one-third of the turns-ratio in the two-level full-bridge converter. The magnetizing voltage and primary turns of the transformer in the studied converter are only one-third of the magnetizing voltage and primary turns in the two-level full-bridge converter. The PC40 EER-42 magnetic core is used with 15 primary turns and 8 secondary turns to build the isolated transformer. The experimental results of the proposed converter while it supplies 1.44 kW to the output load under a 760 V input are shown in Figure 7, Figure 8, Figure 9, Figure 10, Figure 11 and Figure 12. Based on the test results, the measured waveforms agree well with the theoretical waveforms as given in Figure 4. Figure 7 shows the gate voltages of Q1~Q6 at 20% and 100% loads. It is clear that Q1, Q3 and Q5 have the same PWM waveforms. In the same manner, Q2, Q4 and Q6 have the same PWM waveforms. The input split voltages and balance capacitor voltages at a full load are shown in Figure 8. From the experimental results, the input split voltages and two flying voltages are balanced well. The primary side currents of three HB circuits are illustrated in Figure 9. It is observed that the three primary currents are balanced well. Figure 10 gives the measured waveforms of three DC block capacitor voltages. It can be observed that the three voltages are balanced and the capacitor voltages are related to the duty cycle of Q1, Q3 and Q5. Figure 11 shows the experimental waveforms of the secondary side currents. The ripple currents on Lo1 and Lo2 partially cancel each other so that the resultant ripple current on the load side is reduced. Figure 12 shows the test results of Q1 and Q2 at 20% and 100% loads. Before the switch is turned on, the switch current is negative to discharge the output capacitor CQ to zero voltage. Thus, the mechanism of the zero-voltage turn-on switching is clearly achieved for both Q1 and Q2 from a 20% load. It can also be observed that all drain voltages of Q1 and Q2 are clamped at Vin/3. Since the PWM signals of the three HB circuits are identical and the input split voltages are also balanced, Q3~Q6 can also be turned on at zero-voltage from a 20% load. Figure 13 shows the circuit efficiency of the studied converter under different load cases. The measured maximum efficiency is about 93.6%. The main advantage of the studied converter is the lower voltage rating of power switches compared to the conventional three-level converter with eight MOSFETs and the two-level full-bridge converter with four IGBTs. Considering the turns-ratio of the transformer, the root-mean-square current of the studied converter is the same as the three-level and two-level converters. However, the lower conduction resistance of MOSFETs with lower voltage rating is used in the developed converter. Therefore, the total conduction losses (six MOSFETs) in the studied converter can be reduced compared to the three-level converter with eight MOSFETs and the full-bridge converter with four IGBTs.

5. Conclusions

In this paper, a series-connected HB converter with a single transformer is proposed for light rail transit applications. The proposed circuit’s main benefits are the low voltage rating of power semiconductors, low switching losses, high circuit efficiency and balance split voltages compared to conventional converter topologies used in light rail vehicles. The asymmetric PWM scheme is used to control power switches, regulate output voltage and achieve the mechanism of the zero-voltage turn-on switching. The circuit analysis, operation principle and design example of the proposed circuit are presented and discussed in detail. Finally, the feasibility of the studied circuit is verified by experimental results with a 1.44 kW laboratory prototype. The current harmonics on the input side is dependent on the switching frequency and the load current. The large current harmonics will result in unstable voltage on the input DC voltage bus. Therefore, in a future study, the interleaved DC/DC converter of the studied circuit will be developed to reduce the input current harmonics.

Acknowledgments

This research is supported by the Ministry of Science and Technology, Taiwan, under contract MOST 105-2221-E-224-043-MY2. The author would like to thank Wei-Po Liu for his help in the experiment. The author would also like to thank the anonymous reviewers for their valuable comments and suggestions to improve the quality of the paper.

Conflicts of Interest

The author declares no potential conflict of interest.

References

  1. Srwanson, J.D.; Thornes, C. Light-rail transit systems. IEEE Veh. Technol. Mag. 2010, 5, 22–27. [Google Scholar] [CrossRef]
  2. Chaudhary, P.; Samanta, S.; Sesarma, P. Input-series-output-parallel-connected buck rectifiers for high-voltage applications. IEEE Trans. Ind. Electron. 2015, 62, 193–202. [Google Scholar] [CrossRef]
  3. Dujic, D.; Kieferndorf, F.; Canales, F.; Drofenik, U. Power electronic traction transformer technology. In Proceedings of the Power Electronics and Motion Control Conference (IPEMC Conference), Harbin, China, 2–5 June 2012; pp. 636–642. [Google Scholar]
  4. Chaudhary, P.; Sesarma, P. Front-end buck rectifier with reduced filter size and single-loop control. IEEE Trans. Ind. Electron. 2013, 60, 4359–4368. [Google Scholar] [CrossRef]
  5. Akagi, H. Classification, terminology, and application of the modular multilevel cascade converter (MMCC). IEEE Trans. Power Electron. 2011, 26, 3119–3130. [Google Scholar] [CrossRef]
  6. Winkelnkemper, M.; Korn, A.; Steimer, P. A modular direct converter for transformerless rail interties. In Proceedings of the 2010 IEEE International Symposium on Industrial Electronics (IEEE ISIE Conference), Bari, Italy, 4–7 July 2010; pp. 562–567. [Google Scholar]
  7. Coppola, M.; Del Pizzo, A.; Iannuzzi, D. A power traction converter based on modular multilevel architecture integrated with energy storage devices. In Proceedings of the Electrical systems for Aircraft, Railway and Ship Propulsion Conference, Bologna, Italy, 16–18 October 2012; pp. 1–7. [Google Scholar]
  8. Alexandre, C.; Drazen, D. Galvanically isolated modular converter. IET Proc. Power Electron. 2016, 9, 2318–2328. [Google Scholar]
  9. Nakanishi, T.; Itoh, J.I. Evaluation of isolation three-phase AC/DC converter using modular multilevel converter topology. In Proceedings of the 2014 International Power Electronics Conference (IEEE IPEC Conference), Hiroshima, Japan, 18–21 May 2014; pp. 1095–1111. [Google Scholar]
  10. Mcneill, N.; Yuan, X.; Anthony, P. High-efficiency multilevel converter technology for electric vehicle applications using super-junction MOSFETs. In Proceedings of the IET Hybrid and Electric Vehicle Conference, London, UK, 5–6 November 2014; pp. 1–7. [Google Scholar]
  11. Madhusoodhanan, S.; Tripathi, A.; Patel, D.; Mainali, K.; Kadavelugu, A.; Hazra, S.; Bhattacharya, S.; Hatua, K. Solid-state transformer and MV grid tie applications enabled by 15kV SiC IGBTs and 10kV SiC MOSFETs based multilevel converters. IEEE Trans. Ind. Appl. 2015, 51, 3343–3360. [Google Scholar] [CrossRef]
  12. Satarupa, B.; Akshay, K.R.; Srinivasan, D. Naturally clamped snubberless soft-switching bidirectional current-fed three-phase push–pull DC/DC converter for DC microgrid application. IEEE Trans. Ind. Appl. 2016, 52, 1577–1587. [Google Scholar]
  13. Zhang, J.; Wu, H.; Qing, X.; Xing, Y. PWM plus secondary-side phase-shift controlled soft-switching full-bridge three-port converter for renewable power systems. IEEE Trans. Ind. Electron. 2015, 62, 7061–7072. [Google Scholar] [CrossRef]
  14. Gu, L.; Jin, K.; Liu, C. Current-tripler-rectifier pulse width modulation ZVS three-phase full-bridge DC/DC converter with Y–Δ connected transformer. IET Proc. Power Electron. 2015, 8, 1111–1118. [Google Scholar] [CrossRef]
  15. Hiroyuki, H.; Kurokawa, F. Modulation method of a full-bridge three-level LLC resonant converterfor battery charger of electrical vehicles. IEEE Trans. Power Electron. 2017, 32, 2498–2507. [Google Scholar]
  16. Korotkov, S.; Meleshin, V.; Nemchinov, A.; Fraidlin, S. Small-signal modeling of soft-switched asymmetrical half-bridge DC/DC converte. In Proceedings of the APEC’95, Conference Proceedings 1995, Tenth Annual Applied Power Electronics Conference and Exposition, 1995 (IEEE APEC), Dallas, TX, USA, 5–9 March 1995; Volume 2, pp. 707–711. [Google Scholar]
  17. Tschirhart, D.J.; Jain, P.K. Design procedure for high-frequency operation of the modified series-resonant APWM converter to reduce size and circulating current. IEEE Trans. Power Electron. 2012, 27, 4181–4191. [Google Scholar] [CrossRef]
  18. Kim, B.C.; Park, K.B.; Moon, G.W. Asymmetric PWM control scheme during hold-up time for LLC resonant converter. IEEE Trans. Ind. Electron. 2012, 59, 2992–2997. [Google Scholar] [CrossRef]
  19. Haga, H.; Kurokawa, F. A novel modulation method of the full bridge three-level LLC resonant converter for battery charger of electrical vehicles. In Proceedings of the 2015 IEEE Energy Conversion Congress and Exposition (IEEE ECCE Conference), Montreal, QC, Canada, 20–24 September 2015; pp. 5498–5504. [Google Scholar]
  20. Johnson, S.; Erickson, R. Steady-state analysis and design of the parallel resonant converter. IEEE Trans. Power Electron. 1988, 3, 93–104. [Google Scholar] [CrossRef]
  21. Gu, Y.; Lu, Z.; Hang, L.; Qian, Z.; Huang, G. Three-level LLC series resonant DC/DC converter. IEEE Trans. Power Electron. 2005, 20, 781–789. [Google Scholar] [CrossRef]
  22. Mishima, T.; Akamatsu, K.; Nakaoka, M. A high frequency-link secondary-side phase-shifted full-bridge soft-switching PWM DC-DC converter with ZCS active rectifier for EV battery charged. IEEE Trans. Power Electron. 2013, 28, 5758–5773. [Google Scholar] [CrossRef]
  23. Lin, B.R.; Shiau, T.Y. Zero-voltage switching full-bridge DC/DC converter with parallel-connected output and without output inductor. IET Proc. Power Electron. 2013, 6, 505–515. [Google Scholar] [CrossRef]
  24. Safaee, A.; Jain, P.; Bakhshai, A. A ZVS pulsewidth modulation full-bridge converter with a low rms current resonant auxiliary circuit. IEEE Trans. Power Electron. 2016, 31, 4031–4047. [Google Scholar] [CrossRef]
Figure 1. Basic circuit structure of a DC microgrid.
Figure 1. Basic circuit structure of a DC microgrid.
Energies 11 00266 g001
Figure 2. Light rail transit. (a) Block diagram of the power distribution in a conventional light rail vehicle; (b) block diagram of the power distribution in the studied light rail vehicle.
Figure 2. Light rail transit. (a) Block diagram of the power distribution in a conventional light rail vehicle; (b) block diagram of the power distribution in the studied light rail vehicle.
Energies 11 00266 g002
Figure 3. Circuit schematic of the studied converter.
Figure 3. Circuit schematic of the studied converter.
Energies 11 00266 g003
Figure 4. Main waveforms during one switching period.
Figure 4. Main waveforms during one switching period.
Energies 11 00266 g004
Figure 5. Operation steps of the power converter during one switching cycle (a) step 1 (b) step 2 (c) step 3 (d) step 4 (e) step 5 (f) step 6 (g) step 7 (h) step 8.
Figure 5. Operation steps of the power converter during one switching cycle (a) step 1 (b) step 2 (c) step 3 (d) step 4 (e) step 5 (f) step 6 (g) step 7 (h) step 8.
Energies 11 00266 g005
Figure 6. The experimental circuit diagram of the developed converter.
Figure 6. The experimental circuit diagram of the developed converter.
Energies 11 00266 g006
Figure 7. PWM signals of Q1~Q6 under (a) 20% load; (b) full load [vQ1~vQ6: 10 V/div; time: 2 µs].
Figure 7. PWM signals of Q1~Q6 under (a) 20% load; (b) full load [vQ1~vQ6: 10 V/div; time: 2 µs].
Energies 11 00266 g007
Figure 8. Measured input capacitor voltages under full load [VC1~VCf2: 200 V/div; time: 2 µs].
Figure 8. Measured input capacitor voltages under full load [VC1~VCf2: 200 V/div; time: 2 µs].
Energies 11 00266 g008
Figure 9. Test results of the primary side currents under (a) 20% load [ip1~ip3: 2 A/div; time: 2 µs]; (b) full load [ip1~ip3: 5 A/div; time: 2 µs].
Figure 9. Test results of the primary side currents under (a) 20% load [ip1~ip3: 2 A/div; time: 2 µs]; (b) full load [ip1~ip3: 5 A/div; time: 2 µs].
Energies 11 00266 g009
Figure 10. Test results of the primary capacitor voltages under (a) 20% load [VCb1~VCb3: 100 V/div; time: 2 µs]; (b) full load [VCb1~VCb3: 100 V/div; time: 2 µs].
Figure 10. Test results of the primary capacitor voltages under (a) 20% load [VCb1~VCb3: 100 V/div; time: 2 µs]; (b) full load [VCb1~VCb3: 100 V/div; time: 2 µs].
Energies 11 00266 g010
Figure 11. Measured secondary side currents at (a) 20% load [iD1, iD2, iLo1, iLo2, iLo1 + iLo2: 10 A/div; time: 2 µs]; (b) 100% load [iD1, iD2, iLo1 + iLo2: 50 A/div; iLo1, iLo2: 20 A/div; time: 2 µs].
Figure 11. Measured secondary side currents at (a) 20% load [iD1, iD2, iLo1, iLo2, iLo1 + iLo2: 10 A/div; time: 2 µs]; (b) 100% load [iD1, iD2, iLo1 + iLo2: 50 A/div; iLo1, iLo2: 20 A/div; time: 2 µs].
Energies 11 00266 g011
Figure 12. Measured switch voltages and current (a) Q1 at 20% load [vQ1,g: 10 V/div; vQ1,d: 200 V/div; iQ1: 2 A/div; time: 1 µs]; (b) Q1 at full load [vQ1,g: 10 V/div; vQ1,d: 200 V/div; iQ1: 10 A/div; time: 1 µs]; (c) Q2 at 20% load [vQ2,g: 10 V/div; vQ2,d: 200 V/div; iQ2: 2 A/div; time:1 µs]; (d) Q2 at full load [vQ2,g: 10 V/div; vQ2,d: 200 V/div; iQ2: 10 A/div; time: 1 µs].
Figure 12. Measured switch voltages and current (a) Q1 at 20% load [vQ1,g: 10 V/div; vQ1,d: 200 V/div; iQ1: 2 A/div; time: 1 µs]; (b) Q1 at full load [vQ1,g: 10 V/div; vQ1,d: 200 V/div; iQ1: 10 A/div; time: 1 µs]; (c) Q2 at 20% load [vQ2,g: 10 V/div; vQ2,d: 200 V/div; iQ2: 2 A/div; time:1 µs]; (d) Q2 at full load [vQ2,g: 10 V/div; vQ2,d: 200 V/div; iQ2: 10 A/div; time: 1 µs].
Energies 11 00266 g012
Figure 13. Test results of circuit efficiency.
Figure 13. Test results of circuit efficiency.
Energies 11 00266 g013
Table 1. Prototype Specifications.
Table 1. Prototype Specifications.
ItemsSymbolParameter
Input voltageVin760 V
Output voltageVo24 V
Output currentIo60 A
Switching frequencyfsw100 kHz
Power switchesQ1~Q6IRFP460
Rectifier diodesD1, D2MBR40100T
Split capacitorsC1, C2, C3330 µF/400 V
Flying capacitorsCf1, Cf22.2 µF/630 V
Block capacitorsCb1, Cb2, Cb3750 nF/630 V
Turns ratio of Tnp:np:np:ns15:15:15:8
Primary inductancesLr1, Lr2, Lr330 µH
Magnetizing inductancesLm1, Lm2, Lm30.8 mH
Output filter inductancesLo1, Lo232 µH
Output filter capacitanceCo4400 µF/50 V

Share and Cite

MDPI and ACS Style

Lin, B.-R. Series-Connected High Frequency Converters in a DC Microgrid System for DC Light Rail Transit. Energies 2018, 11, 266. https://doi.org/10.3390/en11020266

AMA Style

Lin B-R. Series-Connected High Frequency Converters in a DC Microgrid System for DC Light Rail Transit. Energies. 2018; 11(2):266. https://doi.org/10.3390/en11020266

Chicago/Turabian Style

Lin, Bor-Ren. 2018. "Series-Connected High Frequency Converters in a DC Microgrid System for DC Light Rail Transit" Energies 11, no. 2: 266. https://doi.org/10.3390/en11020266

APA Style

Lin, B.-R. (2018). Series-Connected High Frequency Converters in a DC Microgrid System for DC Light Rail Transit. Energies, 11(2), 266. https://doi.org/10.3390/en11020266

Note that from the first issue of 2016, this journal uses article numbers instead of page numbers. See further details here.

Article Metrics

Back to TopTop