Next Article in Journal
On a Roadmap for Future Industrial Nuclear Reactor Core Simulation in the U.K. to Support the Nuclear Renaissance
Previous Article in Journal
Consensus-Based SOC Balancing of Battery Energy Storage Systems in Wind Farm
 
 
Font Type:
Arial Georgia Verdana
Font Size:
Aa Aa Aa
Line Spacing:
Column Width:
Background:
Article

Performance and Exhaust Emission Optimization of a Dual Fuel Engine by Response Surface Methodology

by
Raj Kumar Kamaraj
1,*,
Jinu Gowthami Thankachi Raghuvaran
2,
Arul Franco Panimayam
2 and
Haiter Lenin Allasi
3,*
1
Department of Mechanical Engineering, Cape Institute of Technology, Levengipuram 627114, India
2
Department of Mechanical Engineering, University College of Engineering, Nagercoil 629004, India
3
Department of Mechanical Engineering, WOLLO University, KIoT, Kombolcha 208, Ethiopia
*
Authors to whom correspondence should be addressed.
Energies 2018, 11(12), 3508; https://doi.org/10.3390/en11123508
Submission received: 4 November 2018 / Revised: 5 December 2018 / Accepted: 11 December 2018 / Published: 16 December 2018

Abstract

:
A central composite face-centered design (CCFD) was employed to examine the optimal conditions for the compression ratio of the Sardine Fish Oil Methyl Ester (SFOME) blend to the Thermal cracked Cashew Shell Nut Liquid T-CSNL blend by simultaneously considering the brake thermal efficiency (BTE), the brake specific fuel consumption (BSFC), carbon monoxide (CO), hydrocarbon (HC), and nitrogen oxide (NOx) emissions as response variables. The experimental results obtained were analyzed with the help of Design Expert software, and output response predictions were fitted with a polynomial quadratic model of the second degree. The maximum overall desirability obtained for the entire model was 0.7506 with a compression ratio of 19.31 and blend ratios of 20% for SFOME and 15.72% for T-CSNL by volume proportion. Under optimum conditions, it was found that the predicted and experimental results were very similar, and it can be concluded that the quadratic model of second-order can precisely predict the performance and emission characteristics of engines.

1. Introduction

The demand for energy resources across the globe has been constantly increasing due to the exhaustion of fossil fuels and their environmental impacts. Stringent emission standards fixed by the government agencies have compelled researchers to find substitutions for fossil fuels to reduce environmental deterioration and to provide easily available renewable fuels for use in internal combustion engines [1]. In this regard, in order to protect the global environment, it has become essential to develop unconventional sources of fuel similar to conventional petroleum fuels. In addition, to reduce the consumption of petroleum fuels in whatever way, possible efforts are continuously being made throughout the world. The excess use of fossil fuel has led to the depletion of fossil resources [2]. This, in turn, has motivated researchers to research alternate, easily available, environmentally acceptable fuels.
Biodiesel, which can be used with blends in diesel engines, is one of the most promising alternative fuels, and among researchers; it is gaining more and more attention as an attractive fuel source due to the depleting nature of fossil fuel resources. The direct use of edible oils, non-edible oils, and oils from animal fat leads to meagre combustion high emissions, injector clogging, ring gluing, gum formation, lubricating oil thickening, and carbon deposits in the engine [3,4,5]. The high viscosity of these oils is largely responsible for the above-mentioned problems which can be decreased by transesterification, pyrolysis, emulsification, preheating, and blending with diesel.
Transesterification is the reaction between a triglyceride and alcohol in the existence of a catalyst, resulting in fatty acid esters and an alcohol [6]. The most commonly used alcohols for the production of biodiesels in transesterification reactions are methanol, ethanol, propanol, and butanol. However, the most frequently utilized alcohols are methanol and ethanol [7]. Some of the commonly used catalysts to increase the reaction rate are acids, bases, or enzymes. The raw materials used for biodiesel production include edible vegetable oils, such as linseed, soybean, hazelnut, rapeseed canola, and coconut oil; non-edible vegetable oils, such as pongamiapinnata, azadirachtaindica, Moringaoleifera, and Crotonmegalocarpus; and animal fats and cooking oil waste from food processing units, restaurants, or domestic kitchens [8]. In India, the cost of the raw oil used to produce biodiesels is an important factor in the price of biodiesel and determines the effectiveness of petroleum-products derived from crude oil. Moreover, the use of oil from edible oil-bearing plants to produce biodiesel in India is not feasible because of the large gap between demand and supply that restricts the use of edible oil as feedstock for biodiesel production [9]. In this context, the search for a non-edible feedstock as a cheap, environmentally friendly, and stable raw oil source has attracted great attention. Many researchers have put effort into minimizing the costs incurred during the production of oil feedstock, and hence, the exploration of new techniques to curtail the cost of biodiesels has attracted much interest in current research [10,11]. In this context the low cost, low value Thermally cracked Cashew Shell Nut Liquid (TCSNL) oil is considered an alternate fuel source. Over the past years, many experimental studies have been conducted on biodiesels extracted from cashew nut shells as an alternate form of diesel fuel. However, an assessment of the optimization of performance by blending Sardine Fish Oil Methyl Ester and Thermally cracked Cashew Shell Nut Liquid (SFOME + TCSNL) diesel blends through response surface methodology in diesel engines has not been studied at length. In general, researchers are interested in studying the performance and emission characteristics of CI engines by varying the compression ratios (CRs) for different diesel–biodiesel blends and by varying the loads [12,13]. Testing an engine under different possible operating conditions by varying the above-mentioned parameters (compression ratio, load, and blend percentage) is a tedious process in terms of both time and resources. In this context, engine testing may be carried out either by modelling the engine or by performing comprehensive tests. The conventional one-factor-at-a-time (OFAT) method, which involves the testing of multiple factors varies only one factor at a time and keeps the other factors constant. In this regard, effective and efficient statistically designed experiments (SDE) can be applied which vary several variables simultaneously while examining two or more variables. When compared with OFAT, SDE has several advantages, such as less resource requirements for the amount of information obtained and more precise estimates of the effects of each factor [14]. Hence, the main objective of the study is to investigate the engine performance and emission characteristics of a CI engine fueled with blends of diesel and SFOME by response surface methodology.
India is one of the largest cultivators and exporters of cashews (Anacardiumoccidentale). The cashew nut shell content in cashew fruit varies from 15–30% and annually, the oil extracted from cashew nutshells is about 169,938.03 tons in India. The major chemical ingredients in CSNL are 80.9% anacardic acid and 10–15% cardol, and a few polymeric substances, as reported by [15,16]. It has been reported in the literature that the direct usage of CSNL does not produce significant results regarding engine performance and emission characteristics due to its higher viscosity. To overcome this problem, researchers have attempted to blend CNSL with fuels with lower viscosity, such as ethanol and camphor oil [17,18]. In this context, the viscosity of the CSNL blend was significantly reduced when it was diluted with viscous fuels, resulting in improved performance and emission characteristics which were closer to those of diesel. In this regard, to reduce the viscosity further, an effort was made to thermally crack CSNL to reduce its viscosity, and an attempt was made to study the performance and emission characteristics by blending TCSNL with SFOME in different volume proportions in this study.

2. Experimental Setup and Methodology

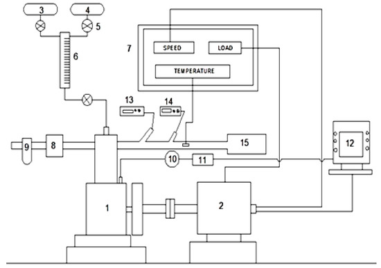
The engine test setup consisted of a single cylinder, air-cooled, vertical, and direct injection diesel engine coupled with a variable compression ratio, using an eddy current dynamometer as the loading system. It consisted of suitable facilities for conducting dual fuel experiments. The test engine consisted of different sensors integrated with a computerized data acquisition system to allow the online measurement of load, fuel and air flow rates, instantaneous cylinder pressure, injection pressure, crank angle position, exhaust emission, and smoke opacity. A schematic diagram of the experimental setup is shown in Figure 1, and the technical specifications of the test engine are presented in Table 1. A digital data acquisition system with a piezo electric pressure transducer was used to measure the engine cylinder pressure at every 1° of crank angle. The measured engine performance parameters included the brake power, brake thermal efficiency, brake specific fuel consumption, brake specific energy consumption, and exhaust gas temperature. The engine performance analysis was done by using a commercially available lab view software package. An exhaust gas analyzer and a smoke meter were used to analyze the exhaust emissions of the engine.

2.1. Thermal Cracking of CSNL (T-CSNL)

Pure CSNL was locally purchased from Chennai, Tamil Nadu, India. The T-CSNL was derived from CSNL at temperatures ranging between 150 and 400 °C under atmospheric pressure. A cracking reactor fitted with thermocouples to measure the temperature, and a water-cooled condenser was used to convert CSNL to T-CSNL. The thermal cracking of CSNL to T-CSNL was carried out within a temperature range of 150 to 400 °C under atmospheric conditions. CSNL was filled into the cracking reactor. An electric coil was used to heat the CSNL until the substrate reached the temperature range of 150–400 °C, and a temperature controller was used to maintain the range. Due to the rise in temperature, reactor vapour formed and was condensed in the condenser. The condensed T-CSNL was collected in the collector and stored in separate containers until further use. The important physicochemical properties of the thermally cracked CSNL were examined by using the standard method and are reported in Table 2.

2.2. Transesterification of Sardine fish oil to SFOME

The transesterification of sardine fish oil to fish oil methyl esters was carried out by varying the molar ratio, reaction time, and catalyst concentration at 65 °C using an ultrasonic bath. By changing these reaction parameters, the transesterification reaction process was completed. During the transesterification reaction, the optimum value of each parameter involved in the process was determined while the rest of them were kept constant. After each optimum value had been obtained, this value was kept constant during the optimization of the next parameter.
The important physicochemical properties of the fish oil methyl esters were examined by standard methods and are reported in Table 2. The details of the extraction, transesterification of SFO to SFOME, and optimization of the reaction parameters were published by the current authors elsewhere [19].

2.3. Experimental Design and Statistical Analysis

The variables influencing the performance of the CI engine were analyzed and studied by response surface methodology (RSM). A three-factor face centered CCFD comprising twenty design experimental runs which included six replicates at the centre point was employed in this study. The designed variables considered in this study were the compression ratio (A), SFOME (B), and T-CSNL(C), whereas the response variables were the brake thermal efficiency (BTE, y1, %), the brake specific fuel consumption (BSFC, y2, kg/kWh), CO (y3, %vol), hydrocarbon (HC, y4, ppm), and NOx (y5, ppm). Based on trial experiments and taking into account the operating ranges of the test engine, the operational ranges of the experiments were designed for optimization. The corresponding ranges of the experimental factors are shown in Table 3, and to avoid bias, the 20 designed and developed experimental runs were performed in a randomized order. Design expert software was used to analyze the experimental design. The experimental data were fitted to a polynomial model of second-order that was developed in a previous study and is shown in Equation (1)
Y =   ß 0 + i = 1 n   ß i   x i + i = 1 n ß i i   x 2 i   +   i = 1 n ß i j x i x j   +  
where Y is the response factor to be modelled and analyzed, ß represents the regression coefficient, xi and xj are the independent variables in coded levels, b0 is the coefficient of the model, n represents the number of factors (independent variables), and the error of the model is represented by ∈.

2.4. Desirability Method for Optimization of Multiple Responses

A desirability optimization approach was used for the simultaneous optimization of multiple quality characteristics. The desirability approach transforms each estimated response into a scale-free value called desirability (dj), and the desirability range varies between zero and one (0 ≤ dj ≤ 1). In the desirability optimization approach, if the desirability is dj = 0 (lowest desirable), then the output response (yj) is above the agreeable limit, and if the desirability is dj = 1 (most desirable), then the output response (yj) is at the goal. Thus, if the desirability of the related output response (yj) increases, the desirability (dj) also increases. To construct the desirability function (dj), the desirability optimization approach used five possible cases as ‘goals’: (a) ‘maximize’, (b) ‘minimize’, (c) ‘target’, (d) ‘in range’, and (e) ‘none’.
(a)
If the target value (Tj) is maximum, then the response (yj) is at its maximum value,
dj = 0 (if yj < Loj)
0 ≤ dj ≤ 1 (if LojyjTj)
dj = 1 (if yj > Tj)
where Loj is the lowest agreeable value for the response yj.
(b)
If the target value (Tj) is minimum, then response yj has its minimum value,
dj = 1 (if yj < Loj)
1 ≥ dj ≥ 0 (if Tjyjhj)
dj = 1 (if yj > hj)
where hj is the largest agreeable value for the response (yj).
(c)
If the target value (Tj) is the target, then the response (yj) is between Loj and hj,
dj = 0 (if yj < Loj)
0 ≤ dj ≤ 1 (if LojyjTj)
1 ≥ dj ≥ 0 (if Tjyjhj)
dj = 0 (if yj > hj).
(d)
If the target value (Tj) is in the range, then the desirability function (dj) may be considered for the determination of the overall desirability function (D), but it may not be taken into account during the determination of the total number of responses (k).
dj = 0 (if yj < Loj)
dj = 1 (if Lojyjhj)
dj = 0 (if yj > hj).
(e)
If the target value (Tj) is zero, then the response (yj) will not be taken into consideration for optimization.
The individual desirability function for the different responses taken into account is then integrated into a single function which gives the overall desirability of the combined different responses. The geometrical average of all individual desirability values (dj) is the overall desirability function and is given in Equation (2):
( d 1 ,   d 2   , d 3 ,   d 4 ,   . d k ,   ) 1 / k = j = 1 k ( d k ) 1 / k
where k represents the number of responses in the model; value is constant. The overall desirability also varies from the lower limit of zero to the upper limit of one, and D is zero if any of the responses to the model are not within the desirable range. If D is equal to one, the model is considered to be significant and ideal.

3. Results and Discussion

3.1. Statistical Analysis of the Performance and Emission Characteristics by RSM

RSM is a statistical tool that is used for the modelling and analysis of problems in which different responses are influenced by various variables. In the present work, p-tests of ANOVA results were used to check the fit and significance of the models developed for performance and emission characteristics. The p-test is the probability test of all of the coefficient terms in the predicted regression equations, and the coefficients of the estimates are presented in Table 4. Values of “Prob > F” less than 0.0500 indicate that the model is significant and fits the data well at a 95% confidence level. The significant terms in this model are shown in bold in Table 5. The quadratic equations developed from the model for the response variables indicated that an optimum value exists for a particular set of input variables. The results of the model showed that the predicted results were significant according to the significance test created by ANOVA.

3.2. Response Surface Plots of Brake Thermal Efficiency (BTE)

The brake thermal efficiency, which is a key indication of engine efficiency, is the energy input in the form of fuel energy that is converted into useful work. The contour surface plots and p-values of the model are shown in Figure 2 and Table 5. Figure 2 shows that the BTE increased with an increase in the SFOME blend and this increase in BTE may be attributed to the increased lubricity and oxygen content of the SFOME blend which leads to more complete combustion [13]. It was observed that a further increase in SFOME in the tested blend reversed the trend. Similar results were observed when the percentage of T-CSNL blend was increased. The maximum BTE was obtained with a compression ratio of 19.31 with 20% SFOME blend and 15.72% T-CSNL by volume proportion, as seen from the constant contour plots in Figure 2. After this point, the plots start decreasing continuously. The experimental investigations also showed that the BTE increased with increases in the blend proportions of both SFOME and T-CSNL. This result complies with previously reported studies [20]. The brake thermal efficiency increased with an increase in the CR up to a CR of 19, and then the BTE started to decrease. This may be due to the fact that there is incomplete combustion if the compression ratio goes beyond CR 19, resulting in an increase in compression work and more heat loss, and thus reducing the BTE of the engine [12].

3.3. Response Surface Plots of Brake Specific Fuel Consumption (BSFC)

The Brake Specific Fuel Consumption is the ratio between the quantity of fuel consumed by the engine to the power produced, and it is expressed in kilograms of fuel per kilowatt-hour. The BSFC is an important criterion in determining the performance and evaluating the fuel efficiency of an engine. Figure 3 shows that the BFSC increased when the methyl ester content of both SFOME and T-CSNL increased, whereas a decreasing trend in the BSFC was observed when the compression ratio was increased. BSFC decreased with a decrease in both the compression ratio and the blending ratio. The BSFC was minimal with a compression ratio 19.31 with 20% SFOME blend and 15.72% T-CSNL by volume proportion, as seen from the constant contour plots. This may be due to the higher density of SFOME–T-CSNL blends which results in an increased mass injection of fuel for the same volume at the same injection pressure which leads to a higher BSFC [20].

3.4. Response Surface Plots of Carbon Monoxide Emissions (CO)

CO is a toxic combustion product and in the presence of sufficient oxygen, CO is converted into CO2. The high temperatures prevailing in the combustion chamber, the insufficient amount of oxygen available at high engine speeds, the air–fuel ratio, the physical and chemical properties of the blend, and the shorter amount of time available for combustion lead to incomplete combustion resulting in higher co-emissions. The variation in CO production with compression ratio and the tested T-CSNL–SFOME diesel blends is shown in Figure 4. Figure 4 shows that at the design point, CO production is lower, and it increases with a decrease in the blending ratios of both SFOME and T-CSNL and with a decrease in the compression ratio. The figure also reveals that maximum level of CO emissions occurs at the design point and thereafter, CO emissions start decreasing. Moreover, as the compression ratio increases beyond the design point, the fuel consumption is declines, leading to a drop in CO [21].

3.5. Response Surface plots of Hydrocarbon (HC) Emissions

Misfire in a locally rich region or locally lean region in the combustion chamber is one of the important factors that results in HC emissions. The higher blend ratios of SFOME and T-CSNL considerably changed the fuel spray quality and fuel viscosity. Higher HC emissions occurred due to the delay in the ignition of fuel and the stagnation of fuel in the combustion chamber. The contour surface plots and ANOVA results are shown in Figure 5 and Table 5. The contour plots show that HC emissions tended to decrease when both the compression ratio and the blending ratio of SFOME and T-CSNL in the fuel decreased. The HC emissions were lower at the design point, and after that, they tended to increase. The results revealed complied with trends predicted by CI engine theory [22].

3.6. Response Contour Surface Plots for NOx Emissions

The contour surface plots and p-values for the NOx model are shown in Figure 6 and Table 5, respectively. From the figure, it is observed that at the design points mentioned above, a lesser amount of NOx emissions was released. A reduction of NOx emissions was observed with decreases in the compression ratio and blends of SFOME and T-CSNL, and it became minimal at the design point (15, 22.50) before increasing continuously. This reduction in NOx emissions may be due to the lesser amount of the SFOME–T-CSNL blend at reduced blending ratios. The variation in responses obtained in this study was similar to that obtained by the general theory of CI engines [23].

3.7. Optimization by the Desirability Approach and Validation of the Optimized Condition

To find the optimized conditions for maximum engine performance and minimum emission characteristics, the desirability function was used. The desirability function output was transformed into a free value called desirability and it varied from a lower limit of 0 to an upper limit of 1 (least to most desirable). The maximum overall desirability obtained for the entire model was 0.7506 with a compression ratio of 19.31, and a blend ratio of 20% SFOME and 15.72% T-CSNL by volume proportion. Regarding the performance parameters, BTE and BSFC, the set targets were the maximum and minimum, and the desirability functions obtained were 1 and 0.9614, which are presented in Table 6. In terms of the emission characteristics, CO, HC and NOx, the set goal was the minimum, and the desirability functions obtained were 1, 0.9798, and 1, respectively. The respective lower limit, an upper limit for the assessment of the model, and criteria chosen for the optimization of the model are shown in Table 6. Validations of the experiments (triplicate) were carried out under the optimized conditions obtained from the desirability function approach. The average experimental engine performance and emission characteristics were a BTE of 31.55%, a BSFC of 0.283 kg/kWh, 0.058 (% vol) CO, 71.74 ppm HC, and 850.53 ppm NOx. The experimental results were very close to the predicted results, and it can be concluded that the second-order quadratic model can precisely predict engine performance and the emission characteristics of gases.

4. Conclusions

In this study a central composite face-centered design (CCFD) was employed to examine the effects of the compression ratio (16–20%), SFOME blend (0–20%), and T-CSNL (0–20%) blend, whereas the measured responses were the brake thermal efficiency (BTE), the brake specific fuel consumption (BSFC) as well as the carbon monoxide (CO), hydrocarbon (HC), and nitrogen oxide (NOx) emissions. The experimental results showed that T-CSNL–SFOME diesel blends produce high engine performance with a reduced emission of gases (CO, NOx, and smoke) from the exhaust at higher loads and they are comparable to diesel fuel at low and medium loads. RSM-developed polynomial models of second models were developed from the experimental results. The optimal conditions were determined by desirability function methodology using Design Expert software with a compression ratio of 19.31 and blend ratios of 20% SFOME and 15.72% T-CSNL by volume proportion. Under optimum conditions, the experimental results were very close to the predicted results, and it can be concluded that the quadratic model of second-order can precisely predict engine performance and the emission characteristics of gases. The results from the experiments prove that SFOME and T-CSNL blends with diesel are potentially good substitutes for diesel fuel engines.

Author Contributions

R.K.K. contributed to the experiments and optimization of the research work, the analysis of the results, manuscript development, and the organization and presentation of the work. J.G.T.R. supervised the project with knowledge and experience. P.A.F. contributed to the Response Surface Methodology experiments, the parametric analysis, the results comparison, and the implementation of the research. H.L.A. peer-reviewed the manuscript. R.K.K. and H.L.A. responded to the revisions.

Funding

This research received no external funding.

Acknowledgments

The authors are grateful to Satya Cashew Chemicals Pvt Ltd. (Chennai, Tamil Nadu, India) and the CAPE Institute of Technology, Department of Mechanical Engineering for their precious co-operation and support.

Conflicts of Interest

The authors declare no conflict of interest.

Nomenclature

CCFDCentral Composite Face lefted Design
TCSNLThermally Cracked Cashew Shell Nut Liquid
CSNLCashew Shell Nut Liquid
SFOMESardine Fish Oil Methyl Ester
BTEBrake Thermal Efficiency
BSFCBrake Specific Fuel Consumption
COCarbon Monoxide
HCHydrocarbons
NOxNitrogen Oxides
RSMResponse Surface Method
OFATOne-Factor at A Time
SDEStatistically Designed Experiment
PPMParts Per Million
CRCompression Ratio
CNGCompressed Natural Gas
CICompression Ignition

References

  1. Zhang, Z.; Li, L. Investigation of In-Cylinder Steam Injection in a Turbocharged Diesel Engine for Waste Heat Recovery and NOx Emission Control. Energies 2018, 11, 936. [Google Scholar] [CrossRef]
  2. Lenin, A.H.; Thyagarajan, K. Performance evaluation of diesel engine fuelled with methyl ester of pongamia oil. Int. J. Energy Environ. 2012, 3, 939–948. [Google Scholar]
  3. Mohsin, R.; Majid, Z.A.; Shihnan, A.H.; Nasri, N.S.; Sharer, Z. Effect of biodiesel blends on engine performance and exhaust emission for diesel dual fuel engine. Energy Convers. Manag. 2014, 88, 821–828. [Google Scholar] [CrossRef]
  4. Tarabet, L.; Loubar, K.; Lounici, M.S.; Khiari, K.; Belmrabet, T.; Tazerout, M. Experimental investigation of DI diesel engine operating with eucalyptus biodiesel/natural gas under dual fuel mode. Fuel 2014, 133, 129–138. [Google Scholar] [CrossRef]
  5. Liaquat, A.M.; Masjuki, H.H.; Kalam, M.A.; Bhuiya, M.M.; Varman, M. Influence of coconut biodiesel and waste cooking oil blended fuels on engine performance and emission characteristics. In Proceedings of the ASME 2012 Internal Combustion Engine Division Fall Technical Conference, Vancouver, BC, Canada, 23–26 September 2012; pp. 169–176. [Google Scholar]
  6. Mercorelli, P.; Werner, N. A hybrid actuator modelling and hysteresis effect identification in camless internal combustion engines control. Int. J. Model. Identif. Control 2014, 21, 253–263. [Google Scholar] [CrossRef]
  7. Uprety, B.K.; Chaiwong, W.; Ewelike, C.; Rakshit, S.K. Biodieselproduction using heterogeneous catalysts including wood ash and the importance of enhancing byproduct glycerol purity. Energy Convers. Manag. 2016, 115, 191–199. [Google Scholar] [CrossRef]
  8. Mofijur, M.; Atabani, A.E.; Masjuki, H.H.; Kalam, M.A.; Masum, B.M. A study on the effects of promising edible and non-edible biodiesel feedstocks on engine performance and emissions production: A comparative evaluation. Renew. Sust. Energy Rev. 2013, 23, 391–404. [Google Scholar] [CrossRef]
  9. Franco Arul, P.; Shenbagavinayagamoorthi, N.; Gandhi, V.C. Performance and Emission Study of Sardine Fish Oil Biodiesel in a Diesel Engine. Oxid. Commun. 2014, 37, 802–816. [Google Scholar]
  10. Vinukumar, K.; Azhagurajan, A.; Vettivel, S.C.; Vedaraman, N.; Haiter Lenin, A. Biodiesel with nano additives from coconut shell for decreasing emissions in diesel engines. Fuel 2018, 222, 180–184. [Google Scholar] [CrossRef]
  11. Altosole, M.; Benvenuto, G.; Campora, U.; Laviola, M.; Trucco, A. Waste heat recovery from marine gasturbines and diesel engines. Energies 2017, 10, 718. [Google Scholar] [CrossRef]
  12. Senthilraja, R.; Siva Kumar, V.; Prakash Maran, J. Studies on dual fuel engine performance and exhaust emission analysis by response surface methodology. J. Renew. Sustain. Energy 2014, 6, 013103. [Google Scholar] [CrossRef]
  13. Godiganur, S.; Murthy, C.S.; Reddy, R.P. Performance and emission characteristics of a Kirloskar HA394 diesel engine operated on fish oil methyl esters. Renew. Energy 2010, 35, 355–359. [Google Scholar] [CrossRef]
  14. Czitrom, V. One-factor-at-a-time versus designed experiments. Am. Stat. 1999, 53, 126–131. [Google Scholar]
  15. Kasiraman, G.; Nagalingam, B.; Balakrishnan, M. Performance, emission and combustion improvements in a direct injection diesel engine using cashew nut shell oil as fuel with camphor oil blending. Energy 2012, 47, 116–124. [Google Scholar] [CrossRef]
  16. Patel, R.N.; Bandyopadhyay, S.; Ganesh, A. Extraction of cashew (Anacardiumoccidentale) nut shell liquid using supercritical carbon dioxide. Bioresour. Technol. 2006, 97, 847–853. [Google Scholar] [CrossRef] [PubMed]
  17. Saravanan, S.; Nagarajan, G.; Lakshmi NarayanaRao, G.; Sampath, S. Combustion characteristics of a stationary diesel engine fuelled with a blend of crude rice bran oil methyl ester and diesel. Energy 2010, 35, 94–100. [Google Scholar] [CrossRef]
  18. Panwar, N.L.; Shrirame, H.Y.; Rathore, N.S.; Jindal, S.; Kurchania, A.K. Performance evaluation of a diesel engine fueled with methyl ester of castor seed oil. Appl. Therm. Eng. 2010, 30, 245–249. [Google Scholar] [CrossRef]
  19. Shenbaga Vinayaga Moorthi, N.; Arul Franco, P.; Ramesh, K. Application of design of experiments and artificial neural network in optimization of ultrasonic energy-assisted transesterification of Sardinellalongiceps fish oil to biodiesel. J. Chin. Inst. Eng. 2015, 38, 731–741. [Google Scholar] [CrossRef]
  20. Dhingra, S.; Bhushan, G.; Dubey, K.K. Performance and emission parameters optimization of mahua (Madhucaindica) based biodiesel in direct injection diesel engine using response surface methodology. J. Renew. Sustain. Energy 2013, 5, 063117. [Google Scholar] [CrossRef]
  21. Xue, J.; Grift, T.E.; Hansen, A.C. Effect of biodiesel on engine performances and emissions. Renew. Sustain. Energy Rev. 2011, 15, 1098–1116. [Google Scholar] [CrossRef]
  22. Heywood, J.B. Internal Combustion Engine Fundamentals; McGraw Hill: New York, NY, USA, 1989. [Google Scholar]
  23. Stone, R. Introduction to Internal Combustion Engines; MacMillan: London, UK, 1992. [Google Scholar]
Figure 1. Schematic diagram of the experimental setup. 1. Diesel engine, 2. dynamometer, 3. diesel fuel tank, 4. T-CSNL–SFOME (Sardine Fish Oil Methyl Ester and Thermally cracked Cashew Shell Nut Liquid) blend tank, 5. fuel control Valve, 6. burette for fuel measurement, 7. control panel, 8. air stabilizing tank, 9. air filter, 10. charge amplifier, 11. indimeter, 12. computer data acquisition system, 13. gas analyzer, 14. smoke meter, 15. silencer.
Figure 1. Schematic diagram of the experimental setup. 1. Diesel engine, 2. dynamometer, 3. diesel fuel tank, 4. T-CSNL–SFOME (Sardine Fish Oil Methyl Ester and Thermally cracked Cashew Shell Nut Liquid) blend tank, 5. fuel control Valve, 6. burette for fuel measurement, 7. control panel, 8. air stabilizing tank, 9. air filter, 10. charge amplifier, 11. indimeter, 12. computer data acquisition system, 13. gas analyzer, 14. smoke meter, 15. silencer.
Energies 11 03508 g001
Figure 2. Response Surface Plots of the Brake Thermal Efficiency.
Figure 2. Response Surface Plots of the Brake Thermal Efficiency.
Energies 11 03508 g002
Figure 3. Response Surface Plots of Brake Specific Fuel Consumption (BSFC).
Figure 3. Response Surface Plots of Brake Specific Fuel Consumption (BSFC).
Energies 11 03508 g003
Figure 4. Response Surface plots of Carbon monoxide (CO) emissions.
Figure 4. Response Surface plots of Carbon monoxide (CO) emissions.
Energies 11 03508 g004
Figure 5. Response Surface plots of hydrocarbon (HC) emissions.
Figure 5. Response Surface plots of hydrocarbon (HC) emissions.
Energies 11 03508 g005
Figure 6. Response Surface plots of NOx emissions.
Figure 6. Response Surface plots of NOx emissions.
Energies 11 03508 g006
Table 1. The technical specifications of the test engine.
Table 1. The technical specifications of the test engine.
DescriptionType
Make and modelKirloskar SV1
General detailsFour stroke, water cooled, direct injection, single cylinder
Rated power5.9 KW
Rated speed1800 rpm
Loading typeEddy current loading
Bore87.5 mm
Stroke110 mm
Compression ratio17.5:1
Injection timing23° BTDC
Injection pressure220 kgf/cm2
Table 2. The physicochemical properties of the thermally cracked CSNL.
Table 2. The physicochemical properties of the thermally cracked CSNL.
PropertyUnitTCSNLSFOME
Density(kg/m3 @ 15 °C)889.4930
Kinematic viscosity(cSt @ 40 °C)5.144.6
Pour point°CBelow −12Below 2
Calorific value(MJ/Kg)42.0442.17
Flash point°C41165
Fire point°C47176
Table 3. Independent variables and levels used for the three-factor face centered CCD (CCFCD).
Table 3. Independent variables and levels used for the three-factor face centered CCD (CCFCD).
VariablesSymbolsLevels
−10+1
Compression ratioX1161820
SFOMEX2101520
TC-CSNLX3101520
Table 4. CCFCD arrangement and responses of performance and emission characteristics.
Table 4. CCFCD arrangement and responses of performance and emission characteristics.
StdRunCompression Ratio X1SFOMEX 2T-CSNLX 3BTE %BSFC (kg/kW/h)CO %volHC ppmNOx ppm
11118101531.870.2860.06371817
15218151532.130.2850.06471835
10320151531.740.2810.05775919
4420201031.40.2790.05674925
1516101030.50.2920.06271825
3616201029.60.2950.06369848
9716151530.320.2960.05870920
13818151032.20.2840.06473891
16918151532.40.2860.06471840
61020102031.80.2770.05775943
141118152031.50.2830.06372903
212201010320.2760.05876897
191318151532.210.2860.06371840
121418201531.10.2870.06270851
201518151532.30.2860.06271840
516161020300.2970.0668925
181718151532.30.2870.06471840
81820202031.350.280.05574901
171918151532.30.2860.06371840
72016202029.70.3010.0669860
Table 5. p-Values and coefficients of estimation of response models predicted by the analysis of variance.
Table 5. p-Values and coefficients of estimation of response models predicted by the analysis of variance.
BTE %BSFC (kg/kW/h)CO %volHC ppmNOx Ppm
Coefficientp-ValueCoefficientp-ValueCoefficientp-ValueCoefficientp-ValueCoefficientp-Value
SourceEstimateProb > FEstimateProb > FEstimateProb > FEstimateProb > FEstimateProb > F
Model32.13<0.00010.29<0.00010.063<0.000171.22<0.0001851.050.0069
A-Compression Ratio0.82<0.0001–8.80 × 10−3<0.0001–2.00 × 10−30.00012.7<0.000120.70.0167
B-SFOME–0.30.00371.40 × 10−30.0055–4.00 × 10−40.2586–0.50.0026–2.20.7666
C-TCSNL–0.140.12361.20 × 10−30.0129–8.00 × 10−40.0376–0.50.002614.60.0705
AB0.0190.8387–1.25 × 10−40.7840–6.25 × 10−40.1251–0.250.10583.50.6735
AC0.0190.8387–1.13 × 10−30.02973.75 × 10−40.33890.250.1058–11.250.1932
BC0.0940.32091.25 × 10−40.7840–1.25 × 10−40.74470.50.0052–19.750.0343
A2–0.890.00022.73 × 10−30.0048–5.09 × 10−3<0.00010.950.002650.640.0042
B2–0.430.01787.27 × 10−40.3595–9.09 × 10−50.8893–1.050.0014–34.860.0296
C2–0.0690.6635–2.27 × 10−30.01339.09 × 10−40.18390.950.002628.140.0680
Table 6. Model assessment and criteria for optimization.
Table 6. Model assessment and criteria for optimization.
SourceBTE %BSFC (kg/kW/h)CO %volHC ppmNOx ppm
Std. Dev.0.251.26 × 10−31.06 × 10−30.422.81
Mean31.440.290.06171.65873
C.V. %0.810.441.730.562.61
R-Squared0.96040.98180.93510.98250.8312
Adj R-Squared0.92470.96540.87670.96680.6794
Pred R-Squared0.77660.87190.64840.81710.0126
Adeq Precision14.78925.78912.79828.0917.656
Degree of the modelQuadraticQuadraticQuadraticQuadraticQuadratic
Criteria for Optimization
Lower limit, Lj29.6%0.276 (kg/kW h)0.055 %vol68817
Upper limit, Lj32.4%0.301 (kg/kW h)0.064 %vol76943
Desirability, dj10.961410.97981
GoalMaximizeMinimizeMinimizeMinimizeMinimize

Share and Cite

MDPI and ACS Style

Kamaraj, R.K.; Gowthami Thankachi Raghuvaran, J.; Panimayam, A.F.; Allasi, H.L. Performance and Exhaust Emission Optimization of a Dual Fuel Engine by Response Surface Methodology. Energies 2018, 11, 3508. https://doi.org/10.3390/en11123508

AMA Style

Kamaraj RK, Gowthami Thankachi Raghuvaran J, Panimayam AF, Allasi HL. Performance and Exhaust Emission Optimization of a Dual Fuel Engine by Response Surface Methodology. Energies. 2018; 11(12):3508. https://doi.org/10.3390/en11123508

Chicago/Turabian Style

Kamaraj, Raj Kumar, Jinu Gowthami Thankachi Raghuvaran, Arul Franco Panimayam, and Haiter Lenin Allasi. 2018. "Performance and Exhaust Emission Optimization of a Dual Fuel Engine by Response Surface Methodology" Energies 11, no. 12: 3508. https://doi.org/10.3390/en11123508

APA Style

Kamaraj, R. K., Gowthami Thankachi Raghuvaran, J., Panimayam, A. F., & Allasi, H. L. (2018). Performance and Exhaust Emission Optimization of a Dual Fuel Engine by Response Surface Methodology. Energies, 11(12), 3508. https://doi.org/10.3390/en11123508

Note that from the first issue of 2016, this journal uses article numbers instead of page numbers. See further details here.

Article Metrics

Back to TopTop