Impedance Modeling and Stability Analysis for Cascade System of Three-Phase PWM Rectifier and LLC Resonant Converter
Abstract
1. Introduction
2. The Stability Criterion of Three-Phase Balanced Voltage PWM Rectifier and LLC Resonant Converter Cascade System
3. Output Impedance Modeling of Three-Phase Balanced PWM Rectifier
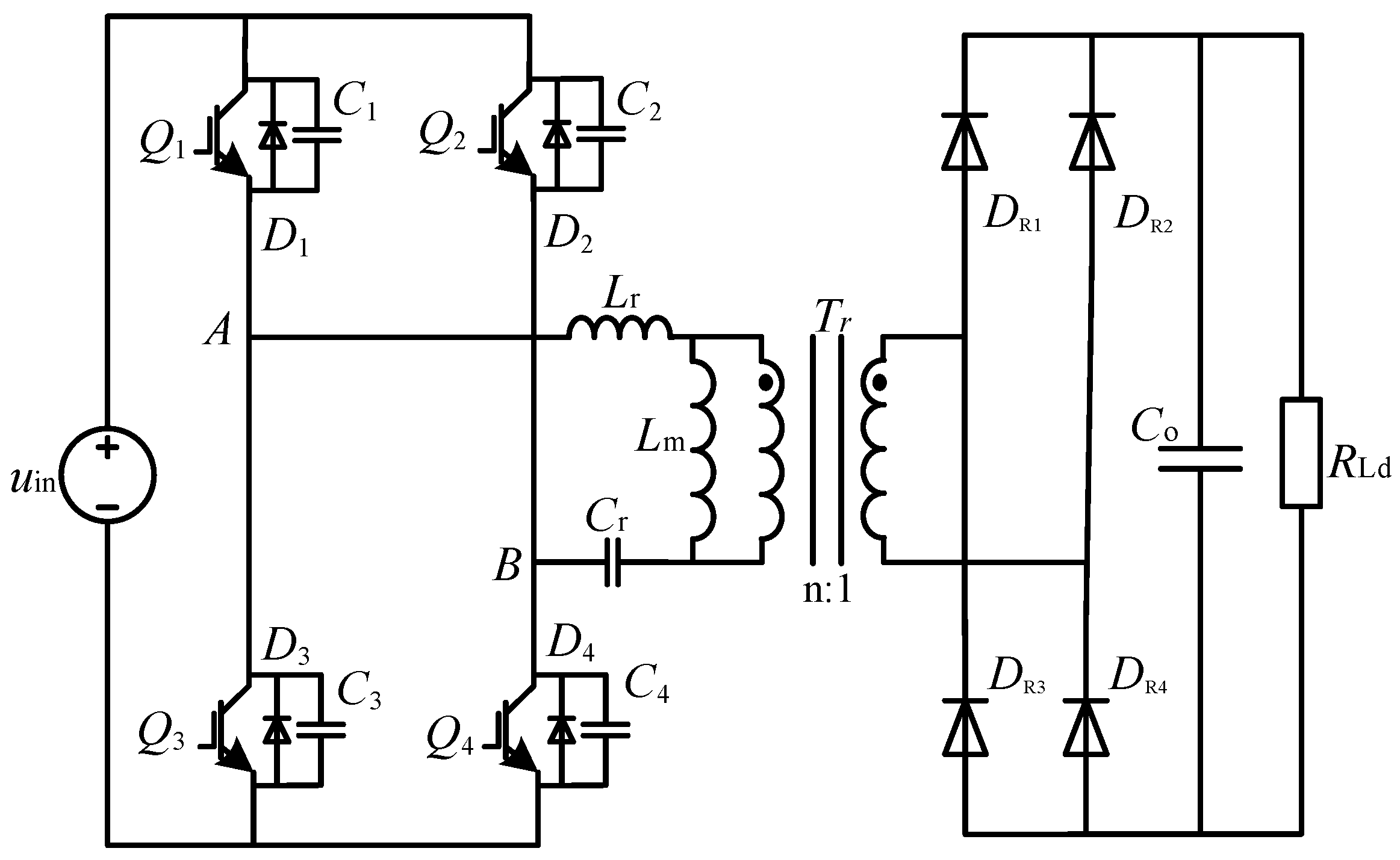
4. Modeling of Input Impedance of LLC Resonant Converter
5. Simulation Verification and Stability Analysis of Cascade System
5.1. Simulation Verification and Stability Analysis of PWM Rectifier
5.2. Simulation Verification and Stability Analysis of LLC Resonant Converter
5.3. Simulation Verification and Stability Analysis of Cascaded System
6. Conclusions
Author Contributions
Funding
Conflicts of Interest
References
- Yang, D.; Ruan, X.; Wu, H. Impedance Shaping of the Grid-Connected Inverter with LCL Filter to Improve Its Adaptability to the Weak Grid Condition. IEEE Trans. Power Electron. 2014, 29, 5795–5805. [Google Scholar] [CrossRef]
- Miceli, R.; Schettino, G.; Viola, F. A Novel Computational Approach for Harmonic Mitigation in PV Systems with Single-Phase Five-Level CHBMI. Energies 2018, 11, 2100. [Google Scholar] [CrossRef]
- Cespedes, M.; Sun, J. Impedance Modeling and Analysis of Grid-Connected Voltage-Source Converters. IEEE Trans. Power Electron. 2013, 29, 1254–1261. [Google Scholar] [CrossRef]
- Céspedes, M.; Sun, J. Impedance shaping of three-phase grid-parallel voltage-source converters. In Proceedings of the 2012 Twenty-Seventh Annual IEEE Applied Power Electronics Conference and Exposition, Orlando, FL, USA, 5–9 February 2012; pp. 754–760. [Google Scholar]
- Sun, J. Impedance-Based Stability Criterion for Grid-Connected Inverters. IEEE Trans. Power Electron. 2011, 26, 3075–3078. [Google Scholar] [CrossRef]
- Sun, J.; Karimi, K.J. Small-signal input impedance modeling of line-frequency rectifiers. IEEE Trans. Aerosp. Electron. Syst. 2008, 44, 1489–1497. [Google Scholar] [CrossRef]
- Wang, X.; Blaabjerg, F.; Wu, W. Modeling and Analysis of Harmonic Stability in an AC Power-Electronics-Based Power System. IEEE Trans. Power Electron. 2014, 29, 6421–6432. [Google Scholar] [CrossRef]
- Huang, X.; Chang, D.; Ling, C.; Zheng, T.Q. Research on Single-Phase PWM Converter with Reverse Conducting IGBT Based on Loss Threshold Desaturation Control. Energies 2017, 10, 1845. [Google Scholar] [CrossRef]
- Liu, C.; Liu, H.; Cai, G.; Cui, S.; Liu, H.; Yao, H. Novel Hybrid LLC Resonant and DAB Linear DC–DC Converter: Average Model and Experimental Verification. IEEE Trans. Ind. Electron. 2017, 64, 6970–6978. [Google Scholar] [CrossRef]
- Mobarrez, M.; Ghanbari, N.; Bhattacharya, S. Control Hardware-in-the-Loop Demonstration of a Building-Scale DC Microgrid Utilizing Distributed Control Algorithm. In Proceedings of the IEEE PES General Meeting, Portland, OR, USA, 5–9 August 2018. [Google Scholar]
- Zhang, X.; Ruan, X.; Chi, K.T. Impedance-Based Local Stability Criterion for DC Distributed Power Systems. IEEE Trans. Circuits Syst. I 2015, 62, 916–925. [Google Scholar] [CrossRef]
- Middlebrook, R.D. Input Filter Considerations in design and application of switching regulators. In Proceedings of the IEEE Industry Applications Society Annual Meeting, Chicago, IL, USA, 11–14 October 1974. [Google Scholar]
- Jang, J.; Pidaparthy, S.K.; Choi, B. Current Mode Control for LLC Series Resonant DC-to-DC Converters. Energies 2015, 8, 6098–6113. [Google Scholar] [CrossRef]
- Blaabjerg, F.; Teodorescu, R.; Liserre, M.; Timbus, A.V. Overview of Control and Grid Synchronization for Distributed Power Generation Systems. IEEE Trans. Ind. Electron. 2006, 53, 1398–1409. [Google Scholar] [CrossRef]
- Yoon, C.; Bai, H.; Beres, R.N.; Wang, X.; Bak, C.L.; Blaabjerg, F. Harmonic Stability Assessment for Multiparalleled, Grid-Connected Inverters. IEEE Trans. Sustain. Energy 2016, 7, 1388–1397. [Google Scholar] [CrossRef]
- Rygg, A.; Molinas, M.; Zhang, C.; Cai, X. A Modified Sequence-Domain Impedance Definition and Its Equivalence to the dq-Domain Impedance Definition for the Stability Analysis of AC Power Electronic Systems. IEEE J. Emerg. Sel. Top. Power Electron. 2016, 4, 1383–1396. [Google Scholar] [CrossRef]
- Lin, R.L.; Lin, C.W. Design criteria for resonant tank of LLC DC-DC resonant converter. In Proceedings of the 36th Annual Conference on IEEE Industrial Electronics Society (IECON 2010), Glendale, AZ, USA, 7–10 November 2010; pp. 427–432. [Google Scholar]
- Tian, S.; Lee, F.C.; Li, Q.; Li, B. Small-signal equivalent circuit model of series resonant converter. In Proceedings of the 2015 IEEE Energy Conversion Congress and Exposition (ECCE), Montreal, QC, Canada, 20–24 September 2015; pp. 172–179. [Google Scholar]
- Sun, J.; Liu, H. Impedance modeling and analysis of modular multilevel converters. In Proceedings of the 2016 IEEE 17th Workshop on Control and Modeling for Power Electronics (COMPEL), Trondheim, Norway, 27–30 June 2016; pp. 1–9. [Google Scholar]
- Wildrick, C.M.; Lee, F.C.; Cho, B.H.; Choi, B. A method of defining the load impedance specification for a stable distributed power system. IEEE Trans. Power Electron. 1995, 10, 280–285. [Google Scholar] [CrossRef]


















| Parameters | Value |
|---|---|
| AC line voltage | 100 V |
| DC voltage | 200 V |
| AC inductance | 1.8 mH |
| DC capacitance | 2200 uF |
| Resistance of load | 36 Ω |
| Voltage outer loop parameters (proportion) | 0.75 |
| Voltage outer loop control parameters (integral) | 50 |
| Current inner loop control parameters (proportion) | 10 |
| Current inner loop control parameters (integral) | 400 |
| Parameters | Symbol | Value |
|---|---|---|
| LLC switching frequency | fs | 40 k |
| Transformer turn ratio | n | 1 |
| Transformer excitation inductance | Lm | 1 m |
| Transformer leakage inductance | Lr | 30.7 u |
| Resonant capacitance | Cr | 0.33 u |
| Output filter capacitance | Co | 500 u |
© 2018 by the authors. Licensee MDPI, Basel, Switzerland. This article is an open access article distributed under the terms and conditions of the Creative Commons Attribution (CC BY) license (http://creativecommons.org/licenses/by/4.0/).
Share and Cite
Wang, R.; Wu, Y.; He, G.; Lv, Y.; Du, J.; Li, Y. Impedance Modeling and Stability Analysis for Cascade System of Three-Phase PWM Rectifier and LLC Resonant Converter. Energies 2018, 11, 3050. https://doi.org/10.3390/en11113050
Wang R, Wu Y, He G, Lv Y, Du J, Li Y. Impedance Modeling and Stability Analysis for Cascade System of Three-Phase PWM Rectifier and LLC Resonant Converter. Energies. 2018; 11(11):3050. https://doi.org/10.3390/en11113050
Chicago/Turabian StyleWang, Rutian, Yuyang Wu, Guoqing He, Ying Lv, Jiaxing Du, and Yanhao Li. 2018. "Impedance Modeling and Stability Analysis for Cascade System of Three-Phase PWM Rectifier and LLC Resonant Converter" Energies 11, no. 11: 3050. https://doi.org/10.3390/en11113050
APA StyleWang, R., Wu, Y., He, G., Lv, Y., Du, J., & Li, Y. (2018). Impedance Modeling and Stability Analysis for Cascade System of Three-Phase PWM Rectifier and LLC Resonant Converter. Energies, 11(11), 3050. https://doi.org/10.3390/en11113050
