Coordinated Control of Multiple Virtual Synchronous Generators in Mitigating Power Oscillation
Abstract
1. Introduction
2. Coordinated Parameters Optimization of Multiple VSGs for Small-Signal Stability Improvement
2.1. The Mechanism of Low-Frequency Oscillations Caused by VSGs and SMs
2.2. Parameter Design Method for Multiple VSG in Improving Small-Signal Stability of System
3. Improved Coordinate-Adaptive J/D Control Strategy of Multiple VSGs in Mitigating OSC
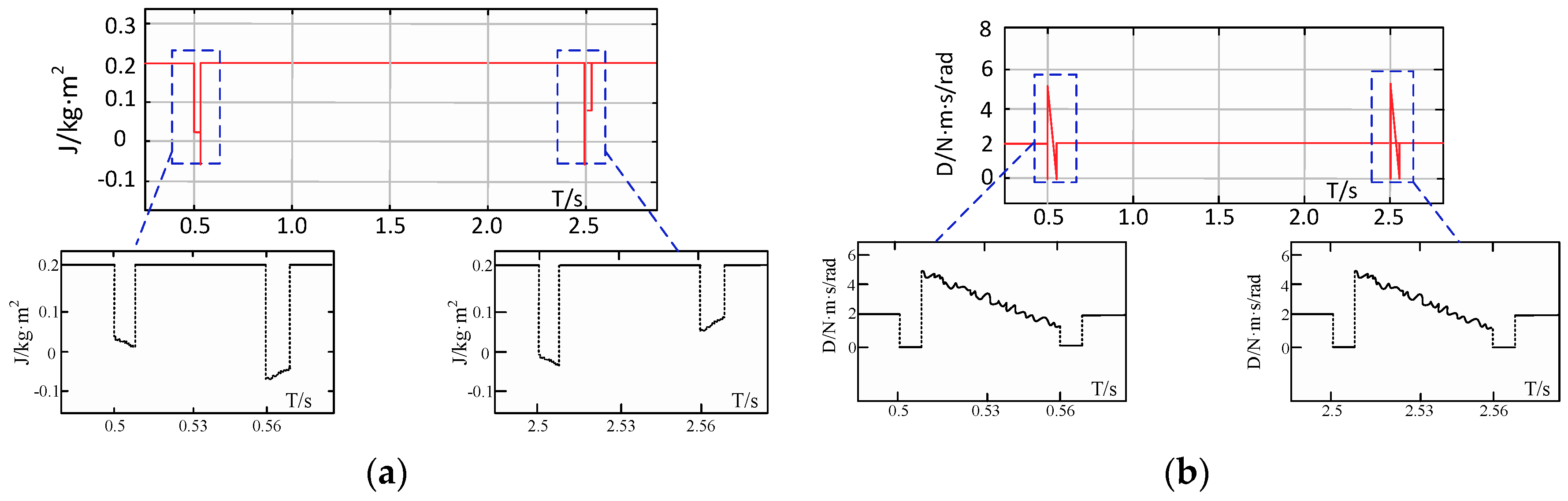
3.1. The Mechanism of Improved Bang-Bang Control Strategy in Improving the Transient Stability of a System
3.2. Parameter Design Method for Multiple VSG Corresponding to Oscillation Cycle
- (a)
- Measure the bus disturbances. If , go to Step (b);
- (b)
- Set the J/D value to satisfy the first-period requirement in Equation (21), while estimating the final state of the system by utilizing Equations (25) and (26) and equality constraint;
- (c)
- Transit J/D to the values in Equation (22) at time ; meanwhile, calculate and ;
- (d)
- At time , let the J/D value satisfy Equation (23) and return to their rate values.
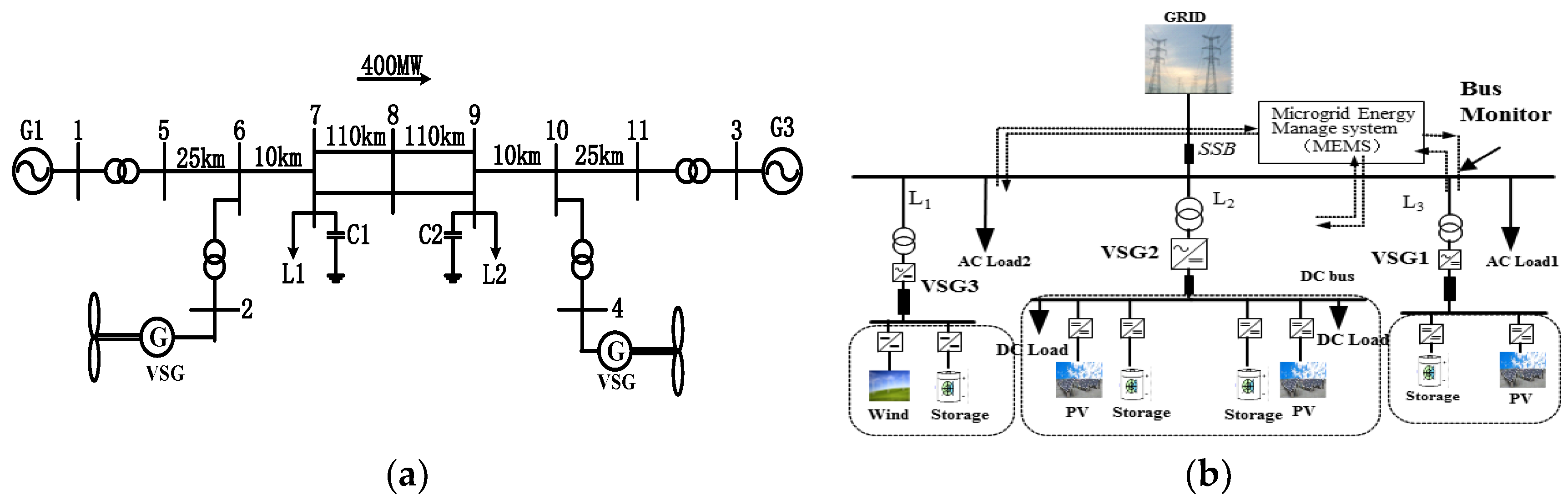
4. Case Study
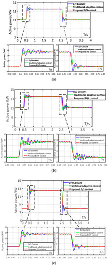
4.1. Case 1 Study
4.2. Case 2 Study
5. Conclusions
Author Contributions
Funding
Conflicts of Interest
Nomenclature
| Subscript | integer index = {1, 2, 3, ……}. |
| Subscript | presents the synchronous machine (SM). |
| Subscript , DG | presents the distribution generation (DG). |
| , | the voltage at bus 1 and bus 2 respectively. |
| impedance between bus 1 and bus 2. | |
| , | the electromagnetic power and supply power of SM. |
| , | operational and rated rotor angular velocity. |
| , , | virtual inertia, damping coefficient, and droop coefficient of VSG. |
| symmetric matrix of linear matrix inequality (LMI) variables. | |
| a typical convex hull function which meets , . | |
| , | designer specified scalar values shown in Figure 3. |
| , , , | the state, input variable and constant matrices of the system. |
| , , | the required phase margin, cut-off frequency and max droop of VSG. |
| , , | the damping ratio threshold and response time-span of the system, . |
| , | the real and imaginary parts of an element in nodal admittance matrix. |
| , | the net active and reactive power at node i. |
References
- Kozlova, M. Real option valuation in renewable energy literature: Research focus, trends and design. Renew. Sustain. Energy Rev. 2017, 80, 180–196. [Google Scholar] [CrossRef]
- Miller, N.; Loutan, C.; Shao, M.; Clark, K. Emergency response: US system frequency with high wind penetration. IEEE Power Energy Mag. 2013, 6, 63–71. [Google Scholar] [CrossRef]
- Collins, S.; Deane, J.P.; Poncelet, K.; Panos, E.; Pietzcker, R.C. Integrating short term variations of the power system into integrated energy system models: A methodological review. Renew. Sustain. Energy Rev. 2017, 76, 839–856. [Google Scholar] [CrossRef]
- Zhong, Q.C.; Hornik, T. Synchronverters: Grid-friendly inverters that mimic synchronous generators. IEEE Trans. Ind. Electron. 2011, 58, 1259–1267. [Google Scholar] [CrossRef]
- Karimi-Ghartemani, M.; Khajehoddin, S.A.; Piya, P.; Ebrahimi, M. Universal controller for three-phase inverters in a microgrid. IEEE J. Emerg. Sel. Top. Power Electron. 2016, 4, 1342–1353. [Google Scholar] [CrossRef]
- Shintai, T.; Miura, Y.; Ise, T. Oscillation damping of a distributed generator using a virtual synchronous generator. IEEE Trans. Power Deliv. 2014, 29, 668–676. [Google Scholar] [CrossRef]
- Guan, M.; Pan, W.; Zhang, J.; Hao, Q.; Cheng, J. Synchronous generator emulation control strategy for voltage source converter (vsc) stations. IEEE Trans. Power Syst. 2015, 30, 3093–3101. [Google Scholar] [CrossRef]
- Xi, X.; Geng, H.; Yang, G. Small signal stability of weak power system integrated with inertia tuned large scale wind farm. In Proceedings of the IEEE PES Innovative Smart Grid Technologies (ISGT), Washington, DC, USA, 19–22 February 2014; pp. 514–518. [Google Scholar]
- Eftekharnejad, S.; Vittal, V.; Heydt, G.T.; Keel, B.; Loehr, J. Impact of increased penetration of photovoltaic generation on power systems. IEEE Trans. Power Syst. 2013, 28, 893–901. [Google Scholar] [CrossRef]
- Gautam, D.; Vittal, V.; Harbour, T. Impact of increased penetration of DFIG-based wind turbine generators on transient and small signal stability of power systems. IEEE Trans. Power Syst. 2009, 24, 1426–1434. [Google Scholar] [CrossRef]
- Quintero, J.; Vittal, V.; Heydt, G.T.; Zhang, H. The impact of increased penetration of converter control-based generators on power system modes of oscillation. IEEE Trans. Power Syst. 2015, 29, 2248–2256. [Google Scholar] [CrossRef]
- Ma, J.; Qiu, Y.; Li, Y.; Zhang, W.; Song, Z. Research on the impact of dfig virtual inertia control on power system small-signal stability considering the phase-locked loop. IEEE Trans. Power Syst. 2017, 32, 2094–2105. [Google Scholar] [CrossRef]
- Torres L., M.A.; Lopes, L.A.C.; Morán T., L.A.; Espinoza C., J.R. Self-tuning virtual synchronous machine: A control strategy for energy storage systems to support dynamic frequency control. IEEE Trans. Energy Convers. 2014, 29, 833–840. [Google Scholar] [CrossRef]
- Alipoor, J.; Miura, Y.; Ise, T. Power system stabilization using virtual synchronous generator with alternating moment of inertia. IEEE J. Emerg. Sel. Top. Power Electron. 2015, 3, 451–458. [Google Scholar] [CrossRef]
- Li, D.; Zhu, Q.; Lin, S.; Bian, X.Y. A self-adaptive inertia and damping combination control of vsg to support frequency stability. IEEE Trans. Energy Convers. 2017, 32, 397–398. [Google Scholar] [CrossRef]
- Rogers, G. Power System Oscillations; Kluwer Academic Publishers: Norwell, MA, USA, 2000. [Google Scholar]
- Chilali, M.; Gahinet, P. H∞ design with pole placement constraints: A LMI approach. IEEE Trans. Autom. Control 1996, 4, 358–367. [Google Scholar] [CrossRef]
- Smirnov, G.V. Introduction to the theory of differential inclusions. Am. Math. Soc. 2002, 255, 114–139. [Google Scholar]
- Hu, T.; Lin, Z. Properties of the composite quadratic Lyapunov functions. IEEE Trans. Autom. Control 2004, 49, 1162–1167. [Google Scholar] [CrossRef]
- Pham, H.; Jung, H.; Hu, T. State-space approach to modeling and ripple reduction in ac–dc converters. IEEE Trans. Control Syst. Technol. 2013, 21, 1949–1955. [Google Scholar] [CrossRef]
- Wu, H.; Ruan, X.; Yang, D.; Chen, X.; Zhao, W. Small-signal modeling and parameters design for virtual synchronous generators. IEEE Trans. Ind. Electron. 2016, 63, 4292–4303. [Google Scholar] [CrossRef]
- Hassibi, A.; How, J.; Boyd, S. A path-following method for solving BMI problems in control. In Proceedings of the American Control Conference, Anchorage, AK, USA, 8–10 May 2002; Volume 2, pp. 1385–1389. [Google Scholar]
- Sauer, P.W.; Pai, M.A. Power System Dynamics and Stability; Prentice-Hall: Englewood Cliffs, NJ, USA, 1998. [Google Scholar]
- Pogaku, N.; Prodanovic, M.; Green, T.C. Modeling, analysis and testing of autonomous operation of an inverter-based microgrid. IEEE Trans. Power Electron. 2007, 22, 613–625. [Google Scholar] [CrossRef]
- Bevrani, H.; Watanabe, M.; Mitani, Y. Power System Monitoring and Control; John Wiley & Sons: Hoboken, NJ, USA, 2014. [Google Scholar]














| Controller Constraints of VSG | |
| 45°, 8.5/12.3 Hz, 30 N·m/rad | |
| , DC Voltage, DC Capacitor | 20 kg/m2, 1150 V, 10,000 μF |
| Control parameters of VSG at bus 2 and 4 | |
| VSG at Bus 2: virtual, inertia/damping | 11.571 kg/m2, 11.773 N·m/rad |
| VSG at Bus 4: virtual, inertia/damping | 12.418 kg/m2, 10.89 N·m/rad |
| Main Network System | |
| Inertia/damping/DC voltage/Droop coefficient/Virtual impedance of VSG | 0.2 kg/m2, 2·N m/rad, 700 V, 100 kW/Hz, j2Ω |
| Equivalent power source | 10.5 kV, 50 Hz |
| AC Load 1/AC Load 3, DC Load1/DC Load2 | (8 + j2) kVA, (11 + j2) kVA, 6 kW/5 kW |
| Transmission Line | j0.347 Ω/km, L1 = 15 km, L2 = 10 km, L3 = 20 km |
| Virtual Synchronous Generator Parameters | |
| VSG1: PV generation/Storage | 12 kW, 10 kW |
| VSG2: PV generation/Storage, PV generation/Storage | 8 kW/4 kW, 6 kW/4 kW |
| VSG 3: Wind power/Storage | 14 kW/8 kW |
© 2018 by the authors. Licensee MDPI, Basel, Switzerland. This article is an open access article distributed under the terms and conditions of the Creative Commons Attribution (CC BY) license (http://creativecommons.org/licenses/by/4.0/).
Share and Cite
Hu, P.; Chen, H.; Cao, K.; Hu, Y.; Kai, D.; Chen, L.; Wang, Y. Coordinated Control of Multiple Virtual Synchronous Generators in Mitigating Power Oscillation. Energies 2018, 11, 2788. https://doi.org/10.3390/en11102788
Hu P, Chen H, Cao K, Hu Y, Kai D, Chen L, Wang Y. Coordinated Control of Multiple Virtual Synchronous Generators in Mitigating Power Oscillation. Energies. 2018; 11(10):2788. https://doi.org/10.3390/en11102788
Chicago/Turabian StyleHu, Pan, Hongkun Chen, Kan Cao, Yuchuan Hu, Ding Kai, Lei Chen, and Yi Wang. 2018. "Coordinated Control of Multiple Virtual Synchronous Generators in Mitigating Power Oscillation" Energies 11, no. 10: 2788. https://doi.org/10.3390/en11102788
APA StyleHu, P., Chen, H., Cao, K., Hu, Y., Kai, D., Chen, L., & Wang, Y. (2018). Coordinated Control of Multiple Virtual Synchronous Generators in Mitigating Power Oscillation. Energies, 11(10), 2788. https://doi.org/10.3390/en11102788

