A Blended SPS-ESPS Control DAB-IBDC Converter for a Standalone Solar Power System
Abstract
:1. Introduction
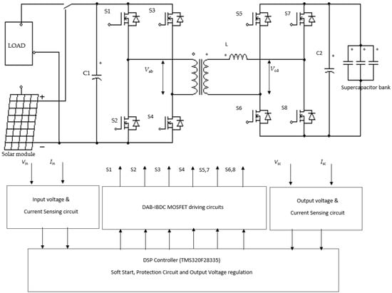
2. DAB-IBDC Converter Circuit
Steady State Analysis
3. Experiments
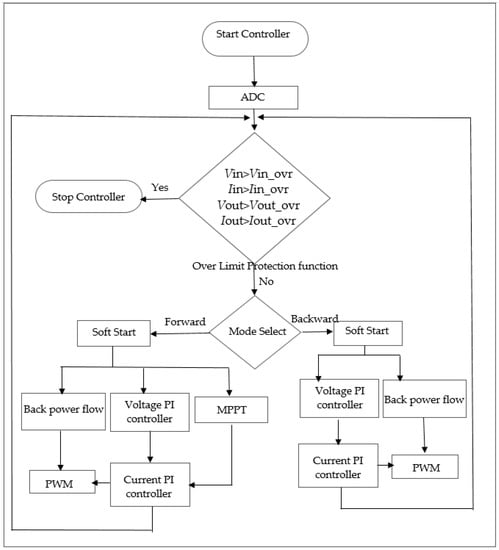
Digital Control System
4. Results and Discussion
5. Conclusions
Acknowledgments
Author Contributions
Conflicts of Interest
References
- Romano, R.; Siano, P.; Acone, M.; Loia, V. Combined operation of electrical loads, Air conditioning and Photovoltaic Battery Systems in smart houses. Appl. Sci. 2017, 7, 525. [Google Scholar] [CrossRef]
- Khan, M.A.; Ko, B.; Alois Nyari, E.; Park, S.E.; Kim, H.-J. Performance Evaluation of Photovoltaic Solar System with Different Cooling Methods and a Bi-Reflector PV System (BRPVS): An Experimental Study and Comparative Analysis. Energies 2017, 10, 826. [Google Scholar] [CrossRef]
- Daowd, M.; Antoine, M.; Omar, N.; Lataire, P.; van den Bossche, P.; van Mierlo, J. Battery management system—Balancing modularization based on a single switched capacitor and bi-directional DC/DC converter with the auxiliary battery. Energies 2014, 7, 2897–2937. [Google Scholar] [CrossRef]
- Xiang, C.; Wang, Y.; Hu, S.; Wang, W. A new topology and control strategy for a hybrid battery-ultracapacitor energy storage system. Energies 2014, 7, 2874–2896. [Google Scholar] [CrossRef]
- Sheldon, S.W. Electric and Plug-in Hybrid Electric Vehicle Drive Train Topologies. In Energy Management Strategies for Electric and Plug-in Hybrid Electric Vehicle; Springer: New York, NY, USA, 2013; pp. 7–14. [Google Scholar]
- Balamuralitharan, B.; Karthick, S.N.; Balasingam, S.K.; Hemalatha, K.V.; Selvam, S.; Anandha Raj, J.; Prabakar, K.; Jun, Y.; Kim, H.-J. Hybrid Reduced Graphene Oxide/Manganese Diselenide Cubes: A New Electrode Material for Supercapacitors. Energy Technol. 2017. [Google Scholar] [CrossRef]
- Lai, C.M.; Lin, Y.C.; Lee, D.S. Study and implementation of a two-phase interleaved bidirectional DC/DCconverter for vehicle and dc-microgrid systems. Energies 2015, 8, 9969–9991. [Google Scholar] [CrossRef]
- Tsai, C.-T.; Chen, W.-M. Buck converter with soft switching cells for PV panel applications. Energies 2016, 9, 148. [Google Scholar] [CrossRef]
- Patel, H.; Agarwal, V. MPPT Scheme for a PV-Fed Single-Phase Single-Stage Grid-Connected Inverter Operating in CCM with Only One Current Sensor. IEEE Trans. Energy Convers. 2009, 24, 256–263. [Google Scholar] [CrossRef]
- Hsieh, Y.P.; Chen, J.-F.; Yang, L.-S.; Wu, C.-Y.; Liu, W.-S. High-conversion-ratio bidirectional DC-DC converter with coupled inductor. IEEE Trans. Ind. Electron. 2014, 61, 210–222. [Google Scholar] [CrossRef]
- De Doncker, R.W.A.A.; Divan, D.M.; Kheraluwala, M.H. A three-phase soft-switched high-power-density dc/dc converter for high-power applications. IEEE Trans. Ind. Appl. 1991, 27, 63–73. [Google Scholar] [CrossRef]
- Biela, J.; Schweizer, M.; Waffler, S.; Kolar, W.J. SiC versus Si—Evaluation of potentials for performance improvement of inverter and dc-dc converter systems by SiC power semiconductors. IEEE Trans. Ind. Electron. 2011, 58, 2872–2882. [Google Scholar] [CrossRef]
- Alonso, A.R.; Sebastian, J.; Lamar, D.G.; Hemando, M.M.; Vazquez, A. An overall study of a Dual Active Bridge for bidirectional DC/DC conversion. In Proceedings of the 2010 IEEE Energy Conversion Congress and Exposition (ECCE), Atlanta, GA, USA, 12–16 September 2010. [Google Scholar] [CrossRef]
- Zhao, B.; Song, Q.; Liu, W.; Sun, Y. Overview of Dual-Active-Bridge Isolated Bidirectionla DC-DC Converter for High-Frequency-Link power conversion system. IEEE Trans. Power Electron. 2014, 29, 4091–4106. [Google Scholar] [CrossRef]
- Naayagi, R.T.; Andrew, J.; Shuttleworth, R. High-Power bidirectional DC-DC converter for Aerospace applications. IEEE Trans. Power Electron. 2012, 27, 4366–4379. [Google Scholar] [CrossRef]
- Jeong, D.-K.; Ryu, M.-H.; Kim, H.-G.; Kim, H.-J. Optimized design of bidirectional dual active bridge converter for low voltage battery charger. J. Power Electron. 2014, 14. [Google Scholar] [CrossRef]
- Inoue, S.; Akagi, H. A bidirectional isolated dc-dc converter as a core circuit of the next-generation medium-voltage power conversion system. IEEE Trans. Power Electron. 2007, 22, 535–542. [Google Scholar] [CrossRef]
- Zhou, H.; Khambadkone, A.M. Hybrid modulation for dual active bridge bi-directional converter with extended power range for ultracapacitor application. IEEE Trans. Ind. Appl. 2009, 45, 1434–1442. [Google Scholar] [CrossRef]
- Naayagi, R.T.; Forsyth, A.J.; Shuttleworth, R. Performance analysis of extended phase shift control of DAB DC-DC converter for Aerospace energy storage system. In Proceedings of the 2015 IEEE 11th International Conference on Power Electronics and Drive Systems (PEDS), Sydney, Australia, 9–12 June 2015. [Google Scholar]
- Zhao, B.; Yu, Q.; Sun, W. Extended-Phase shift control of isolated bidirectional dc-dc converter for power distribution in microgrid. IEEE Trans. Power Electron. 2012, 27, 4667–4680. [Google Scholar] [CrossRef]
- Shi, X.; Jiang, J.; Guo, X. An efficiency-optimized isolated bidirectional dc-dc converter with extended power range for energy storage systems in microgrids. Energies 2013, 6, 27–44. [Google Scholar] [CrossRef]

















| Parameter | Rating |
|---|---|
| Input Voltage | 200–220 V |
| Power | 2000 W |
| Output Voltage | 48 V |
| Transformer turns ratio | 3:4 |
| Switching frequency | 50 kHz |
| Secondary leakage inductance | 5.26 μH |
| Auxiliary inductance | 4.72 μH |
| Input capacitor | 1200 μF |
| Output capacitor | 1800 μF |
© 2017 by the authors. Licensee MDPI, Basel, Switzerland. This article is an open access article distributed under the terms and conditions of the Creative Commons Attribution (CC BY) license (http://creativecommons.org/licenses/by/4.0/).
Share and Cite
Sathishkumar, P.; Himanshu; Piao, S.; Khan, M.A.; Kim, D.-H.; Kim, M.-S.; Jeong, D.-K.; Lee, C.; Kim, H.-J. A Blended SPS-ESPS Control DAB-IBDC Converter for a Standalone Solar Power System. Energies 2017, 10, 1431. https://doi.org/10.3390/en10091431
Sathishkumar P, Himanshu, Piao S, Khan MA, Kim D-H, Kim M-S, Jeong D-K, Lee C, Kim H-J. A Blended SPS-ESPS Control DAB-IBDC Converter for a Standalone Solar Power System. Energies. 2017; 10(9):1431. https://doi.org/10.3390/en10091431
Chicago/Turabian StyleSathishkumar, P., Himanshu, Shengxu Piao, Muhammad Adil Khan, Do-Hyun Kim, Min-Soo Kim, Dong-Keun Jeong, Cheewoo Lee, and Hee-Je Kim. 2017. "A Blended SPS-ESPS Control DAB-IBDC Converter for a Standalone Solar Power System" Energies 10, no. 9: 1431. https://doi.org/10.3390/en10091431
APA StyleSathishkumar, P., Himanshu, Piao, S., Khan, M. A., Kim, D.-H., Kim, M.-S., Jeong, D.-K., Lee, C., & Kim, H.-J. (2017). A Blended SPS-ESPS Control DAB-IBDC Converter for a Standalone Solar Power System. Energies, 10(9), 1431. https://doi.org/10.3390/en10091431
