Next Article in Journal
Geostatistical Three-Dimensional Modeling of a Tight Gas Reservoir: A Case Study of Block S6 of the Sulige Gas Field, Ordos Basin, China
Previous Article in Journal
A Blended SPS-ESPS Control DAB-IBDC Converter for a Standalone Solar Power System
 
 
Font Type:
Arial Georgia Verdana
Font Size:
Aa Aa Aa
Line Spacing:
Column Width:
Background:
Article

Investigating the Plasma-Assisted and Thermal Catalytic Dry Methane Reforming for Syngas Production: Process Design, Simulation and Evaluation

by
Evangelos Delikonstantis
,
Marco Scapinello
and
Georgios D. Stefanidis
*
Process Engineering for Sustainable Systems (ProcESS), Department of Chemical Engineering KU Leuven, Celestijnenlaan 200F, 3001 Leuven, Belgium
*
Author to whom correspondence should be addressed.
Energies 2017, 10(9), 1429; https://doi.org/10.3390/en10091429
Submission received: 4 August 2017 / Revised: 2 September 2017 / Accepted: 14 September 2017 / Published: 18 September 2017

Abstract

The growing surplus of green electricity generated by renewable energy technologies has fueled research towards chemical industry electrification. By adapting power-to-chemical concepts, such as plasma-assisted processes, cheap resources could be converted into fuels and base chemicals. However, the feasibility of those electrified processes at large scale has not been investigated yet. Thus, the current work strives to compare, for first time in the literature, plasma-assisted production of syngas, from CH4 and CO2 (dry methane reforming), with thermal catalytic dry methane reforming. Specifically, both processes are conceptually designed to deliver syngas suitable for methanol synthesis (H2/CO ≥ 2 in mole). The processes are simulated in the Aspen Plus process simulator where different process steps are investigated. Heat integration and equipment cost estimation are performed for the most promising process flow diagrams. Collectively, plasma-assisted dry methane reforming integrated with combined steam/CO2 methane reforming is an effective way to deliver syngas for methanol production. It is more sustainable than combined thermal catalytic dry methane reforming with steam methane reforming, which has also been proposed for syngas production of H2/CO ≥ 2; in the former process, 40% more CO2 is captured, while 38% less H2O is consumed per mol of syngas. Furthermore, the plasma-assisted process is less complex than the thermal catalytic one; it requires higher amount of utilities, but comparable capital investment.

Graphical Abstract

1. Introduction

Fossil feedstocks can be converted into added value products in a two-step process, known as Fischer-Tropsch (FT) synthesis process. In the first step, syngas, a mixture of H2 and CO, is formed. In the second step, syngas is converted into synthetic fuels and chemicals, according to the global reaction:
(2n + 1)H2 + nCO → CnH(2n+2) + nH2O
The FT process can be potentially used in synthesis of chemicals with high commercial value, such as light olefins [1,2], alcohols [3,4] and other oxygenates [5]. The yield of products with secondary functional group (i.e., OH or unsaturated bond) is usually low. The FT process is preferentially conducted at moderate conditions, 473–573 K and 10–60 bar, to reach high product selectivity [6].
Due to the abundance of conventional and unconventional gas reserves rich in CH4 (i.e., tight and shale gas, methane hydrate, coalbed methane), which have recently been discovered, CH4 constitutes the most promising fossil feedstock for fuels and chemicals production through FT. Therefore, many CH4 reforming routes resulting in different product distributions have been investigated: non-oxidative methane coupling, pyrolysis, partial oxidation, steam and dry reforming are of great interest [7].
Dry methane reforming (DMR) has attracted interest because it can valorize the abundant and cheap natural gas and reduce the carbon footprint due to the increasing fossil fuel consumption worldwide [8]. In DMR, CO2 is used as oxidizing agent, and so CH4 is oxidized to CO whilst H2 is formed at relatively high temperature.
Significant effort has been put on catalyst synthesis to improve the reaction efficiency. Numerous catalysts have been developed aiming at maximizing syngas yield at lower temperatures. Mostly Nickel and noble metals (i.e., Pt, Ru, and Rh) have been investigated as potential catalysts for DMR. Noble metals show high activity and resistance against carbon formation [9,10,11,12]. Although they reach excellent performance, high cost is the main constraint towards their industrial application. Alternatively, nickel-based catalysts may be used. However, they face deactivation issues due to sintering and carbon encapsulation of Ni under reforming conditions [13].
Application of non-equilibrium gas phase electrical discharges, where energy is channeled into molecular dissociation instead of gas heating, is an encouraging alternative. Besides the low operating temperatures, plasma application for CO2 and CH4 dissociation is also considered as a way for green electricity storage into chemical bonds. DMR has been explicitly studied in dielectric barrier discharges (DBD) [14,15,16,17]. Mainly syngas and light hydrocarbons and oxygenates are formed; however, neither conversion rate, nor the global energy efficiency is high. On the contrary, repetitive pulsed excitation with a nanosecond scale pulse rise time and duration appears to be a better alternative due to its highly non-equilibrium nature [18].
DMR is an appealing route to valorize natural gas and reduce CO2 emissions and this is reflected in numerous works either on thermal catalytic or plasma-assisted DMR. Both processes have strengths and downsides. This work strives to compare, for first time in the literature, the plasma-assisted DMR process with the thermal catalytic DMR for production of syngas with composition suitable for methanol synthesis through an FT process (H2/CO ≥ 2 in mole). Both processes are conceptually designed and simulated in the Aspen Plus process simulator. Different process steps are investigated. Heat integration and equipment cost estimation are performed for the most promising process flow diagrams. Eventually, a comparison between the two processes is conducted based on quantitative (resource efficiency, utility demand and capital cost) and qualitative (complexity, compatibility and sustainability) performance criteria.

2. Materials and Methods

Utilities, operating and maintenance as well as capital investment are the major costs of syngas production (after the raw material cost) corresponding to ~7%, 16% and 10%, respectively, of the total production cost [19]. The syngas production cost has a great impact on the economic feasibility of gas-to-liquid (GTL) fuels and chemicals [20] and is vital for the commercialization of GTL processes. Capital investment and operating costs (i.e., utility, maintenance, general expenses and plant overhead costs) strongly depend on the process design and the engineering. Therefore, process block diagrams (PBD) for syngas production achieving molar ratio of H2/CO ≥ 2 at industrial scale are developed for both thermal catalytic and plasma-assisted DMR processes. Different process steps are designated and simulated in the Aspen Plus process simulator V8.8 for each PBD. The utility demand is reported while the cost of each piece of equipment is estimated. The utility demand is distinguished in cold and hot utility and expressed in kWh/kmolsyngas. The type and cost of process equipment that is required for syngas production is correlated with the maintenance/operation and capital expenditure. Eventually, the PBDs are evaluated with respect to the utility demand and required process equipment (type of equipment and cost) to define the most promising process flow diagram (PFD), which leads to the lowest syngas production cost.

2.1. Process Modeling

All process units are simulated according to experimental data published in the literature assuming chemical and thermodynamic equilibrium. The sizing of the process equipment is facilitated by mass and energy balances, design equations and rules of thumb. The process model development, and the calculation of the mass and energy balances for both processes are based on the following design inputs:
-
The boundary limits are set on the dry methane reforming process itself. Intermediate steps of the input streams (CH4 and CO2) such as transportation, purification and CO2 capture are beyond the scope of this work since they are common steps for both processes. Thus, they can be excluded in a relative comparison. Therefore, reactants are considered to be free of impurities. Although extremely high purity streams are difficult to be achieved in reality, plasma-assisted processes are tolerant to impurities presence. Since plasma chemistry occurs in the gas phase reaction and no catalyst is involved, impurities do not affect the plasma reactor performance. In addition, impurities concentration may be reduced during the plasma reaction since they are cracked by the electrons [21].
-
The predictive Redlich–Kwong–Soave (PSRK) equation of state is selected to calculate all the thermodynamic properties for the components involved in the overall process. This thermodynamic model provides high accuracy in water-hydrocarbon systems over a wide range of temperatures and predicts the instability of the liquid phase [22].
-
An equimolar total feed is set for the simulation. The chosen feed rate produces a certain amount of syngas, which can be utilized for small-size methanol production (plant design capacity of 100–200 ktMeOH/y) since dry methane reforming processes (both plasma-assisted and thermal catalytic) have not been established at large industrial scale yet [8,23]. Therefore, the lowest industrial capacity is selected. Equimolar feed is selected because this is the feed composition adopted in most of experimental works as well as in the work that will be used as reference case in the plasma-assisted process. Moreover, the data obtained from the literature to facilitate the comparison among the different process alternatives are coherent since they correspond to the same plant capacity (500–1000 kmol/h). It is assumed that 500 kmol/h of CH4 are available for the plasma-assisted process and 1000 kmol/h for the thermal catalytic one because steam methane reforming (SMR) is also required in the later process to achieve the targeted syngas composition; regarding the thermal catalytic process, 312.5 kmol/h are consumed in DMR and the rest in SMR.
-
The reactor model which minimizes the Gibbs free energy (known as RGIBBS reactor model in Aspen Plus process simulator) is used to simulate the thermal catalytic reactors of DMR, water-gas shift (WGS), SMR and combined steam/carbon dioxide methane reforming (SCMR) at steady state. The reactor model where stoichiometry and molar extent can be defined when they are known for each reaction (known as RSTOIC reactor model in Aspen Plus process simulator) is used to simulate the plasma reactor at steady state.
-
The thermal catalytic DMR reactor achieves chemical equilibrium at 750 °C and pressure equal to 1 bar in order to simulate the results achieved by Theofanidis et al. [24]. These authors synthesized a bimetallic Fe-Ni/MgAl2O4 catalyst with enhanced carbon-resistance (about 4 h stable performance) and relatively low catalyst demand (Wcat/FCH4 = 800–1420 kg s mol−1) suitable for DMR at the aforementioned conditions; approximately 1.3% of CH4 feed results in coke formation. For high energy efficiency, the WGS reaction occurs at the same conditions as thermal catalytic DMR. Therefore, the WGS reactor also achieves chemical equilibrium at 750 °C and pressure of 1 bar; Fe-based catalysts promote the reaction and low catalyst load in the reactor is required (Wcat/Ftot = 0.04 kg s mol−1) [25,26]. The thermal catalytic SMR reactor is at chemical equilibrium at 1000 °C and pressure of 1 bar. Ni- and Ru-based catalysts enhance the reaction at catalyst demand of Wcat/FCH4 = 250 kg s mol−1 [27,28]. The thermal catalytic SCMR reactor is also at chemical equilibrium at 1000 °C and pressure of 1 bar [29]. A low amount of Ni-MgO-Ce0.8-Zr0.2O2 catalyst is used (Wcat/FCH4 = 20 kg s mol−1) to enhance the reaction [30].
-
The results obtained by the plasma-assisted process models are based on linear extrapolation of the experimental data, regarding flow rates, conversions and energy input, reported by Scapinello et al. [31]. In particular, the authors [31] used a nanosecond repetitive pulsed discharge to dissociate CH4 and CO2 achieving 40% energy efficiency for syngas production, a value that is among the highest ones achieved with other discharges in the literature. Conversions of approximately 50% and 42.5% for CH4 and CO2, respectively, are reported. The specific energy input is approximately 10 kJ/LFEED while the 14% of the carbon in the feed is transformed to coke.
-
The hot and cold utility demand and the electricity consumption are expressed in kWh/kmolsyngas, while the equipment cost is expressed in k$/(kmolsyngas h−1) in order to facilitate the technology comparison. Since hot/cold utilities and electricity price vary, no specific values are used; rather, hot/cold utilities and electricity are expressed in kWh/kmol of syngas. The specific syngas production cost (k$/kmol) may be calculated by multiplication of this ratio with the cost of kWh.
-
The composition of the final syngas stream prior to Fischer-Tropsch unit is required to be at a temperature of 250 °C, pressure of 30 bar and composition of H2/(2CO + 3CO2) ≥ 1 to promote methanol production reactions:
CO + 2H2 → CH3OH  ΔΗ° = −90.77 kJ/mol,
CO2 + 3H2 → CH3OH + H2O ΔΗ° = −49.16 kJ/mol
-
Methanol is an important chemical compound. It can be used as fuel and feedstock to synthesize olefins or it can be blended with gasoline and diesel. The production of methanol is especially attractive in emerging economies as a liquid fuel to replace conventional sources of energy.
-
The temperature of the compressors in the inlet streams does not exceed 50 °C in order to avoid very high temperatures at the outlet after compression. High temperatures may result in equipment damages. The outlet streams of the thermal reactor are not cooled down in order to create a very hot stream after the compression that can be used for heat integration purposes. Moreover, cooling of those streams result in water condensation prior to compression.
-
A heat transfer coefficient 0.5 kw/m2 °C for gas-to-gas heat exchange is used for the heat exchange area estimations. A polytropic compression ASME efficiency of 75% is assumed.
The process flow diagram (PFD) and the detailed mass and energy balances of plasma-assisted and thermal catalytic DMR processes are presented in the Supplementary Materials.

2.2. Thermal Catalytic DMR Process

Purified streams of CH4 and CO2 are fed to the thermal catalytic reactor where the DMR reaction occurs:
CH4 + CO2 ↔ 2CO + 2H2  ΔΗ° = 261 kJ/mol
The RGIBBS reactor model (minimization of Gibbs free energy) is used to simulate the thermal catalytic reactor at steady state. Chemical equilibrium is achieved at 750 °C and 1 bar. CH4 and CO2 conversion of 85% and 90%, respectively, are achieved at these conditions. CO2 conversion is higher than CH4 conversion because the reversed water-gas shift (RWGS) reaction occurs concurrently in the reactor:
CO2 + H2 ↔ CO + H2O ΔΗ° = 41 kJ/mol
Thus, slightly higher amount of CO is produced compared to the stoichiometry of the reaction. The amount of H2 produced is also slightly higher than that dictated by the stoichiometry due to coke formation that occurs simultaneously with DMR. The coke is mainly formed through the following reactions [32]:
CH4 → C + 2H2  ΔΗ° = 75 kJ/mol
2CO → C + CO2  ΔΗ° = −172 kJ/mol
The composition of the DMR reactor outlet stream after considering all the aforementioned side reactions occurring in the reactor are presented in Table 1. The H2/CO molar ratio in the DMR outlet stream is 0.94. A gas separator (pressure swing adsorption, absorption and membrane) could be used to separate the two gases, H2 and CO, and afterwards, the two gas streams could be mixed again in volumetric ratio of FH2/FCO = 2 in order to achieve the targeted molar ratio for the methanol synthesis reaction. Pressure swing adsorption (PSA) gives high separation efficiency and is widely used in industry but low H2 recovery [33], especially at streams with low H2 content, and high gas loss from the pressure release during desorption could be considerable disadvantages [34]. Absorption of CO is a well-known process resulting in high purity and recovery of CO, but the nature of the solvent (cuprous chloride, hydrochloric acid and water) is associated with technical challenges (corrosion, safety issues, high reactivity, etc.). Next to that, high pressure and low temperature, which enhance both the absorption process and solvent recovery, have a significant impact on the operating and capital costs. Membranes are suitable for H2 purification but practical issues, such as membrane stability, mass transfer limitations and high costs related to operation, capital investment and maintenance are considerable limitations for a large-scale, cost-efficient separation [35]. In addition, half of the produced CO would remain unutilized in methanol synthesis thus resulting in lower resource efficiency. However, the H2/CO molar ratio can be adjusted to the targeted ratio by co-feeding water (steam) in the DMR reactor. This reaction is known as combined steam and carbon dioxide methane reforming (SCMR), or bi-methane reforming (BMR) [36,37]. Since SCMR is an extremely energy intensive reaction [38] and the focus of the current work is on the study of DMR as main source of syngas, this scenario is not investigated. However, water (steam) and the DMR outlet stream react in a WGS reactor, connected in series with the DMR reactor and operating at the same conditions (T = 750 °C; P = 1 bar) [29] to promote heat integration and boost the energy efficiency of the process. Moreover, operating at lower temperature (i.e., 400–600 °C), would lead to CO conversion increase and consequently to higher amounts of H2 and CO2 and a ratio of H2/(2CO + 3CO2) ≤ 1 in the final syngas stream. In the latter case, a liquefaction temperature lower than −10 °C would be needed to remove the higher excess of CO2 and yield the targeted ratio of H2/(2CO + 3CO2) ≥ 1 in the final syngas stream. Such decrease in the liquefaction temperature would have major impact on the energy consumption of the process. The following reaction, known as water-gas shift (WGS) reaction, takes place in the WGS reactor:
CO + H2O ↔ CO2 + H2 ΔΗ° = −41 kJ/mol
The RGIBBS reactor model is also used to simulate the WGS reactor at steady state. Chemical equilibrium is also achieved at 750 °C and 1 bar. The amount of steam that is added to promote the WGS reaction has been defined after a sensitivity analysis, setting as objective the molar ratio of H2/CO to be equal to 2 at the WGS outlet stream (Figure 1). Co-feeding of 14,502 kg/h of water (steam) results in the targeted ratio. However, it has been noticed that, only in the thermal catalytic process, even lower water amount (7251 kg/h) can be fed in WGS and still meet the targeted syngas composition at the end of the process. This is possible since the SMR controls the H2/CO ratio, thus, it is not necessary the H2/CO to be equal to 2 at the WGS outlet stream. Therefore, co-feeding of 7251 kg/h steam (2974 kg/h of fresh water and 4277 kg/h of water recycled from the compression section) are fed in the WGS.
CO and H2O conversion of 19.5% and 41.2%, respectively, are achieved at those conditions in the WGS reactor. The composition of the WGS reactor outlet stream is presented in Table 1. The combined DMR and WGS constitutes the upstream part (reaction section) that is common for all thermal catalytic process alternatives. The upstream part is presented in Figure 2.
Since considerable differences have been reported between the experimental and theoretical equilibrium constants (Keq) of the WGS reaction [39,40,41], a sensitivity analysis has been performed to investigate the effect of Keq at 750 °C on H2/CO and H2/(2CO + 3CO2) (Figure 3). Figure 3 shows that, when Keq varies from 0.45 to 1.3, the ratios H2/CO and H2/(2CO + 3CO2) (process targets) remain practically unaffected.
The WGS reactor outlet stream flows towards the downstream part of the process in order to be purified prior to being fed into the FT process. A considerable amount of CO2 is produced after the WGS reaction; thus, it needs to be separated from the entire gas mixture to achieve the targeted stream composition of H2/(2CO + 3CO2) ≥ 1.
Absorption (both chemical and physical absorption), adsorption, membrane separation and cryogenic processes are well-studied carbon capture and storage (CCS) processes. Chemical and physical absorption (i.e., amine process and Selexol solvent, respectively) have drawn considerable attention due to their relatively high technical maturity and feasibility for large scale capacities. However, challenges, such as solvents chemical instability and high energy requirements for solvent regeneration [42] should be taken into account. The adsorption and membrane processes are also considered promising CCS technologies due to their potential for lower energy consumption for CO2 separation compared to absorption. However, capacity limitations, high capital investment and lower separation efficiency compared to absorption (lower CO2 purity and recovery) are important disadvantages [43,44,45,46]. The cryogenic separation process attains high separation efficiency and compression and refrigeration systems are well-established at large scale. Nevertheless, extremely low temperature and high compression rates increase substantially the operation cost [47] and many efforts are currently devoted to process optimization and energy requirement reduction [48,49].
Considering the strengths and weaknesses of the aforementioned CCS technologies as well as their technology readiness level and maturity at large scale capacities, CO2 absorption using amines and cryogenic separation are selected as downstream process sections in a thermal catalytic DMR process for syngas production. Two PBDs are developed and evaluated below.

2.2.1. Thermal Catalytic DMR Process with CO2 Absorption (Amine Process)

In this scenario, the excess of CO2 is captured in an absorber using monoethanolamine (MEA) [50]. The WGS reactor outlet stream enters from the bottom of the absorber and comes in contact with an aqueous MEA solution, which enters from the top and flows counter-currently to the WGS reactor outlet stream. CO2 reacts exothermically with MEA and form a water-soluble salt. The released heat is absorbed by the fresh streams that enter the column. The temperature and pressure of the column are ~57 °C and 3.4 bar, respectively. The rich in salt MEA stream exits the absorber from the bottom of the column, while the free of CO2 stream exits from the top. The rich MEA stream is preheated in a heat exchanger by the regenerated MEA stream from the stripper (heat integration to reduce the energy cost) and enters the stripper where the salt formation reaction is reversed by supplying additional heat. The temperature and pressure of the stripper column are 110–120 °C and 2 bar, respectively. In the stripper, CO2 is degassed from the MEA stream and gets off from the top of the stripper column, whereas the regenerated MEA stream gets off from the bottom. Consequently, CO2 and MEA are recycled back to the DMR reactor and the absorber, respectively. The PBD of the process and the process flow diagram of this downstream process alternative are presented in Figure 4.
Absorption of CO2 using MEA has been extensively studied and simulated [52,53]. The economic potential of the process has also been evaluated and compared with other peer CO2 capture technologies [54]. Recently, Luyben [51] designed a DMR process for syngas production. He developed and evaluated two process alternatives: one without CO2 recycle, thus no separation section was included, and one with CO2 recycle, therefore an absorber with aqueous MEA solution and a stripper for solvent regeneration was included. He concluded that the scenario of CO2 recycle results in lower total annual cost than the scenario without CO2 recycle and notably, the total annual cost is minimized when the reactor pressure is at 4 bar. Approximately 5.6 kWh/kmolsyngas cold utility, 2.6 kWh/kmolsyngas hot utility, 2.4 kWh/kmolsyngas of electrical power and 6.6 k$/(kmolsyngas h−1) are required for syngas purification when adopting this process alternative.

2.2.2. Thermal Catalytic DMR Process with CO2 Liquefaction (Cryogenic Separation)

In this scenario, a cryogenic process is employed for CO2 excess removal. The WGS reactor outlet stream is initially compressed to 30 bar, a suitable pressure for the Fischer-Tropsch process. Moreover, pressure increase facilitates the cryogenic separation as the liquefaction temperature increases too. Almost all H2O is condensed and removed after the first compression stage; the compressed stream at 5 bar is cooled down to 20 °C and flashed in a knock-out drum (vapor–liquid separators). The stream is further compressed to 15 bar and cooled down firstly by the liquid stream coming from the knock-out drum and consequently, by an external cold utility. Part of the CO2 is liquefied and recovered from the drum. The stream is further pressurized to 30 bar, cooled down to −115 °C and flashed. Under such conditions, almost the entire amount of CO2 is liquefied and removed from the stream. The cold purified syngas stream can be integrated in the process and be used as cold utility. The PBD of the process and the process flow diagram of this downstream process alternative are presented in Figure 5.
Cryogenic separation is not only used in oil and gas industry for light hydrocarbons separation [56,57], but also for synthetic natural gas purification [47,58]. Although cryogenic separation requires no chemical agents, the extreme operating conditions require high energy consumption, which is a major drawback. Especially when gases with lower boiling points (H2, CH4, and CO) are present, the phase transition temperature of CO2 drops to values even lower than −80 °C and the refrigeration energy becomes the main cost driver of the separation. The effect of CO2 concentration on the phase transition temperature is presented in Figure 6.
Simulating this scenario in the Aspen Plus process simulator V8.8, it is found that the CO2 phase transition temperature in the syngas stream (14.4% CO2, 28.7% CO and 56.9% H2) at a pressure of 30 bar is −115 °C for 99.2% recovery, result which is in accordance with Figure 6b. Based on the simulation results, ~5.3 kWh/kmolsyngas cold utility, 3.1 kWh/kmolsyngas hot utility and 7.9 kWh/kmolsyngas electrical power are required for syngas purification. The capital investment of the CO2 liquefaction process is lower than the MEA absorption process and similar to SelexolTM absorption process [55]. Xu et al. [47] have also compared the total capital investments of a CO2 liquefaction process over the SelexolTM process and concluded that the first is about 40% less expensive than the second one. Thus, the capital investment of the CO2 liquefaction process is about 4 k$/(kmolsyngas h−1) including the compression section and the refrigeration system needed to achieve the required operating temperatures.

2.2.3. Thermal Catalytic DMR Process Integrated with SMR

Removal of CO2 from the WGS outlet reactor stream increases the syngas production cost. Avoidance of implementation of CO2 separation processes might increase the economic potential of syngas production. Additional gas conditioning units can be used instead of the energy and capital-intensive CCS technologies. In this scenario, steam methane reforming (SMR) is implemented in the process as an additional conditioning unit to tune the final syngas composition. Water (steam) reacts with CH4 according to the following reaction:
CH4 + H2O ↔ CO + 3H2  ΔΗ° = 206 kJ/mol
Syngas with different ratio than the WGS reactor outlet stream is produced in the SMR reactor. The two syngas streams are mixed and the final syngas composition attains the targeted molar ratio.
The RGIBBS reactor model is also used to simulate the SMR reactor at steady state. Chemical equilibrium is achieved at 1000 °C and 1 bar. Equimolar feed stream is assumed at the inlet of SMR reactor. The amount of methane and steam that is added to promote the SMR reaction has been defined after a sensitivity analysis, setting as objective the targeted molar ratio H2/(2CO + 3CO2) ≥ 1 at the final syngas stream. A feed of 22,351 kg/h of methane and steam (10,528 kg/h of CH4 and 11,823 kg/h of steam) results in achieving the targeted ratio. Conversion of 98.5% and 98.8% of CH4 and H2O (steam), respectively, are achieved at these conditions in the SMR reactor. The PBD and the process flow diagram of this downstream process alternative are presented in Figure 7.
Combination of DMR, WGS and SMR also in one step, known as combined steam-CO2 methane reforming (SCMR), has been studied elsewhere [59,60] as a possible route for syngas production. Gangadharan et al. [61] concluded that a process combining dry methane reforming with steam methane reforming has comparable economic potential with the well-established SMR for syngas production and lower carbon footprint. Basini and Piovesan [62] showed that this hybrid process is the most economical route to produce syngas with molar ratio of H2/CO equal to 2. Based on the simulation results in the Aspen Plus process simulator V8.8, ~22.8 kW/(kmolsyngas h−1) cold utility, 16.5 kW/(kmolsyngas h−1) hot utility and 15.8 kWh/kmolsyngas electrical power are required for syngas purification. It is worth mentioning that there is high potential of heat integration in this process, which will radically reduce the operating cost [63]. The capital investment of this process alternative is ~5.5 k$/(kmolsyngas h−1); it includes the cost of compression section, which has been estimated at 5.4 k$/(kmolsyngas h−1) by Luyben [51], and the SMR reactor cost, which has been estimated at 0.06 k$/(kmolsyngas h−1) by Gangadharan et al. [61].

2.2.4. Process Alternatives Evaluation for Thermal Catalytic DMR Process

In this section, the syngas purification process alternatives are evaluated based on their performance and the most competitive one is selected for the detailed design. The performance of each alternative is presented in Table 2.
The MEA absorption process alternative requires the lowest amount of hot utility and electricity while the cold utility demand is almost the same as the CO2 liquefaction process. The utilization of CH4 to syngas is high too. However, it is the most capital-intensive process among the others, mainly due to distillation and stripping columns needed. Moreover, use of aqueous MEA solvents increases the environmental impact of the process. The CO2 liquefaction process requires low cold and hot utility. Even though the cold duty is similar to the MEA absorption process, the actual cost is significantly higher because the operating temperatures are well below zero, so refrigerants as cooling media are required; in the other cases, cooling water is used since the operating temperatures are close to ambient. Considerable amount of electricity is required due to refrigeration system operation. No complex equipment is needed; therefore, the capital investment is low. Syngas losses due to purge streams, however, result in the lowest resource efficiency among the other process alternatives. The combined DMR + SMR process requires the highest cold and hot utility. In addition, ambient temperatures are targeted so cooling water can be used. High electrical power is required due to high flow rates of the process (steam is also added to promote the SMR reaction). The capital investment is relatively low since conventional equipment is used. The combined DMR + SMR process achieves the highest resource efficiency since syngas is the only product that is formed in the reformers and few separation steps are involved in the process, thus minimizing the material losses. Generally, the process design focus is on high resource efficiency (since raw material is the cost driver) and low capital investment. Low utility cost is also preferable but it is not a significant cost in syngas production cost as compared with the first two [19,64]. Based on the process evaluation, the combined SMR + DMR process is the most promising alternative. The economic potential of this process has been studied elsewhere [61,64].

2.3. Plasma-Assisted DMR Process

Purified streams of CH4 and CO2 are fed in the plasma reactor powered by a repetitive nanosecond pulsed power generator, where plasma-assisted dry methane reforming (P-DMR) occurs. The most important electron impact reactions, which take place inside the plasma reactor are described elsewhere [65].
To develop the process flow diagram and evaluate the P-DMR process, the results obtained by Scapinello et al. [31] are linearly extrapolated at industrial capacities. This is a valid assumption considering that the industrial scale plasma reactors are bundles of small scale plasma reactor units [66], as it can be seen in Figure 8.
Therefore, the RSTOIC reactor model (stoichiometry and molar extent is known for each reaction) is used to simulate the plasma reactor at steady state. The temperature and pressure in the plasma reactor is 200 °C and 1 bar. CH4 and CO2 conversion of approximately 51% and 42.5%, respectively are achieved at specific energy input of 10 kJ/Lfeed. CH4 conversion of is higher than that of CO2 because the dissociation energy of C-H bond (337.2 kJ/mol) is lower than the one of C=O (749 kJ/mol). Consequently, both high- and low-energy electrons may result in CH4 dissociation, while only high energy electrons may result in CO2 dissociation. Considering that the number of high energy electrons is lower than the number of low energy electrons in non-equilibrium plasma, the rate of CH4 dissociation reactions is higher than that of CO2. Thus, higher CH4 conversion is observed in the P-DMR process.
The composition of the P-DMR reactor outlet stream after considering all the important plasma activated reactions are presented in Table 3. The H2/CO molar ratio in the P-DMR outlet stream is 1.1. However, the molar ratio should be increased in order to reach the targeted value while unconverted reactants still need to be recovered from the stream and recycled back to the reactor.
The above-mentioned CCS technologies can be used for the unreacted CO2 removal. Chemical absorption, membranes and adsorption technologies are mature and applicable to CH4 removal. Even hybrid solutions (membrane and absorption based technologies) have been proposed and explicitly designed for this purpose [67]. Once the P-DMR outlet stream is purified and the targeted molar ratio is achieved (H2/CO ≥ 2), syngas may be fed in the FT process for methanol production.
Reactants removal can also be realized by secondary reactions; in this study, CH4 can be further converted in a SCMR reactor into syngas simply by adding steam. Except for CH4, a small amount of CO2 also reacts with H2 (RWGS reaction). Simultaneously, CO is converted to H2 (WGS reaction) resulting in H2/CO molar ratio increase. Eventually, the whole CH4 amount is converted to syngas in one reactor pass, while less CO2 needs to be removed from the syngas stream prior to FT.
Two PBDs, which correspond to the above-mentioned separation alternatives, are developed and evaluated below.

2.3.1. Plasma-Assisted DMR Process with CH4 and CO2 Removal

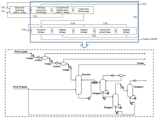
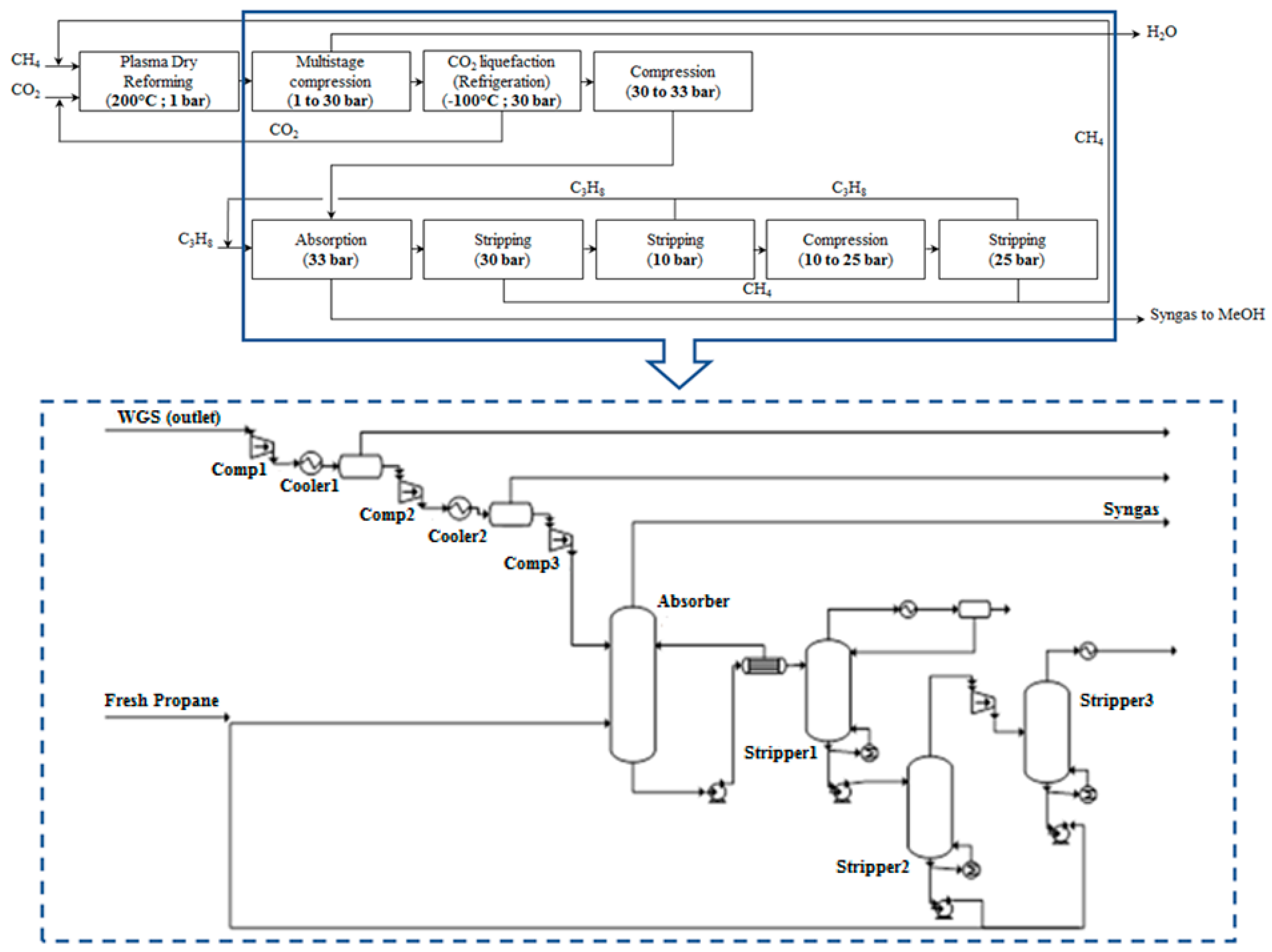
This process configuration is initially simulated in the Aspen Plus process simulator V8.8. The P-DMR outlet stream is compressed in two steps. First, it is compressed from atmospheric pressure to 30 bar to facilitate CO2 removal by liquefaction; the stream is simultaneously cooled down to −100 °C. The liquid CO2 is recovered from the bottom of a knock-out drum. The separation of CH4 from H2 and CO is accomplished by an absorption/stripping process [68] at industrial scale. The cooled, free-of-CO2 stream is further compressed to 33 bar to enhance the solubility of CH4 in the liquid C3H8, which is chosen as suitable solvent; the solubility of CH4 in liquid C3H8 is the highest among the organic solvents, such as C4H10, C5H12, C6H14 and C8H18 [68]. The free-of-CO2 stream enters the absorption column from the bottom and flows counter-currently with the solvent stream, which enters form the top. CH4 is selectively dissolved and the rich-in-CH4 stream leaves from the bottom of the column. The purified syngas stream escapes from the top. The solvent is regenerated in a stripping column at 30 bar where 80.5% of CH4 is recovered. The stripper outlet stream is depressurized down to 10 bar and stripped further in a second stripping column where all the amount of CH4 is recovered. Inevitably, ~15% of C3H8 is contained in the CH4 stream; the remaining 85% of C3H8 is recycled back to the absorber. A third stripper, operating at 25 bar, is employed to recover the remaining amount of solvent, since C3H8 losses drive the economic viability of this separation process. It has been estimated that the separation is not economically viable for solvent losses higher than 6% [68]. In this process simulation, 99% of the solvent is recovered. Eventually, CH4 and C3H8, which are separated in the last stripping tower, are recycled back to the plasma reactor and absorber, respectively. The excess of CO2 is further removed in a CO2 liquefaction process and the targeted molar ratio (H2/(2CO + 3CO2) ≥ 1) is attained. The PBD and the respective process flow diagram are presented in Figure 9.

2.3.2. Plasma-Assisted DMR Process Integrated with SCMR

Steam-CO2 combined methane reforming (SCMR) is chosen in this scenario as a process alternative to “purify” the P-DMR outlet stream by adding water, thus, SCMR is promoted according to the following reaction:
3CH4 + CO2 + 2H2O ↔ 4CO + 8H2  ΔΗ° = 659 kJ/mol
SCMR is a process with high industrial interest since syngas with H2/CO = 2 molar ratio is produced that is suitable for gas-to-liquids [69] and catalysts have been synthesized to boost the reaction performance [59,60,70].
The RGIBBS reactor model is used to simulate the SCMR reactor at steady state. Chemical equilibrium is achieved at 1000 °C and 1 bar. The amount of steam that is added to promote the SCMR reaction has been defined after a sensitivity analysis, setting as objective the molar ratio of H2/CO to be at least equal to 2 at the SCMR outlet stream. According to Jang et al. [30], (CO2 + H2O)/CH4 molar ratio higher than 1.2 (8.5 in this simulation), CO2/H2O ratio higher than 0.47 (0.6 in this simulation) and a temperature higher than 850 °C (1000 °C in the simulation) are preferable reaction conditions for syngas preparation suitable for GTL processes. Co-feeding of 18015 kg/h of water (steam) results in the targeted ratio. CH4, CO2 and H2O conversion of 99.9%, 10% and 23.1%, respectively, are achieved at these conditions in the SCMR reactor. The composition of the SCMR reactor outlet stream is presented in Table 3. The excess of CO2 is further removed in a CO2 liquefaction process and the targeted molar ratio (H2/(2CO + 3CO2) ≥ 1) is attained. The respective PBD as well as the process flow diagram are presented in Figure 10.

2.3.3. Process Alternatives Evaluation for Plasma-Assisted DMR Process

The process alternative of CH4 and CO2 removal comprises eight process steps. Each process step requires unique process equipment while the feed throughputs are high; thus, the capital investment is foreseen to be high. Consequently, maintenance cost, which is assumed to be a fixed percentage of capital investment [71], is expected to be high, too, in this scenario. Moreover, temperature and pressure swing, which aim at solvent recovery together with high flow rate streams due to solvent use, increase the electricity demand, hot and cold duty in the process. This process certainly leads to highly complex process design.
The plasma-assisted DMR integrated with SCMR seems to be simpler process than P-DMR with CH4 and CO2 removal since it comprises four process steps. The capital investment and maintenance cost are foreseen to be lower due to less pieces of equipment, while constant pressure and temperature profiles mitigate the utility demand. In addition, higher CH4 and CO2 conversion is reached per reactor pas, which leads to higher resource efficiency. Collectively, plasma-assisted DMR integrated with SCMR is the most promising process alternative and is selected for the detailed design.

2.4. Heat Integration

Heat integration is performed in both thermal catalytic and plasma-assisted DMR process to recover and efficiently utilize all the available hot and cold process streams, thus, simulate a more relevant industrial environment. The hot and cold utility demand is minimized and a more realistic energy comparison between the two processes is conducted. Eventually, the respective heat exchanger network is designed with respect to the pinch analysis principles. The following assumptions are considered:
-
The minimum temperature difference (ΔΤmin) is set at 20 °C
-
The streams enthalpy is based on energy balances obtained by the process simulation.
-
For the streams where phase change occurs during heating up, a pseudo CPM is calculated comprising the required energy both for evaporation and heating; the total stream enthalpy (ΔΗ) is divided by the respective temperature difference.
In a thermal catalytic DMR process, five cold and six hot process streams are integrated to reduce the total hot and cold utility demand (Table 4). The total hot and cold utility demand before heat integration is 45.7 MW and 56.7 MW, respectively. The heat balances for the temperature intervals (Table 5) show that high surplus of energy is accumulated in the process. This fact is confirmed by the grand composite curve (GCC) (Figure 11) where the net heat flow against the shifted temperature is presented. A considerable energy pocket occurs in the process and proves the high potential of energy integration in thermal catalytic DMR process. The problem table algorithm for the required utilities (Table 6) reveals that ideally no hot utility is required to preheat the process streams at steady state. Heat is required only for the endothermic DMR, WGS and SMR reactions.
The heat exchanger network of the thermal catalytic DMR process is presented in Figure 12. Nine process-to-process streams heat exchangers and five coolers are required for the heat integration. Ideally, no hot utility demand is required. However, in the proposed heat exchanger network the CH4 stream to SMR reactor needs to be heated from 847 °C to 1000 °C by an external heat source, even though there is still an amount of heat in the process, which could be used to satisfy this heat deficit. It has been estimated that two more heat exchangers should have been placed in the network to achieve that resulting in higher capital investment. Instead of designing a more expensive and complicated network, it is preferred to heat the stream up to 1000 °C in the SMR.
In plasma-assisted DMR process, four cold and two hot process streams are integrated to reduce the total hot and cold utility demand (Table 7). The total hot and cold utility demand before heat integration is 48.8 MW and 72.8 MW, respectively. The heat balances for the temperature intervals (Table 8) show that there is a surplus of energy in the process that can be used for heating. This energy pocket gets noticeable in GCC (Figure 13) and is high enough to satisfy the heating requirements as it is shown in the problem table algorithm (Table 9). Eventually, no extra source of energy is required to preheat the streams at steady state; heat is required only for the endothermic SCMR reaction.
The heat exchanger network of the plasma-assisted DMR process is presented in Figure 14. Five process-to-process streams heat exchangers and two coolers are required for the heat integration. The cold streams are heated up to the target temperature without extra hot utility. The two extra coolers cool the hot streams down to the target temperature.
Both processes manage to reduce the utilities demand after the heat integration. In Table 10, the hot and cold utility demand before and after heat integration is presented; 95.4% and 79.7% less hot and cold utility, respectively, is required in thermal catalytic DMR; no hot utility and reduced cold utility by 67% is required in the plasma-assisted DMR process. The utility demand reduction is attained at the expense of capital investment. The number of heat exchangers increases, thus capital investment increases too. However, the objective is to attain highly energy efficient DMR processes and the heat exchangers cost is not expected to significantly raise the capital investment.

2.5. Equipment Cost Estimation

The cost of the process equipment needed for syngas production through thermal catalytic and plasma-assisted DMR is estimated. The equipment cost is estimated using cost equations, which are based on the key characteristic of each piece of equipment [71]. The key characteristic of each piece of equipment is obtained from the process simulation.
The cost of thermal catalytic DMR, SMR, WGS and SCMR reactors is estimated by the following equation:
C = 1 . 218 × k × ( 1 + f d + f p ) × Q 0 . 86
The reactors are fired heaters, box type reformers, made of carbon steel and operating at moderate pressure. The key characteristic of the thermal catalytic reactors is the net heat duty.
The cost of compressors is estimated by the following equation:
C = 7.19 × ( HP ) 0.61
Reciprocating compressors are used for the gas transportation and compression. The key characteristic of the compressors is the indicated horsepower required for gas transportation and compression to the target pressure.
Shell-and-tube heat exchangers made of carbon steel are employed to build the heat exchanger network. The key characteristic is the heat exchange area and the cost is estimated by the equation:
C = 1.218 × f d × f m × f p × C b
where C b = exp [ 8.821 0.30863 × lnA + 0.0681 × ( lnA ) 2 ] ; f d = exp [ 1.1156 + 0.0906 × lnA ] ;   f m = 1 ;   f p = 1 .
The cost of coolers which operate at 20 °C is given by the same equation as the heat exchangers cost. The cost of the coolers, which operate at lower temperature (0 °C, −10 °C and −100 °C), is given by:
C = 178 × F × Q 0.61
where F is 1, 1.55 and 4 for 0 °C, −10 °C and −100 °C, respectively.
The cost of the plasma reactor is based on the lab scale plasma reactor cost, which was used by Scapinello et al. [31] and reached ~8 k$. The cost also takes into account the cost of repetitive nanosecond pulsed power unit and the six-tenth power rule is used to estimate the installed cost of the plasma reactor at industrial scale. Eventually, using installation factors, the purchase equipment costs are converted into installed costs. The purchase and installed process equipment cost for thermal catalytic and plasma-assisted DMR process are presented in Table 11 and Table 12 respectively. Regarding the thermal catalytic process, compressors have the highest contribution to the equipment cost. SMR and DMR reactors are also significant costs. In the plasma-assisted process, the plasma reactor is the most expensive piece of equipment. Compressors and refrigeration systems are also expensive equipment units.

3. Comparison of Thermal Catalytic and Plasma-Assisted DMR

Thermal catalytic and plasma-assisted DMR differentiate in many aspects, which makes a fair comparison between the two processes very challenging. The aim of the comparison herein is not to propose the most promising process, but rather to address the strengths and weaknesses of each one. Specific performance criteria have been quantified and presented in Table 13 to this end. The estimated values have been based on the mass and energy balances that have been obtained through the simulations.
Raw material (resource) is the cost driver of the syngas production process [19]. Thus, resource efficiency constitutes a key criterion of process performance. For each mole of CH4 that is cracked, 12.2% more syngas is produced by the thermal catalytic process due to less coke formation as compared with the plasma-assisted process. For each mole of CO2 cracked, 40.2% more syngas is produced globally in the thermal catalytic DMR. CO2 is not only cracked in DMR reactor but also produced in WGS reactor. However, when the WGS outlet stream is mixed with the syngas produced in the SMR reactor, the stream meets the targeted ratio of H2/(2CO + 3CO2) ≥ 1. All CO2 is going to be consumed in the methanol synthesis process, thus it is considered that CO2 is fully utilized in the thermal catalytic DMR process. In the plasma-assisted DMR, only 42.5% of CO2 is converted per pass and lower amount of syngas is finally formed in the process. From the economic perspective, there is not a considerable impact on process economics since in the latter case, CO2 is reclaimed and reused. Considering that resource efficiency estimation (Table 13) includes only the CO2 amount that has been cracked for syngas production, it is concluded that higher amount of CO2 is consumed in the plasma-assisted process for a kmol of syngas production. From the environmental point of view, plasma-assisted DMR is more sustainable and, thus, favorable since a higher amount of CO2 is depleted. Eventually, for each mole of H2O consumed in the process, a higher amount of syngas is produced in the plasma-assisted process implying that H2O saving is higher in the plasma-assisted process.
Expectantly, the electricity demand for the plasma-assisted DMR process is ten times the demand of the thermal catalytic one; the highest portion (approximately 74%) of electricity is consumed in electron impact reactions occurring in the plasma zone. The capital investment for the plasma-assisted DMR process is rather high. Refrigeration systems, compressors and the plasma reactor form the major capital expenditures.
Other aspects that could be counted as crucial performance criteria are the catalyst demand, by-products formation and the process complexity. In thermal catalytic DMR, three different catalysts are used for the DMR, WGS and SMR reactions while in the plasma-assisted process, catalyst is used to enhance only the SCMR reaction. Less catalyst demand may considerably decrease the syngas production cost. In addition, no auxiliary equipment is required for catalyst regeneration. Ethylene, acetylene and ethane are formed as by-products in the plasma zone. Depending on the production rate and the separation cost, these C2 species can potentially be reclaimed and sold, increasing the economic potential of the plasma-assisted DMR process. Further, the electricity required for plasma initiation may be drawn by onshore or offshore electricity production systems.

4. Conclusions

Dry methane reforming (DMR) is considered a promising chemical process with high economic and environmental interest. In the conventional DMR process, activation of CH4 and CO2 is promoted by catalysts and relatively high temperature. Alternatively, electricity can be utilized to initiate plasma, which will lead to reactants bond cracking. Undoubtedly, thermal catalytic and plasma-assisted DMR have strengths and downsides. In the current work, plasma-assisted DMR performed by Scapinello et al. [31] resulted in H2/CO molar ratio equal to 1.1, while thermal catalytic DMR performed by Theofanidis et al. [24] resulted in H2/CO = 1. Considering that syngas suitable for methanol synthesis is the targeted product in this work and the molar ratio required by the Fischer–Tropsch process for methanol production is 2/1, the H2/CO ratio should be increased in both cases. However, in plasma-assisted DMR, less intensive downstream processing is required in terms of equipment. Particularly, plasma-assisted DMR integrated with combined steam/carbon dioxide methane reforming (SCMR) is an effective way to produce syngas for methanol, ethanol or ethylene where a H2/CO molar ratio equal to 2 is required. Its performance is comparable with the performance of integrated thermal catalytic DMR and steam methane reforming (SMR), which has also been proposed for H2/CO ≥ 2 syngas production.
Higher amount of CO2 (40% more) per mol of produced syngas is consumed in the plasma-assisted DMR process, as compared with the combined DMR and SMR thermal catalytic process. Concurrently, higher amount of H2O (62% more) per mol of produced syngas is consumed in the latter case. Plasma-assisted DMR is more sustainable than the combined DMR and SMR thermal catalytic process as it increases CO2 capture; it reduces H2O scarcity by utilizing more efficiently H2O input streams, and it is compatible with renewable energy technologies from which the electricity needed for the plasma initiation may be harvested.
As a follow up, the plasma-assisted process may be more easily integrated with existing processes since it is relatively more compact than the thermal catalytic one. Moreover, except for electricity, no utilities are required since the cold utility demand is satisfied by the refrigerant, while, in the thermal catalytic processes, cooling water is required. Regarding the electricity demand, plasma reactors may draw the electricity produced by renewable energy systems. In this case, the gains are that no additional power supply systems are required, no NOx are released and the plasma reactor absorbs the overproduction of electricity picks contributing to grid stabilization. Short start-up/shut-down periods are also counted as unique technology features compared to the thermal catalytic process.

Supplementary Materials

The following are available online at www.mdpi.com/1996-1073/10/9/1429/s1. Figure S1: Plasma assisted DMR process simulation: in black, the process streams; and, in blue, the heat exchangers and the refrigeration systems, Table S1: Mass and energy balances for all the streams of plasma assisted DMR process, Figure S2: Thermal catalytic DMR process simulation (combined DMR and SMR): in black, the process streams; and, in blue, the heat exchangers and the refrigeration systems, Table S2: Mass and energy balances for all the streams of thermal catalytic DMR process

Acknowledgments

Funding: this work has received funding from the European Union’s Horizon 2020 Research and Innovation Programme through project “Adaptable Reactors for Resource and Energy Efficient Methane Valorization” (ADREM), No. 680777.

Author Contributions

The authors have collectively contributed to this worked.

Conflicts of Interest

The authors declare no conflict of interest.

Glossary

FTFischer-Tropsch process
DMRDry methane reforming
DBDDielectric barrier discharge
GTLGas to liquid
PBDProcess block diagram
RGIBBSReactor; equilibrium calculations is based on that minimizes Gibbs free energy
RWGSReversed water gas shift
PSAPressure swing adsorption
SCMRCombined steam/carbon dioxide methane reforming
WGSWater gas shift
CCSCarbon capture and storage
MEAMonoethanolamine process
SMRSteam methane reforming
P-DMRPlasma-assisted dry methane reforming
RSTOICReactor for known reaction stoichiometry
PFDProcess flow diagram
ΔΤminMinimum temperature approach
ΔΗEnthalpy
GCCGrand composite curve
CPMMass heat capacity
CEquipment cost
QHeat duty
CompCompressor
HXHeat exchanger

References

  1. Jiao, F.; Li, J.; Pan, X.; Xiao, J.; Li, H.; Ma, H.; Wei, M.; Pan, Y.; Zhou, Z.; Li, M.; et al. Selective conversion of syngas to light olefins. Science 2016, 351, 1065–1068. [Google Scholar] [CrossRef] [PubMed]
  2. Zhu, Y.; Pan, X.; Jiao, F.; Li, J.; Yang, J.; Ding, M.; Han, Y.; Liu, Z.; Bao, X. Role of manganese oxide in syngas conversion to light olefins. ACS Catal. 2017, 7, 2800–2804. [Google Scholar] [CrossRef]
  3. Cheng, K.; Gu, B.; Liu, X.; Kang, J.; Zhang, Q.; Wang, Y. Direct and highly selective conversion of synthesis gas into lower olefins: Design of a bifunctional catalyst combining methanol synthesis and carbon-carbon coupling. Angew. Chem. 2016, 55, 4725–4728. [Google Scholar] [CrossRef] [PubMed]
  4. Kim, T.W.; Kleitz, F.; Jun, J.W.; Chae, H.J.; Kim, C.U. Catalytic conversion of syngas to higher alcohols over mesoporous perovskite catalysts. J. Ind. Eng. Chem. 2016, 51, 196–205. [Google Scholar] [CrossRef]
  5. Wang, Z.; Kumar, N.; Spivey, J.J. Preparation and characterization of lanthanum-promoted cobalt-copper catalysts for the conversion of syngas to higher oxygenates: Formation of cobalt carbide. J. Catal. 2016, 339, 1–8. [Google Scholar] [CrossRef]
  6. Rao, V.U.S.; Stiegel, G.J.; Cinquegrane, G.J.; Srivastava, R.D. Iron-based catalysts for slurry-phase fischer-tropsch process: Technology review. Fuel Process. Technol. 1992, 30, 83–107. [Google Scholar] [CrossRef]
  7. Scapinello, M.; Delikonstantis, E.; Stefanidis, G.D. The panorama of plasma-assisted non-oxidative methane reforming. Chem. Eng. Process. Process Intensif. 2016, 117, 120–140. [Google Scholar] [CrossRef]
  8. Lavoie, J. Review on dry reforming of methane, a potentially more environmentally-friendly approach to the increasing natural gas exploitation. Front. Chem. 2014, 2, 81. [Google Scholar] [CrossRef] [PubMed]
  9. Nematollahi, B.; Rezaei, M.; Khajenoori, M. Combined dry reforming and partial oxidation of methane to synthesis gas on noble metal catalysts. Int. J. Hydrogen Energy 2011, 36, 2969–2978. [Google Scholar] [CrossRef]
  10. Sadykov, V.A.; Gubanova, E.L.; Sazonova, N.N.; Pokrovskaya, S.A.; Chumakova, N.A.; Mezentseva, N.V.; Bobin, A.S.; Gulyaev, R.V.; Ishchenko, A.V.; Krieger, T.A.; et al. Dry reforming of methane over Pt/PrCeZrO catalyst: Kinetic and mechanistic features by transient studies and their modeling. Catal. Today 2011, 171, 140–149. [Google Scholar] [CrossRef]
  11. Tsyganok, A.I.; Inaba, M.; Tsunoda, T.; Hamakawa, S.; Suzuki, K.; Hayakawa, T. Dry reforming of methane over supported noble metals: A novel approach to preparing catalysts. Catal. Commun. 2003, 4, 493–498. [Google Scholar] [CrossRef]
  12. Pakhare, D.; Spivey, J. A review of dry (CO2) reforming of methane over noble metal catalysts. Chem. Soc. Rev. 2014, 43, 7813–7837. [Google Scholar] [CrossRef] [PubMed]
  13. Ashok, J.; Kawi, S. Steam reforming of toluene as a biomass tar model compound over CeO2 promoted Ni/CaOeAl2O3 catalytic systems. Int. J. Hydrogen Energy 2013, 38, 13938–13949. [Google Scholar] [CrossRef]
  14. Chirokov, A.; Gutsol, A.; Fridman, A. Atmospheric pressure plasma of dielectric barrier discharges. Pure Appl. Chem. 2005, 77, 487–495. [Google Scholar] [CrossRef]
  15. Khoja, A.H.; Tahir, M.; Aishah, N.; Amin, S. Dry reforming of methane using different dielectric materials and DBD plasma reactor configurations. Energy Convers. Manag. 2017, 144, 262–274. [Google Scholar] [CrossRef]
  16. Chung, W.; Pan, K.; Lee, H.; Chang, M. Dry reforming of methane with dielectric barrier discharge and ferroelectric packed-bed reactors. Energy Fuels 2014, 28, 7621–7631. [Google Scholar] [CrossRef]
  17. Wang, Q.; Yan, B.-H.; Jin, Y.; Cheng, Y. Investigation of dry reforming of methane in a dielectric barrier discharge reactor. Plasma Chem. Plasma Process. 2009, 29, 217–228. [Google Scholar] [CrossRef]
  18. Iza, F.; Walsh, J.L.; Kong, M.G. From submicrosecond- to nanosecond-pulsed atmospheric-pressure plasmas. IEEE Trans. Plasma Sci. 2009, 37, 1289–1296. [Google Scholar] [CrossRef]
  19. Zhang, C.; Jun, K.W.; Gao, R.; Lee, Y.J.; Kang, S.C. Efficient utilization of carbon dioxide in gas-to-liquids process: Process simulation and techno-economic analysis. Fuel 2015, 157, 285–291. [Google Scholar] [CrossRef]
  20. Iglesia, E.; Spivey, J.; Fleisch, T. Studies in Surface Science and Catalysis. In Proceedings of the 6th Natural Gas Conversion Symposium, Girdwood, AK, USA, 17–22 June 2011; Elsevier Science B.V.: Amsterdam, The Netherlands, 2001. [Google Scholar]
  21. Gusev, A.V.; Kornev, R.A.; Sukhanov, A.Y. Behavior of carbon-containing impurities during plasma synthesis of trichlorosilane. High Energy Chem. 2008, 42, 56–58. [Google Scholar] [CrossRef]
  22. Kabadi, V.N.; Danner, R.P. Modified soave-redlich-kwong equation of state for water-hydrocarbon phase equilibria. Ind. Eng. Chem. Process Des. Dev. 1985, 24, 537–541. [Google Scholar] [CrossRef]
  23. Tao, X.; Bai, M.; Li, X.; Long, H.; Shang, S.; Yin, Y.; Dai, X. CH4-CO2 reforming by plasma—Challenges and opportunities. Prog. Energy Combust. Sci. 2011, 37, 113–124. [Google Scholar] [CrossRef]
  24. Theofanidis, S.A.; Galvita, V.V.; Poelman, H.; Marin, G.B. Enhanced carbon-resistant dry reforming Fe-Ni catalyst: Role of Fe. ACS Catal. 2015, 5, 3028–3039. [Google Scholar] [CrossRef]
  25. Hla, S.S.; Park, D.; Duffy, G.J.; Edwards, J.H.; Roberts, D.G.; Ilyushechkin, A.; Morpeth, L.D.; Nguyen, T. Kinetics of high-temperature water-gas shift reaction over two iron-based commercial catalysts using simulated coal-derived syngases. Chem. Eng. J. 2009, 146, 148–154. [Google Scholar] [CrossRef]
  26. Zhu, M.; Wachs, I.E. Iron-Based Catalysts for the high-temperature water-gas shift (HT-WGS) reaction: A review. ACS Catal. 2016, 6, 722–732. [Google Scholar] [CrossRef]
  27. Bobrova, I.I.; Bobrov, N.N.; Chesnokov, V.V.; Parmon, V.N. Catalytic steam reforming of methane: New data on the contribution of homogeneous radical reactions in the gas phase: II. A ruthenium catalyst. Kinet. Catal. 2001, 42, 805–812. [Google Scholar] [CrossRef]
  28. Wu, H.; la Parola, V.; Pantaleo, G.; Puleo, F.; Venezia, A.; Liotta, L. Ni-based catalysts for low temperature methane steam reforming: Recent results on Ni-Au and comparison with other Bi-metallic systems. Catalysts 2013, 3, 563–583. [Google Scholar] [CrossRef]
  29. Muller, C.R.; Pacciani, R.; Bohn, C.D.; Scott, S.A.; Dennis, J.S. Investigation of the enhanced water gas shift reaction using natural and synthetic sorbents for the capture of CO2. Ind. Eng. Chem. Res. 2009, 48, 10284–10291. [Google Scholar] [CrossRef]
  30. Jang, W.; Jeong, D.; Shim, J.-O.; Kim, H.; Roh, H.; Son, I.H.; Lee, S.J. Combined steam and carbon dioxide reforming of methane and side reactions: Thermodynamic equilibrium analysis and experimental application. Appl. Energy 2016, 173, 80–91. [Google Scholar] [CrossRef]
  31. Scapinello, M.; Martini, L.M.; Dilecce, G.; Tosi, P. Conversion of CH4/CO2 by a nanosecond repetitively pulsed discharge. J. Phys. D Appl. Phys. 2016, 49, 75602. [Google Scholar] [CrossRef]
  32. Damyanova, S.; Pawelec, B.; Arishtirova, K.; Fierro, J.L.G. Ni-based catalysts for reforming of methane with CO2. Int. J. Hydrogen Energy 2012, 37, 15966–15975. [Google Scholar] [CrossRef]
  33. Golmakani, A.; Fatemi, S.; Tamnanloo, J. Investigating PSA, VSA, and (TSA) methods in (SMR) unit of refineries for hydrogen production with fuel cell specification. Sep. Purif. Technol. 2017, 176, 73–91. [Google Scholar] [CrossRef]
  34. Chowdhury, D.R.; Sarkar, S.C. Application of pressure swing adsorption cycle in the quest of production of oxygen and nitrogen. Int. J. Eng. Sci. Innov. Technol. 2016, 5, 64–69. [Google Scholar]
  35. Hamilton, H. Palladium-based membranes for hydrogen separation. Platin. Met. Rev. 2012, 56, 117–123. [Google Scholar] [CrossRef]
  36. Olah, G.A.; Prakash, G.K.S.; Goeppert, A. Anthropogenic chemical carbon cycle for a sustainable future. J. Am. Chem. Soc. 2011, 133, 12881–12898. [Google Scholar] [CrossRef] [PubMed]
  37. Olah, G.A.; Goeppert, A.; Czaun, M.; Prakash, G.K.S. Bi-reforming of methane from any source with steam and carbon dioxide exclusively to metgas (CO-2H2) for methanol and hydrocarbon synthesis. J. Am. Chem. Soc. 2013, 135, 648–650. [Google Scholar] [CrossRef] [PubMed]
  38. Santos, B.A.V.; Loureiro, J.M.; Ribeiro, A.M.; Rodrigues, A.E.; Cunha, A.F. Methanol production by bi-reforming. Can. J. Chem. Eng. 2015, 93, 510–526. [Google Scholar] [CrossRef]
  39. Herguido, J.; Corella, J.; Gonzalez-Saiz, J. Steam gasification of lignocellulosic residues in a fluidized bed at a small pilot scale. Effect of the type of feedstock. Ind. Eng. Chem. Res. 1992, 31, 1274–1282. [Google Scholar] [CrossRef]
  40. Khan, Z.; Inayat, A.; Yusup, S.; Ahmad, M.M. Kinetic parameters determination using optimization approach in integrated catalytic adsorption steam gasification for hydrogen production. Int. J. Hydrogen Energy 2015, 40, 8824–8832. [Google Scholar] [CrossRef]
  41. Twigg, M.V. Catalyst Handbook, 2nd ed.; Manson: London, UK, 1996. [Google Scholar]
  42. Jockenhoevel, T.; Schneider, R.; Rode, H. Development of an economic post-combustion carbon capture process. Energy Procedia 2009, 1, 1043–1050. [Google Scholar] [CrossRef]
  43. Yan, S.; Fang, M.; Zhang, W.; Zhong, W.; Luo, Z.; Cen, K. Comparative analysis of CO2 separation from flue gas by membrane gas absorption technology and chemical absorption technology in China. Energy Convers. Manag. 2008, 49, 3188–3197. [Google Scholar] [CrossRef]
  44. Sayari, A.; Belmabkhout, Y.; Serna-Guerrero, R. Flue gas treatment via CO2 adsorption. Chem. Eng. J. 2011, 171, 760–774. [Google Scholar] [CrossRef]
  45. Sjostrom, S.; Krutka, H. Evaluation of solid sorbents as a retrofit technology for CO2 capture. Fuel 2010, 89, 1298–1306. [Google Scholar] [CrossRef]
  46. Mavroudi, M.; Kaldis, S.P.; Sakellaropoulos, G.P. Reduction of CO2 emissions by a membrane contacting process. Fuel 2003, 82, 2153–2159. [Google Scholar] [CrossRef]
  47. Xu, G.; Liang, F.; Yang, Y.; Hu, Y.; Zhang, K.; Liu, W. An improved CO2 separation and purification system based on cryogenic separation and distillation theory. Energies 2014, 7, 3484–3502. [Google Scholar] [CrossRef]
  48. Besong, M.T.; Maroto-Valer, M.M.; Finn, A.J. Study of design parameters affecting the performance of CO2 purification units in oxy-fuel combustion. Int. J. Greenh. Gas Control 2013, 12, 441–449. [Google Scholar] [CrossRef]
  49. Jana, A.K. Heat integrated distillation operation. Appl. Energy 2010, 87, 1477–1494. [Google Scholar] [CrossRef]
  50. Luis, P. Use of monoethanolamine (MEA) for CO2 capture in a global scenario: Consequences and alternatives. Desalination 2016, 380, 93–99. [Google Scholar] [CrossRef]
  51. Luyben, W.L. Design and control of the dry methane reforming process. Ind. Eng. Chem. Res. 2014, 53, 14423–14439. [Google Scholar] [CrossRef]
  52. Alie, C.; Backham, L.; Croiset, E.; Douglas, P.L. Simulation of CO2 capture using MEA scrubbing: A flowsheet decomposition method. Energy Convers. Manag. 2005, 46, 475–487. [Google Scholar] [CrossRef]
  53. Jung, J.; Jeong, Y.S.; Lim, Y.; Lee, C.S.; Han, C. Advanced CO2 capture process using MEA scrubbing: Configuration of a split flow and phase separation heat exchanger. Energy Procedia 2013, 37, 1778–1784. [Google Scholar] [CrossRef]
  54. Singh, D.; Croiset, E.; Douglas, P.L.; Douglas, M.A. Techno-economic study of CO2 capture from an existing coal-fired power plant: MEA scrubbing vs. O2/CO2 recycle combustion. Energy Convers. Manag. 2003, 44, 3073–3091. [Google Scholar] [CrossRef]
  55. Xu, G.; Li, L.; Yang, Y.; Tian, L.; Liu, T.; Zhang, K. A novel CO2 cryogenic liquefaction and separation system. Energy 2012, 42, 522–529. [Google Scholar] [CrossRef]
  56. Soave, G.S.; Gamba, S.; Pellegrini, L.A.; Bonomi, S. Feed-splitting technique in cryogenic distillation. Ind. Eng. Chem. Res. 2006, 45, 5761–5765. [Google Scholar] [CrossRef]
  57. Salerno, D.; Arellano-Garcia, H.; Wozny, G. Ethylene separation by feed-splitting from light gases. Energy 2011, 36, 4518–4523. [Google Scholar] [CrossRef]
  58. Li, X.; Li, J.; Yang, B. Design and control of the cryogenic distillation process for puri fi cation of synthetic natural gas from methanation of coke oven gas. Ind. Eng. Chem. Res. 2014, 53, 19583–19593. [Google Scholar]
  59. Ryi, S.K.; Lee, S.W.; Park, J.W.; Oh, D.K.; Park, J.S.; Kim, S.S. Combined steam and CO2 reforming of methane using catalytic nickel membrane for gas to liquid (GTL) process. Catal. Today 2014, 236, 49–56. [Google Scholar] [CrossRef]
  60. Danilova, M.M.; Fedorova, Z.A.; Kuzmin, V.A.; Zaikovskii, V.I.; Porsin, A.V.; Krieger, T. Combined steam and carbon dioxide reforming of methane over porous nickel based catalysts. Catal. Sci. Technol. 2015, 5, 2761–2768. [Google Scholar] [CrossRef]
  61. Gangadharan, P.; Kanchi, K.C.; Lou, H.H. Evaluation of the economic and environmental impact of combining dry reforming with steam reforming of methane. Chem. Eng. Res. Des. 2012, 90, 1956–1968. [Google Scholar] [CrossRef]
  62. Basini, L.; Piovesan, L. Reduction on synthesis gas costs by decrease of steam/carbon and oxygen/carbon ratios in the feedstock. Ind. Eng. Chem. Res. 1998, 37, 258–266. [Google Scholar] [CrossRef]
  63. Brunet, R.; Boer, D.; Guillén-Gosálbez, G.; Jiménez, L. Reducing the cost, environmental impact and energy consumption of biofuel processes through heat integration. Chem. Eng. Res. Des. 2015, 93, 203–212. [Google Scholar] [CrossRef]
  64. Zhang, C.; Jun, K.W.; Gao, R.; Kwak, G.; Park, H.G. Carbon dioxide utilization in a gas-to-methanol process combined with CO2/steam-mixed reforming: Techno-economic analysis. Fuel 2017, 190, 303–311. [Google Scholar] [CrossRef]
  65. Zhang, X.; Cha, M.S. Electron-induced dry reforming of methane in a temperature-controlled dielectric barrier discharge reactor. J. Phys. D. Appl. Phys. 2013, 46, 415205. [Google Scholar] [CrossRef]
  66. Kogelschatz, U. Dielectric-barrier discharges: Their history, discharge physics, and industrial applications. Plasma Chem. Plasma Process. 2003, 23, 1–46. [Google Scholar] [CrossRef]
  67. Penteado, A.; Esche, E.; Salerno, D.; Godini, H.R.; Wozny, G. Design and assessment of a membrane and absorption based carbon dioxide removal process for oxidative coupling of methane. Ind. Eng. Chem. Res. 2016, 55, 7473–7483. [Google Scholar] [CrossRef]
  68. Whyte, T.E.; Yon, C.M.; Wagener, E.H. Industrial Gas Separations; ACS Symposium Series 223; American Chemical Society: Washington, DC, USA, 1983. [Google Scholar]
  69. Peng, L.; Park, Y.H.; Moon, D.J.; Park, N.C.; Kim, Y.C. Carbon deposition onto Ni-Based catalysts for combined steam/CO2 reforming of methane. J. Nanosci. Nanotechnol. 2016, 16, 1562–1566. [Google Scholar]
  70. Kim, A.R.; Lee, H.Y.; Lee, D.H.; Kim, B.W.; Chung, C.H.; Moon, D.J.; Jang, E.J.; Pang, C.; Bae, J.W. Combined steam and CO2 reforming of CH4 on LaSrNiOx mixed oxides supported on Al2O3-modified SiC support. Energy Fuels 2015, 29, 1055–1065. [Google Scholar] [CrossRef]
  71. Couper, J.R.; Penney, R.W.; Fair, J.R.; Walas, S.M. Chemical Process Equipment: Selection and Design, 3rd ed.; Butterwoth-Heinemann: Oxford, UK, 2012. [Google Scholar]
Figure 1. Sensitivity analysis of the amount of water (steam) on the H2/CO molar ratio in the water-gas shift (WGS) outlet stream; approximately 15 ton/h of water are required in the WGS reactor to reach H2/CO = 2 at the outlet WGS stream.
Figure 1. Sensitivity analysis of the amount of water (steam) on the H2/CO molar ratio in the water-gas shift (WGS) outlet stream; approximately 15 ton/h of water are required in the WGS reactor to reach H2/CO = 2 at the outlet WGS stream.
Energies 10 01429 g001
Figure 2. Upstream part (reaction section) of thermal catalytic dry methane reforming (DMR). CO2 and CH4 are cracked in the DMR reactor; H2O is added in a second step to the water-gas shift (WGS) reactor to adjust the H2/CO ratio in the final syngas stream.
Figure 2. Upstream part (reaction section) of thermal catalytic dry methane reforming (DMR). CO2 and CH4 are cracked in the DMR reactor; H2O is added in a second step to the water-gas shift (WGS) reactor to adjust the H2/CO ratio in the final syngas stream.
Energies 10 01429 g002
Figure 3. Sensitivity analysis of the equilibrium constant for the water-gas shift (WGS) reaction at 750 °C. The effect of the experimental equilibrium constants reported by Herguido et al. [39] and Khan et al. [40], the theoretical one reported by Twigg [41], and the theoretical one calculated by Aspen Plus process simulator V8.8 (this work) on the H2/CO and H2/(2CO + 3CO2) ratio of the WGS outlet and final syngas stream, respectively, is shown.
Figure 3. Sensitivity analysis of the equilibrium constant for the water-gas shift (WGS) reaction at 750 °C. The effect of the experimental equilibrium constants reported by Herguido et al. [39] and Khan et al. [40], the theoretical one reported by Twigg [41], and the theoretical one calculated by Aspen Plus process simulator V8.8 (this work) on the H2/CO and H2/(2CO + 3CO2) ratio of the WGS outlet and final syngas stream, respectively, is shown.
Energies 10 01429 g003
Figure 4. Process block diagram and process flow diagram of a thermal catalytic dry methane reforming (DMR) process using a monoethanolamine (MEA) process for CO2 absorption [51].
Figure 4. Process block diagram and process flow diagram of a thermal catalytic dry methane reforming (DMR) process using a monoethanolamine (MEA) process for CO2 absorption [51].
Energies 10 01429 g004
Figure 5. Process block diagram and process flow diagram of a thermal catalytic dry methane reforming (DMR) process with cryogenic separation process [55] (CO2 liquefaction process).
Figure 5. Process block diagram and process flow diagram of a thermal catalytic dry methane reforming (DMR) process with cryogenic separation process [55] (CO2 liquefaction process).
Energies 10 01429 g005
Figure 6. CO2 phase transition temperature: (a) Pure CO2 stream; and (b) CO2/H2 gas mixture with 15% (molar base) CO2 concentration [55].
Figure 6. CO2 phase transition temperature: (a) Pure CO2 stream; and (b) CO2/H2 gas mixture with 15% (molar base) CO2 concentration [55].
Energies 10 01429 g006
Figure 7. Process block diagram and process flow diagram of a thermal catalytic dry methane reforming (DMR) process with an SMR reactor and the respective process flow diagram.
Figure 7. Process block diagram and process flow diagram of a thermal catalytic dry methane reforming (DMR) process with an SMR reactor and the respective process flow diagram.
Energies 10 01429 g007
Figure 8. Plasma reactor at industrial scale as it is presented by Kogelschatz [66].
Figure 8. Plasma reactor at industrial scale as it is presented by Kogelschatz [66].
Energies 10 01429 g008
Figure 9. Process block diagram and process floe diagram of a plasma-assisted dry methane reforming (P-DMR) process with CH4 and CO2 removal processes.
Figure 9. Process block diagram and process floe diagram of a plasma-assisted dry methane reforming (P-DMR) process with CH4 and CO2 removal processes.
Energies 10 01429 g009
Figure 10. Process block diagram and process flow diagram of a plasma-assisted dry methane reforming (P-DMR) process with CH4 and CO2 removal processes.
Figure 10. Process block diagram and process flow diagram of a plasma-assisted dry methane reforming (P-DMR) process with CH4 and CO2 removal processes.
Energies 10 01429 g010
Figure 11. Grand composite curve of the thermal catalytic dry methane reforming (DMR) process. The energy pocket can be used for heating.
Figure 11. Grand composite curve of the thermal catalytic dry methane reforming (DMR) process. The energy pocket can be used for heating.
Energies 10 01429 g011
Figure 12. Heat exchanger network for the thermal catalytic dry methane reforming (DMR) process: in white, coolers for the hot process streams; and, in grey, the steam methane reforming (SMR) reactor.
Figure 12. Heat exchanger network for the thermal catalytic dry methane reforming (DMR) process: in white, coolers for the hot process streams; and, in grey, the steam methane reforming (SMR) reactor.
Energies 10 01429 g012
Figure 13. Grand composite curve of the plasma-assisted dry methane reforming (P-DMR) process. An energy pocket can be used to heat up the cold streams without needing an extra heat source.
Figure 13. Grand composite curve of the plasma-assisted dry methane reforming (P-DMR) process. An energy pocket can be used to heat up the cold streams without needing an extra heat source.
Energies 10 01429 g013
Figure 14. Heat exchanger network for the plasma-assisted dry methane reforming (P-DMR) process.
Figure 14. Heat exchanger network for the plasma-assisted dry methane reforming (P-DMR) process.
Energies 10 01429 g014
Table 1. Dry methane reforming (DMR) and water-gas shift (WGS) reactor inlet and outlet streams composition.
Table 1. Dry methane reforming (DMR) and water-gas shift (WGS) reactor inlet and outlet streams composition.
Stream1234
FeedDMR OutletWater (Steam)WGS Outlet
Componentkg/hkmol/hkg/hkmol/hkg/hkmol/hkg/hkmol/h
CO213,753312.5131530--7739176
CO--15,246544--12,281438
H2O--3772172514034276237
H2--1013503--1576782
CH45013312.581551--1077
Total18,76662518,7661149725140325,9791640
Volume flow (m3/h)15,45197,72234,236139,509
Pressure (bara)1.01.01.01.0
Temperature (°C)25750750750
Table 2. Table 2. Performance criteria of the downstream process alternatives for thermal catalytic dry methane reforming (DMR) process.
Table 2. Table 2. Performance criteria of the downstream process alternatives for thermal catalytic dry methane reforming (DMR) process.
Purification ProcessesCold Duty kW/kmolsyngas h−1Hot Duty kW/kmolsyngas h−1Electricity kWh/kmolsyngasCapital Investment k$/(kmol h−1)Resource Efficiency kmolsyngas/kmolCH4
MEA absorption5.62.62.46.64.00
CO2 liquefaction5.33.17.94.03.91
Combined DMR + SMR22.816.515.85.54.14
Table 3. Plasma-assisted dry methane reforming (P-DMR) reactor inlet and outlet streams composition.
Table 3. Plasma-assisted dry methane reforming (P-DMR) reactor inlet and outlet streams composition.
Stream1234
FeedP-DMR OutletWater (Steam)SCMR Outlet
Componentkg/hkmol/hkg/hkmol/hkg/hkmol/hkg/hkmol/h
CO222,00550012,595286--14,171322
CO--8095289--16,445587
H2O--245013624,321135020,1101116
H2--647321--25031242
CH480215003979248--2 × 10−11 × 10−2
C2H6--752.5----
C2H4--1756.25----
C2H2--87933.8----
C3H8--143 × 10−1----
Coke--1117-----
Total30,026100030,026132324,321135053,2293267
Vol. Flow (m3/h)24,72152,027105,861345,771
Pressure (bara)1.01.01.01.0
Temperature (°C)2520010001000
Table 4. Available process streams for heat integration in thermal catalytic dry methane reforming (DMR) process.
Table 4. Available process streams for heat integration in thermal catalytic dry methane reforming (DMR) process.
StreamsActual TemperatureInterval TemperatureCPMΔΗTotal Demand
°C°CkW/°CkWMW
TsupTtargTsupTtarg
FEEDCold 125750357609.0649645.7 (Hot utility)
WATER to WGSCold 2257503576011.07945
CH4 to SMRCold 325100035101011.210,901
H2O to SMRCold 425100035101015.314,920
SyngasCold 5882509826033.65441
Comp1Hot 113422013321018.1−23,883−56.7 (Cold Utility)
Comp2Hot 2162201521012.4−1767
Comp3Hot 3104−1094−2012.6−1436
SMR-OUTHot 41000509904022.1−20,967
CompSMR1Hot 5299502894021.3−5302
CompSMR2Hot 6208501984021.3−3368
Table 5. Heat balances for the temperature intervals in thermal catalytic dry methane reforming (DMR) process.
Table 5. Heat balances for the temperature intervals in thermal catalytic dry methane reforming (DMR) process.
Temperature (°C)Stream OverlappingΔΤ (°C)ΔCp(H,C) (kW/°C)ΔΗ (kW)Surplus/Deficit
1332Energies 10 01429 i001Energies 10 01429 i002Energies 10 01429 i003Energies 10 01429 i004Energies 10 01429 i005Energies 10 01429 i006Energies 10 01429 i007Energies 10 01429 i008Energies 10 01429 i009Energies 10 01429 i010Energies 10 01429 i011322−18.1−5817Surplus
1010208.4168Deficit
990230−13.7−3140Surplus
7604716.32951Deficit
28929−15.0−436Surplus
2606218.61151Deficit
19846−2.8−127Surplus
15254−15.2−821Surplus
984−48.8−195Surplus
9454−61.4−3315Surplus
4053.317Deficit
3525−43.1−1078Surplus
1030−12.6−378Surplus
−20----
C1C2C3C4C5H1H2H3H4H5H6
Table 6. Problem table algorithm for the required utilities in thermal catalytic dry methane reforming (DMR) process.
Table 6. Problem table algorithm for the required utilities in thermal catalytic dry methane reforming (DMR) process.
T (°C)Hot UtilityΔH (kW)
1332Energies 10 01429 i0120
ΔΗ = −5817.2 kW
1010Energies 10 01429 i0135817.2
ΔΗ = 168.3 kW
990Energies 10 01429 i0145648.8
ΔΗ = −3140.2 kW
760Energies 10 01429 i0158789.1
ΔΗ = 2951.0 kW
289Energies 10 01429 i0165838.1
ΔΗ = −435.8 kW
260Energies 10 01429 i0176273.9
ΔΗ = 1150.6 kW
198Energies 10 01429 i0185123.3
ΔΗ = −126.9 kW
152Energies 10 01429 i0195250.1
ΔΗ = −820.9 kW
98Energies 10 01429 i0206071.0
ΔΗ = −195.2 kW
94Energies 10 01429 i0216266.2
ΔΗ = −3314 W
40Energies 10 01429 i0229580.9
ΔΗ = 16.5 kW
35Energies 10 01429 i0239564.5
ΔΗ = −1077.6kW
10Energies 10 01429 i02410,642.1
ΔΗ = −377.9 kW
−20Energies 10 01429 i02511,020.0
Cold utility
Table 7. Available process streams for heat integration in the plasma-assisted dry methane reforming (P-DMR) process.
Table 7. Available process streams for heat integration in the plasma-assisted dry methane reforming (P-DMR) process.
Stream Name
(Suppl. Material)
Stream TypeActual TemperatureInterval TemperatureCPMΔΗTotal Demand
°C°CkW/°CkWMW
TsupTtargTsupTtarg
S4Cold 125100035101031.530,69248.8
(Hot Utility)
S12Cold 2025103524.0600
S15Cold 3−44250−3426015.34494
S1Cold 42001000210101016.313,013
S9Hot 1155201542−1042.7−66,213−72.8
(Cold Utility)
S10Hot 2126−100116−11029.0−6555
Table 8. Heat balances for the temperature intervals in the plasma-assisted dry methane reforming (P-DMR) process.
Table 8. Heat balances for the temperature intervals in the plasma-assisted dry methane reforming (P-DMR) process.
Temperature (°C)Stream OverlappingΔΤ (°C)ΔCp(H,C) (kW/°C)ΔΗ (kW)Surplus/Deficit
1542Energies 10 01429 i026Energies 10 01429 i027Energies 10 01429 i028Energies 10 01429 i029Energies 10 01429 i030Energies 10 01429 i031532−42.7−22,697Surplus
10107505.13812Deficit
2605020.41018Deficit
210944.1386Deficit
11681−24.9−2017Surplus
3525−32.4−810Surplus
1020−56.4−1128Surplus
−1024−13.7−329Surplus
−3476−29.0−2204Surplus
−110----
C1C2C3C4H1H2
Table 9. Problem table algorithm for the required utilities in plasma-assisted dry methane reforming (P-DMR) process.
Table 9. Problem table algorithm for the required utilities in plasma-assisted dry methane reforming (P-DMR) process.
T (°C)Hot UtilityΔH (kW)
1542Energies 10 01429 i0320
ΔΗ = −22,696.7 kW
1010Energies 10 01429 i03322,696.7
ΔΗ = 3812.2 kW
260Energies 10 01429 i03418,884.5
ΔΗ = 1018.4 kW
210Energies 10 01429 i03517,866.1
ΔΗ = 385.5 kW
116Energies 10 01429 i03617,480.6
ΔΗ = −2017.1 kW
35Energies 10 01429 i03719,497.7
ΔΗ = −809.9 kW
10Energies 10 01429 i03820,307.6
ΔΗ = −1127.6 kW
−10Energies 10 01429 i03921,435.2
ΔΗ = −329.2 kW
−34Energies 10 01429 i04021,764.5
ΔΗ = −2204.2 kW
−110Energies 10 01429 i04123,968.7
Cold utility
Table 10. Hot and cold utility demand before and after heat integration.
Table 10. Hot and cold utility demand before and after heat integration.
DMR ProcessesHot Utility, MWCold Utility, MW
Before Heat IntegrationAfter Heat IntegrationBefore Heat IntegrationAfter Heat Integration
Thermal catalytic DMR process45.72.156.711.0
Plasma-assisted DMR process48.8-72.824
Table 11. Total equipment cost of the thermal catalytic DMR process.
Table 11. Total equipment cost of the thermal catalytic DMR process.
Thermal Catalytic DMR Process
EquipmentPurchase Cost, M$Installation FactorInstalled Cost, M$
DMR--1.522
SMR--3.056
WGS--0.132
Comp12.3761.33.089
Comp20.8061.31.047
Comp30.5891.30.765
Comp41.6091.32.091
Comp51.2661.31.645
Comp60.8951.31.163
HX-10.0042.00.008
HX-20.0202.00.040
HX-30.0132.00.027
HX-40.0042.00.008
HX-50.0032.00.006
HX-60.0072.00.014
HX-70.0182.00.035
HX-80.0052.00.009
HX-90.0072.00.014
Cooler-10.0492.00.098
Cooler-20.0172.00.035
Cooler-40.0152.00.030
Cooler-50.0122.00.024
Cooler-3 (Refrigeration system)--0.785
Total equipment cost15.644
Table 12. Total equipment cost of the plasma-assisted DMR process.
Table 12. Total equipment cost of the plasma-assisted DMR process.
Plasma-Assisted DMR Process
EquipmentPurchase Cost, M$Installation FactorInstalled Cost, M$
SCMR--1.339
P-DMR--7.100
Comp13.6581.34.755
Comp20.9741.31.266
Comp30.4941.30.643
HX-10.0142.00.028
HX-20.0062.00.012
HX-30.0082.00.016
HX-40.0102.00.021
HX-50.0032.00.006
Cooler-1 (Refrigeration system)--4.119
Cooler-2 (Refrigeration system)--4.490
Total equipment cost23.795
Table 13. Quantified performance criteria for thermal catalytic and plasma-assisted DMR process.
Table 13. Quantified performance criteria for thermal catalytic and plasma-assisted DMR process.
ProcessResource Efficiency kmolsyngas/kmoliHot Utility kWh/kmolsyngasElectricity kWh/kmolsyngasInvestment
k$/kmolsyngas h−1
-CH4CO2H2O---
Thermal catalytic DMR4.1412.834.8815.75.43.9
Plasma-assisted DMR3.699.157.90-37 + 12.7 = 49.712.9

Share and Cite

MDPI and ACS Style

Delikonstantis, E.; Scapinello, M.; Stefanidis, G.D. Investigating the Plasma-Assisted and Thermal Catalytic Dry Methane Reforming for Syngas Production: Process Design, Simulation and Evaluation. Energies 2017, 10, 1429. https://doi.org/10.3390/en10091429

AMA Style

Delikonstantis E, Scapinello M, Stefanidis GD. Investigating the Plasma-Assisted and Thermal Catalytic Dry Methane Reforming for Syngas Production: Process Design, Simulation and Evaluation. Energies. 2017; 10(9):1429. https://doi.org/10.3390/en10091429

Chicago/Turabian Style

Delikonstantis, Evangelos, Marco Scapinello, and Georgios D. Stefanidis. 2017. "Investigating the Plasma-Assisted and Thermal Catalytic Dry Methane Reforming for Syngas Production: Process Design, Simulation and Evaluation" Energies 10, no. 9: 1429. https://doi.org/10.3390/en10091429

APA Style

Delikonstantis, E., Scapinello, M., & Stefanidis, G. D. (2017). Investigating the Plasma-Assisted and Thermal Catalytic Dry Methane Reforming for Syngas Production: Process Design, Simulation and Evaluation. Energies, 10(9), 1429. https://doi.org/10.3390/en10091429

Note that from the first issue of 2016, this journal uses article numbers instead of page numbers. See further details here.

Article Metrics

Back to TopTop