Sensorless Control for the EVT-Based New Dual Power Flow Wind Energy Conversion System
Abstract
:1. Introduction
2. Model of the DPF-WECS
2.1. Power Flow of the DPF-WECS
2.2. Mathematical Model of the EVT
2.3. Model of the Wind Turbine
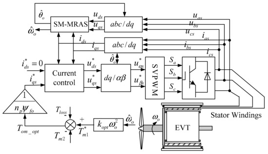
3. Sensorless Control for the DPF-WECS
3.1. SM-MRAS-Based Sensorless Control Strategy
3.2. MPPT Control for the DPF-WECS Considering Torque Loss
3.3. Sensorless Control for the Inner Rotor of the EVT Machine
4. Simulation Validation
5. Experimental Validation
5.1. Experimental Platform of the DPF-WECS
5.2. Validation of the SM-MRAS Sensorless MPPT Control
5.3. Validation of the Sensorless Control for the Inner Rotor
6. Conclusions
Acknowledgments
Author Contributions
Conflicts of Interest
References
- Cheng, M.; Zhu, Y. The state of the art of wind energy conversion systems and technologies: A review. Energy Convers. Manag. 2014, 88, 332–347. [Google Scholar] [CrossRef]
- Liserre, M.; Cardenas, R.; Molinas, M.; Rodriguez, J. Overview of multi-MW wind turbines and wind parks. IEEE Trans. Ind. Electron. 2011, 58, 1081–1095. [Google Scholar] [CrossRef]
- Polinder, H.; Van der Piji, F.F.A.; De Vilder, G.J.; Tavner, P.J. Comparison of direct-drive and geared generator concepts for wind turbines. IEEE Trans. Energy Convers. 2006, 21, 725–733. [Google Scholar] [CrossRef]
- Sun, X.; Cheng, M.; Zhu, Y.; Xu, L. Application of electrical variable transmission in wind power generation system. IEEE Trans. Ind. Appl. 2013, 49, 1299–1307. [Google Scholar] [CrossRef]
- Zhu, Y.; Cheng, M.; Hua, W.; Zhang, B. Sensorless control strategy of electrical variable transmission machines for wind energy conversion systems. IEEE Trans. Magn. 2013, 49, 3383–3386. [Google Scholar] [CrossRef]
- Finch, J.W.; Giaouris, D. Controlled AC electrical drives. IEEE Trans. Ind. Electron. 2008, 55, 1–11. [Google Scholar] [CrossRef]
- Shi, Y.; Sun, K.; Huang, L.; Li, Y. Online identification of permanent magnet flux based on extended kalman filter for IPMSM drive with position sensorless control. IEEE Trans. Ind. Electron. 2012, 59, 4169–4178. [Google Scholar] [CrossRef]
- Wu, X.; Wang, H.; Huang, S.; Huang, K.; Wang, L. Sensorless Speed Control with Initial Rotor Position Estimation for Surface Mounted Permanent Magnet Synchronous Motor Drive in Electric Vehicles. Energies 2015, 8, 11030–11046. [Google Scholar] [CrossRef]
- Li, S.; Haskew, T.A.; Swatloski, R.P.; Gathings, W. Optimal and direct-current vector control of direct-driven wind turbines. IEEE Trans. Power Electron. 2012, 27, 2325–2337. [Google Scholar] [CrossRef]
- Qiao, W.; Yang, X.; Gong, X. Wind speed and rotor position sensorless control for direct-drive PMG wind turbines. IEEE Trans. Ind. Appl. 2012, 48, 3–11. [Google Scholar] [CrossRef]
- Gadoue, S.M.; Giaouris, D.; Finch, J.W. MRAS Sensorless Vector Control of an Induction Motor Using New Sliding-Mode and Fuzzy-Logic Adaptation Mechanisms. IEEE Trans. Energy Convers. 2010, 25, 394–402. [Google Scholar] [CrossRef]
- Comanescu, M.; Xu, L. Sliding-mode MRAS speed estimators for sensorless vector control of induction machine. IEEE Trans. Ind. Electron. 2006, 53, 146–153. [Google Scholar] [CrossRef]
- Luo, X.; Niu, S. Maximum Power Point Tracking Sensorless Control of an Axial-Flux Permanent Magnet Vernier Wind Power Generator. Energies 2016, 9, 581. [Google Scholar] [CrossRef]
- Zhang, X.; Huang, C.; Hao, S.; Chen, F.; Zhai, J. An Improved Adaptive-Torque-Gain MPPT Control for Direct-Driven PMSG Wind Turbines Considering Wind Farm Turbulences. Energies 2016, 9, 977. [Google Scholar] [CrossRef]
- Agarwal, V.; Aggarwal, R.K.; Patidar, P.; Patki, C. A novel scheme for rapid tracking of maximum power point in wind energy generation systems. IEEE Trans. Energy Convers. 2010, 25, 228–236. [Google Scholar] [CrossRef]
- Pan, C.; Juan, Y. A novel sensorless MPPT controller for a high-efficiency microscale wind power generation system. IEEE Trans. Energy Convers. 2010, 25, 207–216. [Google Scholar]
- Raza Kazmi, S.M.; Goto, H.; Gao, H.; Ichinokura, O. A novel algorithm for fast and efficient speed-sensorless maximum power point tracking in wind energy conversion systems. IEEE Trans. Ind. Electron. 2011, 58, 29–36. [Google Scholar] [CrossRef]
- Huang, C.; Li, F.; Jin, Z. Maximum power point tracking strategy for large-scale wind generation systems considering wind turbine dynamics. IEEE Trans. Ind. Electron. 2015, 62, 2530–2539. [Google Scholar] [CrossRef]
- Zhu, Y.; Cheng, M.; Hua, W.; Wang, W. A Novel Maximum Power Point Tracking Control for Permanent Magnet Direct Drive Wind Energy Conversion Systems. Energies 2012, 5, 1398–1412. [Google Scholar] [CrossRef]















| Items | Wind Turbine |
|---|---|
| Rotor Radius (m) | 2.84 |
| Air density (kg/m3) | 1.225 |
| Optimum tip speed ratio | 8.1 |
| Optimum wind power coefficient | 0.48 |
| Rated wind speed (m/s) | 11 |
| Rated power (kW) | 10 |
| Items | Outer Machine | Inner Machine |
|---|---|---|
| Resistance (Ω) | 0.54 | 0.14 |
| d-axis inductance (mH) | 13 | 3.5 |
| q-axis inductance (mH) | 13 | 3.5 |
| Inertia (kg⋅m2) | 0.55 | 0.16 |
| Permanent Magnet flux-linkage (Wb) | 1.86 | 0.49 |
| Pole pairs | 6 | 6 |
| Items | Induction Motor |
|---|---|
| Stator resistance (Ω) | 0.385 |
| Rotor resistance (Ω) | 0.393 |
| Stator leakage inductance (mH) | 1.9 |
| Rotor leakage inductance (mH) | 1.9 |
| Mutual inductance (mH) | 85.7 |
| Rated speed (r/min) | 1450 |
© 2017 by the authors. Licensee MDPI, Basel, Switzerland. This article is an open access article distributed under the terms and conditions of the Creative Commons Attribution (CC BY) license (http://creativecommons.org/licenses/by/4.0/).
Share and Cite
Zhu, Y.; Cheng, M.; Zang, H. Sensorless Control for the EVT-Based New Dual Power Flow Wind Energy Conversion System. Energies 2017, 10, 888. https://doi.org/10.3390/en10070888
Zhu Y, Cheng M, Zang H. Sensorless Control for the EVT-Based New Dual Power Flow Wind Energy Conversion System. Energies. 2017; 10(7):888. https://doi.org/10.3390/en10070888
Chicago/Turabian StyleZhu, Ying, Ming Cheng, and Haixiang Zang. 2017. "Sensorless Control for the EVT-Based New Dual Power Flow Wind Energy Conversion System" Energies 10, no. 7: 888. https://doi.org/10.3390/en10070888
APA StyleZhu, Y., Cheng, M., & Zang, H. (2017). Sensorless Control for the EVT-Based New Dual Power Flow Wind Energy Conversion System. Energies, 10(7), 888. https://doi.org/10.3390/en10070888
