Seasonal Thermal-Energy Storage: A Critical Review on BTES Systems, Modeling, and System Design for Higher System Efficiency
Abstract
:1. Introduction
2. Seasonal Thermal Energy Storage for Meeting Demand Side Space Heating, Cooling and Domestic Hot Water (DHW) Loads
2.1. Hot Water Thermal Energy Storage (HWTES)
2.2. Gravel Water Thermal Energy Storage (GWTES)
2.3. Waste Snow Pits and Ice-Pond Seasonal Thermal Storage
2.4. Aquifer Thermal Energy Storage (ATES)
2.5. Borehole Thermal Energy Storage
3. BTES Principles
3.1. BTES Construction
3.2. BTES Performance Metrics
3.3. Examples of BTES Systems
3.3.1. Residential and Small Scale Demonstration of BTES
3.3.2. Community and Large Scale Demonstration of BTES
- 94–98.5% STTS Efficiency (short term thermal storage)—Annual average
- [98]
- 36–41% BTES Efficiency—5th Year
- 89–97% Utilized Solar Fraction (5th Year)
4. Design and Modeling of BTES
4.1. Parameters to Consider in BTES Modeling and Development
4.2. Component Design Level Modeling Software and Development
4.3. System Design Level Modeling Tools and Efforts to Couple System Level and Component Level Models
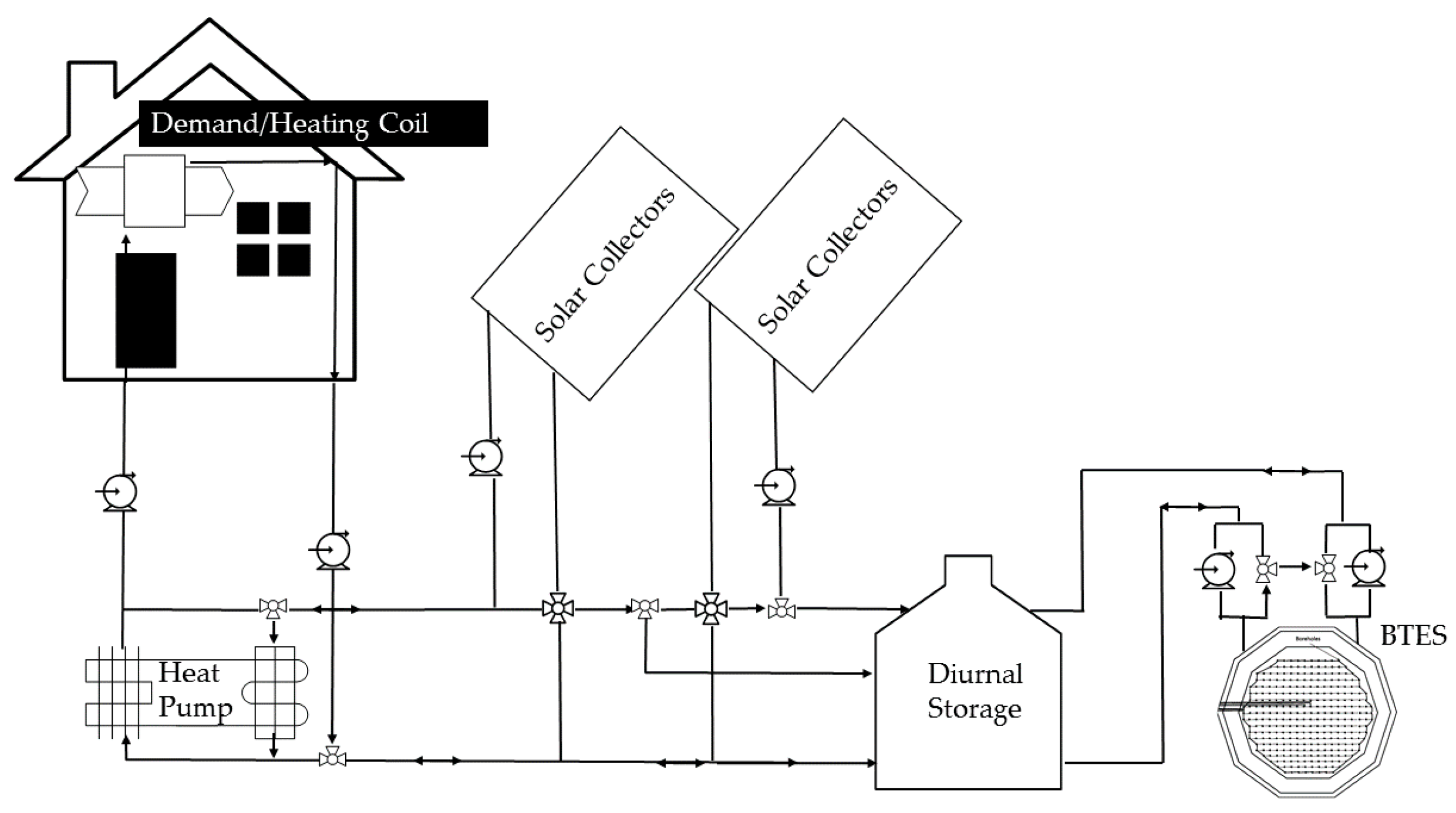
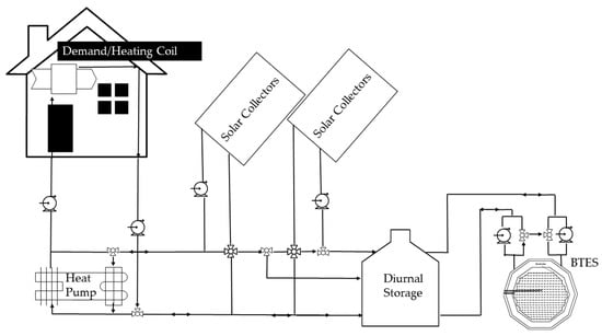
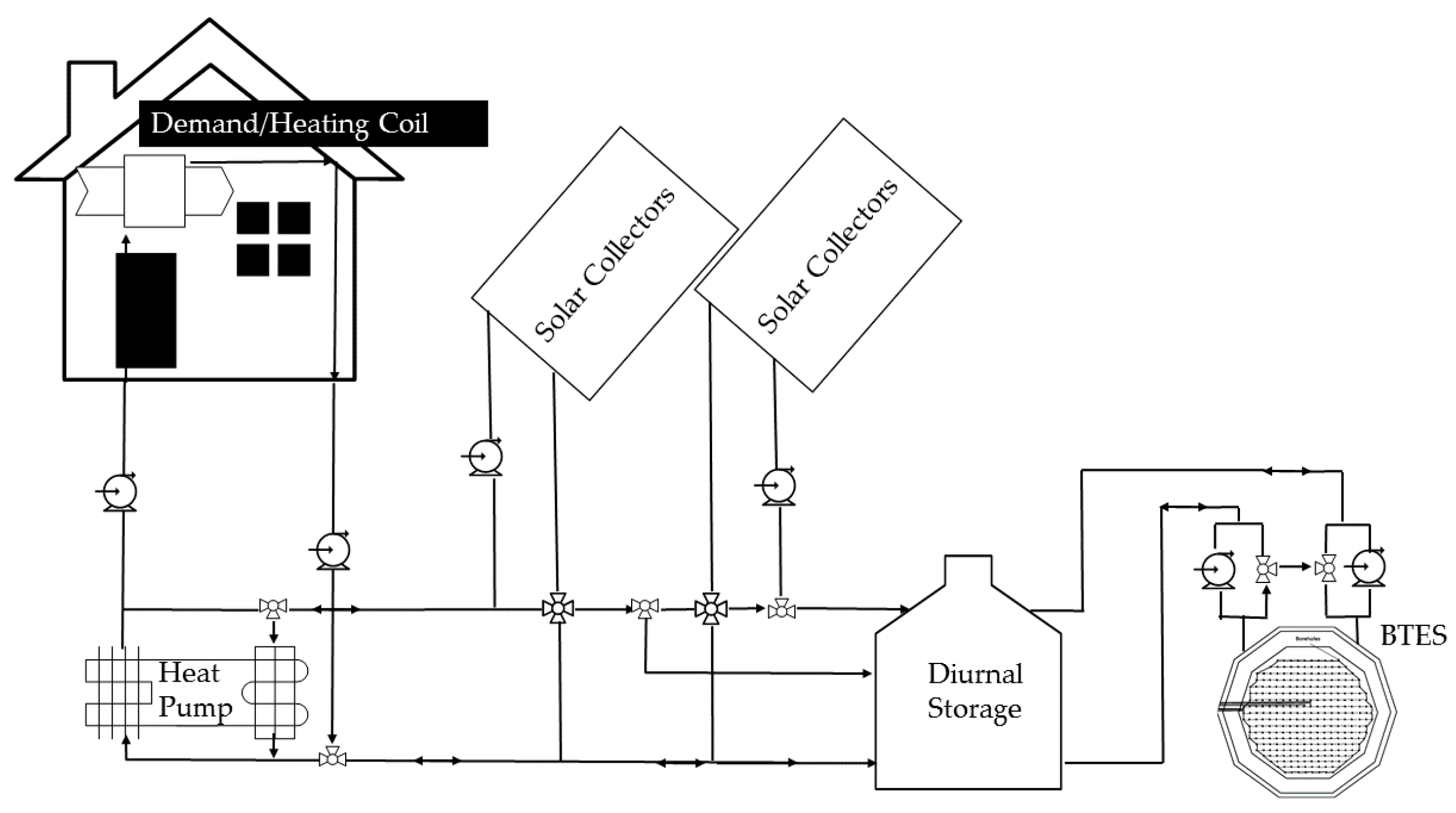
5. System Sizing and Integration of Diurnal and Seasonal Storage
Diurnal Storage for Space Cooling Using Absorption Chilling or Ice Storage
6. Conclusions and Research Outlook
- Community scale BTES requires a “charging” period of few years for the design system temperature to be reached;
- Most single-residential scale BTES often do not require solar thermal panels because of low system demand, which thermal regeneration in the ground can recover;
- BTES is more commonly used for space heating and DHW applications than cooling applications;
- BTES is less geographically limited than ATES and requires lower installation costs than HWTES or GWTES;
- Coupled diurnal and seasonal storage increases the overall utilization of captured solar energy;
- Coupled diurnal and seasonal storage systems are much more prevalent for heating than cooling applications;
- Performance metrics for BTES systems and components can be inconsistent across the field, however BTES efficiency is always defined as the fraction of energy extracted divided by the energy injected;
- Although there are a handful of studies coupling BTES at the component model with a system level simulation, most previous studies have not bridged the modeling gap between the two levels of modeling.
Acknowledgments
Author Contributions
Conflicts of Interest
References
- Monthly Energy Review June 2016. U.S. Energy Information Administration. Available online: https://www.eia.gov/totalenergy/data/monthly/pdf/sec2_3.pdf (accessed on 24 February 2017).
- Hill, J.; David, T.; Stephan, P.; Douglas, T. Environmental, economic, and energetic costs and benefits of biodiesel and ethanol biofuels. Proc. Natl. Acad. Sci. USA 2006, 103, 11206–11210. [Google Scholar] [CrossRef] [PubMed]
- Baldwin, C.; Cruickshank, C.A. A review of solar cooling technologies for residential applications in Canada. Energy Procedia 2012, 30, 495–504. [Google Scholar] [CrossRef]
- Denholm, P.; Hand, M. Grid flexibility and storage required to achieve very high penetration of variable renewable electricity. Energy Policy 2011, 39, 1817–1830. [Google Scholar] [CrossRef]
- Stadler, I. Power grid balancing of energy systems with high renewable energy penetration by demand response. Util. Policy 2008, 16, 90–98. [Google Scholar] [CrossRef]
- Tweed, K. California’s Fowl Problem: 10 Ways to Address the Renewable Duck Curve. 14 May 2014. Available online: http://www.greentechmedia.com/articles/read/10-ways-to-solve-the-renewable-duck-curve (accessed on 8 October 2016).
- Denholm, P.; O’Connell, M.; Brinkman, G.; Jorgenson, J. Overgeneration from Solar Energy in California: A Field Guide to the Duck Chart; DE-AC36–08GO28308; National Renewable Energy Library: Golden, CO, USA, 2015.
- Arteconi, A.; Ciarrocchi, E.; Pan, Q.; Carducci, F.; Comodi, G.; Polonara, F.; Wang, R. Thermal energy storage coupled with PV panels for demand side management of industrial building cooling loads. Appl. Energy 2017, 185, 1984–1993. [Google Scholar] [CrossRef]
- Gujar, M.; Datta, A.; Mohanty, P. Smart mini grid: An innovative distributed generation based energy system. In Proceedings of the 2013 IEEE Innovative Smart Grid Technologies—Asia (ISGT Asia), Bangalore, India, 10–13 November 2013; pp. 1–5. [Google Scholar]
- Lasseter, R.H.; Paigi, P. Microgrid: A conceptual solution. In Proceedings of the 2004 IEEE 35th Annual Power Electronics Specialists Conference (IEEE Cat. No.04CH37551), Aachen, Germany, 20–25 June 2004; Volume 6, pp. 4285–4290. [Google Scholar]
- Sovacool, B.K. The intermittency of wind, solar, and renewable electricity generators: Technical barrier or rhetorical excuse? Util. Policy 2009, 17, 288–296. [Google Scholar] [CrossRef]
- Jacobson, M.Z.; Delucchi, M.A.; Cameron, M.A.; Frew, B.A. Low-cost solution to the grid reliability problem with 100% penetration of intermittent wind, water, and solar for all purposes. Proc. Natl. Acad. Sci. USA 2015, 112, 15060–15065. [Google Scholar] [CrossRef] [PubMed]
- Lew, D.; Brinkman, G.; Ibanez, E.; Florita, A.; Hummon, M.; Hodge, B.; Stark, G.; King, J.; Lefton, S.; Kumar, N.; et al. The Western Wind and Solar Integration Study Phase 2; Technical DE-AC36–08GO28308; NREL: Golden, CO, USA, 2013.
- Driesen, J.; Katiraei, F. Design for distributed energy resources. IEEE Power Energy Mag. 2008, 6, 30–40. [Google Scholar]
- Islam, M.R.; Gabbar, H.A. Study of micro grid safety & protection strategies with control system infrastructures. Smart Grid Renew. Energy 2012, 3, 1–9. [Google Scholar]
- Bhandari, B.; Lee, K.-T.; Lee, G.-Y.; Cho, Y.-M.; Ahn, S.-H. Optimization of hybrid renewable energy power systems: A review. Int. J. Precis. Eng. Manuf. Green Technol. 2015, 2, 99–112. [Google Scholar] [CrossRef]
- Proietti, S.; Sdringola, P.; Castellani, F.; Astolfi, D.; Vuillermoz, E. On the contribution of renewable energies for feeding a high altitude smart mini grid. Appl. Energy 2017, 185, 1694–1701. [Google Scholar] [CrossRef]
- Lee, K.-H.; Joo, M.-C.; Baek, N.-C. Experimental evaluation of simple thermal storage control strategies in low-energy solar houses to reduce electricity consumption during grid on-peak periods. Energies 2015, 8, 9344–9364. [Google Scholar] [CrossRef]
- Jacobson, M.Z.; Delucchi, M.A. Providing all global energy with wind, water, and solar power, Part I: Technologies, energy resources, quantities and areas of infrastructure, and materials. Energy Policy 2011, 39, 1154–1169. [Google Scholar] [CrossRef]
- Mason, I.G.; Page, S.C.; Williamson, A.G. A 100% renewable electricity generation system for New Zealand utilising hydro, wind, geothermal and biomass resources. Energy Policy 2010, 38, 3973–3984. [Google Scholar] [CrossRef]
- Becker, S.; Bethany, F.; Andersen, G.; Zeyer, T.; Schramm, S.; Greiner, M.; Jacobson, M. Features of a fully renewable US electricity system: Optimized mixes of wind and solar PV and transmission grid extensions. Energy 2014, 72, 443–458. [Google Scholar] [CrossRef]
- Rasmussen, M.G.; Andresen, G.B.; Greiner, M. Storage and balancing synergies in a fully or highly renewable pan-European power system. Energy Policy 2012, 51, 642–651. [Google Scholar] [CrossRef]
- Sabihuddin, S.; Kiprakis, A.E.; Mueller, M. A numerical and graphical review of energy storage technologies. Energies 2014, 8, 172–216. [Google Scholar] [CrossRef]
- Nordell, B. Large-Scale Thermal Energy Storage; Division of Water Resources Engineering—Lulea University of Technology: Lulea, Sweden, 2000. [Google Scholar]
- Hyman, L. Sustainable Thermal Storage Systems Planning Design and Operations; McGraw-Hill: New York, NY, USA, 2011. [Google Scholar]
- Marnay, C.; Venkataramanan, G.; Stadler, M.; Siddiqui, A.S.; Firestone, R.; Chandran, B. Optimal technology selection and operation of commercial-building microgrids. IEEE Trans. Power Syst. 2008, 23, 975–982. [Google Scholar] [CrossRef]
- Denholm, P.; Jorgenson, J.; Miller, M.; Zhou, E. Methods for Analyzing the Economic Value of Concentrating Solar Power with Thermal Energy Storage; NREL/TP-6A20–64256; National Renewable Energy Library: Golden, CO, USA, 2015.
- Denholm, P.; Ong, S.; Booten, C. Using Utility Load Data to Estimate Demand for Space Cooling and Potential for Shiftable Loads; TP-6A20–54509; National Renewable Energy Library: Golden, CO, USA, 2012.
- Evans, A.; Strezov, V.; Evans, T.J. Assessment of utility energy storage options for increased renewable energy penetration. Renew. Sustain. Energy Rev. 2012, 16, 4141–4147. [Google Scholar] [CrossRef]
- Rad, F.M.; Fung, A.S. Solar community heating and cooling system with borehole thermal energy storage —Review of systems. Renew. Sustain. Energy Rev. 2016, 60, 1550–1561. [Google Scholar] [CrossRef]
- Nordell, B.; Grein, M.; Kharseh, M. Large-scale utilisation of renewable energy requires energy storage. In Proceedings of the International Conference of Renewable Energys and Suistainable Development, Tlemcen, Algeria, 21–24 May 2007. [Google Scholar]
- Dincer, I.; Rosen, M.A. Thermal Energy Storage: Systems and Applications; John Wiley & Sons: Hoboken, NJ, USA, 2011. [Google Scholar]
- Kalaiselvam, S.; Parameshwaran, R. Thermal Energy Storage Technologies for Sustainability: Systems Design, Assessment and Applications; Elsevier: Amsterdam, The Netherlands, 2014. [Google Scholar]
- Mangold, D.; Schmidt, T.; Müller-Steinhagen, H. Seasonal thermal energy storage in Germany. Struct. Eng. Int. 2004, 14, 230–232. [Google Scholar] [CrossRef]
- Bauer, D.; Marx, R.; Nußbicker-Lux, J.; Ochs, F.; Heidemann, W.; Müller-Steinhagen, H. German central solar heating plants with seasonal heat storage. Sol. Energy 2010, 84, 612–623. [Google Scholar] [CrossRef]
- Xu, J.; Wang, R.Z.; Li, Y. A review of available technologies for seasonal thermal energy storage. Sol. Energy 2014, 103, 610–638. [Google Scholar] [CrossRef]
- ASHRAE Technical Committees, Task Groups, and Technical Resource Group. ASHRAE Handbook; American Society of Heating, Refrigerating and Air-Conditioning Engineers, Inc.: Atlanta, GA, USA, 2014. [Google Scholar]
- Pinel, P.; Cruickshank, C.A.; Beausoleil-Morrison, I.; Wills, A. A review of available methods for seasonal storage of solar thermal energy in residential applications. Renew. Sustain. Energy Rev. 2011, 15, 3341–3359. [Google Scholar] [CrossRef]
- Mangold, D. Seasonal storage—A German success story. Sun Wind Energy 2007, 1, 48–58. [Google Scholar]
- Pavlov, G.K.; Olesen, B.W. Thermal energy storage-A review of concepts and systems for heating and cooling applications in buildings: Part 1—Seasonal storage in the ground. HVAC R Res. 2012, 18, 515–538. [Google Scholar]
- Sibbet, B.; McClenahan, D. Seasonal Borehole Thermal Energy Storage—Guidelines for Design & Construction; Natural Resources: Hvalsoe, Denmark, 2015. [Google Scholar]
- Midttomme, K.; Hauge, A.; Grini, R.S. Underground Thermal Energy Storage with Heat Pumps in Norway; Norwegian Geotechnical Institute (NGI): Trondheim, Norway, 2016. [Google Scholar]
- Sibbet, B. The performance of a high solar fraction seasonal storage district heating system—Five years of operation. Energy Procedia 2012, 30, 856–865. [Google Scholar] [CrossRef]
- Schmidt, T.; Mangold, D.; Müller-Steinhagen, H. Central solar heating plants with seasonal storage in Germany. Sol. Energy 2004, 76, 165–174. [Google Scholar] [CrossRef]
- Skogsberg, K.; Nordell, B. The sundsvall hospital snow storage. Cold Reg. Sci. Technol. 2001, 32, 63–70. [Google Scholar] [CrossRef]
- Rad, F.M.; Fung, A.S.; Leong, W.H. Feasibility of combined solar thermal and ground source heat pump systems in cold climate, Canada. Energy Build. 2013, 61, 224–232. [Google Scholar] [CrossRef]
- Wang, X.; Zheng, M.; Zhang, W.; Zhang, S.; Yang, T. Experimental study of a solar-assisted ground-coupled heat pump system with solar seasonal thermal storage in severe cold areas. Energy Build. 2010, 42, 2104–2110. [Google Scholar] [CrossRef]
- Nussbicker-Lux, J. The BTES project in Crailsheim (Germany)—Monitering results. In Proceedings of the 12th International Conference on Energy Storage, Lleida, Spain, 16–18 May 2012. [Google Scholar]
- Hsieh, S.; Weber, R.; Dorer, V.; Orehounig, K. Integration of thermal energy storage at building and neighburhood scale. In Proceedings of the 14th International Conference of IBPSA Building Simulation, Hyderabad, India, 7–9 December 2015. [Google Scholar]
- Sweet, M.L.; McLeskey, J.T., Jr. Numerical simulation of underground seasonal solar thermal energy storage (SSTES) for a single family dwelling using TRNSYS. Sol. Energy 2012, 86, 289–300. [Google Scholar] [CrossRef]
- Kirkpatrick, D.L.; Masoero, M.; Rabl, A.; Roedder, C.E.; Socolow, R.H.; Taylor, T.B. The ice pond—Production and seasonal storage of ice for cooling. Sol. Energy 1985, 35, 435–445. [Google Scholar] [CrossRef]
- Rutberg, M.; Hastbacka, M.; Cooperman, A.; Bouza, A. Saves energy, money thermal energy storage. ASHRAE J. 2013, 62–66. [Google Scholar]
- Silvetti, B. Application fundamentals of ice-based thermal storage. ASHRAE J. 2002, 44, 30–35. [Google Scholar]
- Abhat, A. Low temperature latent heat thermal energy storage: Heat storage materials. Sol. Energy 1983, 30, 313–332. [Google Scholar] [CrossRef]
- Novo, A.V.; Bayon, J.R.; Castro-Fresno, D.; Rodriguez-Hernandez, J. Review of seasonal heat storage in large basins: Water tanks and gravel-water pits. Appl. Energy 2010, 87, 390–397. [Google Scholar] [CrossRef]
- Schmidt, T.; Mangold, D. New steps in seasonal thermal energy storage in Germany. In Proceedings of the Tenth International Conference on Thermal Energy Storage, Pomona, CA, USA, 2 June 2006. [Google Scholar]
- Gabriela, L. Seasonal thermal energy storage concepts. Acta Tech. Napoc. 2012, 55, 775–784. [Google Scholar]
- Lee, K.S. Simulation of aquifer thermal energy storage system under continuous flow regime using two-well model. Energy Sources Part Recovery Util. Environ. Eff. 2009, 31, 576–584. [Google Scholar] [CrossRef]
- Seibertz, K.S.O.; Chirila, M.A.; Bumberger, J.; Dietrich, P.; Vienken, T. Development of in-aquifer heat testing for high resolution subsurface thermal-storage capability characterisation. J. Hydrol. 2016, 534, 113–123. [Google Scholar] [CrossRef]
- Ganguly, S.; Kumar, M. A numerical model for transient temperature distribution in an aquifer thermal energy storage system with multiple wells. Lowl. Technol. Int. 2015, 17, 179–188. [Google Scholar] [CrossRef]
- Lee, K.S. Underground thermal energy storage. In Underground Thermal Energy Storage; Springer: London, UK, 2013; pp. 15–26. [Google Scholar]
- Hesaraki, A.; Holmberg, S.; Haghighat, F. Seasonal thermal energy storage with heat pumps and low temperatures in building projects—A comparative review. Renew. Sustain. Energy Rev. 2015, 43, 1199–1213. [Google Scholar] [CrossRef]
- Rybakova, L.E.; Khairiddinov, B.E.; Khalimov, G.G. Investigation of heat-exchange processes of a subsurface pebble thermal-storage system in a solar greenhouse-dryer. Appl. Sol. Energy 1990, 26, 18–21. [Google Scholar]
- Zhang, L.; Xu, P.; Mao, J.; Tang, X.; Li, Z.; Shi, J. A low cost seasonal solar soil heat storage system for greenhouse heating: Design and pilot study. Appl. Energy 2015, 156, 213–222. [Google Scholar] [CrossRef]
- Skosberg, K.; Nordell, B. Cold Storage Applications; Lulea University of Technology: Lulea, Sweden, 2000. [Google Scholar]
- Gorski, A.J. Third International Workshop on Ice Storage for Cooling Applications; U.S. Department of Energy-Energy and Environmental Systems Division, Argonne National Laboratory: Dukes County, MA, USA, 1986.
- Yan, C.; Shi, W.; Li, X.; Zhao, Y. Optimal design and application of a compound cold storage system combining seasonal ice storage and chilled water storage. Appl. Energy 2016, 171, 1–11. [Google Scholar] [CrossRef]
- Taylor, T.B. Ice ponds. In Proceedings of the AIP Conference, New York, NY, USA, September 1985. [Google Scholar]
- Yan, C.; Shi, W.; Li, X.; Wang, S. A seasonal cold storage system based on separate type heat pipe for sustainable building cooling. Renew. Energy 2016, 85, 880–889. [Google Scholar] [CrossRef]
- Reuss, M. Water pits and snow store: Technologies for seasonal heat and cold storage. In Proceedings of the 2008 ASHRAE Winter Meeting, Salt Lake City, UT, USA, 21–25 June 2008. [Google Scholar]
- Seasonal Cold Storage Building and Process Applications: A Standard Design Option? Available online: http://docplayer.net/15828152-Seasonal-cold-storage-building-and-process-applications-a-standard-design-option.html (accessed on 21 July 2016).
- Sanner, B. High Temperature Underground Thermal Energy Storage State-of-the-Art and Prospects; Lenz-Verlag: Neu-Isenburg, Germany, 1999. [Google Scholar]
- Paksoy, H.O.; Andersson, O.; Abaci, S.; Evliya, H.; Turgut, B. Heating and cooling of a hospital using solar energy coupled with seasonal thermal energy storage in an aquifer. Renew. Energy 2000, 19, 117–122. [Google Scholar] [CrossRef]
- Arnfield, A.J. Two decades of urban climate research: A review of turbulence, exchanges of energy and water, and the urban heat island. Int. J. Climatol. 2003, 23, 1–26. [Google Scholar] [CrossRef]
- Vanhoudt, D.; Desmedt, J.; van Bael, J.; Robeyn, N.; Hoes, H. An aquifer thermal storage system in a Belgian hospital: Long-term experimental evaluation of energy and cost savings. Energy Build. 2011, 43, 3657–3665. [Google Scholar] [CrossRef]
- Sommer, W.; Valstar, J.; Leusbrock, I.; Grotenhuis, T.; Rijnaarts, H. Optimization and spatial pattern of large-scale aquifer thermal energy storage. Appl. Energy 2015, 137, 322–337. [Google Scholar] [CrossRef]
- Neilson, K. Thermal Energy Storage: A State-of-the-Art; NTNU and SINTEF: Trondheim, Norway, 2003. [Google Scholar]
- McClenahan, D.; Gusdorf, J.; Kokko, J.; Thornton, J.; Wong, B. seasonal storage of solar energy for space heat in a new community. In Proceedings of the 2006 ACEEE Summer Study on Energy Efficiency in Buildings, Okotoks, AB, Canada, 13–18 August 2006; pp. 1–13. [Google Scholar]
- Nam, Y.J.; Gao, X.Y.; Yoon, S.H.; Lee, K.H. Study on the performance of a ground source heat pump system assisted by solar thermal storage. Energies 2015, 8, 13378–13394. [Google Scholar] [CrossRef]
- Geth, F.; Tant, J.; Six, D.; Tant, P.; de Rybel, T.; Driesen, J. Techno-economical and life expectancy modeling of battery energy storage systems. In Proceedings of the 21st International Conference on Electricity Distribution (CIRED), Frankfurt, Germany, 6–9 June 2011. [Google Scholar]
- How Long Does It Take to Pay Off a Tesla Powerwall? IER, 5 January 2016. Available online: http://instituteforenergyresearch.org/analysis/payback-on-teslas-powerwall-battery/ (accessed on 17 September 2016).
- Nykvist, B.; Nilsson, M. Rapidly falling costs of battery packs for electric vehicles. Nat. Clim. Chang. 2015, 5, 329–332. [Google Scholar] [CrossRef]
- Gerssen-Gondelach, S.J.; Faaij, A.P.C. Performance of batteries for electric vehicles on short and longer term. J. Power Sources 2012, 212, 111–129. [Google Scholar] [CrossRef]
- Mustafa Omer, A. Ground-source heat pumps systems and applications. Renew. Sustain. Energy Rev. 2008, 12, 344–371. [Google Scholar] [CrossRef]
- Lund, J.; Sanner, B.; Rybach, L.; Curtis, R.; Hellstrom, G. Geothermal (Ground-Source) Heat Pumps a World Overview; Oregon Institute of Technology: Klamath Falls, OR, USA, 2004. [Google Scholar]
- He, M.; Lam, H.N. Study of Geothermal Seasonal Cooling Storage System with Energy Piles; Department of Mechanical Engineering, University of Hong Kong: Hong Kong, China, 2017. [Google Scholar]
- Lundh, M.; Dalenbäck, J.-O. Swedish solar heated residential area with seasonal storage in rock: Initial evaluation. Renew. Energy 2008, 33, 703–711. [Google Scholar] [CrossRef]
- Nußbicker-Lux1, J.; Heidemann, W.; Müller-Steinhagen, H. Validation of a computer model for solar coupled district heating systems with borehole thermal energy store. In Proceedings of the EFFSTOCK 2009, Stockholm, Sweden, 14–17 June 2009; pp. 1–7. [Google Scholar]
- Reuss, M.; Beuth, W.; Schmidt, M.; Schoelkopf, W. Solar District Heating with Seasonal Storage in Attenkirchen; Bavarian Center of Applied Energy Research: Garching, Germany, 2015. [Google Scholar]
- Sliwa, T.; Rosen, M.A. Natural and artificial methods for regeneration of heat resources for borehole heat exchangers to enhance the sustainability of underground thermal storages: A review. Sustainability 2015, 7, 13104–13125. [Google Scholar] [CrossRef]
- Wang, H.; Qi, C. Performance study of underground thermal storage in a solar-ground coupled heat pump system for residential buildings. Energy Build. 2008, 40, 1278–1286. [Google Scholar] [CrossRef]
- Oliveti, G.; Arcuri, N. Prototype experimental plant for the interseasonal storage of solar energy for the winter heating of buildings: Description of plant and its functions. Sol. Energy 1995, 54, 85–97. [Google Scholar] [CrossRef]
- Operational Response of a Soil-Borehole Thermal Energy Storage System. Available online: http://dx.doi.org/10.1061/(ASCE)GT.1943-5606.0001432#sthash.Via0Ht6e.dpuf (accessed on 24 February 2017).
- Purdy, J.; Morrison, A. Ground-source heat pump simulation within a whole-building analysis. In Proceedings of the Eighth International IBPSA Conference, Eindhoven, The Netherlands, 11–14 August 2003. [Google Scholar]
- Fisch, M.N.; Guigas, M.; Dalenbäck, J.O. A review of large-scale solar heating systems in Europe. Sol. Energy 1998, 63, 355–366. [Google Scholar] [CrossRef]
- McDowell, T.P.; Thornton, J.W. Simulation and model calibration of a large-scale solar seasonal storage system. In Proceedings of the Third National Conference of IBPSA-USA, Berkeley, CA, USA, 30 July–1 August 2008. [Google Scholar]
- The IEA TASK VII Swiss Project in Vaulruz; Design and First Experiences. Available online: http://eurekamag.com/research/020/246/020246506.php (accessed on 27 September 2016).
- McDaniel, B.; Kosanovic, D. Modeling of combined heat and power plant performance with seasonal thermal energy storage. J. Energy Storage 2016, 7, 13–23. [Google Scholar] [CrossRef]
- Catolico, N.; Ge, S.; McCartney, J.S. Numerical modeling of a soil-borehole thermal energy storage system. Vadose Zone J. 2016, 15. [Google Scholar] [CrossRef]
- Rad, F.M.; Fung, A.S.; Rosen, M.A. An integrated model for designing a solar community heating system with borehole thermal storage. Energy Sustain. Dev. 2017, 36, 6–15. [Google Scholar] [CrossRef]
- Xi, C.; Hongxing, Y.; Lin, L.; Jinggang, W.; Wei, L. Experimental studies on a ground coupled heat pump with solar thermal collectors for space heating. Energy 2011, 36, 5292–5300. [Google Scholar] [CrossRef]
- Tiwari, A.K.; Tiwari, G.N. Thermal modeling based on solar fraction and experimental study of the annual and seasonal performance of a single slope passive solar still: The effect of water depths. Desalination 2007, 207, 184–204. [Google Scholar] [CrossRef]
- Zhang, Y.; Zhou, G.; Lin, K.; Zhang, Q.; Di, H. Application of latent heat thermal energy storage in buildings: State-of-the-art and outlook. Build. Environ. 2007, 42, 2197–2209. [Google Scholar] [CrossRef]
- Santamouris, M.; Lefas, C.C. Thermal analysis and computer control of hybrid greenhouses with subsurface heat storage. Energy Agric. 1986, 5, 161–173. [Google Scholar] [CrossRef]
- Xu, J.; Li, Y.; Wang, R.Z.; Liu, W. Performance investigation of a solar heating system with underground seasonal energy storage for greenhouse application. Energy 2014, 67, 63–73. [Google Scholar] [CrossRef]
- Gauthier, C.; Lacroix, M.; Bernier, H. Numerical simulation of soil heat exchanger-storage systems for greenhouses. Sol. Energy 1997, 60, 333–346. [Google Scholar] [CrossRef]
- Zhang, L.H.; Liu, W.B.; Dong, R.; Chang, L.N. Experimental study on temperature improvement in solar greenhouse with underground pebble bed thermal storage. In Proceedings of the 2011 International Conference on Computer Distributed Control and Intelligent Environmental Monitoring (CDCIEM 2011), Changsha, China, 19–20 February 2011; pp. 797–799. [Google Scholar]
- Hugo, A.; Zmeureanu, R. Residential solar-based seasonal thermal storage systems in cold climates: Building envelope and thermal storage. Energies 2012, 5, 3972–3985. [Google Scholar] [CrossRef]
- Energy Publications. Survey of Household Energy Use; Office of Energy Efficiency—Natural Resources: Canada. 2003. Available online: https://oee.nrcan.gc.ca/publications/statistics/sheu/2011/pdf/sheu2011.pdf (accessed on 24 February 2017).
- Guadalfajar, M.; Lozano, M.A.; Serra, L.M. Analysis of large thermal energy storage for solar district heating. In Proceedings of the Eurotherm Seminar 99, Lleida, Spain, 28–30 May 2014. [Google Scholar]
- Tordrup, K.W.; Poulsen, S.E.; Bjørn, H. An improved method for upscaling borehole thermal energy storage using inverse finite element modelling. Renew. Energy 2017, 105, 13–21. [Google Scholar] [CrossRef]
- Dincer, I.; Rosen, M.A. A Unique borehole thermal storage system at university of ontario institute of technology. In Thermal Energy Storage for Sustainable Energy Consumption; Springer: Dordrecht, The Netherlands, 2007; Volume 234, pp. 221–228. [Google Scholar]
- Chuard, P.; Hadorn, J.-C. Central Solar Heating Plants with Seasonal Storage-Heat Storage Systems; Concepts, Engineering Data and Compilation of Projects, Task VII; International Energy Agency, Sorane SA: Lausanne, Switzerland, 1983. [Google Scholar]
- Zeng, H.; Diao, N.; Fang, Z. Heat transfer analysis of boreholes in vertical ground heat exchangers. Int. J. Heat Mass Transf. 2003, 46, 4467–4481. [Google Scholar] [CrossRef]
- Cóstola, D.; Blocken, B.; Hensen, J. External coupling between BES and HAM programs for whole-building simulation. In Proceedings of the Eleventh International IBPSA Conference, Glasgow, UK, 27–30 July 2009. [Google Scholar]
- Moradi, A.; Smits, K.M.; Massey, J.; Cihan, A.; McCartney, J. Impact of coupled heat transfer and water flow on soil borehole thermal energy storage (SBTES) systems: Experimental and modeling investigation. Geothermics 2015, 57, 56–72. [Google Scholar] [CrossRef]
- Thermal Conductivity of Soils. Available online: http://oai.dtic.mil/oai/oai?verb=getRecord&metadataPrefix=html&identifier=ADA044002 (accessed on 24 February 2017).
- Smits, K.M.; Cihan, A.; Sakaki, T.; Illangasekare, T.H. Evaporation from soils under thermal boundary conditions: Experimental and modeling investigation to compare equilibrium- and nonequilibrium-based approaches. Water Resour. Res. 2011, 47. [Google Scholar] [CrossRef]
- Bear, J.; Bensabat, J.; Nir, A. Heat and mass transfer in unsaturated porous media at a hot boundary: I. One-dimensional analytical model. Transp. Porous Media 1991, 6, 281–298. [Google Scholar] [CrossRef]
- Farouki, O. Thermal Properties of Soils; US Army Corps of Engineers, Cold Regions Research and Engineering Laboratory: Hanover, NH, USA, 1981. [Google Scholar]
- Givoni, B. Underground longterm storage of solar energy—An overview. Sol. Energy 1977, 19, 617–623. [Google Scholar] [CrossRef]
- Gustafsson, A.-M.; Westerlund, L.; Hellström, G. CFD-modelling of natural convection in a groundwater-filled borehole heat exchanger. Appl. Therm. Eng. 2010, 30, 683–691. [Google Scholar] [CrossRef]
- Li, C.; Mao, J.; Xing, Z.; Zhou, J.; Li, Y. Analysis of geo-temperature restoration performance under intermittent operation of borehole heat exchanger fields. Sustainability 2016, 8, 35. [Google Scholar] [CrossRef]
- Clio, S.; Miriaiiliosseinabadi, S. Simulation modeling of ground source heat pump systems for the performance analysis of residential buildings. In Proceedings of the BS2013, Le Bourget-du-Lac, France, 25–28 August 2013; pp. 1960–1967. [Google Scholar]
- Spitler, J.D.; Words, P.D.K. GLHEPRO—A design tool for commercial building ground loop heat exchangers. In Proceedings of the fourth international heat pumps in cold climates conference, Aylmer, QC, Canada, 17–18 August 2000; pp. 17–18. [Google Scholar]
- Pahud, D.; Hellstrom, G.; Mazzerlla, L. Duct Ground Heat Storage Model for TRNSYS. Available online: http://repository.supsi.ch/3043/1/30-Pahud-1996-DST.pdf (accessed on 24 February 2017).
- National Renewable Energy Laboratory. EnergyPlus; NREL: Golden, CO, USA, 2016.
- Zhang, R.; Lu, N.; Wu, Y. Efficiency of a community-scale borehole thermal energy storage technique for solar thermal energy. In Proceedings of the GeoCongress 2012, American Society of Civil Engineers, Oakland, CA, USA, 25–29 March 2012; pp. 4386–4395. [Google Scholar]
- COMSOL Multiphysics® Modeling Software. Available online: https://www.comsol.com/ (accessed on 27 December 2016).
- Research-Projects-TOUGH-Software-TOUGH2. Available online: http://esd1.lbl.gov/research/projects/tough/software/tough2.html (accessed on 27 December 2016).
- USGS MODFLOW and Related Programs. Available online: https://water.usgs.gov/ogw/modflow/ (accessed on 11 January 2017).
- Angelotti, A.; Alberti, L.; La Licata, I.; Antelmi, M. Energy performance and thermal impact of a borehole heat exchanger in a sandy aquifer: Influence of the groundwater velocity. Energy Convers. Manag. 2014, 77, 700–708. [Google Scholar] [CrossRef]
- Zeng, H.Y.; Diao, N.R.; Fang, Z.H. A finite line-source model for boreholes in geothermal heat exchangers. Heat Transf. Asian Res. 2002, 31, 558–567. [Google Scholar] [CrossRef]
- Ingersoll, L.R.; Plass, H.J. Theory of the ground pipe heat source for the heat pump. ASHVE Trans. 1948, 54, 339–348. [Google Scholar]
- De Paly, M.; Hecht-Méndez, J.; Beck, M.; Blum, P.; Zell, A.; Bayer, P. Optimization of energy extraction for closed shallow geothermal systems using linear programming. Geothermics 2012, 43, 57–65. [Google Scholar] [CrossRef]
- Bayer, P.; de Paly, M.; Beck, M. Strategic optimization of borehole heat exchanger field for seasonal geothermal heating and cooling. Appl. Energy 2014, 136, 445–453. [Google Scholar] [CrossRef]
- Kjellsson, E.; Hellström, G.; Perers, B. Optimization of systems with the combination of ground-source heat pump and solar collectors in dwellings. Energy 2010, 35, 2667–2673. [Google Scholar] [CrossRef]
- Molina-Giraldo, N.; Blum, P.; Zhu, K.; Bayer, P.; Fang, Z. A moving finite line source model to simulate borehole heat exchangers with groundwater advection. Int. J. Therm. Sci. 2011, 50, 2506–2513. [Google Scholar] [CrossRef]
- Eskilson, P.; Claesson, J. Simulation model for thermally interacting heat extraction boreholes. Numer. Heat Transf. 1988, 13, 149–165. [Google Scholar] [CrossRef]
- Shonder, J.A.; Beck, J.V. Determining effective soil formation thermal properties from field data using a parameter estimation technique. ASHRAE Trans. 1999, 105, 458. [Google Scholar]
- Yang, H.; Cui, P.; Fang, Z. Vertical-borehole ground-coupled heat pumps: A review of models and systems. Appl. Energy 2010, 87, 16–27. [Google Scholar] [CrossRef]
- Tariku, F.; Kumaran, K.; Fazio, P. Integrated analysis of whole building heat, air and moisture transfer. Int. J. Heat Mass Transf. 2010, 53, 111–3120. [Google Scholar] [CrossRef]
- Ferroukhi, M.Y.; Abahri, K.; Belarbi, R.; Limam, K. Integration of a hygrothermal transfer model for envelope in a building energy simulation model: Experimental validation of a HAM–BES co-simulation approach. Heat Mass Transf. 2016. [Google Scholar] [CrossRef]
- Ferroukhi, M.Y.; Djedjig, R.; Limam, K.; Belarbi, R. Hygrothermal behavior modeling of the hygroscopic envelopes of buildings: A dynamic co-simulation approach. Build. Simul. 2016, 9, 501–512. [Google Scholar] [CrossRef]
- Woloszyn, M.; Rode, C. Tools for performance simulation of heat, air and moisture conditions of whole buildings. Build. Simul. 2008, 1, 5–24. [Google Scholar] [CrossRef]
- Reiderer, P. Matlab/Simulink for building and HVAC simulation-state of the art. In Proceedings of the Ninth International IBPSA Conference, Montreal, QC, Canada, 15–18 August 2015. [Google Scholar]
- Crawley, D.B.; Hand, J.W.; Kummert, M.; Griffith, B.T. Contrasting the capabilities of building energy performance simulation programs. Build. Environ. 2008, 43, 661–673. [Google Scholar] [CrossRef]
- Van Schijndel, A.W.M. A review of the application of SimuLink S-functions to multi domain modelling and building simulation. J. Build. Perform. Simul. 2014, 7, 165–178. [Google Scholar] [CrossRef]
- Cascetta, M.; Serra, F.; Arena, S.; Casti, E.; Cau, G.; Puddu, P. Experimental and numerical research activity on a packed bed TES system. Energies 2016, 9, 758. [Google Scholar] [CrossRef]
- Huang, J. Linking the COMIS multi-zone airflow model with the energyplus building energy simulation program. In Proceedings of the 6-th IBPSA Conference, Kyoto, Japan, 13–15 September 1999; Volume 2, pp. 1065–1070. [Google Scholar]
- MocDowell, T.; Vice President at Thermal Energy System Specialists, LLC, Madison, WI, USA. Personal communication, 9 January 2017.
- Leong, W.H.; Tarnawski, V.R. Effects of simultaneous heat and moisture transfer in soils on the performance of a ground source heat pump system. In Proceedings of the ASME-ATI-UIT Conference on Thermal and Environmental Issues in Energy Systems, Sorrento, Italy, 16–19 May 2010. [Google Scholar]
- Roth, K.; Brodrick, J. Seasonal energy storage. ASHRAE J. 2009, 51, 41–43. [Google Scholar]
- Yu, M.G.; Nam, Y.; Yu, Y.; Seo, J. Study on the system design of a solar assisted ground heat pump system using dynamic simulation. Energies 2016, 9, 291. [Google Scholar] [CrossRef]
- Solar Thermal Case Study: Shouldice Hospital (2012). Available online: http://www.solarthermalworld.org/content/solar-thermal-case-study-shouldice-hospital-2012 (accessed on 24 February 2017).
- Case Study: Oxford Gardens Solar Cooling Project, Enerworks Solar Heating and Cooling. Available online: http://enerworks.com/wp-content/uploads/2013/04/casestudy-OxfordGardens.pdf?b3fdf2 (accessed on 24 February 2017).
- Herold, K.E.; Radermacher, R.; Klein, S.A. Absorption Chillers and Heat Pumps, 2nd ed.; CRC Press: Boca Raton, FL, USA, 2016. [Google Scholar]
- Hasnain, S.M. Review on sustainable thermal energy storage technologies, Part II: Cool thermal storage. Energy Convers. Manag. 1998, 39, 1139–1153. [Google Scholar] [CrossRef]
- Saito, A. Recent advances in research on cold thermal energy storage. Int. J. Refrig. 2002, 25, 177–189. [Google Scholar] [CrossRef]
- Silvetti, B. Application Fundamentals of Ice-Based Thermal Storage. Available online: http://www.calmac.com/stuff/contentmgr/files/0/9ee1a79e74c076ff2adac9661e9ef80f/pdf/020311_emjas_emailablearticle_ashraejournalfeb02.pdf (accessed on 9 November 2016).
- Masoero, M. Refrigeration systems based on long-term storage of ice. Int. J. Refrig. 1984, 7, 93–100. [Google Scholar] [CrossRef]
- Eames, I.W.; Adref, K.T. Freezing and melting of water in spherical enclosures of the type used in thermal (ice) storage systems. Appl. Therm. Eng. 2002, 22, 733–745. [Google Scholar] [CrossRef]
- Jim, A.; Facilities Manager at IKEA, Cennetannial, CO, USA. Personal communication, 2 December 2016.
- Denholm, P.; Ela, E.; Kirby, B.; Milligan, M. The Role of Energy Storage with Renewable Electricity Generation; National Renewable Energy Laboratory: Golden, CO, USA, 2010; pp. 1–61.






| Seasonal Storage | Cost (Quantitative) | Geographical Limitations | Energy Recovery | Heating/Cooling Application | Storage Capacity Compared to 1 m3 Water |
|---|---|---|---|---|---|
| HWTES | High due to manufacturing costs | None | High (~90–98%) [41,79] | Heating | 1 m3 |
| GWTES | High due to manufacturing costs | None | Lower than HWTES because of greater thermal conductivity [62] | Heating | 1.5 m3 [55,57] |
| Snow Waste Pit/Ice Pond | Low installation cost (~2–5$/kWh) and operating costs | Regions with high annual snowfall or ponds | Free cooling | Cooling | 0.67–2 m3 [45,51,69] |
| ATES | Low initial drillling and equpment, with high maitenence costs [46,56,62] | Limited to aquifers | Medium (65–95%) [73,76] | Heating and Cooling | 1.5–2.5 m3 [62] |
| BTES | High drilling cost, low maitenence and manufacturing costs, modular construction [41,48,57] | Harder rock may increase drilling costs | Low (~70–90% efficieny) [62] | Heating and Cooling | 2–4 m3 [62] |
| Location | Building(s) | Year Built | Energy Source | No. of Boreholes | Storage Volume [1000 m3] | Estimated Thermal Storage Capacity [MWh] |
|---|---|---|---|---|---|---|
| DLSC in Olbotoks, Canada [43] | 52 Residential Homes | 2007 | Solar Thermal | 144 | 34 | 780 |
| Neckarsulm, Germany [88] | 300 Homes & Shopping Center | 1997 | Soar Thermal | 528 | 63 | 1000 |
| Akreshus University Hospital, Norway [42] | Hospital | 2007 | GSHP | 228 | 300 | N/A |
| Nydalen Business Park Oslo, Norway [85] | Several Large Buildings | 2004 | GSHP | 180 | 1800 | N/A |
| Brædstrup District Heating, Denmark [111] | 1500 households | 2013 | Solar Thermal | 48 | 19 | 616 |
| Crailshem, Germany [48] | School & Gymnasium | 2007 | Solar Thermal | 80 | 39 | 1135 |
| Attenkirchen, Germany [89] | 30 Homes | 2000 | Solar Thermal | 90 | 10 | 77 |
| Anneberg, Stockholm [87] | 50 homes | 2001 | Solar Thermal | 99 | 60 | 1467 |
| UMASS Campus, USA [98] | University Campus | Simulation | Existing Steam Turbines | 6000 | 620 | 37,000 |
| University of Ontario, Canada [112] | Four University Buildings | 2004 | Heating and Cooling GSHP | 370 | 1400 | 9700 |
| Groningen, The Netherlands [113] | 96 residences | 1985 | Solar Thermal | 20 | 23 | 595 |
| Kerava, Finland ** [62] | 44 Flats | 1985 | Solar Thermal | |||
| Vaulruz Project [113] | Maintenance Center | 1982 | Solar Thermal | Horizontal Tubing | 3.5 | 90 |
| Kungsbacka, Sunclay, Sweden [62] | School Building | 1980 | Solar Thermal | N/A | 85 | 86,000 |
| Innsbruck, Kranebitten, Austria [113] | 1200 MWh/year | 1983 | Solar Thermal | Horizontal Tubing | 60 | 100 |
© 2017 by the authors. Licensee MDPI, Basel, Switzerland. This article is an open access article distributed under the terms and conditions of the Creative Commons Attribution (CC BY) license (http://creativecommons.org/licenses/by/4.0/).
Share and Cite
Lanahan, M.; Tabares-Velasco, P.C. Seasonal Thermal-Energy Storage: A Critical Review on BTES Systems, Modeling, and System Design for Higher System Efficiency. Energies 2017, 10, 743. https://doi.org/10.3390/en10060743
Lanahan M, Tabares-Velasco PC. Seasonal Thermal-Energy Storage: A Critical Review on BTES Systems, Modeling, and System Design for Higher System Efficiency. Energies. 2017; 10(6):743. https://doi.org/10.3390/en10060743
Chicago/Turabian StyleLanahan, Michael, and Paulo Cesar Tabares-Velasco. 2017. "Seasonal Thermal-Energy Storage: A Critical Review on BTES Systems, Modeling, and System Design for Higher System Efficiency" Energies 10, no. 6: 743. https://doi.org/10.3390/en10060743
APA StyleLanahan, M., & Tabares-Velasco, P. C. (2017). Seasonal Thermal-Energy Storage: A Critical Review on BTES Systems, Modeling, and System Design for Higher System Efficiency. Energies, 10(6), 743. https://doi.org/10.3390/en10060743
